
Instructions for use
assembly instructions
![]()
PuraVida
iControl mobile
15776XXX
Standards and guidelines:
The use of the product is warranted by the following guidelines:
- EN 15200
- EN 60335-2-105
Safety Notes:
- The shower system may only be used for bathing, hygienic and body cleansing purposes.
- Children must not use the shower system without supervision.
- Children as well as adults with physical, mental and/or sensoric impairments must not use this shower system without proper supervision. Persons under the infl uence of alcohol or drugs are prohibited from using this shower system.
- Do not allow the streams of the shower touch sensitive body parts (such as your eyes). An adequate distance must be kept between the shower and you.
- The hot and cold supplies must be of equal pressures.
Electrical connection:
- The installation and testing work must be performed by a skilled electrician in observance of VDE 0100 part 701 and IEC 60364- 7-701.
- Only one socket is required for the electrical connection. The power is supplied via an external transformer.
- No easily inflammable material is allowed in the immediate vicinity.
- The ambient temperature must not be higher than 50ºC.
- The entire power is supplied via a 230V/N/PE/50Hz AC connection.
- The system must be protected via a leakage current protective device (RCD/ FI) with a measurement diff erence current of ≤ 30 mA.
- If a potential equalisation is required, this must be done on site.
- The current version of the applicable regulations from VDE, local authorities and utility companies must be observed for electric installation work.
- It must be ensured that the product can be disconnected from the mains. Either via a freely accessible plug or via an all-pin switch as per EN 60335-1, sect. 24.3
Assembly:
- Important! The fi tting must be installed, fl ushed and tested after the valid norms. (Installation to EN 1717)
- Any work may only be carried out in a de-energized state.
- The basic body 15941180 can only be installed vertically! Installation with adjustment ring only possible in the front and middle sections!
- All components must remain accessible.
![]()
Pull the solenoid valve line into the empty pipe by means of a cable puller (EN 20).
The solenoid valve line can only be retracted from the solenoid valve block in the direction of the receiver.
![]()
![]()
![]()
![]()
Fittings
Transformer:
![]()
The external transformer provides 50 VA. The transformer must be installed in the dry area (protected zone 3). The transformer can be installed together with the receiver in a plastic housing, while observing EN/IEC 60335-1 (dimensions approx. 250 x 160 x 92 mm, not included in the delivery). The included cable allows the installation of the transformer, up to 7 m away from the receiver. For this, you must provide an empty pipe EN35 (not included in the delivery). This empty pipe must be affixed at least every 500 mm and the bending radius must be greater than 100 mm.
The secondary line of the transformer, which is approx 7 m long, must not be shortened. The unused line length should be stored near the safety
transformer. A damaged connecting line must not be replaced. The transformer may no longer be used.
A damaged connecting line must not be replaced. 0
Connecting line Solenoid valve block / Connecting line Light:
![]()
The solenoid valve block line (7.50 m) may not be shortened. The excess cable length should be stored near the receiver.
The solenoid valve block line may only be routed in the enclosed empty pipe (EN 20).
This empty pipe must be affixed at least every 500 mm and the bending radius must be greater than 100 mm.
Important: No electrical lines carrying a voltage of more than 12 V may be routed in the empty pipes for the solenoid valve block line.
Receiver:
![]()
The receiver should be installed in the same room as the shower system.
If this is not possible, the receiver can also be installed in a room adjacent to the shower system.
The receiver must not be installed inside a metal housing, as this would prevent it from receiving the radio signals of the transmitter. Furthermore, you must make sure that there are as few shielding metal parts present in the vicinity of the receiver.
The receiver antenna should be facing the transmitter to optimally detect the radio signals.
Coding plug:
![]()
If the service mode is activated, the LED of the coding plug will display the visual return messages. The coding plug must remain accessible.
Transmitter:
![]()
The transmitter is already trained to the receiver when the parts are delivered. The transmitter can be allocated to the receiver based on their identical serial numbers.
Additional transmitters or those purchased later, must be trained Es A maximum of four transmitters can be trained or saved. (see page 22 Login mode).
The radio frequency of the transmitter is 868.3 MHz.
Note: Correct procedure to replace a defective transmitter with a new one:
- Delete all transmitters. (Login mode ⇒ Delete mode).
- Retrain all transmitters except for the defective one. (Service mode ⇒ Login mode).
Note: The receiver and the transmitter have a range of approx. 10 m. This range depends on how strongly the radio signals are dampened between the transmitter and the receiver.
Note: For safety reasons, use the transmitter only in the visual area of the shower system. Otherwise, the water may be turned on accidentally.
| Material | Damping |
| Wood, gypsum, glass (uncoated, without metal) | 0 – 10 % |
| Brick, particle board plates | 5 – 35 % |
| Concrete with iron reinforcement | 10 – 90 % |
| Metal, aluminium lamination | 90 – 100 % |
Magnet:
In order to activate the service mode, the magnet must actuate the REED contact (behind the rosette). (see page 21 / 22, Service mode).
![]()
Dimensions
![]()
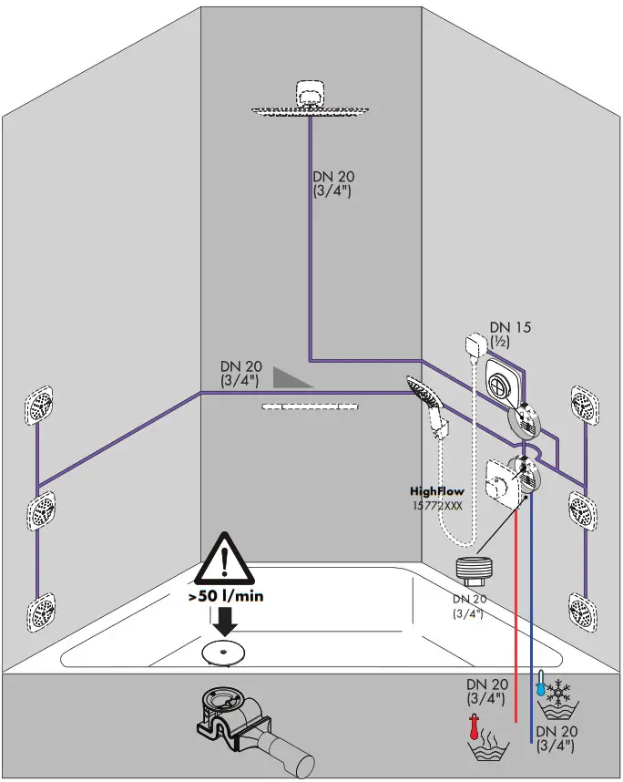
Installation example:
![]()
![]()
![]()
![]()
Operation
![]()
Turn the showers on and off :
![]()
Cleaning filter:
![]()
![]()
Spare parts
![]()
Technical Information
| Fault | Cause | Remedy |
| No function at all | – No voltage supply – Transformer of basic set defective – Receiver placed unfavourably / defective – Transmitter not taught-in / defective | – Ensure voltage supply – Replace transformer – Change location of receiver or replace receiver – Teach-in transmitter / replace |
| Operating mode cannot be configured | – Reed contact not in proper position behind the rosette – Reed contact faulty | – Place Reed contact on the rosette – Replace connecting line to the solenoid valve |
| Consumers shut off on their own | – Runtime saved in programme mode | – Extend / switch off trailing time in service mode |
| Fixture leaks | – Solenoid valve contaminated / defective | – Clean / replace solenoid valve membrane |
| Flow too low | – Dirt collecting sieve on the input side contaminated | – Clean the filter / exchange filter |
Symbols
![]()

Hansgrohe · Postfach 1145 · D-77761 Schiltach · Telefon +49 (0) 78 36/51-1282 · Telefax +49 (0) 7836/511440
E-Mail: [email protected] · Internet: www.hansgrohe.com


















