SLEIPNER SE50 DC Electric Thruster Models Datasheet
Responsibility of the Installer MC_0038
The installer must read this document to ensure necessary familiarity with the product before installation. Instructions in this document cannot be guaranteed to comply with all international and national regulations. It is the responsibility of the installer to follow all applicable international and national regulations when installing Sleipner products. The recommendations given in this document are guidelines ONLY, and Sleipner strongly recommends that advice is obtained from a person familiar with the particular vessel and applicable regulations. This document contains general installation instructions intended to support experienced installers. If you are not skilled in this type of work, please contact professional installers for assistance. If required by local regulation, electrical work must be done by a licensed professional. Appropriate health and safety procedures must be followed during installation. Faulty installation of Sleipner products will render all warranties given by Sleipner Motor AS.
General Installation Considerations and Precautions Guidelines
For thruster systems MC_0425
- Do not install the thruster in a position where you need to cut a stiffener/ stringer/ support that may jeopardise the hull integrity without checking with the boat builder this can be done safely.
- We advise painting the gear house and propellers with anti-fouling (NB: Do not paint the anodes, sealing, rubber fi ttings or propeller shafts)
- There is only room for a thin coat of primer and two layers of anti fouling between the tunnel and the props.
- Never run the thruster out of water.
For electric motor thrusters MC_0031
- The thruster must NOT be installed in compartments that require ignition proof electric equipment. If necessary, make a separate compartment. (NB: Ignition Protected systems are tested to be installed in areas with possible explosive gases in accordance with ISO 8846)
- When installing the thruster electric motor in small compartments, ensure the compartment is well ventilated to allow for cooling of the electro motor.
- If the height of the room you are installing the thruster is limited, the thruster can be installed horizontally or at any angle in-between.
- If the electro motor is positioned more than 30 degrees off vertical, it must be supported separately.
- Beware of keeping installation within advised measurements. No part of the propeller or gear house must be outside the tunnel.
- The electric motor, components and cables must be mounted so they remain dry at all times.
- Do not fi nish the inside of the tunnel with a layer of gel-coat/ topcoat or similar. There is only room for a thin coat of primer and two layers of anti- fouling between the tunnel and the props.
- Don’t install the electric motor close to easily flammable objects or equipment as it will reach over 100°C before the temperature switch is activated.
- Do not store items close to the thruster motor. Any loose items near the thruster motor is a potential fi re hazard and can cause undesired short- circuiting.
- Do not lift it by internal cable connections, main terminals.
- The thruster power supply circuit must include the recommended sized fuse and a battery isolation switch.
- The electric/ hydraulic motor must be handled with care. Do not rest the thruster motor on its drive shaft as its weight can damage the shaft.
For DC electric motors MC_0426
- The electro motor will generate some carbon dust so any storage compartments must be separated from the thruster to prevent nearby items becoming dusty/ dirty. (NB: IP version motors generate dust but are enclosed.) For thruster systems MC_0425
- Do not install the thruster in a position where you need to cut a stiffener/ stringer/ support that may jeopardise the hull integrity without checking with the boat builder this can be done safely.
- We advise painting the gear house and propellers with anti-fouling. (NB: Do not paint the anodes, sealing, rubber fi ttings or propeller shafts)
- There is only room for a thin coat of primer and two layers of anti fouling between the tunnel and the props.
- Never run the thruster out of water. The installer must read this document to ensure necessary familiarity with the product before installation. Instructions in this document cannot be guaranteed to comply with all international and national regulations. It is the responsibility of the installer to follow all applicable international and national regulations when installing Sleipner products. The recommendations given in this document are guidelines ONLY, and Sleipner strongly recommends that advice is obtained from a person familiar with the particular vessel and applicable regulations.This document contains general installation instructions intended to support experienced installers. If you are not skilled in this type of work,please contact professional installers for assistance. If required by local regulation, electrical work must be done by a licensed professional. Appropriate health and safety procedures must be followed during installation. Faulty installation of Sleipner products will render all warranties given by Sleipner Motor AS. Responsibility of the Installer MC_0038 Failure to follow the considerations and precautions can cause serious injury, damage and will render all warranties given by Sleipner Motor as VOID. MC_0411 General Installation Considerations and Precautions Guidelines MC_0440 Lithium Batteries for on/off thrusters models SE and SE-IP MC_0501
- High capacity lithium batteries are capable of supplying a higher operating voltage to the thruster than SE and SE-IP thrusters are rated for. Running thrusters at higher than rated voltage will reduce operating time, increase wear and damage the thruster. Operating the thruster outside specifi ed ratings will void warranty
Product Measurements
| Measurement code | Measurement description | SE5012vmm inch | SE5024vmm inch | ||
| ID | Internal tunnel diameter | 140 | 5,51 | 140 | 5,51 |
| H | Motor Height | 264 | 10,39 | 264 | 10,39 |
| W | Width | 200 | 7,87 | 200 | 7,87 |
| L | Length | 208 | 8,19 | 208 | 8,19 |
| WD | Water Depth | 140 | 5,51 | 140 | 5,51 |
| TL | Minimum tunnel length | 124 | 4,88 | 124 | 4,88 |
| TL (recommended) | Recommended tunnel length | 152 | 5,98 | 152 | 5,98 |
| T (min) | Minimum tunnel wall thickness | 5 | 0,20 | 5 | 0,20 |
| T (max) | Maximum tunnel wall thickness | 7 | 0,28 | 7 | 0,28 |

Product Specifi cations MC_0136
| Product | Maximum Operating Voltage* | Thrust is kg / lbs at (V) | Power OutputkW / Hp | Weightkg / lbs | Maximum Operation Time | |
| SE50 12V | 12V | 62 kg / 136 lbs (12V) | 40 kg / 110 lbs (10.5V) | 2.4 kW / 3.2 hp | 15 kg / 33 lbs | S2 motor at 2 – 3 min.Duty cycle at 20°c (Ambient temperature) |
| SE50 24V | 24V | 62 kg / 136 lbs (24V) | 40 kg / 110 lbs (21V) | 2.4 kW / 3.2 hp | 15 kg / 33 lbs | |
Positioning of the tunnel / thruster
Aim to install the thruster as far forward as possible (1)
Due to the leverage effect around the boats’ pivot point. The distance difference from the boat pivots’ point to the thruster will determine the amount of real rotation power for the boat. Aim to install the thruster as deep as possible under the waterline (2) Deeper installations prevent air from being sucked into the tunnel from the surface, resulting in reduced thrust performance and increase noise levels during operation. Deeper installations increase water pressure for maximum effi ciency from the thruster. The centre of the tunnel should be a minimum of 1 x the tunnel diameter below the waterline. The installer must make evaluations based on thruster performance, boat type and operating conditions. As a general recommendation, the position of the tunnel should not be a minimum of 1/4 of the diameter of the tunnel from the boat keel. (NB: This can be overlooked depending on the installation methods defi ned in this manual.)

Tunnel Length
Optimal tunnel length
Achieving the correct tunnel length depends on many factors from the hull type, operation and environmental conditions. Tunnels should avoid being longer than 4 x the tunnel diameter as this\ will reduce thruster performance. (NB: Installing long length tunnels can flex/ bend over time and may require additional support. Consult with a naval architect.)
- Do not allow the variable length of the tunnel walls to vary in length excessively. EG. The top tunnel wall is x 4 longer than the bottom wall.
- If the tunnel is too long, the friction inside will reduce the water speed and thereby the thrust.
- If the tunnel is too short (typically only in the bottom section of the tunnel) cavitation problems can occur as water flow will not be able to “straighten” itself before reaching the propeller. This cavitation will reduce performance and increase noise during operation. Thruster within the tunnel It is important the propellers and the lower unit/ gear leg must be entirely inside the thruster tunnel. Propellers that protrude from the tunnel will not perform as intended.
- Standard Use Tunnel length must be long enough to ensure the propellers are not extruding the tunnel.
- Flat Bottom Hull Tunnel lengths must be longer than the standard measurement outlined within the manual to ensure a circular vacuum is not created between thethruster and the bottom of the boat.
- High-Speed Boats Tunnel lengths must be increased to protect the propeller from damage when crashing against the water surface during high-speed cruising. (NB: This can include the length of a spoiler)




The gear leg/ propeller(s) must never extend out of the tunnel

Increase tunnel length to prevent a circular water vacuum cavity between the propeller and the hull of the boat.

Increase tunnel length to prevent a circular water vacuum cavity between the propeller and the hull of the boat.
Tunnel installation in Sailboats
Some sail boats have a flat bottom and shallow draft in the bow section. This can make installing the thruster as far forward from the boats main pivot point diffi cult. (Fig. 1).
However, it is possible to install a tunnel thruster in most sail boats, even when the hull does not directly support the fi tting of a tunnel. Instead fi t the tunnel halfway into the underneath section of the existing hull. Strengthen it with a deflector/ spoiler directing the water flow around the tunnel. This will allow installation of the thruster in the proper position on the boat, maintaining the reliability and space advantages of the tunnel thruster. This installation is being used by some of the world’s largest sail boat builders and has proven to give little to no speed loss during normal cruising. This can also be an installation method for flat bottomed barges to avoid extremely long tunnels and large oval tunnel openings in the hull.

Water Deflection
- A possible problem in sail boats or fast powerboats is that a non rounded surface can generate drag from the back face of the tunnel, as it creates a “flat” area facing the flow of water. This problem can be solved in two different ways, depending on what is possible or easier to perform.
- The best solution which generally reduces the most drag is to make a recess in the hull at the back of the tunnel. As the back face is removed water can flow freely past the tunnel entry. The depth and shape of this recess will depend on the boat and the angle facing up/ down aft of the tunnel insert. Normally it is angled slightly down because of the water flow on this area.
- Making a deflector/ spoiler in front and underneath the tunnel can also reduce damage to the thruster and drag. The deflector/ spoiler will push the water flow out from the hull so water can pass by the back face of the tunnel. The shape and size of this deflector/ spoiler will depend on the hull shape. The easiest way of making the deflector/ spoiler is to retain a part of the lower forward area of the tunnel while installing the tube. Use this area as support to mould a soft curve/spoiler shape from the hull.
- The thruster propeller can spin (passively) producing noise while sailing or cruising as water is forced through the tunnel. Water-flow directed through the tunnel at high speeds, during turning or as the boat bumps waves while underway can also damage the thruster.
(NB: As a rule, you should not see the back face of the tunnel when standing directly in front of the boat looking aft.)

To protect the propeller from water entering into the tunnel at high speeds (25 knots +) the extended deflector/ spoiler must provide protection from the front and the bottom. In the event when the boat is traveling at high speeds it will commonly pound upon the water surface.
Tunnel Ends
Rounded tunnel ends will maximise thrust and minimise noise and cavitation.
For best performance round the tunnel connection to the hull-side as much as possible. The minimum rounding has a radius of 10% of the diameter of the tunnel. Signifi cant advantages of a rounded tunnel over a sharp tunnel to hull connections are:
- A rounded tunnel end will prevent the creation of turbulence/ cavitation created from a sharp tunnel end when water passes by the tunnel.
The turbulence/ cavitation will block the outer area of the tunnel and thereby reduces the effective tunnel diameter and thrust.
Turbulence/ cavitation on the propeller will lessen the thrusters performance and create excess noise. - For steel/ aluminium hulls angled tunnel ends also offer similar performance as a rounded connection.
- A rounded tunnel end makes the thruster draw water from along the hull side, creating a vacuum that will suck the boat sideways and thereby give additional thrust.
With a sharp tunnel end, the thruster will be unable to take water from along the hull-side, and you will not gain the desired vacuum and additional thrust. This “free” extra thrust in optimal installations be 30 – 40% of the total thrust.
(NB: A Side-power thruster propeller does not produce cavitation at working speed. Therefore, any cavitation and cavitation noise in the tunnel will be caused during improper tunnel installation.)

Tunnel Installation
IMPORTANT
We recommend that a professional does the fi breglass, steel or aluminium fi tting of the tunnel. These instructions are only general instructions and do not explain in any way the details of fi breglass work. Problems caused by faulty installation of the tunnel, are the installers full responsibility.
- Find the position in the boat considering the information earlier in this manual and the applicable measurements for the thruster model you are installing. Mark the centre of the tunnel on both sides of the hull. Drill a hole horizontally at these marks.
- Mark the circle for the tunnel opening (outside diameter of the tunnel) and cut the hole.
- Grind off the gel coat to the “real fi breglass” area 12cm around the hole on both inside and outside the hull to cast the tunnel to the hull (Fig. 3).
- Insert the tunnel and mark its shape to fi t the hull. (NB: if you are installing with a deflector/ spoiler, leave a part of the tunnel in the front and underside of the tunnel that will cover the back face.)
- Cut the tunnel ends to the desired shape and lightly sand its surf ce. Clean the area with acetone or similar where you are going to apply fi breglass. (NB: Do not cast or add fi breglass to the area were the thruster will be placed.)
- Cast the tunnel to the inside of the hull, use at least eight layers of 300g fi breglass and resin, preferably alternating mat and rowing types of fi breglass. To round the tunnel ends to a 10% radius make further layers inside to preserve the desired hull thickness.
(NB: Ensure gaps between the tunnel and the hull are completely fi lled with resin/ fi breglass. In areas where you can not access to make layers of resin/ fi breglass, a resin/ fi breglass mixture must be used in that area.)

Round the edges with a radius of 10% of the tunnel diameter.
- For steel/ aluminium hulls make a slope with a length of 10-15% of the tunnel diameter. (NB: If this is not possible, round the tunnel end as much as possible.)
- Additionally cast two layers on the outside of the tunnel/ hull in a 10cm area
- Follow the same method if making the deflector/ spoiler. You must apply gel coat to areas you have grounded/ moulded to make waterproof. These areas allow water access to the hull which is typically not waterproof without these applications outside. (NB: All original Side-Power tunnels are fully waterproof when delivered except in the areas where you have cut and bonded it to the hull.)

Stern Tunnel Installation
For Stern Thruster installation please refer to the supplied manual in your Sleipner product delivery

Gear Leg & Motor Bracket Installation
- Mark the tunnel centreline and the boat’s centreline. (NB: Install the gear leg and propeller as shown above for the thrust direction to correspond with the control panel.)
- Use the gasket or template (recommended) to mark the hole centres and double-check the measurements. One hole MUST be placed using the boat centreline as shown above. (NB: All holes must be in-line with the tunnels’ centreline for correct installation, clearance between the propeller and the tunnel is minimal.)
- Smooth the surface of the tunnel. A rough surface will cause possible failure/ movement of the gear leg. The motor bracket must rest steadily on the tunnel.
- Drill the main centre hole followed by the two screw-holes.
- Place the gear leg (without the propeller) with the gasket on inside the tunnel. Place the propeller on the gear leg to ensure it is centred and rotates freely with the same clearance from each blade to the tunnel wall. Place top motor bracket and bolt plate to measure the drive shaft has come through the motor bracket at the correct height. Remove the gear leg and propeller for fi nal installation.
- Apply appropriate sealant to both sides of the gasket and place on the gear leg. Place the gear leg in the tunnel (without the propeller).
- Install the top motor bracket and gear leg gently together. Use appropriate sealant to ensure that no leakages occur. (NB: See your sealant data sheet for the correct application process.)
- Fasten the gear leg and the motor bracket with the bolts provided. Tighten to torque as shown above.





Propeller Installation
- Centre the drive pin and Insert the propeller onto the shaft spine. Rotate the propeller until the drive pin aligns with the internal slot in the propeller.
- Insert the washer to the end of the shaft spline. Tighten with the propeller lock-nut.
- Apply anti fouling to the gear leg and propeller. Do not apply anti fouling to any rubber elements of the gear leg or anodes. MC_0016
WARNING Do not use abrasive tools damaging the existing Epoxy coating when preparing for antifouling paint.

Motor Installation
- Insert the drive pin to the motor drive shaft. Insert the coupling to align with the drive pin in the motor shaft.
- Install the motor onto the motor bracket ensuring the couplings are engaged together correctly (top and bottom). (NB: The motor can be placed in all directions on the motor bracket. However, ensure the cable terminals are accessible for electrical installation later.)
- If you are installing the motor at an angle of more than 30 degrees off vertical, the motor will require separate/ additional support. (NB: Do not position supports on the motors top cap.)
- Fasten the bolts holding the motor to the motor bracket with the above torque.
- Check the drive shafts are engaged by rotating the propeller. (NB: Rotating the propellers can be hard due to the gear reduction and the motor, however the propeller must be able to rotate via hand power.)
IMPORTANT
The thruster motor assembly must be protected using suitable covering to avoid dust/debris ingress from fabrication/maintenance/shipbuilding operations. On completion of operations, the cover must be removed before operating the thruster




Electrical Installation
- Information of electrical table. see next page
- All power cable lengths represent the total length of the combined (+) and (-) cables.
- Battery capacity is stated as minimum cold crank capacity, (CCA).
- Use slow blow rated fuses to hold stated Amp-Draw for min. 5 minutes.
- Consider the AMP hours (Ah) for your specifi c duty cycle.
- Use appropriate sized cables and batteries with high cranking capacity to feed the thruster. The actual voltage at the motor while running the thruster decides the motors output RPM and thrust. Use larger cables and stronger batteries for better results.
- See electrical specifi cations for advised minimum cables and batteries (CCA).
- Install the main switch as close to the battery as possible and ensure the main positive lead can take loads without noticeable voltage drop.
- Ensure the main switch (battery isolator) can be turned off independently and manually when not on board or in emergencies.
- Ensure it is easily accessible and update instructions that this should be turned off like the boat’s other main switches. It is advised to install a fuse in the positive lead for protection against short-circuiting.
- Ensure a slow type and appropriately sized to take the amperage draw for at least 5 minutes.
(NB: For Ignition Protected installations remember to use ignition protected fuses and switches if fi tted in areas that require this feature. Ensure to follow your national regulations)
- Cable lugs must have adequate electrical and mechanical isolation and fi tted with cable lug covers.
- Fasten cables to the required torque.
WARNING
Check the following with the main switch is set to off : After all electrical connections have been completed check with an ohm meter that there is no electrical connection between
- electro-motor flange and the positive terminal on the motor
- electro-motor flange and the battery negative terminal on the moto

Electrical Reference Guide
| Model Size | System Voltage | Nominal current | *Min. battery CCA | Rec. fuse | Cross Section Guide for Power Cables | |||||||||||||
| Unit | <7m total + & – | 7-14mtotal + & – | 15-21mtotal + & – | 22-28mtotal + & – | 28-35mtotal + & – | 36-45mtotal + & – | ||||||||||||
| Min. | Rec. | Min. | Rec. | Min. | Rec. | Min. | Rec. | Min. | Rec. | Min. | Rec. | |||||||
| DIN: 200 | mm² | 25 | 35 | 35 | 50 | 50 | 70 | 70 | 95 | 95 | 95 | 120 | 2 x 70 | |||||
| 20/110S | 12V | 150 A | SAE: 380 | ANL 150 | ||||||||||||||
| AWG | 3 | 2 | 2 | 1/0 | 1/0 | 2/0 | 2/0 | 3/0 | 3/0 | 3/0 | 2 x 4/0 | 2 x 2/0 | ||||||
| EN: 330 | ||||||||||||||||||
| DIN: 200 | mm² | 25 | 35 | 50 | 50 | 70 | 70 | 95 | 95 | 120 | 120 | 2 x 70 | 2 x 70 | |||||
| 25/110S | 12V | 200 A | SAE: 380 | ANL 150 | ||||||||||||||
| AWG | 3 | 2 | 1/0 | 1/0 | 2/0 | 2/0 | 3/0 | 3/0 | 4/0 | 4/0 | 2 x 2/0 | 2 x 2/0 | ||||||
| EN: 330 | ||||||||||||||||||
| 30/125S30/140 | 12V | 245 A | DIN: 200SAE: 380EN: 330 | ANL 150 | mm² | 35 | 50 | 50 | 70 | 70 | 95 | 95 | 120 | 120 | 2 x 70 | 2 x 70 | 2 x 95 | |
| AWG | 2 | 1/0 | 1/0 | 2/0 | 2/0 | 3/0 | 3/0 | 4/0 | 4/0 | 2 x 2/0 | 2 x 2/0 | 2 x 3/0 | ||||||
| 40/125S40/140 | 12V | 315 A | DIN: 300SAE: 570EN: 520 | ANL 250 | mm² | 35 | 50 | 70 | 95 | 95 | 120 | 120 | 2 x 70 | 2 x 95 | 2 x 95 | 2 x 120 | 2x 120 | |
| AWG | 2 | 1/0 | 2/0 | 3/0 | 3/0 | 4/0 | 4/0 | 2 x 2/0 | 2 x 3/0 | 2 x 3/0 | 2 x 4/0 | 2 x 4/0 | ||||||
| DIN: 350 | mm² | 50 | 50 | 70 | 95 | 120 | 2 x 70 | 2 x 70 | 2 x 95 | 2 x 95 | 2 x 120 | 2 x 120 | 2 x 120 | |||||
| 12V | 370 A | SAE: 665 | ANL 325 | |||||||||||||||
| AWG | 1/0 | 1/0 | 2/0 | 3/0 | 4/0 | 2 x 2/0 | 2 x 2/0 | 2 x 3/0 | 2 x 3/0 | 2 x 4/0 | 2 x 4/0 | 2 x 4/0 | ||||||
| EN: 600 | ||||||||||||||||||
| 50/140S | ||||||||||||||||||
| mm² | 25 | 25 | 25 | 35 | 35 | 50 | 35 | 50 | 50 | 70 | 70 | 70 | ||||||
| DIN: 175 | ||||||||||||||||||
| 24V | 170 A | SAE: 332 | ANL 150 | |||||||||||||||
| AWG | 3 | 3 | 3 | 2 | 2 | 1/0 | 2 | 1/0 | 1/0 | 2/0 | 2/0 | 2/0 | ||||||
| EN: 280 | ||||||||||||||||||
| DIN: 350 | mm² | 50 | 50 | 70 | 95 | 120 | 2 x 70 | 2 x 70 | 2 x 95 | 2 x 95 | 2 x 120 | 2 x 120 | 2 x 120 | |||||
| 12V | 370 A | SAE: 665 | ANL 325 | |||||||||||||||
| AWG | 1/0 | 1/0 | 2/0 | 3/0 | 4/0 | 2 x 2/0 | 2 x 2/0 | 2 x 3/0 | 2 x 3/0 | 2 x 4/0 | 2 x 4/0 | 2 x 4/0 | ||||||
| 60/185S | EN: 600 | |||||||||||||||||
| 60/140 | DIN: 175 | mm² | 25 | 25 | 25 | 35 | 35 | 50 | 35 | 50 | 50 | 70 | 70 | 70 | ||||
| 24V | 170 A | SAE: 332 | ANL 150 | |||||||||||||||
| AWG | 3 | 3 | 3 | 2 | 2 | 1/0 | 2 | 1/0 | 1/0 | 2/0 | 2/0 | 2/0 | ||||||
| EN: 280 | ||||||||||||||||||
| DIN: 550 | mm² | 70 | 70 | 120 | 2 x 70 | 2 x 95 | 2 x 95 | 2 x 120 | 2x 120 | 2 x 120 | ||||||||
| 12V | 530 A | SAE: 1045 | ANL 400 | NA | NA | NA | ||||||||||||
| AWG | 2/0 | 2/0 | 4/0 | 2 x 2/0 | 2 x 3/0 | 2 x 3/0 | 2 x 4/0 | 2 x 4/0 | 2 x 4/0 | |||||||||
| EN: 940 | ||||||||||||||||||
| 80/185T | ||||||||||||||||||
| mm² | 35 | 35 | 35 | 50 | 50 | 70 | 70 | 95 | 95 | 120 | 120 | 2 x 95 | ||||||
| DIN: 300 | ||||||||||||||||||
| 24V | 280 A | SAE:570 | ANL 250 | |||||||||||||||
| AWG | 2 | 2 | 2 | 1/0 | 1/0 | 2/0 | 2/0 | 3/0 | 3/0 | 4/0 | 4/0 | 2 x 3/0 | ||||||
| EN: 520 | ||||||||||||||||||
| DIN: 750 | mm² | 95 | 95 | 2 x 70 | 2 x 95 | 2 x 120 | ||||||||||||
| 12V | 740 A | SAE: 1425 | ANL 500 | NA | NA | NA | NA | NA | NA | NA | ||||||||
| AWG | 3/0 | 3/0 | 2 x 2/0 | 2 x 3/0 | 2 x 4/0 | |||||||||||||
| EN: 1320 | ||||||||||||||||||
| 100/185T | ||||||||||||||||||
| mm² | 50 | 50 | 50 | 70 | 70 | 95 | 95 | 120 | 120 | 2 x 95 | 2 x 95 | 2 x 120 | ||||||
| DIN: 400 | ||||||||||||||||||
| 24V | 340 A | SAE: 760 | ANL 325 | |||||||||||||||
| AWG | 1/0 | 1/0 | 1/0 | 2/0 | 2/0 | 3/0 | 3/0 | 4/0 | 4/0 | 2 x 3/0 | 2 x 3/0 | 2 x 4/0 | ||||||
| EN: 680 | ||||||||||||||||||
| DIN: 450 | mm² | 70 | 70 | 70 | 70 | 70 | 95 | 95 | 120 | 120 | 2 x 70 | 2 x 70 | 2 x 95 | |||||
| 120/215T | 24V | 420 A | SAE: 855 | ANL 325 | ||||||||||||||
| AWG | 2/0 | 2/0 | 2/0 | 2/0 | 2/0 | 3/0 | 3/0 | 4/0 | 4/0 | 2 x 2/0 | 2 x 2/0 | 2 x 3/0 | ||||||
| EN: 760 | ||||||||||||||||||
| DIN: 750 | mm² | 95 | 95 | 2 x 95 | 2 x 95 | 2 x 120 | 2 x 120 | |||||||||||
| 12V | 800 A | SAE: 1425 | ANL 500 | NA | NA | NA | NA | NA | NA | |||||||||
| AWG | 3/0 | 3/0 | 2 x 2/0 | 2 x 3/0 | 2 x 4/0 | 2 x 4/0 | ||||||||||||
| EN: 1320 | ||||||||||||||||||
| 130/250T | ||||||||||||||||||
| mm2 | 50 | 50 | 50 | 70 | 70 | 95 | 95 | 120 | 120 | 2 x 70 | 2 x 95 | 2 x 95 | ||||||
| DIN: 400 | ||||||||||||||||||
| 24V | 350 A | SAE: 760 | ANL 325 | |||||||||||||||
| AWG | 2 | 1/0 | 1/0 | 2/0 | 2/0 | 3/0 | 3/0 | 4/0 | 4/0 | 2 x 2/0 | 2 x 3/0 | 2 x 3/0 | ||||||
| EN: 680 | ||||||||||||||||||
| DIN: 560 | mm² | 70 | 70 | 95 | 95 | 120 | 120 | 2 x 70 | 2 x 95 | 2 x 95 | 2 x 120 | 2 x 120 | 2 x 120 | |||||
| 150/215T | 24V | 610 A | SAE: 1064 | ANL 500 | ||||||||||||||
| 2 | 2/0 | 2/0 | 3/0 | 3/0 | 4/0 | 4/0 | 2 x 2/0 | 2 x 3/0 | 2 x 3/0 | 2 x 4/0 | 2 x 4/0 | 2 x 4/0 | ||||||
| EN: 940 | ||||||||||||||||||
| DIN: 560 | mm² | 70 | 70 | 70 | 95 | 95 | 120 | 120 | 2 x 95 | 2 x 95 | 2 x 95 | 2 x 120 | 2 x 120 | |||||
| 170/250TC | 24V | 550 A | SAE: 1064 | ANL 400 | ||||||||||||||
| AWG | 2/0 | 2/0 | 2/0 | 3/0 | 3/0 | 4/0 | 4/0 | 2 x 3/0 | 2 x 3/0 | 2 x 3/0 | 2 x 4/0 | 2 x 4/0 | ||||||
| EN: 940 | ||||||||||||||||||
| DIN: 560 | mm² | 70 | 70 | 70 | 95 | 95 | 120 | 120 | 2 x 70 | 2 x 70 | 2 x 95 | 2 x 95 | 2 x 120 | |||||
| 210/250TC | 24V | 500 A | SAE: 1064 | ANL 400 | ||||||||||||||
| AWG | 2/0 | 2/0 | 2/0 | 3/0 | 3/0 | 4/0 | 4/0 | 2 x 2/0 | 2 x 2/0 | 2 x 3/0 | 2 x 3/0 | 2 x 4/0 | ||||||
| EN: 940 | ||||||||||||||||||
| DIN: 700 | mm² | 70 | 70 | 95 | 120 | 120 | 2 x 95 | 2 x 95 | 2 x 95 | 2 x 95 | 2 x 120 | 2 x 120 | 2 x 120 | |||||
| 250/300TC | 24V | 610-670 A | SAE: 1330 | ANL 500 | ||||||||||||||
| AWG | 2/0 | 2/0 | 3/0 | 4/0 | 4/0 | 2 x 3/0 | 2 x 3/0 | 2 x 3/0 | 2 x 3/0 | 2 x 4/0 | 2 x 4/0 | 2 x 4/0 | ||||||
| EN: 1170 | ||||||||||||||||||
| 300/300TC | 24*2 | 400-450A (48V) | DIN: 400SAE: 760EN: 680 | ANL 325 | mm² | 50 | 70 | 50 | 70 | 70 | 95 | 95 | 120 | 120 | 120 | 140 | NA | |
| 48V | AWG | 1/0 | 2/0 | 1/0 | 2/0 | 2/0 | 3/0 | 3/0 | 4/0 | 4/0 | 4/0 | 4/0 | ||||||
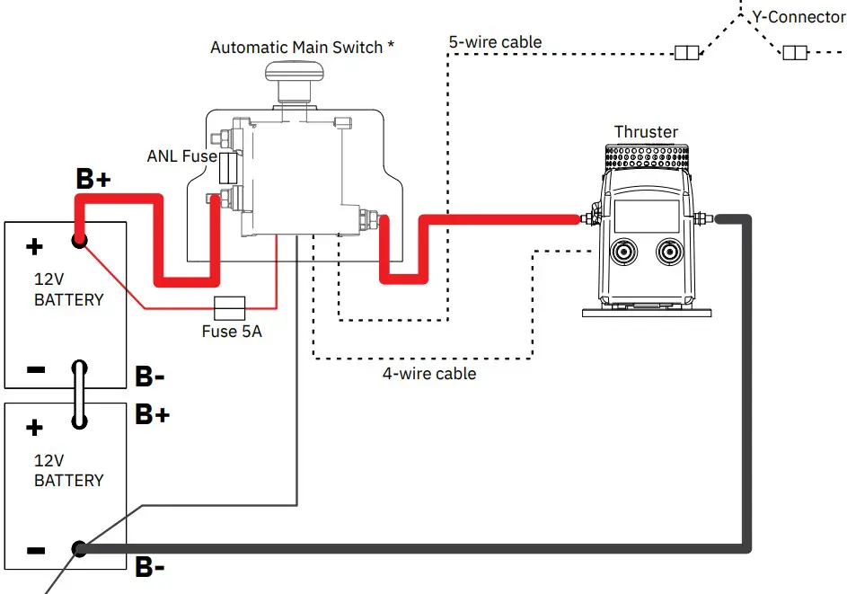
Wiring Diagram 12V Thruster
The Top wiring setup is for a single bow or stern thruster system

IMPORTANT
Check the following with the main switch in the off position After all electrical connections have been completed check with an ohm meter that there is no electrical connection between the motor casing and positive terminal on the motor and between the motor casing and the negative terminal on the motor.
Wiring Diagram 24V Thruster


IMPORTANT
In dual thruster systems with dedicated batteries to each thruster, connect the negative poles of both batteries with a 10A fuse between the connection.
For dual thruster systems using a dual battery bank a dedicated AMS with fuse, or manual main switch and fuse should be installed for each thruster. These should be installed close to the battery bank.
IMPORTANT
Check the following with the main switch in the off position After all electrical connections have been completed check with an ohm meter that there is no electrical connection between the motor casing and positive terminal on the motor and between the motor casing and the negative terminal on the motor.
Control Panel Installation
For Control Panel installation please refer to the Installation Guide accompanying the control panel to be installed.

Pre-delivery Checklist
[]………. The bolts holding the gear house and motor bracket together are tightened correctly.
[]………. The bolts holding the motor to its bracket are tightened correctly.
[]………. All electrical connections are clean, dry and tight, and the correct cable, fuse and main switch size.
[]………. Check that there is no electrical connection between the electro motor body and positive terminal on the motor, and between the electro motor body and the negative (A1) terminal on the motor with an ohm meter.
[]………. Anti-fouling has been applied to the gear house and propeller but NOT anodes, sealing/ rubber fi ttings or propeller shafts.
[]………. Propeller is fastened correctly to the shaft.
[]………. Propeller turns freely in tunnel.
[]………. The anode and/ or holding screw is tightened well with thread glue.
[]………. Check the boat for potential water leakage around installation areas.
[]………. Correct drive direction as per control panel.
[]………. User Manual is supplied to the owner.
Service and Support
Find your local professional dealer from our certifi ed worldwide network for expert service and support. visit our website www.sleipnergroup.com/support
Warranty statement
- Sleipner Motor AS (The “Warrantor”) warrants that the equipment (parts, materials, and embedded software of products) manufactured by the Warrantor is free from defects in workmanship and materials for purpose for which the equipment is intended and under normal use and maintenance service (the “Warranty”).
- This Warranty is in effect for two years (Leisure Use) or one year (Commercial and ot er Non-leisure Use) from the date of delivery/purchase by the end user, with the following exceptions;
(a) For demonstration vessels, or vessels kept on the water, the dealer is considered as the end user from 6 months after their launch of the vessel;
(b) The warranty period starts no later than 18 months after the fi rst launch of the vessel. Please note that the boat manufacturer and dealer must pay particular attention to correct maintenance and service both by the products manuals as well as general good practice for the location the boat is kept in the period the boat is in their care. In cases where the 6 and 18 months grace periods for boat builders and dealers are passed, it is possible to obtain a full warranty upon inspection and approval of the warrantor or such representative. - Certain parts, classifi ed as wearable or service parts, are not covered by the warranty. A failure to follow the required maintenance and service work as described in the product manual render all warranty on parts or components directly or indirectly affected by this void. Please also note that for some parts, time is also a factor separately from actualoperational hours.
- This Warranty is transferable and covers the equipment for the specified warranty period.
- The warranty does not apply to defects or damages caused by faulty installation or hook-up, abuse or misuse of the equipment including exposure to excessive heat, salt or fresh water spray, or water immersion except for equipment specifically designed as waterproof.
- In case the equipment seems to be defective, the warranty holder (the “Claimant”) must do the following to make a claim:
(a) Contact the dealer or service centre where the equipment was purchased and make the claim. Alternatively, the Claimant can make the
claim to a dealer or service centre found at www.sleipnergroup.com. The Claimant must present a detailed written statement of the nature
and circumstances of the defect, to the best of the Claimant’s knowledge, including product identifi cation and serial nbr., the date and place of purchase and the name and address of the installer. Proof of purchase date s ould be included with the claim, to verify that the warranty period has not expired;
(b) Make the equipment available for troubleshooting and repair, with direct and workable access, including dismantling of furnishings or similar, if any, either at the premises of the Warrantor or an authorised service representative approved by the Warrantor. Equipment can only be returned to the Warrantor or an authorised service representative for repair following a pre-approval by the Warrantor’s Help Desk and if so, with the Return Authorisation Number visible postage/shipping prepaid and at the expense of the Claimant. - Examination and handling of the warranty claim:
(a) If upon the Warrantor’s or authorised service Representative’s examination, the defect is determined to result from defective material or workmanship in the warranty period, the equipment will be repaired or replaced at the Warrantor’s option without charge, and returned to the Purchaser at the Warrantor’s expense. If, on the other hand, the claim is determined to result from circumstances such as described in section
4 above or a result of wear and tear exceeding that for which the equipment is intended (e.g. commercial use of equipment intended for leisure use), the costs for the troubleshooting and repair shall be borne by the Claimant;
(b) No refund of the purchase price will be granted to the Claimant, unless the Warrantor is unable to remedy the defect after having a reasonable number of opportunities to do so. In the event that attempts to remedy the defect have failed, the Claimant may claim a refund of the purchase price, provided that the Claimant submits a statement in writing from a professional boating equipment supplier that the installation instructions of the Installation and Operation Manual have been complied with and that the defect remains. - Warranty service shall be performed only by the Warrantor, or an au horised service representative, and any attempt to remedy the defect by anyone else shall render this warranty void.
- No other warranty is given beyond those described above, implied or otherwise, including any implied warranty of merchantability, fitness for a particular purpose other than the purpose for which the equipment is intended, and any other obligations on the part of the Warrantor or its employees and representatives.
- There shall be no responsibility or liability whatsoever on the part of the Warrantor or its employees and representatives based on this Warranty for injury to any person or persons, or damage to property, loss of income or profit, or any other incidental, consequential or resulting damage or cost claimed to have been incurred through the use or sale of the equipment, including any possible failure or malfunction of the equipment or damages arising from collision with other vessels or objects.
- This warranty gives you specific legal rights, and you may also have other rights which vary from country to country
© Sleipner Group, All rights reserved
The information given in the document was right at the time it was published. However, Sleipner Group cannot accept liability for any inaccuracies or omissions it may contain. Continuous product improvement may change the product specifi cations without notice. Therefore, Sleipner Group cannot accept liability for any possible differences between product and document. Register your product and learn more at www.sleipnergroup.com


















