SLEIPNER SX35POD DC External POD Electric Thruster

Responsibility of the Installer
The installer must read this document to ensure necessary familiarity with the product before installation. It is the responsibility of the installer to follow all applicable international and national regulations when installing Sleipner products. The recommendations given in this document are guidelines ONLY, and Sleipner strongly recommends that advice is obtained from a person familiar with the particular vessel and applicable regulations. This document contains general installation instructions intended to support experienced installers. If you are not skilled in this type of work, please contact professional installers for assistance. If required by local regulation, electrical work must be done by a licensed professional. Appropriate health and safety procedures must be followed during installation. Faulty installation of Sleipner products will render all warranties given by Sleipner Motor AS.
General Installation Considerations and Precautions for Thrusters
- Do not install the thruster in a position where you need to cut a stiffener/ stringer/ support that may jeopardies the hull integrity without checking with the boat builder this can be done safely.
- We advise painting the gear house and propellers with anti fouling.
- NB: Do not paint the anodes, sealing, rubber fittings or propeller shafts.
- Do not finish the inside of the tunnel with a layer of gel-coat/ topcoat or similar.
- There is only room for a thin coat of primer and two layers of anti- fouling between the tunnel and the props.
- Never run the thruster out of water.
- The electro/ hydraulic motor must be handled with care.
- Do not place down the motor on the drive shaft.
- The thruster must NOT be installed in compartments that require ignition proof electric equipment.
- If necessary, make a separate compartment.
NB Ignition
- Protected systems are tested to be installed in areas with possible explosive gases in accordance with ISO 8846.
- When installing the thruster electro motor in small compartments, ensure the compartment is well ventilated to allow for cooling of the electro motor.
- If the height of the room you are installing the thruster is limited, the thruster can be installed horizontally or at any angle in between.
- If the electro motor is positioned more than 30 degrees off vertical, it must be supported separately.
- Beware of keeping installation within advised measurements
- . No part of the propeller or gear house must be outside the tunnel.
- Do not install the thruster in a position where you need to cut a stiffener/ stringer/ support that may paradise the hull integrity without checking with the boat builder this can be done safely.
- The electro motor, components and cables must be mounted so they remain dry at all times.
- We advise painting the gear house and propellers with anti fouling.
- NB: Do not paint the anodes, sealing, rubber fittings or propeller shafts.
- Do not finish the inside of the tunnel with a layer of gel-coat/ topcoat or similar.
- There is only room for a thin coat of primer and two layers of anti- fouling between the tunnel and the props.
- Don’t install the electro motor close to easily flammable objects or equipment as it will reach over 100°C before the temperature switch is activated.
- Do not store items close to the thruster motor.
- Any loose items near the thruster motor is a potential fire hazard and can cause undesired short- circuiting.
- Do not lift it by internal cable connections, main terminals.
- The thruster power supply circuit must include the recommended sized fuse and a battery isolation switch.
- The electro motor will generate some carbon dust so any storage compartments must be separated from the thruster to prevent nearby items becoming dusty/ dirty.
- NB: IP version motors generate dust but are enclosed.
- Failure to follow the considerations and precautions can cause serious injury, damage and will render all warranties given by Sleipner Motor as VOID.
- The external thruster assembly and controller unit are ignition protected and can be installed in areas with the chance of explosive gases in accordance to ISO 8846 and ABYC c1500.
- Certification pending.
- Ensure that the external thruster assembly does not disturb the water flow under the hull.
- At higher speeds, if the thruster is installed to low it can cause damage to the thruster and/ or add additional drag and unwanted water splashing.
- The recommended minimum tunnel depth from the water surface is 140mm 5,51 to the center of tunnel diameter.
- Place the Thruster as deep as possible for better performance and reduced noise.
- When installing the thruster ensure it does not foul existing equipment inside the boat like motor bedding etc.
- If able ensure that stern-drives/ trim tabs do not interfere with the water flow from the thruster as this can reduce the thrust effectiveness considerably.
- We recommend the use of our Sleeper cowls to enhance the performance and allow installation in shallow draft boats.
- Sleeper cowls will also minimize the effect if stern-drives/ trim tabs obstruct the thruster.
- Ensure there is enough space both inside and outside the transom of the boat and the thruster does not get in conflict with existing equipment inside the boat like steerage links etc.
- NB: It is possible to mount the tunnel offset from the boat’s center line if necessary.
- Heat protection cut off is calculated from the thruster motor.
- To avoid cable overheating do not install place the volt cables from the thruster to the control box near any heat sources.
- NEVER Disassemble any part of the Ignition Protected assembly.
- Tampering with the Ignition Protected assembly will cause it to lose this safety feature.
- If there is a problem with your Ignition Protected motor, please contact your dealer.
Thruster Measurements
| Measurement code | Measurement description | 35 12v mm inch | 50 12v mm inch | ||
| H | Mould Height | 180 | 7,08 | 180 | 7,08 |
| +H | Tube Height | 183 | 7,20 | 183 | 7,20 |
| W | Width | 183 | 7,2 | 183 | 7,2 |
| L | Length | 630 | 24,8 | 630 | |

Thruster Specifications
| Description | 35 | 50 |
| Available DC System | 12v | 12v |
| Thrust 12v or 24v kg lbs | 43 kg *94 lbs | 62 kg 136 lbs |
| Thrust 10.5v or 21v kg lbs | 35 kg 77 lbs | 50 kg 110 lbs |
| Typical Boat Size m ft | 6m – 10m 19ft – 32ft | 8m – 11m 27ft – 37ft |
| Propulsion System | Single | Single |
| Power kw Hp | 1.8kw 2hp | 2.8kw 3.75hp |
| Weight kg lbs | 19.3 kg 42.55 lbs | 19.3 kg 42.55 lbs |
Technical Specifications
Motor
Custom made reversible DC-motor.
Gear house
Seawater resistant aluminum. Ball bearing and ceramic axial seals at propeller shaft and a combination of ball bearing/ slide bearing at drive shaft. Pre filled and sealed for life.
Motor bracket
Seawater resistant aluminum, galvanization insulated from the motor.
Tunnel
Hydrodynamic fiber glass reinforced snap on composite.
Propeller
5 blade skewback Q prop propeller, fiber glass reinforced composite.
Batteries
Minimum recommended battery capacity (cold crank capacity by DIN/SAE standard Contact a battery supplier for more information.
Max Use
2 – 3 min. duty cycle at 20°.
Safety features
Electronic time-lapse device protects against sudden change of drive direction. The electric thermal cut-off switch in electro motor protects against overheating (auto-reset when electro motor cools down. Original Sleeper panels shut off automatically 6 minutes after last use.Original SLeipner panels use child-safe double ON buttons. An integrated microprocessor monitors solenoids, reduce wear and risk of solenoid lock-in. Auto-stop of the thruster occurs when an undesirable solenoid lock-in occurs or when continuous operation cut-off timer exceeds 3 minutes.
Control Box Technical Specification
| SX35 | SX50 | |
| Operation volts | 12v. | 12v |
| Max Current | 250A | 380A |
| Duty Cycle | S2. | S2 |
| Max ambient temp | 50ºc | 50ºc |
| Min ambient temp | -25ºc | -25ºc |
| Power supply cable | 35 – 70mm²/ AWG 2 – 00 | 35 – 70mm²/ AWG 2 – 00 |
| Mount direction | Any | Any |

Positioning of the SX with Hydrodynamical Cover
Aim to install the thruster as far forward/ Aft as possible
Due to the leverage effect around the boats’ pivot point. The relative distance difference from the boat pivots’ point to the thruster will determine the amount of real thrust for the boats, rotation.

Grids or Cowls assembly
Attach the cowls or grids with included bolts and washers.
NB
If installation of the cowls ensure the appropriate twist of the cowl to direct water away from obstacles.

Tunnel Installation
- Ensure to remove the plastic cover guard on the tunnel.
- Connect both ends of the tunnel to the thruster motor.
- All hooks must be completely interlocked making the inside of the tunnel smooth.
- NB: Ensure tunnel molding around the gear leg and tunnel top align.
IMPORTANT
Ensure all snap lock positions are correctly connected into place.
Align two ends of the tunnel. Remove cover guard.
Check snap lock positions around the tunnel.

Ensure top lips tabs into the motor inserts.
Hydropod Modification
Define the location to install the thruster. NB: Ensure internally the thruster will not obstruct any objects. Ensure cables internally do not obstruct any objects. Do not place cables or control box close to high heat radiating parts EG. Turbo/ exhaust manifolds etc.
- Mark the locations of the three drill holes for the SX thruster using the defi ned measurements or from a template to the hull. (NB: Maximum hull thickness is 50mm.
- Drill main hole for the cable tube, then two support bolt holes.
- Place the SX thruster into the Hydro pod mould.
- Place the hydro-pod with the SX thruster on the hull. Use the pre-drilled holes to guide the assembly to the desired location.
- NB: The SX thruster in the Hydro pod will ensure no flexing of the mould will occur.
- Modify the Hydro pod mould to match the hull profile of the boat.
- Aim to obtain both the front and back tips of the mould sit flush to the hull. Follow the below instructions depending on the modification required:
- Trim the wings of the hydro pod to match the hull profi le. (NB: Excessive heat caused by the cutting method can cause the mould to melt in the worked area OR Determine to use appropriate fi ller to fi ll the gap between the hydro pod and the hull. (NB: Do not fi ll gaps at this stage if required.

IMPORTANT
Do not trim past/off the end grooves or centre groove line at a distance of 5mm.


- Temporally fasten the Hydro pod to the hull using the SX thruster bolts.
- Mark the remaining Hydro pod holes 1 rear, 2 front and drill holes.
- Clean the area from dust for installation of the thruster.
- NB: Tightening the Hydro pod can reduce the gap between the mould and the hull from compression.
- Note this when if required to add MS Polymer to fi ll gaps.
- Make support segments based on the hull profi le for the bolt and tube fasteners.
- Check the length of the compression rings.
- Compression rings must be longer than hull thickness to allow for compression.
- NB: Cut compression sealants to length top achieve 15% compression.
- Apply a sealant MS Polymer to the inside surface of the cut-out holes on the hull.
- To the surface of the washer to the thread and in the recess of the main tube to the thread. 1cm deep inside all compression ring. place all compression rings to bolt threads.
- IF: required to fill gaps between the Hydro pod and the hull use an appropriate amount on the Hydro pod mould to achieve this NB: Ensure ample sealant (MS Polymer) around the bolts and centre tube for a watertight fitting.
- Place the Hydro pod to the hull without the nose cap. Fasten the Hydro pod via the SX thruster and back hydro pod securing bolt.
- NB: Wipe away MS Polymer that has been pushed out from the compression of the Hydro pod to the hull.
- Place the Hydro pod nose cap and fasten nose cap securing bolt
For installations in high corrosive environments saltwater the exposed aluminium parts of the thruster must be coated with an epoxy primer


Compression with support segments

Propeller Installation
- Centre the drive pin and Insert the propeller onto the shaft spine.
- Rotate the propeller until the drive pin aligns with the internal slot in the propeller.
- Insert the washer to the end of the shaft spline.
- Tighten with the propeller lock-nut.
- Apply anti fouling to the gear leg and propeller.
- Do not apply anti fouling to any rubber elements of the gear leg or anodes.

Control Box Installation
The control box is the central component that can be connected to several other control panels. The control box can be mounted in any orientation, preferably with cables facing down. (NB: The control box must be positioned within 0,75 meters from the thruster assembly with the provided cables and not near any object that radiate high temperatures.
- Define the location to install the control box.
- NB: Ensure cables will not obstruct any objects.
- Mark the locations of the four drill holes and drill the holes.
- Attach cables to the control box NB: the control box internal components can be removed via its attachment screws for easier installation using thick battery cables.
- Tighten hose clamps in order to ensure Ignition Protection as illustrated.
- Fasten the control box to the hull.
IMPORTANT
It is the installers full responsibility to follow instructions and ensure total Ignition Protection.
# SX35 CONTROL BOX

Hose claps

# SX50 CONTROL BOX

Control Box hose clamp

Thruster Electrical Installation
- Information of electrical table. see next page
- All power cable lengths represent the total length of the combined (+) and (-) cables.
- Battery capacity is stated as minimum cold crank capacity, (CCA).
- Use slow blow rated fuses to hold stated Amp-Draw for min. 5 minutes.
- Consider the AMP hours (Ah) for your specifi c duty cycle.
- Use appropriate sized cables and batteries with high cranking capacity to feed the thruster. The actual voltage at the motor while running the thruster decides the motors output RPM and thrust. Use larger cables and stronger batteries for better results.
- See electrical specifications for advised minimum cables and batteries (CCA)
- Connect the battery supply to the control unit (PPC).
- Install a main manual/ automatic switch from the positive lead terminal on the battery PPC unit.
- The main switch must be accessible to turn off the thruster independently from the rest of the electrical operation of the vessel when not on-board or in emergencies.
- NB: It is advised to install a fuse on the positive cable for protection against short-circuiting of the main cables.
- The fuse should ensure no voltage decrease, slow-blow and sized to take the amperage draw for at least 5 minutes.
- A circuit breaker can be used instead of the fuse and main power switch If the functionality is the same.
Cable lugs must have adequate electrical and mechanical isolation and fi tted with cable lug covers.
Fasten cables to the required torque
WARNING
Check the following with the main switch is set to off . After all electrical connections have been completed check with an ohm meter that there is no electrical connection between
- Electro motor flange and the positive terminal on the motor.
- Electro motor flange and the battery negative terminal on the motor.
- If unsure contact skilled personnel.
MUST BE IGNITION PROTECTED IF LOCATED IN IP REQUESTED AREA

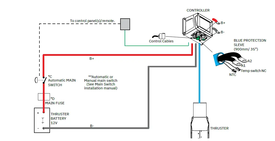
CONTROLLER CONNECTIONS
- B+ Power supply pisiform thruster battery/ Main switch/ Main fuse BL.
- Power supply neg from thruster battery
- 2 Motor cables from thruster.
- 4 wires from thruster over temp switch.
- 2 Control cables from control panel(s)/ remote.
Thruster Electrical Installation


# SX35 CONTROL BOX

Blue protection sleeve


# SX50 CONTROL BOX

Electrical Specifications
| Model Size | System Voltage | Nominal current draw | Min. battery CCA | Rec. fuse | <7m total + & – 7-14m total + & – 15-21m total + & -22-28m total + & – 28-35m total + & – 36-45m total + & – | |||||||||||||
| Min
3 | Rec
2 | Min
1/0 | Rec.
1/0 | Min.
2/0 | Rec.
2/0 | Min.
3/0 | Rec.
3/0 | Min.
4/0 | Rec.
4/0 | Min.
2 x 2/0 | Rec.
2 x 2/0 | |||||||
| AWG | ||||||||||||||||||
| 35/140 | 12 V | 245 A | DIN: 200 SAE: 380 EN: 330 | ANL 150 | mm2
AWG | 35
2 | 50
1/0 | 50
1/0 | 70
2/0 | 70
2/0 | 95
3/0 | 95
3/0 | 120
4/0 | 120
4/0 | 2 x 70
2 x 2/0 | 2 x 70
2 x 2/0 | 2 x 95
2 x 3/0 | |
|
50/1400 | 12 V | 370 A | DIN 350 SAE 665 EN 600 | ANL 325 | mm2
AWG | 50
1/0 | 50
1/0 | 70
2/0 | 95
3/0 | 120
4/0 | 2 x 70
2 x 2/0 | 2 x 70
2 x 2/0 | 2 x 95
2 x 3/0 | 2 x 95
2 x 3/0 | 2 x 120
2 x 4/0 | 2 x 120
2 x 4/0 | 2 x 120
2 x 4/0 | |
| 24 V | 170 A | DIN 175 SAE:332 EN 280 | ANL 150 | mm2
AWG | 25
3 | 25
3 | 25
3 | 35
2 | 35
2 | 50
1/0 | 35
2 | 50
1/0 | 50
1/0 | 70
2/0 | 70
2/0 | 70
2/0 | ||
Control Panel Cable Installation
- All Sleipner control panels can be used in any combination.
- All control panels can be installed using:
- Y-connectors – for standard on/off
- T-connectors – for S-Link proportional power system.
NB
If two or more control panels are operated at the same time in opposite directions, the electronic control box will stop the thruster until it receives a single signal or thrust in one direction.) Sleipner on/off equipment it is entirely plug & play and require no additional configuration setup.

Option
Automatic main switch. connects the battery to the thruster. Operated from the control panel(s). Requires 5-lead control cables.
Pre delivery Checklist
- Propeller is fastened correctly to the shaft.
- Propeller turns freely in tunnel.
- Primer and anti-fouling have been applied to the gear house and propeller but NOT on the anode or the gear house lid where the propeller is fastened.
- Correct drive direction as per control panel.
- The bolts holding the thruster are tightened correctly.
- The bolts holding the motor to its bracket are tightened correctly.
- All electrical connections are clean, dry and tight, and the correct cable, fuse and main switch size.
- No water leakage around hull penetrated studs.
- Check that there is no electrical connection between the electro motor body and positive terminal on the motor, and between the electro motor body and the negative A1 terminal on the motor with an ohm meter.
- The thruster has been installed as per the instructions in this manual and all points in checklist above have been controlled.
Service and Support
Find your local professional dealer from our certified worldwide network for expert service and support. visit our website www.sleipnergroup.com/support
Product Spare Parts and Additional Resources
For additional supporting documentation, we advise you to visit our website www.sleipnergroup.com and find your Sleeper product.
Warranty statement
Sleipner Motor AS The “Warrantor warrants that the equipment parts, materials and embedded software of products manufactured by the Warrantor is free from defects in workmanship and materials for the purpose for which the equipment is intended and under normal use and service the Warranty. This Warranty is in effect for two years Leisure Use or one year Commercial and other Non-leisure Use from the date of purchase by the end user for demonstration vessels, the dealer is deemed as end user. This Warranty is transferable and covers the equipment for the specified warranty period. The warranty does not apply to defects or damages caused by faulty installation or hook up, abuse or misuse of the equipment including exposure to excessive heat, salt or fresh water spray, or water immersion except for equipment specifically designed as waterproof. In case the equipment seems to be defective, the warranty holder the Claimant must do the following to make a claim. Contact the dealer or service center where the equipment was purchased and make the claim. Alternatively, the Claimant can make the claim to a dealer or service centre found at www.sleipnergroup.com. The Claimant must present a detailed written statement of the nature and circumstances of the defect, to the best of the Claimant’s knowledge, including product identification and serial the date and place of purchase and the name and address of the installer. Proof of purchase date should be included with the claim, to verify that the warranty period has not expired. Make the equipment available for troubleshooting and repair, with direct and workable access, including dismantling of furnishings or similar, if any, either at the premises of the Warrantor or an authorised service representative approved by the Warrantor. Equipment can only be returned to the Warrantor or an authorized service representative for repair following a pre-approval by the Warrantor’s Help Desk and if so, with the Return Authorisation Number visible postage/shipping prepaid and at the expense of the Claimant.
Examination and handling of the warranty claim
If upon the Warrantor’s or authorised service Representative’s examination, the defect is determined to result from defective material or workmanship in the warranty period, the equipment will be repaired or replaced at the Warrantor’s option without charge, and returned to the Purchaser at the Warrantor’s expense. If, on the other hand, the claim is determined to result from circumstances such as described in section 4 above or a result of wear and tear exceeding that for which the equipment is intended e.g. commercial use of equipment intended for leisure use the costs for the troubleshooting and repair shall be borne by the Claimant. No refund of the purchase price will be granted to the Claimant, unless the Warrantor is unable to remedy the defect after having a reasonable number of opportunities to do so. In the event that attempts to remedy the defect have failed, the Claimant may claim a refund of the purchase price, provided that the Claimant submits a statement in writing from a professional boating equipment supplier that the installation instructions of the Installation and Warranty service shall be performed only by the Warrantor, or an authorised service representative, and any attempt to remedy the defect by anyone else shall render this warranty void. No other warranty is given beyond those described above, implied or otherwise, including any implied warranty of merchantability, fitness for a particular purpose other than the purpose for which the equipment is intended, and any other obligations on the part of the Warrantor or its employees and representatives. There shall be no responsibility or liability whatsoever on the part of the Warrantor or its employees and representatives based on this Warranty
for injury to any person or persons, or damage to property, loss of income or profit, or any other incidental, consequential or resulting damage or cost claimed to have been incurred through the use or sale of the equipment, including any possible failure or malfunction of the equipment or damages arising from collision with other vessels or objects. This warranty gives you specific legal rights, and you may also have other rights which vary from country to country.
Patents
At Sleipner we continually reinvest to develop and offer the latest technology in marine advancements. To see the many unique designs we have patented visit our website www.sleipnergroup.com/patents
Copyright Sleipner Motor AS, 2021The information given in the document was correct at the time it was published. However, Sleipner Motor AS can not accept liability for any inaccuracies or omissions it may contain. Continuous product improvement may change the product specifications without notice. Therefore, Sleipner Motor AS can not accept liability for any possible differences between product and document .Register your product and learn more at www.sleipnergroup.com




















