Danfoss VXe Solo H OP HT Fully Insulated Substation

Application
The VXe Solo H OP HT (ECL310/P330) is a fully insulated substation for indirect heat-ing with one heating circuit featuring high performance and simple operation. VXe Solo H OP HT is especially suitable for two-pipe systems such as systems with radiator heat-ing. Designed for wall-mounting with pipes connection in bottom. The heating circuit is controlled by electronic temperature con-troller Danfoss ECL 310/P330. The VXe Solo H HT can be connected in either high or low temperature district heating networks (Tmax = 130°C).
District heating (DH)
The substation is prefabricated with inter-connecting components such as fitting piece and sensor pockets for insertion of a heat meter installed in the DH return line, as well as strainers, thermometers and ball valves. The heating temperature is controlled by an electronic ECL 310/P330 controller with weather compensation, which enables fur-ther energy savings.
Heating (HE)
The heating side consists of a stainless steel plate heat exchanger and the VXe Solo H OP HT substation is available with heat exchang-er types XB 06H-26 and XB 06H-40 for radi-ator heating. The heating side also features safety valve, connection for an expansion vessel, strainer, thermometers, manometer and ball valves. The HE circuit is controlled by the district energy class pressure independent control valve AVQM together with the AMV actu-ator with or without safety function, – the temperature by means of an electronic tem-perature controller (ECL 310/P330).
Mounting of heat meter
The substation is equipped with 3/4” fitting pieces in the DH return line for fitting of a heat meter. Calculator of the heat meter can be mounted into a special chamber, that is designed for easy reading.
Design
The design emphasizes the user-friendly placement of all components. The VXe Solo H OP HT is supplied with an elegant insulation cover and a removable cover plate in the front insulation.
Service and maintenance
The substation is very service-friendly and easy to install. It is mounted on the wall and as all pipes are placed in pipe bracket dis-tance, it is possible to establish a nice pip-ing.
The removable cover plate in the front al-lows easy access to the specially designed chamber, where the most frequently used components such as ECL 310 are located. The easy access chamber enables faster commissioning and maintenance without removing the whole cover of the substation.
FEATURES AND BENEFITS
- Connectivity with LeanHeat Monitor for monitoring and remote setting
- Fully insulated with very low heat losses
- Indirect heating, 1 HE circuit
- Customer-specific solutions, specially adapted to the applicable technical regulations
- Ensuring the lowest return temperature by special Danfoss technologies exclusively developed for substations.
- Advanced electronic control of heating (HE) with weather compensation and remote access possibility
- Capacity: 25 -47 kW HE
- Minimum space required for installation
- Primary pipes are welded. All other pipes and plate heat exchanger are made of stainless steel AISI316/314, connections with EPDM gaskets.
- Dezincification-free brass CuZn39Pb3
- Electrical wiring from factory – Plug & Play
- Applicable for high or low temperature district heating networks (Tmax = 130°C)
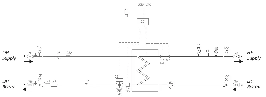
CIRCUIT DIAGRAM ( EXAMPLE)
- Plate heat exchanger HE
- Strainer
- Ball valve
- Safety valve HE
- Thermometer
- Pocket for pressure gauge
- Manometer
- Expansion vessel 12 L
- Sensor pocket for heat meter
- Fitting piece for heat meter ¾” x 110 mm
- Controller Danfoss ECL 310/P330
- Outdoor sensor , ESMT
- Sensor, ESMC
- Danfoss actuator AMV 13
- Flow controller with integrated control valve AVQM
- Safety thermostat Jumo

Design specifications
- Nominal pressure (prim/sec.): PN 25/PN 6
- Max. supply temperature: 130 °C (design temp.)
- Min. ΔP: See capacity examples
- Brazing material (HEX): Copper
- Weight: Max. 50 kg
- Insulation: Polypropylene EPP λ 0.039
- Electrical supply: 230 V AC
- Dimensions (mm): H 820 x W 550 x D 315
- Connections sizes:
- DH: G ¾“ ET (ext. thread)
- HE: G 1” IT (int. thread)
Dimensional sketch

Connections:
- District heating (DH) supply
- District heating (DH) return
- Heating (HE) return
- Heating (HE) supply
| Basic type VXe Solo H OP HT | Code No |
| Type 1, fully insulated | 145F4479 |
| Type 2, fully insulated | 145F4480 |
| Type 2, fully insulated, safety function* | 145F4481 |
HEATING: CAPACITY EXAMPLES
| HEATING: CAPACITY EXAMPLES | ||||||
| Plate heat exchanger HEX | HE capacity [kW] | HE circuit primary [°C] | HE circuit secondary [°C] | Pressure loss primary [*kPa] | Flow rate primary [l/h] | Flow rate secondary [l/h] |
|
XB06H-1 26 Type 1 | 25 | 75/46 | 40/65 | 34 | 717 | 860 |
| 25 | 80/50 | 45/70 | 32 | 717 | 860 | |
| 25 | 90/52 | 50/70 | 20 | 566 | 1075 | |
| 25 | 130/46 | 45/70 | 9 | 252 | 860 | |
| 25 | 130/47 | 50/70 | 9 | 267 | 860 | |
|
XB06H-1 40 Type 2 | 47 | 75/45 | 40/65 | 39 | 1347 | 1617 |
| 47 | 80/50 | 45/70 | 41 | 1347 | 1617 | |
| 47 | 90/52 | 50/70 | 24 | 1064 | 2021 | |
| 47 | 130/46 | 45/70 | 6 | 476 | 1617 | |
| 47 | 130/51 | 50/70 | 6 | 505 | 2021 | |
Danfoss Redan A/S
redan.dk. +45 8743 8943 E-Mail: [email protected]
Danfoss can accept no responsibility for possible errors in catalogues, brochures and other printed material. Danfoss reserves the right to alter its products without notice. This also applies to products already on order provided that such alterations can be made without subsequential changes being necessary in specifications already agreed.
All trademarks in this material are property of the respective companies. Danfoss and all Danfoss logotypes are trademarks of Danfoss A/S. All rights reserved.



















