U-LINE MRI121 21 Inch Refrigerator/ice Maker With White Solid Finish

Introduction
WELCOME TO U-LINE
Congratulations on your U-Line purchase. Your product comes from a company with over five decades of premium modular ice making, refrigeration, and wine preservation experience. U-Line creates products focused on functionality, style, and inspired innovations — paying close attention to even the smallest details. Applications include residential, outdoor, ADA height compliant, marine, and commercial. Complete product categories include Beverage Centers, Wine Refrigerators, Ice Machines, Refrigerators, Freezers, and Dispensers.
Our advanced refrigeration systems, large and flexible capacities, and Built-In to Stand Out® clean integrated look allow you to preserve the right product, in the right place, at the right temperature. Since 2014, U-Line has been part of the Middleby family of brands. All products are designed, engineered, and assembled in Milwaukee, Wisconsin, USA, and select products are available worldwide.
PRODUCT INFORMATION
Looking for additional information on your product? User Guides, Spec Sheets, CAD Drawings, Compliance Documentation, and Product Warranty information are all available for reference and download at u-line.com.
PROPERTY DAMAGE / INJURY CONCERNS
In the unlikely event property damage or personal injury is suspected related to a U-Line product, please take the following steps:
- U-Line Customer Care must be contacted immediately at +1.414.354.0300.
- Service or repairs performed on the unit without prior written approval from U-Line is not permitted. If the unit has been altered or repaired in the field without prior written approval from U-Line, claims will not be eligible.
GENERAL INQUIRIES
U-Line Corporation
8900 N. 55th Street
Milwaukee, Wisconsin 53223 USA Monday – Friday 8:00 am to 4:30 pm CST T: +1.414.354.0300
Email: [email protected]
u-line.com
SERVICE & PARTS ASSISTANCE
Monday – Friday 8:00 am to 4:30 pm CST T: +1.414.354.0300
Service Email: [email protected] Parts Email: [email protected]
Designed, engineered and assembled in WI, USA
Safety
Disposal and Recycling
DANGER
RISK OF CHILD ENTRAPMENT. Before you throw away your old refrigerator or freezer, take off the doors and leave shelves in place so children may not easily climb inside.
If the unit is being removed from service for disposal, check and obey all federal, state, and local regulations regarding the disposal and recycling of refrigeration appliances, and follow these steps completely:
- Remove all consumable contents from the unit.
- Unplug the electrical cord from its socket.
- Remove the door(s)/drawer(s).
Installation
Environmental Requirements
This model is intended for indoor/interior applications only and is not to be used in installations that are open/exposed to natural elements.
This unit is designed to operate between 50°F (10°C) and 100°F (38°C). Higher ambient temperatures may reduce the unit’s ability to reach low temperatures and/or reduce ice production on applicable models.
For best performance, keep the unit out of direct sunlight and away from heat generating equipment.
In climates where high humidity and dew points are present, condensation may appear on outside surfaces. This is considered normal. The condensation will evaporate when the humidity drops.
CAUTION
Damages caused by ambient temperatures of 40°F (4°C) or below are not covered by the warranty.
Cutout & Product Dimensions
PREPARE SITE
Your U-Line product has been designed for either free- standing or built-in installation. When built-in, your unit does not require additional air space for top, sides, or rear. However, the front grille must NOT be obstructed, and clearance is required for an electrical connection in the rear.
CAUTION
Unit can NOT be installed behind a closed cabinet door.
CUTOUT DIMENSIONS

PRODUCT DIMENSIONS
REAR
FRONT

TOP

SIDE
Water Hookup
PREPARE PLUMBING
The water valve uses a standard 1/4″ (6.35 mm) compression fitting. U-Line recommends using accessory water hook up kit – part # 80-54674-00. The kit includes a 10′ (3 m) braided flexible water supply line and a brass hose fitting.
CAUTION
Plumbing installation must observe all state and local codes. All water and drain connections MUST BE made by a licensed/qualified plumbing contractor. Failure to follow recommendations and instructions may result in damage and/or harm.
Water Supply Connection
When connecting the water supply, please note the following:
- Before installing the unit and connecting to the cold water supply, review the local plumbing codes.
- The water pressure should be between 20 and 120 psi (138 and 827 kPa).
- The water line MUST have a shut-off valve in the supply line.
- The water line should be looped into 2 coils. This will allow the unit to be removed for cleaning and servicing. Make certain that the tubing is not pinched or damaged during installation.
WARNING
Connect to potable water supply only.
CAUTION
Do not use any plastic water supply line. The line is under pressure at all times. Plastic may crack or rupture with age and cause damage to your home.
Do not use tape or joint compound when attaching a braided flexible water supply line that includes a rubber gasket. The gasket provides an adequate seal – other materials could cause blockage of the valve.
Failure to follow recommendations and instructions may result in damage and/or harm, flooding or void the product warranty.
Use new hose set. Do not reuse old hose set.
CAUTION
Turn off water supply and disconnect electrical supply to unit prior to installation.
Use caution when handling back panel. The edges could be sharp.
- Turn off water supply and disconnect electrical supply to product prior to attempting installation.
- Remove the back panel.
- Locate water valve inlet.

- Break away filler feature in bushing with flat screwdriver.

- Thread water line through back panel hole (with bushing).

- Locate water valve inlet and connect to valve.
- Turn on water supply and check for leaks.
- Reinstall back panel.
- Install retaining clip.

General Installation
LEVELING INFORMATION NOTICE
Because these units do not have leveling legs, it is extremely important that they sit on a level surface. If they are not level, the ice mold will not fill evenly. Use a level to confirm the unit is level. Level should placed along top edge and side edge as shown.
INSTALLATION
- Plug in the power/electrical cord.
- Gently push the unit into position. Be careful not to entangle the cord or water line.
- Re-check the leveling, from front to back and side to side. Make any necessary adjustments.
- Remove interior packing material and wipe out the inside of the unit with a clean, water-dampened cloth.
Grille Installation
REMOVING AND INSTALLING GRILLE
WARNING
Disconnect electric power to the unit before removing the grille.
When using the unit, the grille must be installed.
WARNING
DO NOT touch the condenser fins. The condenser fins are SHARP and can be easily damaged.
Removing the grille
- Disconnect power to the unit.
- Remove control knob (4).
- Loosen the two screws (1).
- Remove grille (2) and grille cap (3) from unit.
Installing the grille
- Make sure grille cap (3) is behind grille in slots provided in grille before attaching grille to unit.
- Align cabinet and grille holes and secure, but do not over tighten grille screws (1).
- Install control knob (4) if equipped.
- Reconnect power to the unit.

Door Swing

Units have a zero clearance for the door to open 90°, when installed adjacent to cabinets.
Stainless Steel models require 2-1/8″ (54 mm) door clearance to accommodate the handle if installed next to a wall.
Maintenance
Door Latch
The door latch assembly included with your unit can be installed to prevent the door from opening when the vehicle is in motion.
To install, perform the following:
- Remove the two outer most screws from the non-hinge side.
- Place spacer (2) over mounting holes. Place latch (1) on top of spacer (2).
Note: Spacer (2) only required if included with unit. - Re-install the screws, but do not tighten all the way.
- Verify door latch engagement and adjust as necessary.
- Tighten screws.

Door latch can be used to prop door open approximately 1/2” (13 mm) when unit is not in use.
Operating Instruction
First Use
All U-Line controls are preset at the factory. Initial startup requires no adjustments.
NOTICE
U-Line recommends allowing the unit to run overnight before loading with product.
U-Line recommends discarding the ice produced during the first two or three hours of operation to avoid possible dirt or scale that may dislodge from the water line.
To turn the unit on or off:
Press the rocker switch located below the temperature control dial in the center of the grille.
CONTROL DIAL
The control dial sets a single continuous temperature. This set point temperature is a base setting used by the controller to maintain the temperature zone in the unit. The factory default MID setting, number 3 or 4 set point, is approximately 38ºF (3ºC). The set point temperature is a gauge for further temperature adjustments.
Ice
ICE MAKER OPERATION
When the ice bucket is full, the ice making mechanism will shut off. However, the refrigeration system will continue to cool and maintain the ice supply.
NOTICE
Do not place cans or bottles in the ice compartment because they will freeze.
To turn off ice production: Raise the bin arm into an upright and locked position. The unit will preserve temperature for ice storage.
NOTICE
If not intending to use the ice maker, turn the water supply valve off. It is also important to raise the bin arm of the ice maker (see above). Failure to raise the bin arm may result in damage to the water valve.
Certain sounds are normal during the unit’s operation. You may hear the compressor or fan motor, the water valve, or ice dropping into the ice bucket.
CAUTION
NEVER use an ice pick, knife or other sharp instrument to separate cubes. Shake the ice bucket instead.
During periods of limited use or high ambient temperatures, it is common for cubes to fuse together. Gently shake the bucket to break apart cubes. If not using the ice maker regularly, empty the ice bucket periodically to ensure fresh cubes.
It is normal for cubes to appear cloudy. The cause is air trapped in the water because of fast freezing. It is not caused by the health, taste or chemical make up of the water. It is the same air that is in every glass of water you drink.
Remove the ice bucket for emptying and cleaning. To remove the ice bucket, raise the bin arm and remove the bucket from the ice compartment. Use the ice bucket for ice storage only.
ICE MAKER ADJUSTMENT
Ice Cube Thickness Adjustment
Interval – As Required
On ice maker equipped models, adjust the cube size by changing water amount injected into the ice maker assembly as follows:

- Remove the ice maker assembly cover (1).
- Find the adjusting screw on the ice maker assembly control box (2). The adjusting screw is just below the minus (-) and plus (+) signs on the control box.
CAUTION
Too large of an adjustment to the screw can cause the water to overflow the ice maker and can cause property damage. - Turn the adjusting screw toward the minus (-) sign (clockwise) for smaller cubes or toward the plus (+) sign (counterclockwise) for larger cubes.
- Install the ice maker assembly cover.
ADJUSTING ICE HARVEST
- Remove the front grille (see GRILLE INSTALLATION).
- Using a flat tip screwdriver, turn the adjusting screw (3) a small increment clockwise for a COLDER setting (slower ice production) or counterclockwise for a WARMER setting (faster ice production).

- Reinstall the front grille (two screws).
Airflow and Product Loading
AIRFLOW
External
- Do not block the front grille – no additional clearance around sides, top or rear of unit is needed for ventilation
- Do not install behind a closed door
Internal
When loading, leave space between internal fans, vents, and side walls to allow air to circulate freely
PRODUCT LOADING
Bottles and cans come in many shapes and sizes. Not all bottles and cans will fit on every shelf and wine rack. Larger diameter champagne and Magnum bottles only fit on wine racks when noted on the product specifications. When determining capacities U-Line uses typical 12 oz. cans, 12 oz. bottles, 750 mL white wine and red wine bottles shown below.
NOTICE
Restricting airflow may result in poor product performance, product failure, and uneven internal temperatures and may freeze contents.
Cleaning
Stainless Models
Stainless door panels and handles can discolor when exposed to chlorine gas, pool chemicals, saltwater or cleaners with bleach.
Keep your stainless unit looking new by cleaning with a good quality all-in-one stainless steel cleaner and polish monthly. For best results use Claire® Stainless Steel Polish and Cleaner. Comparable products are acceptable. Frequent cleaning will remove surface contamination that could lead to rust. Some installations may require cleaning weekly.
Do not clean with steel wool pads.
Do not use stainless steel cleaners or polishes on any glass surfaces.
Clean any glass surfaces with a non-chlorine glass cleaner.
Do not use cleaners not specifically intended for stainless steel on stainless steel surfaces (this includes glass, tile and counter cleaners).
If any surface discoloring or rusting appears, clean it quickly with Bon-Ami® or Barkeepers Friend Cleanser® and a nonabrasive cloth. Always clean with the grain. Always finish with Claire® Stainless Steel Polish and Cleaner or comparable product to prevent further problems.
Using abrasive pads such as Scotchbrite™ will cause the graining in the stainless steel to become blurred.
Rust not cleaned up promptly can penetrate the surface of the stainless steel and complete removal of the rust may not be possible.
Integrated Models
To clean integrated panels, use household cleaner per the cabinet manufacturer’s recommendation.
INTERIOR CLEANING
Disconnect power to the unit.
Clean the interior and all removed components using a mild nonabrasive detergent and warm water solution applied with a soft sponge or non-abrasive cloth.
Rinse the interior using a soft sponge and clean water.
Do not use any solvent-based or abrasive cleaners. These types of cleaners may transfer taste to the interior products and damage or discolor the lining.
DEFROSTING
Under normal conditions this unit does not require manual defrosting. Minor frost on the rear wall or visible through the evaporator plate vents is normal and will melt during each off cycle.
If there is excessive build-up of 1/4″ (6 mm) or more, manually defrost the unit.
Ensure the door is closing and sealing properly.
High ambient temperature and excessive humidity can also produce frost.
CAUTION
DO NOT use an ice pick or other sharp instrument to help speed up defrosting. These instruments can puncture the inner lining or damage the cooling unit. DO NOT use any type of heater to defrost. Using a heater to speed up defrosting can cause personal injury and damage to the inner lining.
NOTICE
The drain pan was not designed to capture the water created when manually defrosting. To prevent water from overflowing the drain pan and possibly damaging water sensitive flooring, the unit must be removed from cabinetry.
To defrost:
- Disconnect power to the unit.
- Remove all products from the interior.
- Prop the door in an open position (2 in. [50 mm] minimum).
- Allow the frost to melt naturally.
- After the frost melts completely clean the interior and all removed components. (See INTERIOR CLEANING).
- When the interior is dry, reconnect power and turn unit on.
Cleaning Condenser
INTERVAL – EVERY SIX MONTHS
To maintain operational efficiency, keep the front grille free of dust and lint, and clean the condenser when necessary. Depending on environmental conditions, more or less frequent cleaning may be necessary.
WARNING
Disconnect electric power to the unit before cleaning the condenser.
WARNING
DO NOT touch the condenser fins. The condenser fins are SHARP and can be easily damaged.
NOTICE
DO NOT use any type of cleaner on the condenser unit.
- Remove the grille. (See GRILLE-PLINTH INSTALLATION).
- Clean the condenser coil using a using a soft brush with a “combing” action or vacuum cleaner. Do not touch the condenser coil.
- Install the grille.

Extended Non-Use
VACATION/HOLIDAY, PROLONGED SHUTDOWN
The following steps are recommended for periods of extended non-use:
- Remove all consumable content from the unit.
- Disconnect the power cord from its outlet/socket and leave it disconnected until the unit is returned to service.
- Turn off the water supply.
- If ice is on the evaporator, allow ice to thaw naturally.
- Clean and dry the interior of the cabinet. Ensure all water has been removed from the unit.
- Disconnect the water and drain line (if applicable) making sure all water is removed from the lines.
- The door must remain open to prevent formation of mold and mildew. Open door a minimum of 2” (50 mm) to provide the necessary ventilation.
WINTERIZATION
If the unit will be exposed to temperatures of 40°F (5°C) or less, the steps above must be followed. In addition, P60 drain pumps in clear ice machines must be drained according to the following procedure:
- Remove the drain pump from the ice machine.
- Drain the water in the pump’s reservoir by turning the pump upside down and allowing the water to drain through the pump’s inlet and vent tube fittings.
- After water is drained, reinstall the drain pump and reattach all connections.
For questions regarding winterization, please call U- Line at 414.354.0300.
CAUTION
Damage caused by freezing temperatures is not covered by the warranty.
Do not put anti-freeze in your unit.
Service
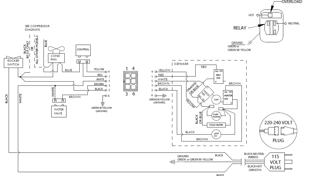
Wire Diagram

U-Line Corporation (U-Line) Limited Warranty
One Year Limited Warranty
For one year from the date of original purchase, this warranty covers all parts and labor to repair or replace any part of the product that proves to be defective in materials or workmanship. For products installed and used for normal residential use, material cosmetic defects are included in this warranty, with coverage limited to 60 days from the date of original purchase. All service provided by U-Line under the above warranty must be performed by a U-Line factory authorized servicer, unless otherwise specified by U-Line. Service provided during normal business hours.
Two Year Limited Warranty (5 Class Product)
For two years from the date of original purchase, this warranty covers all parts and labor to repair or replace any part of the product that proves to be defective in materials or workmanship. For products installed and used for normal residential use, material cosmetic defects are included in this warranty, with coverage limited to 60 days from the date of original purchase. All service provided by U-Line under the above warranty must be performed by a U-Line factory authorized servicer, unless otherwise specified by U-Line. Service provided during normal business hours.
Available Second & Third Year Limited Warranty
In addition to the standard one and two year warranties outlined above, U-Line offers a one year extension of the warranties from the date of purchase, free of charge. To take advantage of this extension, you must register your product with U-Line within 60 days from the date of purchase at u-line.com and provide proof of purchase.
Five Year Sealed System Limited Warranty
For five years from the date of original purchase, U-Line will repair or replace the following parts, labor not included, that prove to be defective in materials or workmanship: compressor, condenser, evaporator, drier, and all connecting tubing. All service provided by U-Line under the above warranty must be performed by a U-Line factory authorized servicer, unless otherwise specified by U-Line. Service provided during normal business hours.
Terms
These warranties apply only to products installed in any one of the fifty states of the United States, the District of Columbia, or the ten provinces of Canada. The warranties do not cover any parts or labor to correct any defect caused by negligence, accident or improper use, maintenance, installation, service, repair, acts of God, fire, flood or other natural disasters. The product must be installed, operated, and maintained in accordance with your product’s User Guide.
The remedies described above for each warranty are the only ones that U-Line will provide, either under these warranties or under any warranty arising by operation of law. U-Line will not be responsible for any consequential or incidental damages arising from the breach of these warranties or any other warranty, whether express, implied, or statutory. Some states do not allow the exclusion or limitation of incidental or consequential damages, so the above limitation or exclusion may not apply to you. These warranties give you specific legal rights, and you may also have other rights which vary from state to state.
Any warranty that may be implied in connection with your purchase or use of the product, including any warranty of merchantability or any warranty fit for a particular purpose is limited to the duration of these warranties, and only extends to five years in duration for the parts described in the section related to the five year limited warranty above. Some states do not allow limitations on how long an implied warranty lasts, so the above limitations may not apply to you.
- The warranties only apply to the original purchaser and are non-transferable.
- The second, third, and five year warranties cover products installed and used for normal residential or designated marine use only.
- The warranties apply to units operated outside only if designed for outdoor use by model and serial number.
- U-Line Commercial products are covered by the one year and 5 year limited warranties and are not eligible for the second and third year limited warranties.
- Replacement water filters, light bulbs, and other consumable parts are not covered by these warranties.
- The start of U-Line’s obligation is limited to four years after the shipment date from U-Line.
- In-home instruction on how to use your product is not covered by these warranties.
- Food, beverage, and medicine loss are not covered by these warranties.
- If the product is located in an area where U-Line factory authorized service is not available, you may be responsible for a trip charge or you may be required to bring the product to a U-Line factory authorized service location at your own cost and expense.
- Units purchased after use as floor displays, and/or certified reconditioned units, are covered by the limited one year warranty only and no coverage is provided for cosmetic defects.
- Signal issues related to Wi-Fi connectivity are not covered by these warranties.
For parts and service assistance, or to find U-Line factory authorized service near you, contact U-Line: 8900 N. 55th Street, Milwaukee, WI 53223 • u-line.com • [email protected] • +1.414.354.0300
Copyright © 2020 U-Line Corporation. All Rights Reserved.
Publication Number 30379
11/2020 Rev. O

























