Honeywell CM4680 2D Imager Module User Guide
What is the CM4680 2D Imager Module
The CM4680 is an encased compact 2D imager module for fixed mount applications.
The CM4680 2D imager module includes the following features:
- USB interface (micro USB connector)
- Exit window
- Beeper
- Status indicator
- Mounting holes for multiple mounting positions
- Sealed enclosure
Required Accessories (not provided)
- Standard USB cable (USB-A to micro USB). Maximum recommended length is 3-5 meters.
Additional Documentation
The following document is available from your local Honeywell OEM representative:
- N4680/CF4680/CM4680 User Guide.
CM4680 2D Imager Module Views


Connecting to a Host
By default, the scanner is in USB serial interface.
- Remove slider from module by pressing the ends and sliding it off.

- Connect a standard USB cable (standard USB-A to micro USB) to the module.

- Secure the cable to the module using the slider: Place the cable through the center of the slider. Press the ends of the slider and slide it back on to the module until tight

- Connect the USB cable to the host.
- Power-up the host.
The scanner powers up, emits a series of beeps from low to high, and lighting turns on.
Note: The host does not have to be powered down before plugging in the device. It can be hot plugged.
Configuration
You can configure your scanner two ways:
- Reading configuration bar codes
- Using the EZConfig Cloud for Scanning tool
Configuration Bar Codes
Scan configuration bar codes to set up your scanner. All available configuration bar codes are available in the N4680/ CF4680/CM4680 User Guide. Contact your local Honeywell OEM representative for more information.
EZConfig for Scanning Tool
Use the EZConfig for Scanning tool to configure your scanner Online:
- Go to the Honeywell https://hsmftp.honeywell.com.
- Register (if you haven’t already), then login.
- Browse to Software > Barcode Scanners > Software > Tools and Utilities > EZConfig for Scanning > Current and download the tool.
- Open EZConfig to configure your scanner.
Basic Setup
Here are some basic menu bar codes that may be useful for testing. For more setup options see the N4680/CF4680/CM4680 User Guide (available from your local Honeywell OEM represen- tative).
Note: The * symbol indicates the default value.
Interface
For USB serial interface, you must install the USB driver before
connecting your scanner. You can find the most current USB
driver at hsmftp.honeywell.com.
- USB Serial Interface *

- USB PC Keyboard

Keyboard Country Layout
the default keyboard is United States.
- United States

- French

- German

- Italian

Beeper Volume
- Low

- Medium

- High

- Off

Presentation Mode
The scanner LEDs remain dim and aimer off until a movement is detected, then the aimer turns on and LEDs light up to read the bar code.
There are 2 types: Presentation Mode or Presentation Mode— Extended Reading Range.
Presentation Mode: Optimized scan speed, limited reading range.
- Presentation Mode

Presentation Mode—Extended Reading Range: Optimized reading range, low scan speed.
Mobile Phone Read Mode
When this mode is selected, your scan engine is optimized to read barcodes from mobile phones or other LED displays.
Streaming Presentation – Mobile Phone
Streaming Presentation
The scanner LEDs are on all the time (continuous) and the aimer is off until a movement is detected, then the aimer turns on to read the bar code.
There are 2 types: Normal or Enhanced.
Streaming Presentation—Normal: Fast scan speed, limited reading range.
Streaming Presentation—Enhanced: Fastest possible scan speed, slightly less reading range than Normal Streaming Pre- sentation mode.
Reset Factory Defaults
The following bar code resets factory defaults.

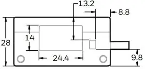
Mechanical Dimensions



Units are in millimeters. Tolerances: ±0.5 mm.
Mounting Holes
Use M3 screws with a maximum depth of 5.8 mm/0.23 in. Max torque 4.5kgf.cm/3.9 lbf.in and pull out resistance 736N.



Units are in millimeters. Tolerances ±0.5 mm.
Recommendations
- Do not add an exit window over the existing exit window.
- For best beeper performance, do not fully cover the beeper opening.
- Be sure the cable is fitted tightly in the connector using the cable slider. The cable over mold should not be more than 23 mm/0.90 in.
Technical Specifications
| Mechanical | |
| Dimensions | 28 mm x 55 mm x 48 mm (1.10 in x 2.17 in x 1.89 in]) |
| Weight | 50 g ±5 g |
| Interface | USB 2.0 |
| Electrical | |
| Input Voltage | 5 VDC ±0.25V |
| Standby Current | 110 mA |
| Operating Current | 220 mA |
| Environmental | |
| Operating Temperature | -30°C to 60°C /-22°F to 140°F |
| Environmental | |
| Storage Temperature | -40°C to 85°C / -40°F to 185°F |
| Humidity | 5% to 95% RH, non-condensing |
| Scanning Performance | |
| Sensor | Global Shutter |
| Resolution | 640 x 480 |
| Illumination | White LED Illumination |
| Aimer | 625 nm visible red LED |
| Motion Tolerance | 6 m/s max |
| Field of View | Horizontal = 40° ±1° Vertical = 30° ±1° |
| Scan Angle | Pitch = ±50° Skew = ±50° Tilt = 360° |
| Print Contrast | 20% |
Reading Distances
- Measured from the front center of the housing
- 25°C, 200 lux for typical, 0 lux for guaranteed
- Photographic barcodes
- Serial Trigger mode
Typical
| Symbology | Near | Far |
| 13 mil UPC-A | 4.3 cm / 1.7 in | 38.5 cm / 15.2 in |
| 10 mil Code 39 | 3.3 cm / 1.3 in | 35.5 cm / 14 in |
| 20 mil Code 39 | 6.8 cm / 2.7 in | 74.2 cm / 29.2 in |
| 20 mil QR Code | 3.3 cm / 1.3 in | 36.2 cm / 14.3 in |
Guaranteed
| Symbology | Near | Far |
| 13 mil UPC-A | 4.7 cm / 1.9 in | 37 cm / 14.6 in |
| 10 mil Code 39 | 4.0 cm / 1.6 in | 33.8 cm / 13.3 in |
| 20 mil Code 39 | 7.2 cm / 2.8 in | 68.3 cm / 26.9 in |
| 20 mil QR Code | 4.2 cm / 1.7 in | 34.2 cm / 13.5 in |
Customer Support and Technical Assistance
For customer support, contact your local Honeywell Sales Representative or fill out the support form at sps.honeywell.com/us/en/contact-us.
Limited Warranty
For warranty information, go to sps.honeywell.com/us/en/support/ productivity/warranties.
Patents
For patent information, see sps.honeywell.com/us/en/support/patents.
Disclaimer
Honeywell International Inc. and its affiliates, subsidiaries, and other entities forming part of Honeywell group (“HII”) reserves the right to make changes in specifications and other information contained in this document without prior notice, and the reader should in all cases consult HII to determine whether any such changes have been made. The information in this publication does not represent a commitment on the part of HII.
Honeywell warrants goods of its manufacture as being free of defective materials and faulty workmanship during the applicable warranty period. Honeywell’s standard product warranty applies unless agreed to otherwise by Honeywell in writing; please refer to your order acknowledgment or consult your local sales office for specific warranty details. If warranted goods are returned to Honeywell during the period of coverage, Honeywell will repair or replace, at its option, without charge those items that Honeywell, in its sole discretion, finds defective. The foregoing is buyer’s sole remedy and is in lieu of all other warranties, expressed or implied, including those of merchantability and fitness for a particular purpose. In no event shall Honeywell be liable for consequential, special, or indirect damages. While Honeywell may provide application assistance personally, through our literature and the Honeywell web site, it is buyer’s sole responsibility to determine the suitability of the product in the application. Specifications may change without notice. The information we supply is believed to be accurate and reliable as of this writing. However, Honeywell assumes no responsibility for its use.
This document contains proprietary information that is protected by copyright. All rights are reserved. No part of this document may be photocopied, reproduced, or translated into another language without the prior written consent of HII.
Copyright 2021 Honeywell International Inc. All rights reserved.
Web Address: sps.honeywell.com/us/en/products/sensing-and-iot
Other product names or marks mentioned in this document may be trademarks or registered trademarks of other companies and are the property of their respective owners.

































