Spraying Systems TJ65 TankJet 65 Tank Cleaner 
GENERAL SAFETY INSTRUCTIONS
WARNING:
All safety-related and operating instructions should be read before the nozzle is operated. Follow all operating instructions. Failure to do so could result in serious injury.
- WARNING:
It is important to recognize proper safety precautions when using a pressurized spray system. Fluids under pressure can penetrate skin and cause severe injury. - WARNING:
When dealing with pressure applications, the system pressure should never exceed the lowest rated component. Always know your system and all component capabilities, maximum pressures and flow rates. - WARNING:
Before performing any maintenance, make sure all liquid supply lines to the machine are shut off and /or disconnected and chemical/fluid are drained. - WARNING:
The use of any chemicals requires careful control of all worker hygiene. - WARNING:
Spraying Systems Co. does not manufacture or supply any of the chemical components used in this equipment and is not responsible for their effects. Because of the large number of chemicals that could be used and their different chemical reactions, the buyer and user of this equipment should determine compatibility of the materials used and any of the potential hazards involved. - WARNING:
Spraying Systems Co. strongly recommends the use of appropriate safety equipment when working with potentially hazardous chemicals. - WARNING:
Before use be sure appropriate connections are secure and made to withstand weight and reaction forces of the operating unit.
This equipment includes but is not limited to:
- Protective hat
- Safety glasses or face shield
- Chemical-resistant gloves and apron
- Long sleeve shirt and long pants
- WARNING:
DO NOT USE TO SPRAY FLAMMABLE LIQUIDS–SUCH USE COULD RESULT IN FIRE OR EXPLOSION CAUSING BODILY INJURY OR DEATH. - WARNING:
It is important to operate equipment within the temperature range of all components. Also insure that appropriate time lapses or proper safety equipment is used when handling components after they’re exposed to high temperatures. - WARNING:
Never operate tank cleaning equipment in the open due to the potential of bodily injury. - WARNING:
Removed equipment from the tank before attempting any repairs. - WARNING:
If walking on top of a tank is deemed safe and is necessary, use proper safety precautions to protect individuals as well as the equipment. - WARNING:
Do not put any part of your body in the tank during operation of the tank cleaner. This is NOT a safe procedure for verification of operation. - WARNING:
Proper hoisting procedures should be used when installing and removing all equipment. - WARNING:
To insure the safety of the equipment as well the individuals using them, only use Spraying Systems Co. components. - WARNING:
When packaging and transporting use structurally sound boxes or crates that can handle the weight of the equipment. - WARNING:
Tank cleaners should be flushed out with clean water before they’re stored or shipped to minimize health hazards or cross-contamination. - WARNING:
Do not use any equipment outside the intended purposes of the product. Misuse can result in personal injury or product damage.The container being cleaned should be sealed as best as possible while the TankJet 65 models is running its cycle. The combination of temperature, cleaning solution, spray impact and the potential toxic materials being cleaned can cause a hazard to anyone in the path of the spray.
PRINCIPLES OF OPERATION
The TankJet® 65 is a hydraulically driven rotating head that provides effective control of rotational speed to assure optimum cleaning by the nozzle streams of internal tank surfaces to be cleaned, sanitized, treated, or rinsed. No reduction gears are used and therefore, minimal maintenance is required. The nozzles are driven by a set of bevel gears through a complete 360° path simultaneously in both the vertical and horizontal planes. This unit is complete with 4 nozzles which provide an indexing pattern of 2° per revolution. The “clean line” design of this unit ensures a minimum of outside crevices in the unit where processing material may accumulate to cause contamination. The unit may be installed on a permanent basis (C.I.P.). Many types of fluids, sanitizers, detergents, solvents and caustics may be used through this unit to assist its cleaning effectiveness. (Please note caution below) The cleaning effectiveness of this unit is proportional to all the applicable variables, such as volume, pressure, chemicals, impingement, drainage, soils, etc. The unit will operate in any attitude so it can clean almost any type of contained area within its range.
TECHNICAL SPECIFICATIONS
CAUTION:
If chemicals, hazardous materials, operations, and equipment are used in conjunction with this cleaning equipment, it is the responsibility of the user to establish appropriate associated safety and health practices. Prior to application, the user must consult and determine the applicability of regulatory (federal, state, local and facility) safety and environmental agency limitations.
TANKJET 65 MODEL:
CONSTRUCTION:
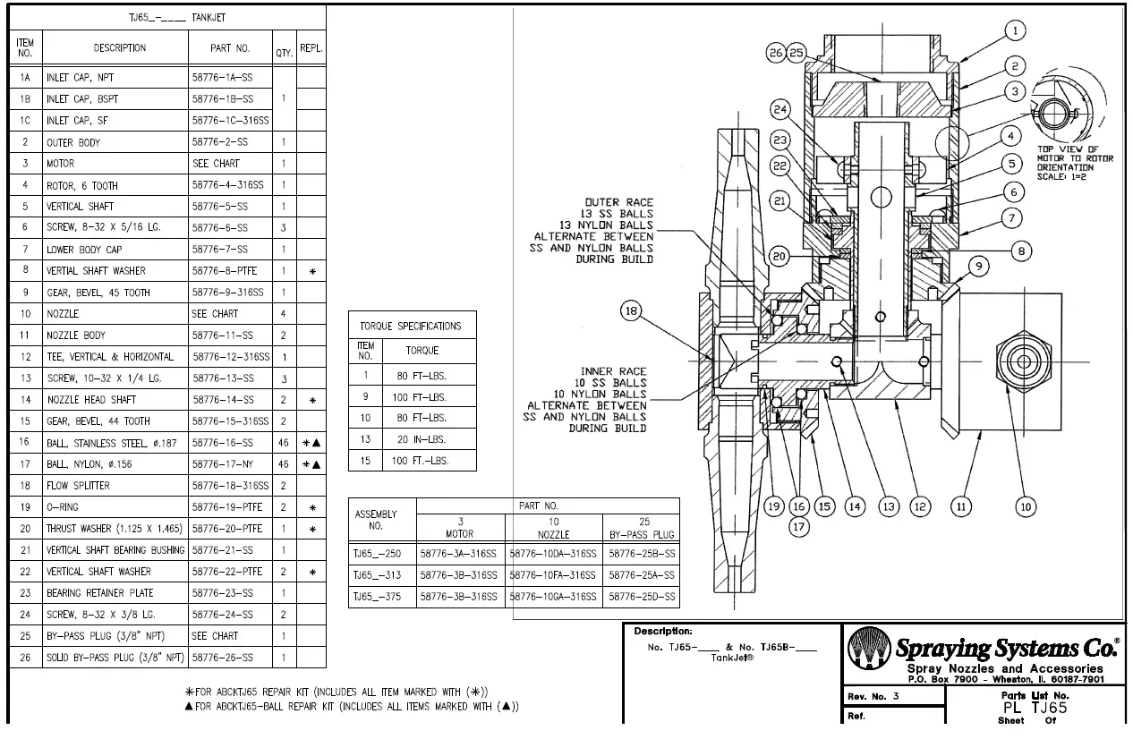
Referring to the Parts List on page 10, the unit consists of two basic components; the drive assembly and the nozzle body assembly. This unit’s construction does not require lubrication of any kind.
PRINCIPLE OF ROTATION:
The liquid enters the inlet cap (1) and then flows through the oblique and bypass holes in the motor (3) causing a swirling motion in the liquid. The swirling liquid goes down the outside of the vertical shaft (5) past the 6 tooth rotor (4) imparting rotation to the rotor and thus the vertical shaft. The liquid then goes thru the holes in the vertical shaft and is divided in the tee (12) to each nozzle head shaft (14). There are two holes in the tee allowing a constant stream of liquid to be directed at the gear mesh to help prevent build-up. The liquid flows into the nozzle body and out each nozzle. The rotation of the vertical shaft causes the nozzle head assembly to rotate in a horizontal plane. The nozzle bodies rotate in the vertical plane by the meshing of the bevel gears (9 & 15); bevel gear (9) has 45 teeth while bevel gear (15) has 44 teeth. This difference in the number of teeth in each gear indexes the nozzles with each rotation. It will take 45 revolutions for one complete cleaning cycle. Thus, if the unit is rotating 5 RPM, it will take 9 minutes for a complete cleaning cycle. To obtain cycle time, divide 45 by the RPM of the head.
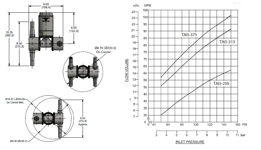
Normal rotation of the TankJet 65 is 5-40 RPM at 50 to 150 PSI (3.4 to 10.3 BAR) inlet pressure. The nozzle holes in the nozzle body (11) are set off of true center in favor of rotation. All units will operate in the same RPM range since a change in nozzle size is compensated by a change in the motor when the unit is assembled by the factory. The rotational speed of these units can be regulated through the use of various motor bypass plugs, which influences the fluid diversion to provide additional speed, reference the trouble shooting section and the drawing parts list for additional information and location.
CLEANING DIAMETER:
The cleaning diameter is a function of rotational speed and liquid pressure applied. The slower the head rotates and the higher the pressure applied, the greater the distances. The effective cleaning diameter is 40 ft. (12.2 m), but the actual results will also depend on the type and condition of soils to be removed.
INSTALLATION
The TankJet® 65 is easy to install as it has a single female pipe thread connection (NPT or BSPT). It may be installed as a swing away unit or suspended from a pipe. The unit is dynamically balanced to avoid excessive sway and torque. The factory will preset the approximate speed (RPM) and nozzle size for the particular field application. In all installations a suitable strainer should be used (such as a 20 Mesh “Y” strainer) to prevent dirt or scale from clogging the waterways or openings.
WARNING:
In closed tanks, provisions should be made for adequate venting during operation to allow the escape of any gases or volatile vapors which may be produced during operation. This will also prevent the tank from collapsing due to vacuum formation, which can be caused by a cold rinse cycle in a warm tank.
OPERATION
To start the unit, turn on the fluid. An in-line valve is advised for a slow build-up of liquid pressure in the unit to prevent “water hammer”. To stop the unit, turn off the liquid. The unit should always be handled carefully. If the unit is dropped or maltreated it may cause internal damage to the drive assembly, which in turn can affect the performance of the unit. If handled properly the unit will perform well and provide dependable service.
TROUBLESHOOTING
Due to the simplicity of the unit, few problems should occur. If any trouble should arise, the following steps may be taken: Refer to the Parts List.
- Check units for external damage, look for evidence of mishandling that may have damaged shafts, bearings, or alignment.
- If the nozzle body fails to rotate and no liquid passes:
- Check for liquid pressure and volume at the unit.
- Check strainer for filter blockage.
- Remove nozzles and check for obstructions.
- While nozzles are off, recheck for flow through the nozzle body.
- If the unit fails to rotate and sufficient liquid passes:
- Check for freedom of rotation, by hand, in the suspended and inverted position, in the vertical and rotational axis.
- If no visible abnormalities are discovered, the balls may have brinelled the bearing raceway surface on the nozzle body and shaft assemblies, which may have been caused by water hammer or maltreatment. If this condition is severe, the brinelled spots may be removed and a fairly smooth raceway recreated. Insert a blank motor bypass plug in the motor and slowly turn on the liquid to the highest pressure available. Operate the unit at a high rotation for about 30 minutes. Reinsert the original bypass plug and the unit should operate satisfactorily.
- If the unit is free, insert a motor bypass plug. If the unit now rotates, the problem is minor friction. If the unit still does not rotate, check for:
- Contamination in the unit.
- Wear of the bearing parts:
- The washers and the ball.
- Galling and straightness of the shafts and gear
SERVICING
Be sure to use caution when handling the TankJet 75. When holding, make sure the nozzles are tightly screwed on the unit and then hold the unit from its nozzle not the body. The nozzle hub will rotate freely from the main body and the bevel gears can pinch skin and/or fingers. Refer to parts list at the back of the manual.
- position of the stream straightener in the nozzle bore.
- Loosen the 3 set screws (13) from tee (12) c. Using a square edged tool inserted thru the a. Remove inlet cap (1) from body (2). b. Remove the motor (3) from inside the body (2). c. Remove the body (2) from the lower body cap assembly (7).
- Loosen set screws (13) in the tee (12). e. Locate the tee (12) in a soft jaw vice and grasp Be sure to use caution when handling the TankJet 75. When holding, make sure the nozzles are tightly screwed on the unit and then hold the unit from its nozzle not the body. The nozzle hub will rotate freely from the main body and the bevel gears can pinch skin and/or fingaers. Refer to parts list at the back of the manual.
- TJ65-HT = Invert the vertical shaft bushing (21) thru the cap/gear assembly from the bottom, apply a water film in raceway, place the stainless steel balls (16), 20 total into the raceway. Carefully lift the cap assembly from the bushing, grasp and turn the bushing and place it in the cap/gear assembly from the top. Place the stainless steel balls (16), 25 total into the raceway. Secure the bearing retainer plate (23) to the cap with 3 screws (6).
- The vertical shaft bushing should spin freely in end of the tee (12), using a square edged tool inserted thru the nozzle holes. Lay the assembly on a bench top so that the nozzle holes in one body are right angles to the holes in the other. This so the holes in one body should be in the vertical plane while the holes of the other are in the horizontal plane.
WARRANTY
For newly purchased units the warranty is 18 months from the date of shipment or 12 months from the date of installation, whichever occurs fi rst. This warranty includes manufacturing defects but does not cover the wear parts that include the bushings. This warranty will be void if parts other than those supplied by Spraying System Co. are used.
PARTS LIST
STANDARD MODEL SPECIFICATIONS
HIGH-TEMPERATURE MODEL SPECIFICATIONS






















