Raymarine Acu-200 Autopilot Actuator Control Unit

Important information
Safety notices
Warning: Autopilot system Installation
As correct performance of the vessel’s steering is critical for safety, we STRONGLY RECOMMEND that an Authorized Raymarine Service Representative fits this product. You will only receive full warranty benefits if you can show that an Authorized Raymarine Service Representative has installed and commissioned this product.
Warning: Product installation and
operation This product must be installed and operated in accordance with the instructions provided. Failure to do so could result in personal injury, damage to your vessel and/or poor product performance.
Warning: Maintain a permanent watch
Always maintain a permanent watch, this will allow you to respond to situations as they develop. Failure to maintain a permanent watch puts yourself, your vessel and others at serious risk of harm.
Warning: Ensure safe navigation
This product is intended only as an aid to navigation and must never be used in preference to sound navigational judgment. Only official government charts and notices to mariners contain all the current information needed for safe navigation, and the captain is responsible for their prudent use. It is the user’s responsibility to use official government charts, notices to mariners, caution and proper navigational skill when operating this or any other Raymarine product.
Warning: Potential ignition source
This product is NOT approved for use in hazardous/flammable atmospheres. Do NOT install in a hazardous/flammable atmosphere (such as in an engine room or near fuel tanks).
Warning: Switch off power supply
Ensure the vessel’s power supply is switched OFF before starting to install this product. Do NOT connect or disconnect equipment with the power switched on, unless instructed in this document.
Warning: Product grounding
Before applying power to this product, ensure it has been correctly grounded, in accordance with the instructions in this guide.
Warning: Positive ground systems
Do not connect this unit to a system which has positive grounding.
Caution: Power supply protection
When installing this product ensure the power source is adequately protected by means of a suitably-rated fuse or automatic circuit breaker.
Caution: Service and maintenance
This product contains no user serviceable components. Please refer all maintenance and repair to authorized Raymarine dealers. Unauthorized repair may affect your warranty.
General Information
EMC installation guidelines
Raymarine equipment and accessories conform to the appropriate Electromagnetic Compatibility (EMC) regulations, to minimize electromagnetic interference between the equipment and minimize the effect such interference could have on the performance of your system
Correct installation is required to ensure that EMC performance is not compromised.
For optimum EMC performance, we recommend that wherever possible:
- Raymarine equipment and cables connected to it are:
- At least 1 m (3 ft) from any equipment transmitting or cables carrying radio signals e.g. VHF radios, cables and antennas. In the case of SSB radios, the distance should be increased to 7 ft (2 m).
- More than 2 m (7 ft) from the path of a radar beam. A radar beam can normally be assumed to spread 20 degrees above and below the radiating element.
- The product is supplied from a separate battery from that used for engine start. This is important to prevent erratic behavior and data loss which can occur if the engine start does not have a separate battery.
- Raymarine-specified cables are used.
- Cables are not cut or extended unless doing so is detailed in the installation manual.
Note: Where constraints on the installation prevent any of the above recommendations, always ensure the maximum possible separation between different items of electrical equipment, to provide the best conditions for EMC performance throughout the installation
Water ingress — ACU-200
Water ingress disclaimer for ACU-200
These products are drip resistant. Water intrusion and subsequent equipment failure may occur if the product is subjected to commercial high-pressure washing. Raymarine will not warrant products subjected to high-pressure washing.
Water ingress — EV-1 and EV-2
Water ingress disclaimer.
Although the waterproof rating capacity of these products meets the IPX6 standard, water intrusion and subsequent equipment failure may occur if the products are subjected to commercial high-pressure washing. Raymarine will not warrant products subjected to high-pressure washing.
Suppression ferrites
Raymarine cables may be fitted with suppression ferrites. These are important for correct EMC performance. If a ferrite has to be removed for any purpose (e.g. installation or maintenance), it must be replaced in the original position before the product is used.
Use only ferrites of the correct type, supplied by Raymarine authorized dealers.
Connections to other equipment
Requirement for ferrites on non-Raymarine cables If your Raymarine equipment is to be connected to other equipment using a cable not supplied by Raymarine, a suppression ferrite MUST always be attached to the cable near the Raymarine unit.
Declaration of conformity
Raymarine UK Ltd. declares that this product is compliant with the essential requirements of EMC directive 2004/108/EC. The original Declaration of Conformity certificate may be viewed on the relevant product page at www.raymarine.com.
Product disposal
Dispose of this product in accordance with the WEEE Directive.
The Waste Electrical and Electronic Equipment (WEEE) Directive requires the recycling of waste electrical and electronic equipment. Whilst the WEEE Directive does not apply to some Raymarine products, we support its policy and ask you to be aware of how to dispose of this product.
Warranty registration
To register your Raymarine product ownership, please visit www.raymarine.com and register online.
It is important that you register your product to receive full warranty benefits. Your unit package includes a barcode label indicating the serial number of the unit. You will need this serial number when registering your product online. You should retain the label for future reference.
IMO and SOLAS
The equipment described within this document is intended for use on leisure marine boats and workboats not covered by the International Maritime Organization (IMO) and Safety of Life at Sea (SOLAS) Carriage Regulations.
Technical accuracy
To the best of our knowledge, the information in this document was correct at the time it was produced. However, Raymarine cannot accept liability for any inaccuracies or omissions it may contain. In addition, our policy of continuous product improvement may change specifications without notice. As a result, Raymarine cannot accept liability for any differences between the product and this document. Please check the Raymarine website (www.raymarine.com) to ensure you have the most up-to-date version(s) of the documentation for your product.
Planning the installation
Handbook information
This handbook describes the installation of the Evolution autopilot system.
The handbook includes information to help you:
- plan your autopilot system and ensure you have all the necessary equipment,
- install and connect the EV-1 and ACU (if applicable) as part of the autopilot system,
- obtain support if required.
This and other Raymarine product documentation is available to download in PDF format from www.raymarine.com.
Related products
This handbook covers the following products.
|
Part number |
Name |
Description | Maximum continuous drive power output |
| E70096 | EV-1 | Attitude Heading Reference Sensor (AHRS) | Not applicable. |
| E70098 | ACU-100 | Actuator Control Unit (ACU) | 7 A |
| E70099 | ACU-200 | Actuator Control Unit (ACU) | 15 A |
| E70139 | ACU-300 | Actuator Control Unit (ACU) | 5 A |
| E70100 | ACU-400 | Actuator Control Unit (ACU) | 30 A |
Evolution handbooks
The following documentation is available for your product.
Evolution documentation
Description Part number
Evolution autopilot system Installation instructions Plan and install an autopilot system including an EV-1 Attitude Heading Reference Sensor (AHRS) and an Actuator Control Unit (ACU).
Evolution DBW autopilot system Installation instructions
Plan and install a Drive-By-Wire (DBW) autopilot system including an EV-2 Attitude Heading Reference Sensor
(AHRS).
p70 / p70R Handbooks
| Description | Part number |
| p70 / p70R Installation and commissioning instructions | 87132 |
| p70 / p70R Quick reference guide | 86142 |
| p70 / p70R User reference handbook | 81331 |
SeaTalkng handbooks
Description Part number
- SeaTalkng reference manual:81300
Planning and connection of systems based around the SeaTalkng network. - SeaTalk – SeaTalkng converter handbook:87121
Installation and connection of the SeaTalk – SeaTalkng converter.
Product Overview
Evolution is a system of electronic components that give you autopilot control of your vessel’s steering system. In conjunction with a compatible pilot control head, the Evolution components enable you to directly control the vessel’s steering system and provide navigation commands, such as navigating to pre-determined tracks and waypoints for example. The Evolution system provides a number of features to ensure ease of installation and minimal setup:
- Flexible mounting options — The EV-1 unit can be mounted flat on a deck or alternatively on a bracket, for direct mounting to a mast, wall or other surface.
Note: The arrow on the front of the EV-1 unit must be in parallel alignment with the vessel’s head (along the longitudinal axis of the vessel). - Simple connections — all Evolution system components are easily and simply connected to a single SeaTalkng backbone cable.
- High accuracy — accurate course-keeping, to within +/- 2 degrees, in all conditions.
- Built-in heading and attitude sensor — no additional fluxgate compass required.
- Automatic setup — no calibration required. The Rudder Gain, Rudder Damping and Counter Rudder, and compass calibration settings required by existing autopilots are no longer necessary.
The Evolution system consists of the following components:Component Purpose EV-1 autopilot with Attitude Heading Reference Sensor (AHRS) The primary heading sensor and course computer, incorporating an attitude 9-axis sensor. This sensor replaces the fluxgate compass typical in existing autopilot systems. Actuator Control Unit (ACU) Houses the main power and drive electronics for direct connection to a vessel’s steering system.
Parts supplied — EV-1 and EV-2
| Item | Description | Quantity |
| 1 | Mounting trim. | 1 |
| 2 | EV-1 / EV-2. | 1 |
| 3 | Sealing ring. | 1 |
| 4 | Mounting tray. | 1 |
| 5 | Sealing ring. | 1 |
| Item | Description | Quantity |
| 6 | Wall mounting bracket. | 1 |
| 7 | Screws for deck or bracket mounting. | 4 |
| 8 | Screws for wall bracket. | 3 |
| 9 | Documentation pack. | 1 |
Parts supplied — ACU-200
|
| ||
| Item | Description | Quantity |
| 1 | ACU unit. | 1 |
| 2 | Documentation. | 1 |
| 3 | ACU SeaTalkng spur power cable 0.3 m (1.0 ft) | 1 |
| 4 | Rudder reference unit (if supplied; refer to separate installation sheet for list of parts supplied). | 1 |
| 5 | Screw pack, consisting of: | |
| • Cable ties. | 10 | |
| • Pan head screw. | 2 | |
| • Countersunk screw. | 3 | |
Installation checklist
Installation includes the following activities:
| Installation Task | |
| 1 | Plan your system. |
| 2 | Obtain all required equipment and tools. |
| 3 | Site all equipment. |
| 4 | Route all cables. |
| 5 | Drill cable and mounting holes. |
| 6 | Make all connections into equipment. |
| 7 | Secure all equipment in place. |
| 8 | Power on and test the system. |
Schematic diagram
A schematic diagram is an essential part of planning any installation. It is also useful for any future additions or maintenance of the system. The diagram should include:
- Location of all components.
- Connectors, cable types, routes and lengths.
Software requirements
Correct operation of this product requires software version 2.0 or later for p70 and p70R pilot control heads.
Required additional components
To complete your autopilot system, you will need the following components and data sources in addition to the Evolution components.
Essential:
- Compatible autopilot control head.
- Drive unit appropriate for your vessel and Evolution EV-1 and ACU units.
- Power cables.
Recommended:
- Compatible speed data source. The autopilot uses speed data when making calculations relating to navigation. As a minimum, this information must come from a GPS receiver providing SOG (Speed Over Ground) data, or ideally from a dedicated speed sensor.
- Compatible wind data source (only required for sailing vessels). The autopilot uses wind vane data to steer relative to a specified wind angle. This data must come from an analog wind transducer connected to the SeaTalkng bus.
- Rudder angle sensor. To ensure optimum autopilot performance, Raymarine highly recommends that a rudder reference unit is used.
Optional: - Position data source. The autopilot uses position data when following routes and calculating the optimum course to steer.
This data is usually supplied by a GPS receiver on the SeaTalkng bus.
Multiple data sources (MDS) overview
Installations that include multiple instances of data sources can cause data conflicts. An example is an installation featuring more than one source of GPS data.
MDS enables you to manage conflicts involving the following types of data:
- GPS Position.
- Heading.
- Depth.
- Speed.
- Wind.
Typically this exercise is completed as part of the initial installation, or when new equipment is added.
If this exercise is NOT completed the system will automatically attempt to resolve data conflicts. However, this may result in the system choosing a source of data that you do not want to use.
If MDS is available the system can list the available data sources and allow you to select your preferred data source. For MDS to be available all products in the system that use the data sources listed above must be MDS-compliant. The system can list any products that are NOT compliant. It may be necessary to upgrade the software for these non-compliant products to make them compliant. Visit the Raymarine website (www.raymarine.com) to obtain the latest software for your products. If MDS-compliant software is not available and you do NOT want the system to automatically attempt to resolve data conflicts, any non-compliant product(s) can be removed or replaced to ensure the entire system is MDS-compliant.
Multiple data source exceptions
With the Evolution system, there are a number of important exceptions to the handling of multiple sources of certain types of data.
Specifically:
- Heading data — If a non-Evolution source of heading data is designated by the user, the Evolution system components will combine this heading data with its own gyro and accelerometer data, and then use the improved heading data. This combined heading data will also be available to other equipment on the SeaTalkng bus.
- Rudder angle data — Where there are multiple sources of rudder reference information, the Evolution system components will ignore rudder angle inputs from any rudder reference units that are NOT connected directly to an Evolution ACU.
Autopilot controllers
The Evolution system is designed for use with the p70 and p70R autopilot control heads.
It can also be used with a number of other SeaTalkng and SeaTalk autopilot control heads, but with limited functionality.
| Pilot controller | SeaTalkng | SeaTalk (via optional SeaTalk to SeaTalkng converter) | |
| 1* | ST70+ | ● | |
| 2* | ST8002 | ● | |
| 3* | ST6002 | ● | |
| 4* | ST70 | ● | |
| 5* | ST7002 | ● | |
| 6* | Smart controller | ● (repeat controller only) | |
| 7 | p70R | ● | ● |
| 8 | p70 | ● | ● |
| 9* | S100 remote | ● (repeat controller only) |
Note: * Items marked with an asterisk (*) have limited functionality with the Evolution system. Refer to the SeaTalk to SeaTalkng converter handbook (87121) for more information on these limitations, and how to connect a SeaTalk autopilot control head to an Evolution system.
Drive units
The drive unit interfaces with the vessel’s steering system. The type of drive required depends on the type of vessel and capacity of the associated steering system.
Raymarine autopilot systems accommodate hydraulic, mechanical and power-assisted stern drive systems.
| Drive category | Available types | Suitable ACU | Drive maximum continuous power output supported by ACU: |
| Hydraulic pumps Raymarine autopilots connect to hydraulic steering systems using a rugged hydraulic pump matched to the capacity of the hydraulic steering system. To find a suitable pump, you’ll need to know the size (in cc) of the hydraulic cylinder ram(s) mounted to the rudder on vessels featuring an inboard engine, or to the drive unit on vessels featuring outboard engines. Refer to your steering system documentation for this information. Alternatively, you can look on the cylinder ram itself for the brand and model number. Once you have this figure, refer to the Cylinder Ram Size Chart on the Raymarine website to determine which hydraulic autopilot pump is compatible with your vessel’s hydraulic steering system: http://www.raymarine.co.uk/view/?id=209. | Type 0.5 | ACU-100 | 7 A |
| Type 1 | ACU-200 | 15 A | |
| Type 2 | ACU-400 | 30 A | |
| Type 3 | ACU-400 | 30 A | |
| Constant Running pump (solenoid). | ACU-300 | 5 A | |
| Mechanical hydraulic linear drives Designed for larger mechanically-steered vessels over 20,000 kg, hydraulic linear drives consist of a reversing pump, reservoir and hydraulic ram. A hydraulic linear drive unit connects to the rudder stock via an independent tiller arm. Accessory fittings from your steering system manufacturer may be required. The vessel’s steering system must be capable of being back-driven from the rudder. Correct drive selection depends on the maximum displacement of your vessel. Additionally, both the vessel’s fitting structure and the tiller arm (or rudder quadrant) must be able to cope with the peak levels of thrust generated by the hydraulic linear drive. For peak thrust data, refer to the technical specification section of the Hydraulic Linear Drive installation instructions. | Type 2 (for vessels with a maximum displacement of 22,000 Kg). | ACU-400 | 30 A |
| Type 3 (for vessels with a maximum displacement of 35,000 Kg). | ACU-400 | 30 A | |
| Mechanical linear drives Used in sailing vessels, the mechanical linear drive moves the rudder directly by pushing the tiller arm or a rudder quadrant. Correct drive selection depends on the maximum displacement of your vessel. | Type 1 (for vessels with a maximum displacement of 11,000 Kg). | ACU-200 | 15 A |
| Type 2 Short (for vessels with a maximum displacement of 15,000 Kg). | ACU-400 | 30 A | |
| Type 2 Long (for vessels with a maximum displacement of 20,000 Kg). | ACU-400 | 30 A | |
| Mechanical rotary drives Designed for power and sailing vessel systems that can be driven from the helm position through a chain and sprocket e.g. cable and rod. Optional drive sprockets and modification to the steering chain may be required. Correct drive selection depends on the maximum displacement of your vessel. | Type 1 (for vessels with a maximum displacement of 11,000 Kg). | ACU-200 | 15 A |
| Type 2 (for vessels with a maximum displacement of 20,000 Kg). | ACU-400 | 30 A | |
| Universal stern drive For use with inboard / outboard (I/O) vessels with cable power-assisted steering. | ACU-200 | 15 A | |
| Wheel drive — Power (Sport Drive) Designed for smaller power vessels featuring a steering system that can be driven directly from the helm position. | Power (for mechanically steered vessels with a maximum displacement of 2,000 Kg), or hydraulically steered vessels with a maximum displacement of 3,181 Kg). | ACU-200 | 15 A |
| Drive category | Available types | Suitable ACU | Drive maximum continuous power output supported by ACU: |
| Wheel drive — Sail Designed for smaller sailing vessels featuring a steering system that can be driven directly from the helm position. | Sail (for vessels with a maximum displacement of 7,500 Kg). | ACU-100 | 7 A |
| Tiller drive Designed for smaller tiller-steered sailing vessels. | Plus Tiller (for vessels with a maximum displacement of 6,000 Kg). | ACU-100 | 7 A |
Note: When determining your vessel displacement, always add 20% to the displacement of your vessel to account for the added weight of fuel, gear, provisions and people.
Note:
The information provided in the preceding table is for guidance only. If you are in any doubt as to the correct drive unit for your vessel, contact Raymarine Technical Support or an authorized Raymarine dealer.
System integration
The Evolution components are compatible with a wide range of marine electronics devices.
| Note: To prevent potential data bandwidth issues, do NOT connect an SR50 weather receiver to a SeaTalkng bus that includes Evolution autopilot components. The SR50 should be connected to a separate system bus which is isolated from the SeaTalkng bus connected to the Evolution components. | ||||
| Item | Device type | Maximum Quantity | Suitable Devices | Connections |
| 1 | Heading sensor and course computer. | 1 | EV-1 | • SeaTalkng |
| 2 | SeaTalkng backbone. | 1 | • SeaTalkng • SeaTalk via the optional SeaTalk to SeaTalkng converter. | • SeaTalkng • SeaTalk via the optional SeaTalk to SeaTalkng converter. |
| 3 | Autopilot control head. Note: All SeaTalk control heads have limited functionality with the Evolution system. Refer to the SeaTalk to SeaTalkng converter handbook (87121) for more information on these limitations, and how to connect a SeaTalk autopilot control head to an Evolution system. | As determined by the SeaTalkng bus bandwidth and power loading. | • p70. • p70R. • ST70 / ST70+ (limited functionality) • ST6002 • ST7002. • ST8002 • S100 remote (repeat controller only). • Smart controller (repeat controller only). | • SeaTalkng • SeaTalk via the optional SeaTalk to SeaTalkng converter. |
| 4 | SeaTalkng multifunction displays. | 6 | • New a, c, e Series: a65 / a67 / e7 / e7D / c95 / c97 / c125 / c127 / e95 / e97 / e125 / e127 / e165. • C90W / C120W / C140W. • E90W / E120W / E140W. | • SeaTalkng |
| Note: The Evolution EV-1 | ||||
| provides heading data to | ||||
| multifunction displays, for | ||||
| use in chart and radar | ||||
| functions such as radar | ||||
| overlay and MARPA. | ||||
| 5 | GPS receiver. | As determined by the SeaTalkng bus bandwidth and power loading. | GPS position data is usually received from a SeaTalkng multifunction display. If your system does NOT include a multifunction display, or your multifunction display does NOT include an internal GPS receiver, an external SeaTalkng GPS receiver will be required. • SeaTalkng multifunction display with internal GPS receiver. | • SeaTalkng |
| Item | Device type | Maximum Quantity | Suitable Devices | Connections |
| • RS125 GPS (via optional SeaTalk to SeaTalkng converter. • RS130 GPS. | ||||
| 6 | Drive control unit (ACU). | 1 | • ACU-100 | • SeaTalkng |
| • ACU-200 | ||||
| • ACU-300 | ||||
| • ACU-400 | ||||
| 7 | Rudder reference unit. | 1 | ||
| 8 | Drive unit. | 1 | • Refer to the “Drive Types” section of this document for a list of compatible drives. | • Various, depending on drive type. |
| 9 | AIS receiver / transceiver. | 1 | • AIS 350. | • SeaTalkng |
| Note: The Evolution system can provide magnetic heading information to an AIS unit. Transmission of heading information is optional for AIS transceivers, and they only transmit true heading information, NOT magnetic. | • AIS 650. | |||
| 10 | Speed / Depth transducer. | As determined by the SeaTalkng bus bandwidth and power loading. | Any transducer compatible with the iTC-5 converter or ST70 transducer pod. | Analog transducer connections via iTC-5 converter or ST70 transducer pod. • Other transducer connections via compatible Sonar Module. |
| 11 | Raymarine Wind transducer. | As determined by the SeaTalkng bus bandwidth and power loading. | • Short arm wind vane transducer. • Long arm wind vane transducer. • Short arm masthead wind transducer. • Long arm masthead wind transducer. | Analog transducer connections via iTC-5 converter or ST70 transducer pod. |
Example: typical system — ACU-200
- GPS receiver.
- Multifunction display.
- Autopilot controller and instruments (e.g. helm 1).
- Autopilot controller and instruments (e.g. helm 2).
- Wind transducer.
- iTC-5 converter.
- Depth transducer.
- Speed transducer.
- Drive unit.
- Rudder reference unit.
- EV-1.
- ACU (also supplying power to SeaTalkng bus).
- Power supply.
Seatalkng
SeaTalkng (Next Generation) is an enhanced protocol for the connection of compatible marine instruments and equipment. It replaces the older SeaTalk and SeaTalk2 protocols. SeaTalkng utilizes a single backbone to which compatible instruments connect using a spur. Data and power are carried within the backbone. Devices that have a low draw can be powered from the network, although high-current equipment will need to have a separate power connection. SeaTalkng is a proprietary extension to NMEA 2000 and the proven CAN bus technology. Compatible NMEA 2000 and SeaTalk / SeaTalk2 devices can also be connected using the appropriate interfaces or adaptor cables as required.
Cables and connections
General cabling guidance
Cable types and length
It is important to use cables of the appropriate type and length
- Unless otherwise stated use only standard cables of the correct type, supplied by Raymarine.
- Ensure that any non-Raymarine cables are of the correct quality and gauge. For example, longer power cable runs may require larger wire gauges to minimize voltage drop along the run.
Routing cables
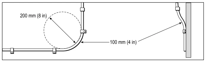
Cables must be routed correctly, to maximize performance and prolong cable life.
- Do NOT bend cables excessively. Wherever possible, ensure a minimum bend diameter of 200 mm (8 in) / minimum bend radius of 100 mm (4 in).

- Protect all cables from physical damage and exposure to heat.
Use trunking or conduit where possible. Do NOT run cables through bilges or doorways, or close to moving or hot objects. - Secure cables in place using tie-wraps or lacing twine. Coil any extra cable and tie it out of the way.
- Where a cable passes through an exposed bulkhead or deckhead, use a suitable watertight feed-through.
- Do NOT run cables near to engines or fluorescent lights. Always route data cables as far away as possible from:
- other equipment and cables,
- high current carrying ac and dc power lines,
- antennae.
Strain relief
Ensure adequate strain relief is provided. Protect connectors from strain and ensure they will not pull out under extreme sea conditions.
Circuit isolation
Appropriate circuit isolation is required for installations using both AC and DC current:
- Always use isolating transformers or a separate power inverter to run PCs, processors, displays and other sensitive electronic instruments or devices.
- Always use an isolating transformer with Weather FAX audio cables.
- Always use an isolated power supply when using a 3rd party audio amplifier.
- Always use an RS232/NMEA converter with optical isolation on the signal lines.
- Always make sure that PC’s or other sensitive electronic devices have a dedicated power circuit.
Cable shielding
Ensure that all data cables are properly shielded that the cable shielding is intact (e.g. hasn’t been scraped off by being squeezed through a tight area).
Connections
Connections overview — EV-1 and EV-2
- SeaTalkng.
- DeviceNet.
Important: The DeviceNet port is for use with the EV-2 only. Do NOT connect this port on the EV-1 unit.
Connections overview — ACU-200
- SeaTalkng.
- Sleep switch.
- Power in.
- Motor (drive) connection.
- RF ground.
- Rudder reference connection.
- Clutch connection —selectable between 12 / 24 V to suit the connected device.
Power connection
Power connection — EV-1
The power for the EV-1 unit is provided by the SeaTalkng system.
- The units must be connected to a SeaTalkng backbone. This is typically achieved using a SeaTalkng 5-way connector block or T-piece connector.
- The SeaTalkng system requires only ONE 12 V power source.
This can be provided by:- A battery.
- An Evolution ACU, via a SeaTalkng system.
If your vessel has a 24 V supply a suitable voltage convertor is required.
- The power source must be protected by a 5 A fuse or a circuit breaker providing equivalent protection.
- SeaTalkng cables carry both data and power signals. The power is supplied to the EV-1 via a SeaTalkng spur cable.
- Refer to the SeaTalkng reference manual for more information on general SeaTalkng power requirements.
Power connection — ACU-200
Power to the ACU unit must be from an appropriately fused and rated supply
- ACU connection panel.
- Power distribution panel.
Power connection colors
Grounding — Dedicated drain wire required
This product includes a dedicated drain conductor (screen) for connection to a vessel’s RF ground point. It is important that an effective RF ground is connected to the unit. The unit can be grounded by connecting the drain conductor (screen) to the vessel’s RF ground point. On vessels without an RF ground system the drain conductor (screen) should be connected directly to the negative battery terminal.
The dc power system should be either:
- Negative grounded, with the negative battery terminal connected to the vessel’s ground; or
- Floating, with neither battery terminal connected to the vessel’s ground.
If several items require grounding, they may first be connected to a single local point (e.g. within a switch panel), with this point connected via a single, appropriately-rated conductor, to the vessel’s common RF ground point.
Implementation
The preferred minimum requirement for the path to ground is via a flat tinned copper braid, with a 30 A rating (1/4 inch) or greater. If this is not possible, an equivalent stranded wire conductor maybe used, rated as follows:
- for runs of <1 m (3 ft), use 6 mm2 (#10 AWG) or greater.
- for runs of >1 m (3 ft), use 8 mm2 (#8 AWG) or greater.
In any grounding system, always keep the length of connecting braid or wires as short as possible.
References
- ISO10133/13297
- BME code of practice
- NMEA 0400
Fuses and circuit protection
There are 3 levels of power protection in the autopilot system. The motor and associated cables are initially protected by the current sensing and stall condition detection within the ACU hardware and software. The second level of protection is provided to these parts and the ACU components by the unit’s main power fuse. Protection for the entire autopilot system and its wiring back to the main power distribution panel is provided by your vessel’s circuit breaker/fuse.
Power supply circuit protection
Protect the power supply for the Evolution system at the distribution board with a fuse or circuit breaker that is suitable for the ACU. For guidance, refer to the main power fuse rating stated on the ACU connector panel. If in doubt, consult your local dealer.
Internal fuses
The ACU uses standard automotive blade fuses. Spare fuses are located on the underside of the removable cover.
Note: For clarity, only the power and fuse-related connections are shown in the illustration above.
- Power fuse (accessible via the removable cover).
- SeaTalkng fuse (fuse power supply from ACU to SeaTalkng backbone).
- Power fuse (labeled with total power consumed by the system).
Fuse ratings
| Power (ACU-100) | SeaTalkng | Power (ACU-200) | Power (ACU-300) | Power (ACU-400) |
| 10 A | 3 A | 20 A | 15 A | 40 A |
Sharing a breaker
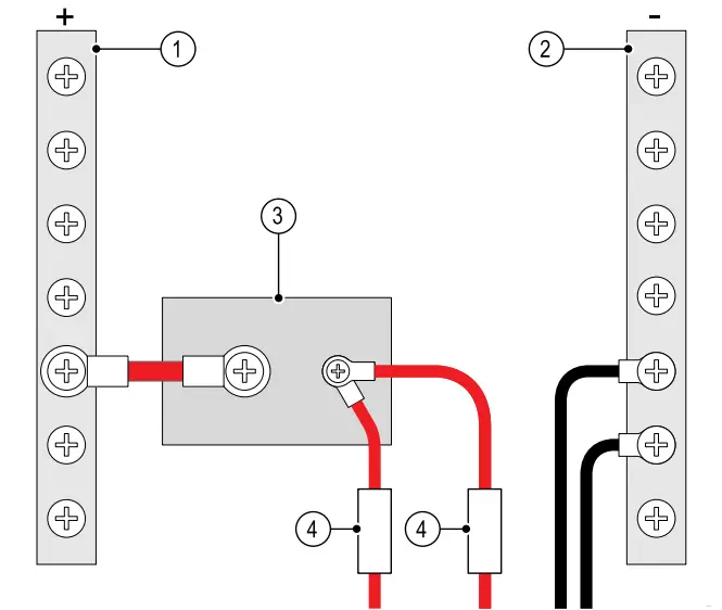
Where more than 1 piece of equipment shares a breaker you must provide protection for the individual circuits. E.g. by connecting an in-line fuse for each power circuit.
![]() | |
| 1 | Positive (+) bar |
| 2 | Negative (-) bar |
| 3 | Circuit breaker |
| 4 | Fuse |
Where possible, connect individual items of equipment to individual circuit breakers. Where this is not possible, use individual in-line fuses to provide the necessary protection.
Power and drive cables
Important electrical considerations when planning cable runs and equipment location.
The amount of electrical current available to the autopilot system components will be impacted by the length and gauge of thecables used to connect all the components. When determining the cable required for the power and drive connections it is necessary to consider the combined cable length of both connections.
- ACU (Actuator Control Unit).
- Power supply/distribution panel.
- Drive unit.
Power and drive cable selection
| Drive | Supply voltage | Max. length (A+B) | Cable size |
| Type 0.5 hydraulic pump | 12 V | 0–7 m (0–23 ft) | 2.5 mm2 (14 AWG) |
| 7–10 m (23–32.8 ft) | 4 mm2 (12 AWG) | ||
| • Type 1 drive • CR pump (ACU–300 only) | 12 V | 0–7 m (0–23 ft) | 2.5 mm2 (14 AWG) |
| 7–10 m (23–32.8 ft) | 4 mm2 (12 AWG) | ||
| Type 2 drive | 12 V | 0–5 m (0–16.4 ft) | 6 mm2 (10 AWG) |
| 5–7 m (16.4–23 ft) | 10 mm2 (8 AWG) | ||
| 24 V | 0–3 m (0–9.8 ft) | 4 mm2 (12 AWG) | |
| 3–5 m (9.8–16.4 ft) | 6 mm2 (10 AWG) | ||
| 5–10 m (16.4–32.8 ft) | 10 mm2 (8 AWG) | ||
| Type 3 drive | 12 V | 0–5 m (0–16.4 ft) | 10 mm2 (8 AWG) |
| 24 V | 0–5 m (0–16.4 ft) | 6 mm2 (10 AWG) | |
| 5–7 m (16.4–23 ft) | 10 mm2 (8 AWG) | ||
| Wheel drive — Sail | 12 V | 0–7 m (0–23 ft) | 2.5 mm2 (14 AWG) |
| 7–10 m (23–32.8 ft) | 4 mm2 (12 AWG) | ||
| Wheel drive — Power (Sport Drive) | 12 V | 0–7 m (0–23 ft) | 2.5 mm2 (14 AWG) |
| 7–10 m (23–32.8 ft) | 4 mm2 (12 AWG) | ||
| Tiller drive | 12 V | 0–7 m (0–23 ft) | 2.5 mm2 (14 AWG) |
| 7–10 m (23–32.8 ft) | 4 mm2 (12 AWG) |
Important: The use of an incorrect power cable size will reduce the power supplied to the drive unit and could cause your autopilot to malfunction. If in doubt, use a heavier gauge cable. Keep cable runs to a minimum where possible, and also observe the guidance provided in the location requirements section of this document.
Drive connection
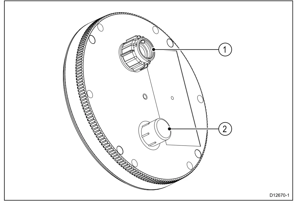
Drive and clutch connection — ACU-200
Drive connection
The drive connects to the connection panel of the ACU.
- Clutch (not all drives have this connection).
- Motor/drive (not all compatible variants are shown in the illustration above).
Clutch connection colors
| Color | Description | |
| A | Red | Clutch +ve |
| B | Blue | Clutch -ve |
Motor power output
| ACU–200 | ACU-400 |
| 15 A (maximum continuous output) | 30 A (maximum continuous output) |
Note: The motor output has full short-circuit and over-current protection. Should either of the motor output connections be shorted to ground, there should be no permanent damage to the autopilot.
Clutch power output
| ACU–200 | ACU-400 |
| Up to 2A continuous at 12 V on 12 V and 24 V systems. | • Up to 4 A continuous at 12 V on 12 V systems. • Up to 4 A continuous at 24 V on 24 V systems. • Up to 4 A continuous at 12 V on 24 V systems. |
Note: The use of a clutch drive will have an impact on the amount of electrical current available to the SeaTalkng system. On 24 V systems, there is an 8 A / 12 V maximum supply for the SeaTalkng system and clutch drive combined. For example, if the clutch requires 4 A, the SeaTalkng supply can only deliver 4 A to the rest of the SeaTalkng system.
Note: The clutch output on all ACU variants has full short-circuit and over-current protection. Should either of the clutch output connections be shorted to the ground, there should be no permanent damage to the autopilot.
Clutch voltage switch
If the drive has a separate clutch connection, you must ensure that the clutch voltage switch on the ACU is set correctly to suit the connected drive.
Important: To avoid potential damage to equipment, ensure the voltage selector switch is set to the correct setting. The clutch voltage may be different from that of the drive itself, for example, the range of both 12 V and 24 V Raymarine drives all have a 12 V clutch. If in doubt, consult your local dealer.
Bypass valve connection and voltage switch
Some drives feature an electrically-operated bypass valve to minimize the effect on the steering when the autopilot is in standby.
If the drive has a separate bypass valve, connect it to the Bypass connection on the ACU, ensuring that the voltage selection switch is set correctly to 12 V / 24 V as appropriate.
Important: To avoid potential damage to equipment, ensure voltage selector switch is set to the correct setting. The bypass valve voltage may be different from that of the drive itself. If in doubt, consult the manufacturer of the drive unit.
Bypass valve connection colors
| Color | Description | |
| A | Red | Bypass valve +ve |
| B | Blue | Bypass valve -ve |
SeaTalkng connection
SeaTalkng connection — ACU-200
The ACU-200 are connected to a compatible autopilot control head using SeaTalkng.
SeaTalkng autopilot
- EV-1 Attitude Heading Reference Sensor (AHRS).
- Helm position with SeaTalkng autopilot control head.
- Helm position with SeaTalkng instrument.
- ACU (Actuator Control Unit).
- Helm position with SeaTalkng autopilot control head.
- Helm position with SeaTalkng instrument.
You can connect an autopilot control head at each helm position.
Note: Only SeaTalkng autopilot control heads can be connected directly to the backbone.
SeaTalkng connection to ACU-200
The ACU-200 connect to the SeaTalkng backbone using the supplied spur cable.
Note: For clarity, only the power-related ACU connections are shown in the illustration above.
- SeaTalkng power switch.
- ACU connector panel.
- Evolution to SeaTalkng spur cable.
- SeaTalkng backbone.
Note: The connection at the backbone may be a SeaTalkng T-piece or 5-way block (not shown).
SeaTalkng power switch (ACU-200 only)
The ACU-200 can provide power to the SeaTalkng backbone. This will provide power to certain equipment connected to the backbone (e.g. SeaTalkng autopilot control head and instruments).
Set the SeaTalkng power switch on the connector panel to the appropriate position:
- ON — The ACU-200 will supply power to the SeaTalkng backbone. Ensure that there are no other power feeds connected into the backbone.
- OFF — The ACU-200 will NOT supply power to the SeaTalkng backbone. Ensure that there is a separate power feed to the SeaTalkng backbone.
Important: Use the correct fuse. The fuse supplying the SeaTalkng system MUST be rated as per the value shown on the ACU connector panel.
SeaTalkng connection — EV-1 and EV-2
The EV unit is connected to the autopilot system using SeaTalkng.
Evolution SeaTalkng cable kit
A SeaTalkng cable kit is available for Evolution components. This cable kit provides the cables required to make all the SeaTalkng connections for some typical Evolution systems. The kit is supplied with certain Evolution systems. The kit is also available as an optional accessory, part number R70160. If you require additional SeaTalkng cables or accessories to complete your installation, refer to SeaTalkng cables and accessories for a list of part numbers.
Cable kit contents
| Item | Description | Quantity | Length |
| 1 | SeaTalkng power cable. | 1 | 0.4 m (1.3 ft) |
| 2 | SeaTalkng backbone cable | 1 | 5 m (16.4 ft) |
| 3 | SeaTalkng spur cable. | 1 | 0.4 m (1.3 ft) |
| 4 | SeaTalkng 5-way connector block. | 1 | — |
| 5 | SeaTalkng T-piece. | 2 | — |
| 6 | SeaTalkng terminator. | 2 | — |
SeaTalkng cables and accessories
SeaTalkng cables and accessories for use with compatible products.
| Description | Part No | Notes |
| SeaTalkng starter kit | T70134 | Includes: • 1 x 5 Way connector (A06064) • 2 x Backbone terminator (A06031) • 1 x 3 m (9.8 ft) spur cable (A06040) • 1 x Power cable (A06049) |
| SeaTalkng Backbone Kit | A25062 | Includes: • 2 x 5 m (16.4 ft) Backbone cable (A06036) • 1 x 20 m (65.6 ft) Backbone cable (A06037) • 4 x T-piece (A06028) • 2 x Backbone terminator (A06031) • 1 x Power cable (A06049) |
| SeaTalkng 0.4 m (1.3 ft) spur | A06038 | |
| SeaTalkng 1 m (3.3 ft) spur | A06039 | |
| SeaTalkng 3 m (9.8 ft) spur | A06040 | |
| SeaTalkng 5 m (16.4 ft) spur | A06041 | |
| SeaTalkng 0.4 m (1.3 ft) elbow spur | A06042 |
| Description | Part No | Notes |
| SeaTalkng 0.4 m (1.3 ft) backbone | A06033 | |
| SeaTalkng 1 m (3.3 ft) backbone | A06034 | |
| SeaTalkng 3 m (9.8 ft) backbone | A06035 | |
| SeaTalkng 5 m (16.4 ft) backbone | A06036 | |
| SeaTalkng 9 m (29.5 ft) backbone | A06068 | |
| SeaTalkng 20 m (65.6 ft) backbone | A06037 | |
| SeaTalkng to bare ends 1 m (3.3 ft) spur | A06043 | |
| SeaTalkng to bare ends 3 m (9.8 ft) spur | A06044 | |
| SeaTalkng Power cable | A06049 | |
| SeaTalkng Terminator | A06031 | |
| SeaTalkng T-piece | A06028 | Provides 1 x spur connection |
| SeaTalkng 5–way connector | A06064 | Provides 3 x spur connections |
| SeaTalkng backbone extender | A06030 | |
| SeaTalk to SeaTalkng converter kit | E22158 | Allows the connection of SeaTalk devices to a SeaTalkng system. |
| SeaTalkng Inline terminator | A80001 | Provides direct connection of a spur cable to the end of a backbone cable. No T-piece required. |
| SeaTalkng Blanking plug | A06032 | |
| ACU / SPX SeaTalkng spur cable 0.3 m (1.0 ft) | R12112 | Connects an SPX course computer or an ACU to a SeaTalkng backbone. |
| SeaTalk (3 pin) to SeaTalkng adaptor cable 0.4 m (1.3 ft) | A06047 | |
| SeaTalk to SeaTalkng spur 1 m (3.3 ft) spur | A22164 | |
| SeaTalk2 (5 pin) to SeaTalkng adaptor cable 0.4 m (1.3 ft) | A06048 | |
| DeviceNet adaptor cable (Female) | A06045 | Allows the connection of NMEA 2000 devices to a SeaTalkng system. |
| DeviceNet adaptor cable (Male) | A06046 | Allows the connection of NMEA 2000 devices to a SeaTalkng system. |
| DeviceNet adaptor cable (Female) to bare ends. | E05026 | Allows the connection of NMEA 2000 devices to a SeaTalkng system. |
| DeviceNet adaptor cable (Male) to bare ends. | E05027 | Allows the connection of NMEA 2000 devices to a SeaTalkng system. |
SeaTalk connection
The Evolution system is designed for use with the latest SeaTalkng autopilot control heads. You can also use a SeaTalk autopilot control head, but with limited functionality. Refer to the SeaTalk to SeaTalkng converter handbook (87121) for more information on these limitations, and how to connect a SeaTalk autopilot control head to an Evolution system.
Rudder reference connection
A rudder reference sensor unit can be connected to the ACU to provide rudder angle information to the autopilot system. The connection of a rudder reference unit is highly recommended, to help ensure optimum autopilot performance. A rudder reference unit converts its movement information to the rudder angle in +/- degrees.
Certain environmental conditions such as cross-current can cause the autopilot system to steer persistently to port or starboard, even when the rudder is centered. With a rudder reference unit connected to your autopilot system, you can use an autopilot control head to specify an offset angle in +/- degrees to compensate for inaccurate rudder angle information caused by such conditions.
The more accurate the rudder angle information, the more accurately the autopilot system can keep to a correct course. The rudder reference unit connected to the ACU connection panel is shown below.
Note: Where there are multiple sources of rudder reference information, the Evolution system components will ignore rudder inputs from any rudder reference units that are NOT connected directly to an Evolution ACU.
Sleep switch connection — ACU-200
A Sleep switch disables the operation of the autopilot while retaining any power supplied to the SeaTalkng bus.
The switch and associated cable are not supplied with the Evolution system. Contact your dealer or drive manufacturer for more information
Installation
EV-1 Installation
Location requirements — EV–1 and EV–2
The installation location must take into account the following requirements:
- Install above or below decks.
- Mount on a horizontal and level surface. The unit may be mounted upright or upside-down, but the back and front of the unit must be level within 5º of pitch and 5º of roll (compared with the vessel’s neutral position when at rest and normally loaded).
- Install flat on a deck, or mounted to a bulkhead, mast or another vertical surface, using the supplied bracket to fit and orient the unit horizontally.
- The location must be at least 1 m (3 ft.) away from any source of magnetic interference, such as compasses and electrical cables.
- Safe from physical damage and excessive vibration.
- Away from any source of heat.
- Away from any potential flammable hazard, such as fuel vapors.
- Must be mounted with the arrow on the top of the unit in parallel alignment with the vessel’s longitudinal axis. Position the arrow on the unit facing forward in the direction of the arrows shown in the following illustration:

- Vessel’s longitudinal axis.
Dimensions — EV–1 and EV–2
Deck mounting the EV-1
Important: The installation must only be performed with the vessel either on hard standing, or tied up alongside a pontoon or berth.
- Use the supplied deck mounting template to drill 4 holes in the mounting surface, plus a hole of a suitable size for the SeaTalkng cable. Affix the small sealing ring to the groove located on the bottom of the mounting tray.
- Affix the tray to the mounting surface and secure using the supplied screws in the 4 positions indicated in the above illustration.
- Affix the large sealing ring into the groove on the upper side of the mounting tray.
- Pull the SeaTalkng cable through the mounting surface hole and the mounting tray. Insert the plug into the EV-1 unit.
- Secure the EV-1 unit to the mounting tray by positioning and inserting carefully in alignment with the grooves in the mounting tray.
Important: The EV-1 unit must be mounted with the arrow on the top of the unit in parallel alignment with the vessel’s longitudinal axis. - Place the EV-1 mounting trim over the EV-1 unit.
Bracket mounting the EV-1
Important: The installation must only be performed with the vessel either on hard standing, or tied up alongside a pontoon or berth.
- Affix the small sealing ring to the groove located on the bottom of the mounting bracket.
- Affix the tray to the mounting bracket and secure using the supplied screws in the 3 positions indicated in the above illustration.
- Affix the large sealing ring into the groove on the upper side of the mounting tray.
- Affix the bracket to the mounting surface using the supplied mounting template. Secure the bracket using the supplied screws in the 3 positions indicated in the illustration above.
- Pull the SeaTalkng cable through the mounting bracket hole and the mounting tray. Insert the plug into the EV-1 unit.
- secure the EV-1 unit to the mounting tray by positioning and inserting carefully in alignment with the grooves in the mounting tray.
Important: The EV-1 unit must be mounted with the arrow on the top of the unit in parallel alignment with the vessel’s longitudinal axis. - Place the EV-1 mounting trim over the EV-1 unit and push the trim together with the mounting tray until the 2 items click into position.
Dismantling the EV-1 and EV-2 enclosure
Once the mounting trim and mounting bracket are clicked into position with the EV-1 or EV-2 unit inside, you must release the clips if you need to subsequently remove the unit from the enclosure.
- Push the endpoint of a pencil or similar tool into one of the clips located around the outside edge of the EV-1 or EV-2 enclosure.
The mounting trim will be released from the mounting bracket. - If necessary, repeat for all 4 clips located around the EV-1 or EV-2 enclosure, until the mounting trim is completely released.
Note: To avoid potential damage or permanent markings to the clips, only use a non-abrasive and non-permanent marking tool to perform the above procedure.
ACU Installation
Location requirements — ACU
The installation location must take into account the following requirements:
- ACU-200— install below decks in a dry area.
- Safe from physical damage and excessive vibration.
- Away from any source of heat.
- Away from any potential flammable hazard, such as fuel vapors.
Mounting the ACU-100
Important: The installation must only be performed with the vessel either on hard standing, or tied up alongside a pontoon or berth.
- Using an appropriate screwdriver, undo the screws located on the top cover and remove the top cover from the ACU.
Once the cover is removed, the unit’s mounting holes are accessible.
- Mount the ACU in an appropriate location and secure it to the mounting surface using the supplied screws.

- You should also mount the autopilot control head and rudder reference unit (if appropriate) at this time.
- To access the screw terminals for connecting the cables to the ACU, remove the screw terminal connectors from the sockets, as shown in the following illustration:

- Insert the relevant wires from the SeaTalkng spur cable into the SeaTalkng screw terminals, as shown in the illustration above. Tighten the screws to secure the wires. Repeat for all required connections.
- Push the screw terminals back into the connector panel, ensuring a tight connection.
- Route the cables through the cable guides located on the lower lip of the unit.
Raymarine recommends that you use cable ties to secure the cables to the unit.
- Once all connections are made and the cables correctly routed in the guides, replace the ACU cover, ensuring a tight fit between the cover’s rubber seal and the cables.
- Using the supplied screws, secure the cover to the unit, ensuring that the clips are aligned and secured (along with an audible click):

Dimensions — ACU-200
Mounting the ACU-200
Important: The installation must only be performed with the vessel either on hard standing, or tied up alongside a pontoon or berth.
- Mount the ACU in an appropriate location and secure with the screws supplied.

You should also mount the autopilot control head and rudder reference unit (if appropriate) at this time. - Route the power, data and any other cables required for connection to the ACU.
- Make all necessary connections into the ACU connector panel.
The connector panel is accessed by removing the front cover.
- A — Unlock the cover panel
- B — Lock cover panel
Post-installation checks
These checks should be carried out after installation, and prior to the commissioning of the autopilot system.
- Switch on power to the autopilot system and associated equipment.
- ACU (for EV-1 systems only).
- Autopilot control head.
- SeaTalkng data bus (if this has its own power supply).
- Check that the autopilot control head powers up. If the display is blank press and hold the Power key for 2 seconds.
- Check the display for error messages that could indicate a problem with the installation.
For assistance with diagnosing faults:- Refer to the troubleshooting information supplied with the product, or
- contact Raymarine customer support.
Autopilot system setup
Important: Before using the autopilot system it is essential that it is properly commissioned in accordance with the setup instructions.
- Perform an initial power-on test to ensure all components are working correctly.
- Refer to the latest version of the 81331 p70 / p70R User reference handbook for detailed instructions on how to setup the Evolution autopilot system.
LED indications — EV-1
Alarms
Alarms are raised by the autopilot system to alert you to mechanical and electrical conditions requiring your attention. The Evolution components transmit alarm alerts on the SeaTalkng network for display on autopilot control heads and multifunction displays, along with an audible alert. The Evolution components stop raising an alarm when the alarm condition ceases or the alarm is acknowledged on the autopilot control head or multifunction display. If the alarm is safety-critical it will be raised again after a timed delay.
Unless otherwise stated in the table below, you should respond to alarms by selecting OK or Acknowledge on your autopilot control head or multifunction display.
| Alarm Message | Possible causes | Solution |
| OFF COURSE | Autopilot has deviated from planned course. | Check your vessel position and if necessary take manual control to steer the vessel back on course. |
| WIND SHIFT | Autopilot is unable to maintain navigation to the current wind angle. | |
| LOW BATTERY | Power supply voltage has dropped below acceptable limits. Caused by low battery voltage or voltage drop at the ACU unit (EV-1 systems only), due to poor connections or inadequate wiring. | Acknowledge the alarm and then start the engine to recharge the battery. If problem persists, check wiring connections and that the quality and gauge of wiring is adequate for the current draw of the drive unit. |
| LARGE XTE | Large cross-track error. The autopilot has deviated more than expected from a planned course. | Check your vessel position and if necessary take manual control to steer the vessel back on course. |
| CU DISCONNECTED | The autopilot control head has been disconnected. | • Check the physical cables and connections between the autopilot control head and the SeaTalkng system. Also between the EV-1 / EV-2 and the SeaTalkng system. • If the autopilot control head is connected via a SeaTalk to SeaTalkng converter, check the converter is using the latest software version. |
| AUTO RELEASE | Possible fault with rudder reference unit. Alternatively, if your autopilot system includes a stern I/O drive, you have taken manual control of the steering while the pilot is in Auto mode. | • Check rudder reference unit connections. • For systems using the Volvo Penta EVC drive interface unit, check the unit is operating correctly. |
| WAYPOINT ADVANCE | The autopilot has steered the vessel to the current waypoint. | Acknowledge the turn to the next waypoint. |
| DRIVE STOPPED | • Motor / steering has not moved within 20 seconds of a course change command. • The autopilot is unable to turn the rudder (either because the weather load on the helm is too high, or if the rudder position sensor has passed beyond the preset rudder limits or rudder end-stops. • Autopilot resets due to an external event (such as use of the sleep switch, or faulty wiring causing the autopilot components to power cycle). • Autopilot resets due to software error. | • Check the rudder reference unit has been installed correctly to reflect the limits and end-stops of the vessel’s rudder system. • For EV-1 systems, check ACU drive output voltage and drive and clutch voltage output (if applicable). • For EV-1 systems, check all connections to ACU. • Check all connections to drive unit. • Check that the drive unit operates and is not stalled. • Check steering system is secure. |
| NO RUDDER REFERENCE | No rudder reference unit is detected, or the rudder reference unit has turned outside its operational range (50 degrees). | If a rudder reference unit is installed, check the wiring. Inspect the unit for possible damage. |
| STALL DETECTED | Motor speed dropped too low for given course change or motor stalling. This can be caused by a faulty drive unit or steering fault. Alternatively, the steering hard-over time may be too slow. | • Check that the drive unit operates and is not stalled. • Check the steering hard-over time. |
| CLUTCH OVERLOAD | The clutch for the drive system is demanding a greater power output than is supported by the clutch power output of the Evolution components. | Refer to the clutch power output ratings provided in the Installation instructions for the relevant Evolution components, and ensure the clutch for the drive unit does not exceed this power output. |
| CURRENT OVERLOAD | Serious drive failure; the drive is demanding too much electrical current due to short-circuit or jamming. Caused by a faulty drive unit or motor, or wiring short-circuit. Alternatively, a fault in the steering system may be causing the drive unit to lock-up. | Check the drive unit. |
| ROUTE COMPLETE | Your vessel has arrived at the end of the current route. | No action required. |
| Alarm Message | Possible causes | Solution |
| NO DATA | • The autopilot is in Wind Vane mode and has not received wind angle data for 32 seconds. • The autopilot is in Track mode and is not receiving navigation data, or the rudder position sensor is receiving a low-strength signal. This will clear when the signal improves. | Check the connections to the wind transducer, multifunction display, and autopilot control head (as appropriate). |
| PILOT STARTUP | Autopilot components are initializing. | Some components may take a moment to startup. |
| NO WIND DATA | The autopilot is in Wind Vane mode and has not received wind angle data for 32 seconds. | Check the connections to the wind transducer. |
| NO SPEED DATA | The autopilot has not received speed (STW or SOG) data for 10 seconds, while in Auto mode. | Check the connections to the speed transducer. Pilot does not require speed data in order to operate. However, it does enhance the overall performance when in Auto mode. |
| NO COMPASS | The EV-1 or EV-2 is not receiving heading data. | • Check the connections to the EV-1 / EV-2. • Power cycle the EV-1 / EV-2, by removing and then reconnecting the SeaTalkng cable. |
| RATEGYRO FAIL | The internal rate gyro on the EV-1 or EV-2 unit has developed a fault. This will be evident as a compass issue and could cause the compass heading to deviate or lock-up. | If the problem persists, contact your local Raymarine service center. |
| MOTOR POWER SWAPPED | On the Evolution ACU unit, the motor cables are connected to the power terminals, and vice versa. | Switch off the power to the unit and reconnect correctly. |
| NO GPS DATA | A source of GPS data is not connected to the SeaTalkng system. | Check connections to the GPS data source. |
| JOYSTICK FAULT | A fault has occurred with the joystick. This alarm applies only to autopilot systems that include a joystick controller. | Check the connections to, and operation of the joystick. |
| NO IPS (NO DRIVE DETECTED) | Loss of communications between the EV-1 and ACU, or EV-2 and drive interface unit. | Check all physical data connections between these devices, as appropriate. |
| PILOT RESET NORMAL (UNEXPECTED HARDWARE RESET) | • Autopilot resets due to an external event (such as use of the sleep switch, or faulty wiring causing the autopilot components to power cycle). | Check all system wiring, especially power-related wiring. |
| PILOT RESET EXCEPTION (UNEXPECTED SOFTWARE RESET) | The EV-1 / EV-2 software has detected a fault it cannot recover from, and has reset the pilot. | Wait approximately 1 minute for the EV-1 / EV-2 to reset and re-initialize. |
Maintenance and support
Service and maintenance
This product contains no user-serviceable components. Please refer all maintenance and repair to authorized Raymarine dealers. Unauthorized repair may affect your warranty.
Cleaning
- Switch off the power to the unit.
- Wipe the unit with a clean, damp cloth.
- If necessary, use isopropyl alcohol (IPA) or a mild detergent to remove grease marks.
Note: Do NOT use abrasive, or acid or ammonia-based products.
Raymarine customer support
Raymarine provides a comprehensive customer support service. You can contact customer support through the Raymarine website, telephone and e-mail. If you are unable to resolve a problem, please use any of these facilities to obtain additional help.
Web support
Please visit the customer support area of our website at: www.raymarine.com
This contains Frequently Asked Questions, servicing information, e-mail access to the Raymarine Technical Support Department and details of worldwide Raymarine agents.
Telephone and e-mail support
In the USA:
- Tel: +1 603 324 7900
- Toll Free: +1 800 539 5539
- E-mail: [email protected]
In the UK, Europe, and the Middle East: - Tel: +44 (0)13 2924 6777
- E-mail: [email protected]
- In Southeast Asia and Australia:
- Tel: +61 (0)29479 4800
- E-mail: [email protected]
Product information
If you need to request service, please have the following information to hand:
- Product name.
- Product identity.
- Serial number.
- Software application version.
- System diagrams.
You can obtain this product information using the menus within your product.
Appendix A Spare parts
| Item | Part number | Notes |
| SeaTalkng cable kit | R70160 | Consists of: • SeaTalkng power cable 0.4 m (1.3 ft) (quantity: 1). • SeaTalkng backbone cable 5 m (16.4 ft) (quantity: 1). • SeaTalkng spur cable 0.4 m (1.3 ft) (quantity: 1). • SeaTalkng 5–way connector block (quantity: 1). • SeaTalkng T-piece connector (quantity: 2). • SeaTalkng terminator (quantity: 2). |
| DeviceNet cable kit | R70192 | Consists of: • DeviceNet adaptor cable (female) (quantity: 2). • SeaTalkng power cable (quantity: 1). • SeaTalkng terminator (quantity: 2). |
| Sealing ring pack | R70161 | |
| EV-1 / EV-2 wall bracket | R70162 |
Appendix B Technical specification —EV-1 and EV-2
| Nominal supply voltage | 12 V (powered by SeaTalkng system). |
| Operating voltage range | 10.8 V to 15.6 V dc. |
| Power consumption (taken from SeaTalkng system) | 30 mA. |
| SeaTalkng LEN (Load Equivalency Number) | 1 |
| Sensors | • 3-axis digital accelerometer. • 3-axis digital compass. • 3-axis gyro digital angular rate sensor. |
| Data Connections | • SeaTalkng. • NMEA 2000 DeviceNet (EV-2 only; port not used on EV-1 unit). |
| Environmental | Installation environment • Operating temperature: -20 ºC to +55 ºC (-4 ºF to +131 ºF). • Storage temperature: -30 ºC to +70 ºC (-22°F to +158°F). • Relative humidity: max 93%. • Waterproof rating: IPX 6. |
| Dimensions | • Diameter: 140 mm (5.5 in). • Depth (including mounting enclosure): 35 mm (1.4 in). • Depth (including wall bracket): 95 mm (3.8 in). |
| Weight | 0.29 kg (0.64 lbs) |
| EMC compliance | • Europe: 2004/108/EC. • Australia and New Zealand: C-Tick, Compliance Level 2. |
Appendix C Technical specification —ACU
| ACU-100 | ACU-200 | ACU-300 | ACU-400 | |
| Drive current output | • Maximum continuous 7 A at supply voltage. | • Maximum continuous 15 A at supply voltage. | • Maximum continuous 5 A at supply voltage. | • Maximum continuous 30 A at supply voltage. |
| Drive clutch output | No clutch connection. | Up to 2.0 A continuous, selectable between 12 / 24 V | No clutch connection. | • Up to 4 A continuous at 12 V on 12 V systems. • Up to 4 A continuous at 24 V on 24 V systems. • Up to 4 A continuous at 12 V on 24 V systems. |
| Connections | • Rudder reference sensor. • Power. • Drive motor. • Ground. | • Rudder reference sensor. • Sleep switch. • Power. • Drive motor. • Drive clutch. • Ground. | • Rudder reference sensor. • Sleep switch. • Power. • Solenoid drive out / return. • Ground. | • Rudder reference sensor. • Sleep switch. • Power. • Drive motor. • Drive clutch. • Ground. • Digital Input / Output (DIO). |
| Nominal supply voltage | 12 V | 12 V or 24 V | ||
| Operating voltage range | 10.8 V to 15.6 V dc | 10.8 V to 31.2 V dc | ||
| Power consumption (standby) — main power supply | 300 mA (12 V) | 300 mA (12 / 24 V) | ||
| Power consumption (standby) — SeaTalkng power supply | No power supply to SeaTalkng | 20 mA (12 V) | ||
| SeaTalkng LEN (Load Equivalency Number) | 1 | 1 | ||
| SeaTalkng Power out | No power supply to SeaTalkng | 3 A at 12 V (fuse protected at 3 A). | ||
| Data connections | SeaTalkng | SeaTalkng | ||
| Environmental | Installation environment • Operating temperature: -20 ºC to +55 ºC (-4 ºF to +131 ºF). • Storage temperature: -30 ºC to +70 ºC (-22°F to +158°F). • Relative humidity: max 93%. • Waterproof rating: • Connector panel: IPX2 • Drive electronics: IPX6 | Installation environment • Operating temperature: -20 ºC to +55 ºC (-4 ºF to +131 ºF). • Storage temperature: -30 ºC to +70 ºC (-22°F to +158°F). • Relative humidity: max 93%. • Waterproof rating: Drip resistant. | ||
| Dimensions | • Width: 180 mm (7.1 in). • Height: 140 mm (5.5 in). • Depth: 52 mm (2.0 in). | • Width: 285 mm (11.2 in). • Height: 211.5 mm (8.3 in). • Depth: 64.5 mm (2.5 in). | ||
| Weight | 0.6 kg (1.32 lbs). | 2.2 kg (4.84 lbs). | ||
| EMC compliance | • Europe: 2004/108/EC. • Australia and New Zealand: C-Tick, Compliance Level 2. | |||
Appendix D NMEA 2000 sentences (PGNs) — EV-1 and EV-2
EV-1 and EV-2 support the following NMEA 2000 sentences.
| Message number | Message description | Transmit | Receive |
| 59392 | ISO Acknowledgment | ● | |
| 59904 | ISO Request | ● | ● |
| 60928 | ISO Address Claim | ● | ● |
| 65240 | ISO Commanded address | ● | |
| 126208 | NMEA – Request group function | ● | ● |
| 126208 | NMEA – Command group function | ● | ● |
| 126208 | NMEA – Acknowledge group function | ● | ● |
| 126464 | PGN List | ● | ● |
| 126996 | Product information: • NMEA 2000 Database Version • NMEA Manufacturer’s Product Code • NMEA Manufacturer’s Model ID • Manufacturer’s Software Version Code • Manufacturer’s Model Version • Manufacturer’s Model Serial Code • NMEA 2000 Certification Level • Load Equivalency | ● | |
| 127245 | Rudder angle | ● | ● |
| 127250 | Vessel heading | ● | ● |
| 127258 | Magnetic Variation | ● | |
| 128259 | Speed Through Water (STW) (Referenced) | ● | |
| 129026 | Course Over Ground (COG) and Speed Over Ground (SOG) rapid update | ● | |
| 129029 | GNSS position data: • Date • Time • Lattitude • Longitude | ● | |
| 129283 | Cross track error | ● | |
| 129284 | Navigation data (for following routes): • Active Leg Distance To Waypoint (DTW) • Course / Bearing reference • Perpendicular Crossed • Arrival Circle Entered • Calculation Type • Estimated Time of Arrival (ETA) • Estimated Date of Arrival • Active Leg Bearing Origin to Destination (BOD) • Active Leg Bearing To Waypoint (BTW) • Active Leg Origin Waypoint ID • Active Waypoint ID • Destination Waypoint Latitude • Destination Waypoint Longitude • Waypoint closing velocity | ● |
| Message number | Message description | Transmit | Receive |
| 129285 | Active Waypoint data | ● | |
| 130306 | Wind data | ● |
Appendix E NMEA 2000 sentences (PGNs) — ACU
The ACU supports the following NMEA 2000 sentences.
| Message number | Message Description | Transmit | Receive |
| 59392 | ISO Acknowledgment | ● | |
| 59904 | ISO Request | ● | ● |
| 60928 | ISO Address Claim | ● | ● |
| 65240 | ISO Commanded address | ● | |
| 126208 | NMEA – Request group function | ● | |
| 126208 | NMEA – Command group function | ● | |
| 126208 | NMEA – Acknowledge group function | ● | ● |
| 126464 | PGN List | ● | ● |
| 126996 | Product information: • NMEA 2000 Database Version • NMEA Manufacturer’s Product Code • NMEA Manufacturer’s Model ID • Manufacturer’s Software Version Code • Manufacturer’s Model Version • Manufacturer’s Model Serial Code • NMEA 2000 Certification Level • Load Equivalency | ● | |
| 127245 | Rudder angle | ● | ● |
FAQS
FAQS
What sensors are used in autopilot?
Autopilot and stability augmentation systems commonly used on aircraft employ sensors including magnetometers, accelerometers, and gyroscopes to provide information on the vehicle motion.
Does autopilot use PID controller?
The proposed PID control design is used and applied to autopilot ship model. The actual closed-loop is a combination of the PID response, and the GPC output predicted system trajectories.
Does a autopilot adjust the sails?
Autopilots for sailboats are useful assisting tools for sailors. Commer- cially available autopilots are not able to actuate the sails. This means that actual autopilots can not control the sails actuation while the boat keeps the desired course.
What are the 3 basic autopilot components?
The attitude and directional gyros, the turn coordinator, and an altitude control are the autopilot sensing elements.
What is chirp sonar Raymarine?
CHIRP transmissions allow more sonar power to penetrate the water – in fact x10 more power when compared to conventional sonar modules. ClearPulse CHIRP technology takes advantage of a wide spectrum of sonar signals to deliver amazing detail and accuracy.
How does an autohelm work?
Autopilot operation is simple, put the vessel on the desired heading, hold the course for a few seconds, press AUTO, and release the helm. The autopilot will lock the course in memory, and will respond with helm corrections to keep your boat on this course.
Does Raymarine have Wi-Fi?
The T1 Linear drive will require 0.5A for the clutch operation and will draw a max of 15A when stalled, during ‘normal’ operation (typically, well balanced sail plan, a couple of degrees of weather helm), then 6-8 Amps continuous.
How does an autohelm work?
Autopilot is the use of an automatic system to control the rudder on the vessel. Use of autopilot can reduce the fuel consumption by smoothing out the large-angle rudder movements used to hold a steady course.
How does autopilot work on a ship?
Access aSeries anywhere onboard with Raymarine apps. Play and control MP3 audio on your smartphone remotely using Bluetooth. Download Navionics charts and updates right from the Navionics Boating App on your phone. Sync with Navionics Boating App.
How does a Raymarine autopilot work?
To enter the autopilot mode and engage the autopilot, press the red “auto” button. To disengage the autopilot, press the red “standby” button. To make 1° changes in your heading to port, press the “-1” button.
Is Raymarine an autohelm?
Raymarine was originally an independent UK company. Autohelm was a brand name for its autopilots.
Is autopilot Closed Loop?
Auto pilot for an aircraft is closed loop system and remaining all are open loop systems.
How do you engage and disengage an autopilot?
Most autopilots have several ways to disengage the system. There is a button under your thumb on the control wheel horn that, when pushed, disengages the autopilot. In most systems pushing the button all the way down also removes power from the electric pitch trim.
Can you sleep while on autopilot?
This leads to them making dangerous decisions, such as sleeping behind the wheel, that they would never dream of doing in another car. The reason you’re not legally allowed to sleep while a Tesla is on Autopilot is that, while the system has proven to be very reliable, it’s not infallible. Things can still go wrong.
Does autopilot correct for wind?
While to auto land system can typically work with some crosswind and some gusts, limits are much lower compared to manual landing.































