JETLINE 

JETLINE Kanal Tipi Fan

| Model | A | B1 | B2 | C1 | C2 | OD | E | F | 6 | H | I | OJ | K | kg |
| JETLINE-100 | 276 | 15 | 15 | 181 | 190 | 95 | 256 | 306 | 70 | 98 | – | 15 | 6,5 | 3 |
| JETLINE-125 | 279 | 15 | 15 | 206 | 214 | 120 | 265 | 315 | 70 | 111 | – | 15 | 6,5 | 3,4 |
| JETLINE-150 | 323 | 20 | 20 | 243,5 | 252 | 145 | 298,5 | 348 | 70 | 130 | – | 15 | 6,5 | 4,5 |
| JETLINE-160 | 323 | 20 | 20 | 243,5 | 252 | 155 | 298,5 | 348 | 70 | 130 | – | 15 | 6,5 | 4,5 |
| JETLINE-200 | 322 | 30 | 30 | 273 | 281 | 195 | 320 | 369 | 100 | 144,5 | – | 15 | 6,5 | 5,6 |
| JETLINE-250 | 329 | 20 | 30 | 293 | 301 | 245 | 326 | 375 | 120 | 154,3 | 50 | 15 | 6,5 | 6,5 |
| JETLINE-315 | 369 | 20 | 33 | 322 | 331 | 310 | 357,5 | 407 | 120 | 170 | 50 | 15 | 6,5 | 8,9 |
![]() | ![]() |
METAL DUCT INSTALLATION WITH SCREWS ![]() | JETLINE![]() |

This instruction manual contains important information and must be read carefully by competent persons prior to any handling, transport, inspection or installation of this product. Every care has been taken in the preparation of the instructions and information; however, it is the responsibility of the installer to ensure the system complies with relevant national and international regulations, especially safety. The manufacturer, Soler & Palau Sistemas de Ventilación S.L.U. accepts no responsibility for breakages, accidents or any inconvenience caused by failure to comply with the instructions contained in this manual.
The fans referred to in this manual have been manufactured in accordance with rigorous quality control and International standard ISO 9001. Once the product has been installed, this manual to be retained by the end user.
WARNINGS
Any work including transport, installation, inspection, maintenance, service spares replacement, repair and final end of life disposal must be carried out by competent persons and supervised by competent executive.
Fan equipment should be electrically isolated and locked out before any work started.
This fan must not be used in hazardous area.
The Installer, User is responsible for ensuring that the fan is installed, operated and serviced by qualified personnel, acting in accordance with all safety precautions applicable and as required by law, regulations and standards in the country applicable.
Safety protective clothing, equipment, hearing protection, and tools may be required All fans are designed and manufactured in accordance with EC Directive. Safety guard accessories are available from S&P if required due to specific installation.
This instruction manual is subject to modifications due to further technical developments of the fan described, images and drawings may be simplified representations. Due to improvements and modifications the fan operated may differ from the representations. We reserve the right to vary the product without prior notice.
Working ambient temperature for fan equipment should not be exceeded, typically this will be within -20°C to +40°C, unless stated otherwise. Allow safe access to fan for inspection, maintenance, replacement of parts, cleaning / housekeeping.
The user is responsible for effective maintenance, replacement of parts, cleaning, especially where dust may form inside the fan.
Do not remove safety protection guards or open access doors when the fan is in operation.
If the fan is used in atmospheres with more than 95% Relative Humidity (RH), consult the S&P Technical Service first.
Precautions must be taken to avoid the back-flow of gases into the room from the open flue of gas or other fuel-burning appliances.
The following risks have been identified for consideration:
− Installation: incorrect installation or function represents a risk to safety.
− Rotational speed: identified on fan name plate and motor. Never exceed this speed.
− Rotation of impeller: identified on fan with direction arrows. Do not run impeller in reverse.
− Working temperature: identified on fan nameplate and motor. Never exceed this range.
− Foreign bodies: ensure no risk from debris, or material that could be drawn into fan.
− Electrical risks: motor name plate data should never be exceeded, effective connection to earth, and all checked regularly every 6 months.
− Protection devices: These should always be operational and never disconnected.
− Means for disconnection must be incorporated in the fixed wiring according with the wiring rules. An external disconnecting device,
TRANSPORT, LIFTING
Fan equipment and packaging are protected from adverse atmosphere, especially water, sand, dust, vibration and excessive temperature. The packaging used for this fan has been designed to support normal transporting conditions.
The fan must always be transported in its original packaging. Do not accept delivery if the fan is not in its original packaging or shows clear signs of having been damaged.
Do not place heavy weights on the packaging and avoid impact damage. Any lifting equipment must be safe and of suitable capacity for weight and size. Special attention may be required to ensure fan assembly does not distort or tilt as weight distribution may vary.
When Fan equipment is carefully lowered or placed on a surface, be it temporary, during lifting, positioning, storage or permanent, this must be a flat surface to avoid distortion of fan casing or fan assembly.
STORAGE
Storage must be in a safe, flat, controlled environment to prevent damage, especially from water, sand, dust, moisture, corrosion, temperature. Recommend that duct connections (inflow and outflow) are closed to avoid dust/debris entering the equipment.
These data may also apply to an installed fan, which is not put into operation for extended period.
INSTALLATION
Fan equipment should be electrically isolated and locked out before any work started.
Before any installation work is started, ensure that fan equipment is correct for application. Location for installation is solid, level, flat and suitable for mounting fan assembly.
Fan should be located in position, and assembled with any accessory equipment supplied, on relevant mounting, anti-vibration mountings, safety protection guards, on a solid level base to avoid any distortion and misalignment and with correct air direction as shown on nameplate. Fan should then be leveled on any anti-vibration mountings. Flexible connectors must be taught to ensure no disruption to air flow, especially on inlet to fan.
START UP
Check fan equipment name plate data is appropriate to the location electrical supply, especially Voltage, Frequency, Phase, Amps, speed are correct.
Check earth connections, electrical terminations and terminal box lid, with any seals, if fitted, are correct.
In compliance with Machine Directive, if the fan is accessible to operators and is a health and safety risk, adequate protection must be fitted, information for safety equipment, including guards, can be found in S&P accessories catalogue.
Check all rotating parts have free, unobstructed movement. Check there are no foreign bodies inside the fan or that can be drawn into, or fall into fan. Check the structure is complete and has no damage. Check installation and area is safe and energise fan and start motor. Check that the impeller and airflow direction is correct, check current does not exceed fan equipment nameplate data.
After two hours of operation, check that all fixings are tight and adjust if necessary.
This appliance is considered to be suitable for use in countries having a warm damp equable climate as specified inIEC 60721-2-1. It may also be used in other countries.
ELECTRIC MOTORS
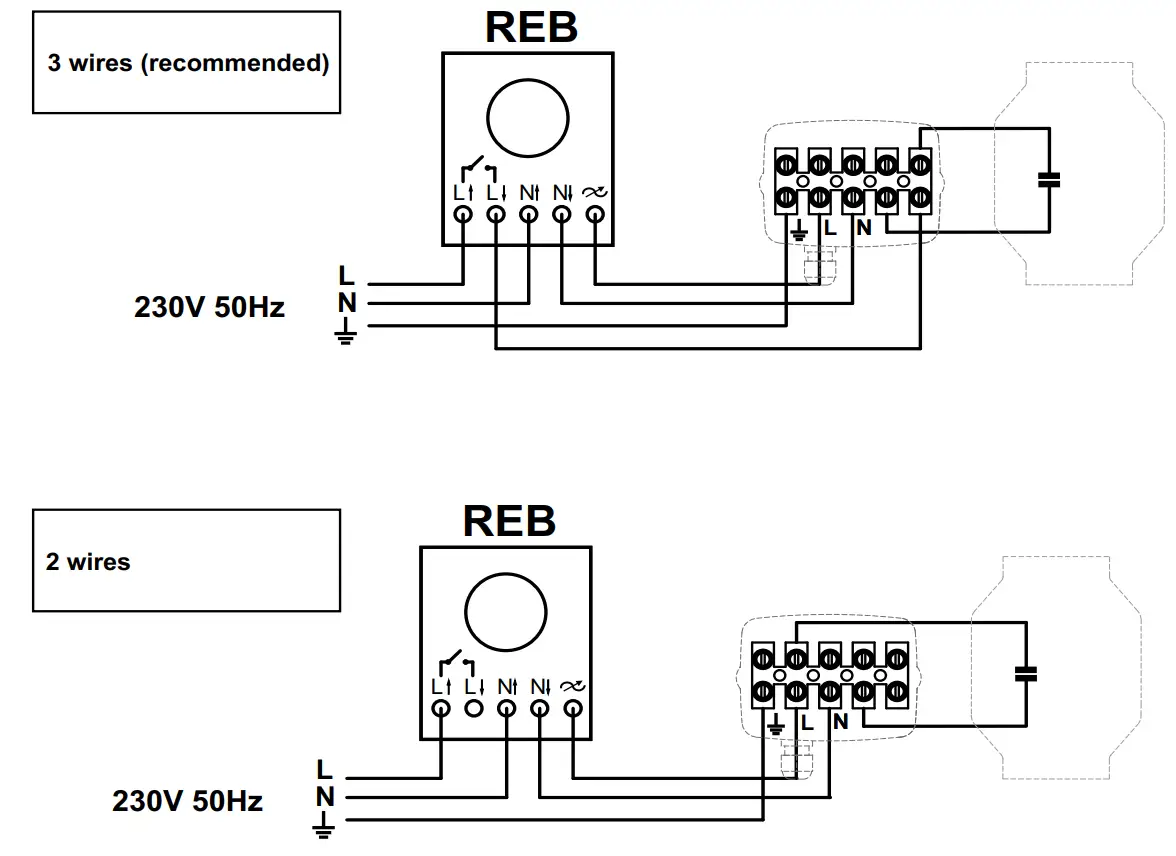
Electrical connections are made in accordance with connection diagram in the motor instructions and/or inside motor terminal box.
Many S&P fans are supplied with a cable gland for typical electrical power cable connection, to assist installation. However, if Installer uses a cable requiring a differing cable gland, this is to be supplied by the Installer, no alternative is offered by S&P. The Installer is responsible to ensure that cable, and cable gland, are suitable and safe for application according to country regulations.
Ensure system operation is safe in event of power cut/power outage/ disruption to power supply. If ventilation is stopped due to disruption to power supply, ensure no risk due to excessive temperature (electrical heater). Care may be needed when restarting fan after disruption to power supply.
Motors are supplied with permanently greased or sealed for life bearings and do not require re-lubrication.
Motors with speed control via Variable Speed Drive (VSD) Frequency Inverter, should not be run in excess of nameplate speed. In general applications, we recommend not to run at less than 20Hz and never less than 20% of nameplate speed without reference to manufacturer, since this may damage the motor.
If you are using cable longer than 20 meters between the drive and the motor, add output sinusoidal filter.
If you are using cable longer than 50 meters between the drive and the motor, add output EMC filter.
MAINTENANCE – REPAIRS
Maintenance/repairs must be carried out by competent personnel and in accordance with applicable International, National and Local regulations. Fan equipment should be electrically isolated and locked out before any work started.
Fan equipment should be regularly cleaned, frequency depending upon service load and application, but no less than every 6 months. Fan equipment for dust applications may require more frequent cleaning to ensure safe operation. Cleaning should include all areas where dust can accumulate in the fan equipment.
Special attention should be made to any unusual sounds, vibration or temperature. If any problems are detected the fan equipment should be stopped immediately and cause inspected. The impeller and blades should be regularly checked for damage that could cause imbalance in the moving parts.
REPLACEMENT PARTS
Do not start working until all relevant safety procedures have been read, understood and actioned correctly.
Ensure that personnel are competent for work required, spare parts are correct for application, tools and materials to be used are available and safe for environment.
Identify components, bolts, fixings to be removed, and identify location to ensure replaced in same location, this can be done by marking with number/letter/colour to bolt fixing and any associated spacing material to identify location. This is especially important for motor fixings to supports, and impeller shaft fixings to supports, where pac- king/spacing/shim material is used to adjust motor/impeller shaft center line, and hence final impeller position.
GOOD PRACTICE, GOOD/BAD INSTALLATION ARRANGEMENT
Fans are designed and performance tested in accordance with standard duct arrangements. Thus they should be installed correctly without any adverse installation effect.
Typically fans should be installed so that air entry is clear, unobstructed, non-turbulent and discharge does not hinder airflow, since air turbulence adversely affects impeller performance.
PUTTING OUT OF SERVICE AND RECYCLING
Disposal must be carried out by competent personnel and in accordance with applicable International, National and Local regulations.
Isolate fan equipment and any associated electrical equipment and lock off.
Remove electrical connections.
Disconnect fan equipment from duct connections and cover connections with plastic sheet to prevent exposure to any residue material in fan equipment, and any contamination of ducts.
Dismantle and dispose in accordance with applicable National and International laws and regulations, those parts whose service life has expired.
EEC legislation and our consideration of future generations mean that we should always recycle materials where possi- ble; please do not forget to deposit all packaging in the appropriate recycling bins. If your device is also labeled with this symbol, please take it to the nearest Waste Management Plant at the end of its servicable life.
The fan unit is mainly made of steel, copper, ferrite, aluminium and plastic. These components should be recycling in the following caegories:
Steel and iron
Aluminium
Non-ferrous metals
Plastics
Insulating materials
Cables
Electronic scrap
To clarify any questions regarding S&P products contact your local distributor. For its location and to obtain the EU Declaration of Conformity and certified technical data see our web site www.solerpalau.com
S&P SISTEMAS DE VENTILACIÓN, S.L.U.
C. Llevant, 4
Polígono Industrial Llevant
08150 Parets del Vallès
Barcelona – España
Tel. +34 93 571 93 00
www.solerpalau.com





















