GEWiSS Chorusmart Connected Axial 2-Command Module

PACK CONTENTS
- 1 connected axial 2-command module
- 1 installation manual (for the complete version of the installation and user manual,scan the QR code)

GENERAL INFORMATION
Flush-mounting device for sending 2 independent ZigBee commands via the 2 local axial push-buttons. It has 2 inputs (auxiliary axial commands, push-buttons and traditional one-way switches, sensors, etc.) for sending ZigBee commands and statuses. The devices are fitted with two LEDs that can be configured for night-time localisation or the visualisation of the status of commanded ON/OFF loads, and are designed to power the EGO SMART plate (GW16003SXX, GW16004SXX, GW16022SXX) housing (see terminal in Fig. D, 2 point 1 and Fig. H, 2 point 1).
The device can send 2 ZigBee commands (ON/OFF and lamp dimming command, roller shutter command, general loads command, scenes) via the local push-but-tons. The inputs can be used to add ZigBee commands to other actuators (ON/OFF and lamp dimming command, roller shutter and Venetian blind command, general loads command, scenes) or the sending of the sensor status on the ZigBee network. If used in combination with the EGO SMART plate, two additional Zig-Bee commands (activated using the pushbuttons of the device when the “SHIFT” function is enabled via the EGO SMART plate) can be sent. It works as a ZigBee “router” – in other words, it forwards ZigBee messages to other devices.
If the button keys are not fitted, the front push-button (see Fig. C and G, point 1) can be used; when pressed with insulated tools for electric tasks up to 2500V AC, it opens and closes the ZigBee network and also resets the factory configuration conditions (factory reset).
NOTES: The device must be completed with one of the two types of front button key available: with diffuser or designed to allow the insertion of one of the lens-es with the symbol (lens codes GW105xxA). GWA1241 must be completed with the GW1x553S (lens not included) or GW1x557S button key; GWA1242 must be completed with the GW1x554S (lenses not included) or GW1x558S button key.
FUNCTIONS
The device has two independent front push-buttons that can be used to send independent ZigBee commands to one activation device or more in the ZigBee network, and to execute scenes.
The front push-buttons can carry out the following functions:
- Sending of commands or ZigBee status
- ON/OFF/TOGGLE command
- Timed ON command (stair-light)
- Command of curtains and roller shutters with single or double push-button
- Command of a dimmer with single or double push-button
- Scene command
Auxiliary inputs
The device has two independent auxiliary inputs that can be used to control the local load (in addition to the front push-button) or to send independent ZigBee commands to other implementation devices in the ZigBee network. These two inputs can both be connected to the phase or the neutral (but it is not permitted to connect one to phase and the other to neutral).
Each input can fulfil one of the functions listed below:
- Sending of commands or ZigBee status
- ON/OFF/TOGGLE command
- Timed ON command (stair-light)
- Wired sensor status (binary status 0/1)
- Command of curtains and roller shutters with single or double push-button
- Command of a dimmer with single or double push-button
- Alarm
- Scene command
Dual function (SHIFT)
If the device is mounted in an EGO SMART plate, it can manage a second function associated with the pressing of the two front button keys. When the “SHIFT” function is enabled on the EGO SMART plate, the pressing of one of the front button keys determines the sending of commands or ZigBee scenes to other devices in the system.
Front status signalling LED
STATUS NOTIFICATIONS
| LED | Status |
| Fixed red | Device not configured |
| Fixed blue (50% brightness) | Normal operation (default) |
| Flashing blue | Device identification in progress |
| Fixed yellow | Device start-up |
| Fixed green | ZigBee network opening |
| Alternating green/red | Reset to default |
Opening/closing the ZigBee network
To open the ZigBee network (Permit Join activation) and allow the other devices to join it, press the front push-button once (see Fig. C and G, point 1). The front
LED will turn green. Press again to close the network. In any case, the ZigBee network will be closed 15 minutes after being opened.
Factory reset
To reset the connected axial 2-command module and restore the factory conditions,press the central local push-button (see Fig. C and G, point 1) for more than 10 seconds.
BEHAVIOUR ON POWER SUPPLY FAILURE AND RESET
When there is a power failure, the device is no longer powered. When the supply returns, the device follows the start-up procedure (indicated by the fixed yellow colour of the LED). At the end of this procedure, the device LED returns to the same conditions as before the power failure, as defined at the time of configuration.
ASSEMBLY




ATTENTION: the following operations must only be carried out when the system is not powered!
ATTENTION: to remove the front button keys, refer to Fig. E and I. Apply a lever only in the points indicated; levering in any other points may cause irreparable damage to the device!
ATTENTION: make sure the device phase (L) is protected by a circuit breaker with a maximum rated current of 10A!
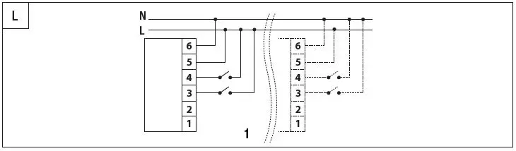
For the terminals, refer to the connection diagram (Fig. L) and Fig. D/H.
The terminals are numbered, and the device must be wired in the following way:
- Not connected
- Not connected
- Auxiliary input 2
- Auxiliary input 1
- Power supply phase
- Power supply neutral
To connect to the EGO SMART plate, insert the connection wire in the terminal block on the upper side of the device (see Fig. D and H, 2, point 1).
MAINTENANCE
This device is designed in such a way that it requires no particular maintenance.
If you want to clean it, use a dry cloth.
PROGRAMMING
To program and use the device and the smart home system, download the Home
Gateway app from Play Store or App Store.
ZigBee network installation data
Installation code: 00112233445566778899AABBCCDDEEFF
CRC: 0x8F52
TECHNICAL DATA

ATTENTION: the internal capacity is affected by the installation conditions (e.g. the number and type of walls between the devices), so it is always advisable to runtests to confirm that the real capacity meets the requirements.
With the button key installed.
Punto di contatto indicato in adempimento ai fini delle direttive e regolamenti UE applicabili:Contact details according to the relevant European Directives and Regulations:GEWISS S.p.A. Via A.Volta, 1 IT-24069 Cenate Sotto (BG) Italy tel: +39 035 946 111 E-mail: [email protected]
According to applicable UK regulations, the company responsible for placing the goods in UK market is:GEWISS UK LTD – Unity House, Compass Point Business Park, 9 Stocks Bridge Way, ST IVESCambridgeshire, PE27 5JL, United Kingdom tel: +44 1954 712757 E-mail: [email protected]
+39 035 946 118:30 – 12:30 / 14:00 – 18:00lunedì – venerdì / monday – friday



















