FLEXIT 100 STD Bathroom Fan User Manual
Description and use
Elect is a single-speed bathroom fan designed for direct extraction through a duct, compatible with wall and ceiling installation
The appliance is protected against jets of water (IP45 protection rating), so it is suitable for rooms with a high degree of humidity. The fan is suitable for installation in zone 1 of bathrooms, as defined by international standard IEC 60364-7. All the models are equipped with a motor with ball bearings. The range consists of models with a diameter of 100 and 120 mm, in standard and timer/humidity versions (see “Installation” and “Use” for a detailed description of the various functions):
Elect 100 STD
Elect 100 TH
Elect 125 STD
Elect 125 TH
These appliances are designed for use in residential and commercial properties
Safety
WARNING: This symbol indicates that care must be taken to avoid injury to the user.
- Do not use this appliance for functions other than those described in this booklet.
- After removing the appliance from its packaging, ensure that it is intact and undamaged. If in doubt, immediately contact a professionally qualified electrician or the reseller. – Do not leave packaging within the reach of children or differently able persons – Certain fundamental rules must be observed when using any electrical appliance, including: a) never touch appliances with wet or damp hands; b) never touch appliances while barefoot – Store the appliance out of the reach of children and differently able persons if you decide to disconnect it from the power supply and use it no more.
- Do not operate the appliance in the presence of flammable substances or vapours, such as alcohol, insecticides, petrol, etc.
- Precautions must be taken to prevent gas coming from the gas flue pipe or from other fuel combustion units from entering into the room. This appliance may be used by children over 8 years of age and by individuals with limited physical, sensory or mental capacities, or by inexperienced or untrained individuals, provided that they are supervised or have been instructed in safe use of the appliance and understand the associated risks.
- Children must not play with the appliance. – Cleaning and maintenance procedures – for which the user is responsible – must not be carried out by children unless supervised.
- Installation of the appliance in bathrooms (where there are bath-tubs or showers) must be in accordance with current regulations.
CAUTION: This symbol indicates that care must be taken to avoid damaging the appliance.
- Do not make modifications of any kind to this appliance.
- Do not expose this appliance to the elements (rain, sun, etc.).
- Regularly inspect the appliance for visible defects. If any faults are found, do not operate the appliance but contact the reseller. Should the appliance be dropped or suffer a heavy blow, have it checked immediately by the reseller.
- The electrical system to which the appliance is connected must conform to applicable standards.
- The appliance is double insulated and therefore does not need to be earthed.
- Connect the appliance to the electrical power supply/socket only if the rated power of the supply is sufficient to match the maximum rated power of the appliance. If not, contact a professional electrician without delay.
- Switch off the appliance at the main switch: a) if the appliance does not function correctly; b) before deaning the outside of the appliance, c) if the appliance is not to be used for any length of time
- The room must have an adequate source of replacement air for this appliance to function effectively. In the event that other non-sealed combustion based appliances (such as water heaters, gas stoves, etc.) are installed in the same room, check that air replacement is sufficient for all appliances to work effectively together.
- The extractor can expel air directly outdoors or through dedicated channels (max. 400 mm if the certified performance is to be guaranteed). The extractor loses effect if it is installed in a channel system with strong resistance.
- The appliance cannot be used to control water heater switches, heaters, etc.; neither must it expel air into the hot air ducts of such appliances.
- The air or fumes to be extracted from the room must be clean (i.e. free of grease, soot, chemical and corrosive agents, and explosive or flammable mixtures) and must not exceed a temperature of 50°C (122°F)
- Keep the appliance’s intake and outlet grilles free to ensure an optimum flow of air.
- Specifications for the power supply must correspond to the electrical data on ID plate A (Fig.1) The appliance must be installed by a professionally qualified electrician
- A multi-pole switch must be used to install the appliance. The contact opening gap must be no less than 3 mm.
The main parts of the appliance
The fan unit is enclosed in a plastic cylinder incorporated in the motor carrier, which can be entirely accommodated in the destination pipe.
- Motor carrier and front panel, made of ABS thermoplastic, impact resistant and anti-UV resin;
- Mixed flow rotor made of PP, designed for high performance, low power consumption and low noise emissions;
- Motor with shielded poles, equipped with ball bearings and fitted with a thermal fuse
- PCB (TH models).
Installation












N.B. Whatever the orientation of the appliance, the non-return valve must always be in a vertical position (Fig. 8, 9).
N.B. If the non-return valve should come out of place and/or split into its halves, it will be possible to reposition it as shown in Fig. 9a, 9b.
Timer settings (TH models)
There is a trimmer on the PCB which can be used to adjust the duration of the switch-off delay time (how long the fan runs after being switched off with an external switch or built-in humidity sensor). Can be adjusted from 3 to 20 minutes. Factory set to 3 minutes (Fig. 14).
Use
STD models
This appliance is operated by switching it on using the power switch.
TH models
The appliance features a relative humidity sensor which is factory set at 60%. When the relative humidity exceeds that level, the appliance automatically starts up. This threshold setting can be modified by the installer to 4 levels: 60%, 70%, 80% and 90% (fig. 14) The circuit is also equipped with a switch-off delay timer that can be adjusted to settings between approx. 3 and 20 minutes by means of the trimmer (see fig. 14). The unit switches on automatically a few seconds after a external switch is switched on and continues to run for the timer period after it is switched off or it has been switched off with the integrated humidity sensor.
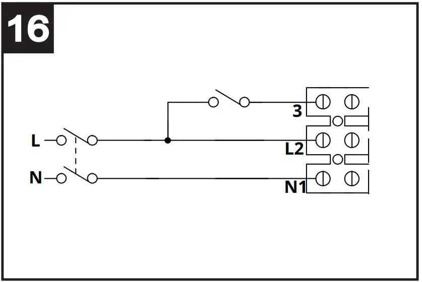
Electrical connections


Maintenance and cleaning



Disposal

This product complies with Directive 2012/19/EU on the management of waste electrical and electronic equipment (WEEE).
The crossed-out wheeled bin symbol on the appliance indicates that, at the end of its life, s the product should not be discarded together with household waste but must be taken to a separate collection point for electrical and electronic equipment. This will avoid negative effects on the environment and health, and will encourage correct treatment, disposal and recycling of the materials from which the product is made.
Contact the municipal authority for the location of this type of facility. Alternatively, the distributor is obliged to take back the appliance to be disposed of free of charge in exchange for the purchase of an equivalent appliance.
Our products are subject to continuous development and we therefore reserve the right to make changes.
We also make reservations about any printing errors.
Declaration of conformity is on the website, www.flexit.com
Flexit AS, Televeien 15, N-1870 @rje
www.flexit.no



















