V530-53-B20B Programmable Logic Controllers
User Guide
This guide provides basic information for Unitronics’ controller V530-53-B20B.
General Description
V530 OPLCs are programmable logic controllers that comprise a built-in operating panel containing a monochrome touchscreen, which displays a virtual keyboard when the application requires the operator to enter data.
Communications
- 2 serial ports: RS232 (COM 1), RS232/485 (COM 2)
- 1 CANbus port
- The user can order and install an additional port. Available port types are: RS232/RS485, and Ethernet
- Communication Function Blocks include: SMS, GPRS, MODBUS serial/IP Protocol FB enables PLC to communicate with almost any external device, via serial or Ethernet communications

I/O Options
V530 supports digital, high-speed, analog, weight, and temperature measurement I/Os via:
- Snap-in I/O Modules
Plug into the back of the controller to provide an on-board I/O configuration - I/O Expansion Modules
Local or remote I/Os may be added via expansion port or CANbus Installation instructions and other data may be found in the module’s technical specification sheet.
Information
Mode
- View & Edit operand values, COM port settings, RTC, and screen contrast/brightness settings
- Calibrate the touchscreen
- Stop, initialize and reset the PLC
To enter Information Mode, press the <i> button for several seconds.
Programming Software, & Utilities
The Unitronics Setup CD contains VisiLogic software and other utilities
- VisiLogic
Easily configure hardware and write both HMI and Ladder control applications; the Function Block library simplifies complex tasks such as PID. Write your application, and then download it to the controller via the programming cable included in the kit. - Utilities
Includes UniOPC server, Remote Access for remote programming and diagnostics, and DataXport for run-time data logging.
To learn how to use and program the controller, as well as use utilities such as Remote Access, refer to the VisiLogic Help system.
Data Tables Data tables enable you to set recipe parameters and create data logs.
Additional product documentation is in the Technical Library, located at www.unitronicsplc.com.
Technical support is available at the site and from [email protected].
Standard Kit Contents
Vision controller
3-pin power supply connector
5-pin CANbus connector
CANbus network termination resistor
Battery (not installed)
Mounting brackets (x4)
Rubber seal
Danger Symbols
When any of the following symbols appear, read the associated information carefully.
| Symbol | Meaning | Description |
| Danger | The identified danger causes physical and property damage. | |
![]() | Warning | The identified danger could cause physical and property damage. |
| Caution | Caution | Use caution. |
- Before using this product, the user must read and understand this document.
- All examples and diagrams are intended to aid understanding and do not guarantee operation.
Unitronics accepts no responsibility for the actual use of this product based on these examples. - Please dispose of this product according to local and national standards and regulations.
- Only qualified service personnel should open this device or carry out repairs.
Failure to comply with appropriate safety guidelines can cause severe injury or property damage.
▪ Do not attempt to use this device with parameters that exceed permissible levels.
▪ To avoid damaging the system, do not connect/disconnect the device when power is on.
Environmental Considerations
| ▪ Do not install in areas with excessive or conductive dust, corrosive or flammable gas, moisture or rain, excessive heat, regular impact shocks, or excessive vibration, in accordance with the standards given in the product’s technical specification sheet. | |
![]() | ▪ Ventilation: 10mm space required between controller’s top/bottom edges & enclosure walls. ▪ Do not place in water or let water leak onto the unit. ▪ Do not allow debris to fall inside the unit during installation. ▪ Install at maximum distance from high-voltage cables and power equipment. |
UL Compliance
The following section is relevant to Unitronics’ products that are listed with the UL.
The following models: V530-53-B20B, V530-53-B20B-J are UL listed for Ordinary Location.
UL Ordinary Location
In order to meet the UL ordinary location standard, panel-mount this device on the flat surface of Type 1 or 4 X enclosures
UL Ratings, Programmable Controllers for Use in Hazardous Locations, Class I, Division 2, Groups A, B, C, and D
These Release Notes relate to all Unitronics products that bear the UL symbols used to mark products that have been approved for use in hazardous locations, Class I, Division 2, Groups A, B, C and D.
- Caution This equipment is suitable for use in Class I, Division 2, Groups A, B, C, and D, or Nonhazardous locations only.
Input and output wiring must be in accordance with Class I, Division 2 wiring methods and in accordance with the authority having jurisdiction.
WARNING—Explosion Hazard—substitution of components may impair suitability for Class I, Division 2.- WARNING – EXPLOSION HAZARD – Do not connect or disconnect equipment unless power has been switched off or the area is known to be non-hazardous.
- WARNING – Exposure to some chemicals may degrade the sealing properties of the material used in Relays.
- This equipment must be installed using wiring methods as required for Class I, Division 2 as per the NEC and/or CEC.
Panel-Mounting
For programmable controllers that can be mounted also on panels, in order to meet the UL Haz Loc standard, panel-mount this device on the flat surface of Type 1 or Type 4X enclosures.
Communication and Removable Memory Storage
When products comprise either a USB communication port, SD card slot, or both, neither the SD card slot nor the USB port is intended to be permanently connected, while the USB port is intended for programming only.
Communication and Removable Memory Storage
When products comprise either a USB communication port, SD card slot, or both, neither the SD card slot nor the USB port is intended to be permanently connected, while the USB port is intended for programming only.
Removing / Replacing the battery
When a product has been installed with a battery, do not remove or replace the battery unless the power has been switched off, or the area is known to be non-hazardous.
Please note that it is recommended to back up all data retained in RAM, in order to avoid losing data when changing the battery while the power is switched off. Date and time information will also need to be reset after the procedure.
UL des zones ordinaires:
Pour respecter la norme UL des zones ordinaires, monter l’appareil sur une surface plane de type de protection 1 ou 4X
Inserting the Battery
In order to preserve data in case of a power-off, you must insert the battery.
The battery is supplied and taped to the battery cover on the rear of the controller.
- Remove the battery cover shown on page 4. The polarity (+) is marked on the battery holder and on the battery.
- Insert the battery, ensuring that the polarity symbol on the battery is:
– facing up
– aligned with the symbol on the holder - Replace the battery cover.
Mounting
Dimensions

Panel Mounting
Before you begin, note that the mounting panel cannot be more than 5 mm thick.

- Make a panel cut-out according to the dimensions in the figure to the right.
- Slide the controller into the cutout, ensuring that the rubber seal is in place.
- Push the 4 mounting brackets into their slots on the sides of the controller as shown in the figure to the right.

- Tighten the bracket screws against the panel. Hold the bracket securely against the unit while tightening the screw.
- When properly mounted, the controller is squarely situated in the panel cut-out as shown below.

Wiring
| ▪ Do not touch live wires. | |
![]() | ▪ Install an external circuit breaker. Guard against short-circuiting in external wiring. ▪ Use appropriate circuit protection devices. ▪ Unused pins should not be connected. Ignoring this directive may damage the device. ▪ Double-check all wiring before turning on the power supply. |
| Caution | ▪ To avoid damaging the wire, do not exceed a maximum torque of 0.5 N·m (5 kgf·cm). ▪ Do not use tin, solder, or any substance on the stripped wire that might cause the wire strand to break. ▪ Install at maximum distance from high-voltage cables and power equipment. |
Wiring Procedure
Use crimp terminals for wiring; use 26-12 AWG wire (0.13 mm²–3.31 mm²).
- Strip the wire to a length of 7±0.5mm (0.250–0.300 inches).
- Unscrew the terminal to its widest position before inserting a wire.
- Insert the wire completely into the terminal to ensure a proper connection.
- Tighten enough to keep the wire from pulling free.
▪ Input or output cables should not be run through the same multi-core cable or share the same wire.
▪ Allow for voltage drop and noise interference with input lines used over an extended distance. Use wire that is properly sized for the load.
Power Supply
The controller requires an external 12 or 24VDC power supply. The permissible input voltage range is 10.2-28.8VDC, with less than 10% ripple.
| ▪ A non-isolated power supply can be used if a 0V signal is connected to the chassis. | |
![]() | ▪ Install an external circuit breaker. Guard against short-circuiting in external wiring. ▪ Double-check all wiring before turning on the power supply. ▪ Do not connect either the ‘Neutral or ‘Line’ signal of the 110/220VAC to the device’s 0V pin. ▪ In the event of voltage fluctuations or non-conformity to voltage power supply specifications, connect the device to a regulated power supply. |

Earthing the Power Supply
To maximize system performance, avoid electromagnetic interference by:
- Mounting the controller on a metal panel.
- Earthing the controller’s power supply: connect one end of a 14 AWG wire to the chassis signal; connect the other end to the panel.
Note: If possible, the wire used to earth the power supply should not exceed 10 cm in length.
However, it is recommended to earth the controller in all cases.
Communication Ports
| ▪ Turn off power before changing communication settings or connections. | |
| Caution | ▪ Signals are related to the controller’s 0V; the same 0V is used by the power supply. ▪ Always use the appropriate port adapters. ▪ The serial ports are not isolated. If the controller is used with a non-isolated external device, avoid potential voltage that exceeds ± 10V. |
Serial Communications
This series comprises 2 RJ-11-type serial ports and a CANbus port.
COM 1 is RS232 only. COM 2 may be set to either RS232 or RS485 via jumper as described on page 9. By default, the port is set to RS232.
Use RS232 to download programs from a PC, and to communicate with serial devices and applications, such as SCADA.
Use RS485 to create a multi-drop network containing up to 32 devices.
Pinouts
The pinouts below show the signals sent from the controller to the PC.
To connect a PC to a port that is set to RS485, remove the RS485 connector, and connect the PC to the PLC via the programming cable. Note that this is possible only if flow control signals are not used (which is the standard case).
| RS232 | |
| Pin # | Description |
| 1* | DTR signal |
| 2 | 0V reference |
| 3 | TXD signal |
| 4 | RXD signal |
| 5 | 0V reference |
| 6* | DSR signal |
| RS485** | Controller Port | |
| Pin # | Description | ![]() |
| 1 | A signal (+) | |
| 2 | (RS232 signal) | |
| 3 | (RS232 signal) | |
| 4 | (RS232 signal) | |
| 5 | (RS232 signal) | |
| 6 | B signal (-) | |
*Standard programming cables do not provide connection points for pins 1 and 6.
** When a port is adapted to RS485, Pin 1 (DTR) is used for signal A, and Pin 6 (DSR) signal is used for signal B.3
RS232 to RS485: Changing Jumper Settings
The port is set to RS232 by factory default.
To change the settings, first remove the Snap-in I/O Module, if one is installed, and then set the jumpers according to the following table.
▪ Before you begin, touch a grounded object to discharge any electrostatic charge.
▪ Before removing a Snap-in I/O Module or opening the controller, you must turn off the power.
RS232/RS485 Jumper Settings
| Jumper | 1 | 2 | 3 | 4 |
| RS232* | A | A | A | A |
| RS485 | B | B | B | B |
| RS485 Termination | A | A | B | B |

Removing a Snap-in I/O Module
- Locate the four buttons on the sides of the controller, two on either side.
- Press the buttons and hold them down to open the locking mechanism.
- Gently rock the module from side to side, easing the module from the controller.

Re-installing a Snap-in I/O Module
- Line the circular guidelines on the controller up with the guidelines on the Snap-in I/O Module as shown below.
- Apply even pressure on all 4 corners until you hear a distinct ‘click’. The module is now installed.
Check that all sides and corners are correctly aligned.

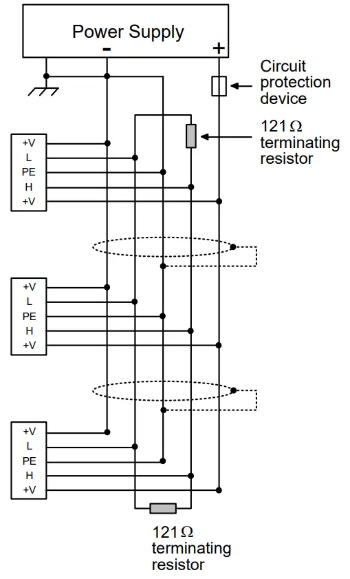
CANbus
These controllers comprise a CANbus port. Use this to create a decentralized control network using one of the following CAN protocols:
- CANopen: 127 controllers or external devices
- CAN layer 2
- Unitronics’ proprietary UniCAN: 60 controllers, (512 data bytes per scan)
The CANbus port is galvanically isolated.
CANbus Wiring
Use a twisted-pair cable. DeviceNet® thick shielded twisted pair cable is recommended.
Network terminators: These are supplied with the controller. Place terminators at each end of the CANbus network.
Resistance must be set to 1%, 121Ω, 1/4W.
Connect ground signal to the earth at only one point, near the power supply.
The network power supply need not be at the end of the network

CANbus Connector

Technical Specifications
Power Supply
| Input voltage | 12VDC or 24VDC |
| Permissible range | 10.2VDC to 28.8VDC with less than 10% ripple |
| Max. current consumption | |
| 12VDC | 470mA |
| 24VDC | 230mA |
| Typical power consumption | 5.1W |
Battery
| Back-up | 7 years typical at 25°C, battery backup for RTC and system data, including variable data |
| Replacement | Yes, without opening the controller. |
Graphic Display Screen
| LCD Type | Graphic, monochrome black and white, FSTN |
| Display resolution, pixels | 320×240 (QVGA) |
| Viewing area | 5.7″ |
| Touchscreen | Resistive, analog |
| Screen contrast | Via software (Store value to SI 7) Refer to VisiLogic Help topic Setting LCD Contrast. |
Program
| Application memory | 1000K | ||
| Operand type | Quantity | Symbol | Value |
| Memory Bits Memory Integers Long Integers Double Word Memory Floats Timers Counters | 4096 2048 256 64 24 192 24 | MB MI ML DW MF T C | Bit (coil) 16-bit 32-bit 32-bit unsigned 32-bit 32-bit 16-bit |
| Data Tables HMI displays Program scan time | 120K (dynamic)/ 192K (static) Up to 255 30μsec per 1K of typical application | ||
Communication


Notes:
COM 1 supports RS232 only.
COM 2 may be set to either RS232/RS485 according to jumper settings as shown in the product’s Installation Guide. Factory setting: RS232.
I/Os
| Via module | Number of I/Os and types vary according to module. Supports up to 171 digital, high-speed, and analog I/Os. |
| Snap-in I/O modules | Plugs into rear port; provides an on-board I/O configuration. |
| Expansion modules | Via adapter, use up to 8 I/O Expansion Modules comprising up to 128 additional I/Os. Number of I/Os and types vary according to module. |
Dimensions
| Size | 197X146.6X68.5mm ) X 7.75 ” “75.7 X2.7”) |
| Weight | 750g (26.5 oz) |
Mounting
| Panel-mounting | Via brackets |
Environment
| Inside cabinet | IP20 / NEMA1 (case) |
| Panel mounted | IP65 / NEMA4X (front panel) |
| Operational temperature | 0 to 50ºC (32 to 122ºF) |
| Storage temperature | -20 to 60ºC (-4 to 140ºF) |
| Relative Humidity (RH) | 5% to 95% (non-condensing) |
The information in this document reflects products at the date of printing. Unitronics reserves the right, subject to all applicable laws, at any time, at its sole discretion, and without notice, to discontinue or change the features, designs, materials and other specifications of its products, and to either permanently or temporarily withdraw any of the forgoing from the market.
All information in this document is provided “as is” without warranty of any kind, either expressed or implied, including but not limited to any implied warranties of merchantability, fitness for a particular purpose, or non-infringement. Unitronics assumes no responsibility for errors or omissions in the information presented in this document. In no event shall Unitronics be liable for any special, incidental, indirect or consequential damages of any kind, or any damages whatsoever arising out of or in connection with the use or performance of this information.
The tradenames, trademarks, logos and service marks presented in this document, including their design, are the property of Unitronics (1989) (R”G) Ltd. or other third parties and you are not permitted to use them without the prior written consent of Unitronics or such third party as ma y own them






















