GAGGENAU CX482611 30-Inch Vario Full-Surface Induction Cooktop

IMPORTANT SAFETY INSTRUCTIONS
READ AND SAVE THESE INSTRUCTIONS
Read all instructions carefully before use. These precautions will reduce the risk of electrical shock, fire and injury to persons. When using kitchen appliances, basic safety precautions must be followed including those in the following pages.
Safety definitions
Here you can find explanations of the safety signal words used in this manual.
WARNING
This indicates that death or serious injuries may occur as a result of non-observance of this warning.
CAUTION
This indicates that minor or moderate injuries may occur as a result of non-observance of this warning.
NOTICE:
This indicates that damage to the appliance or property may occur as a result of non-compliance with this advisory.
Note:
This alerts you to important information and/or tips.
General information
- Read this manual carefully.
- Keep the instructions, the appliance pass and the product information safe for future reference or for the next owner.
- Do not connect the appliance if it has been damaged in transit.
General safety instructions
IMPORTANT:
THE APPLIANCE MUST BE INSTALLEDBY A QUALIFIED INSTALLER.
- SAVE THESE INSTRUCTIONS FOR THELOCAL ELECTRICAL INSPECTOR’S USE.
- INSTALLER: LEAVE THESE INSTALLATION INSTRUC-TIONS WITH THE UNIT FOR THE OWNER.
- OWNER: PLEASE RETAIN THESE INSTRUCTIONSFOR FUTURE REFERENCE.
Examine the appliance after unpacking it. In the event of transport damage, do not plug it in.
WARNING
If the information in this manual is not followed exactly, fire or shock may result causing property damage or personal injury. Do not repair, replace or remove any part of the appliance unless specifically recommended in the manuals. Im-proper installation, service or maintenance can cause in-jury or property damage.
- Refer to this manual for guidance.
- All other servicing should be done by an authorized service provider.
When installing a cooktop over a single oven, be sure to follow the instructions in both the oven’s and the cooktop’s installation manuals. DO NOT install any refrigerators, dishwashers, ovens(without ventilation), or washing machines below the cook-top. Refer to the Approved Combination Matrix. Never modify or alter the construction of the appliance. The appliance should only be used if installed by a qualified technician in accordance with these installation instructions. The manufacturer is not responsible for any damage resulting from incorrect installation. To eliminate the risk of burns or fire by reaching overheated surface units, cabinet storage space located above the surface units should be avoided. - If cabinet storage is to be provided, the risk can be reduced by installing a hood that projects horizontally a minimum of 5″ (127 mm) beyond the bottom of the cabi-net.
- Verify that cabinets above the cooktop are a maximum of 13″ (330 mm) deep.
NOTICE:
We strongly recommend the installation of a ventilation system with this appliance.
WARNING
Remove all tape and packaging before using the appliance.
- Destroy the packaging after unpacking the appliance.
- Dispose of packaging in an environmentally responsible manner.
- Never allow children to play with packaging material.
Appliance handling safety
WARNING
Hidden surfaces may have sharp edges.
- Use caution when reaching behind or under appliance.
Safety codes and standards
This appliance complies with the latest version of one or more of the following standards:
- UL 858 – Household Electric Ranges
- CAN/CSA-E60335-2-6, The Standard for the Safety of
Household and similar electrical appliances.
It is the responsibility of the owner and the installer to determine if additional requirements and/or standards apply to specific installations.
Electrical safety
- Installer – show the owner the location of the circuit breaker or fuse. Mark it for easy reference.
- If required by the National Electrical Code (or Canadian Electrical Code), this appliance must be installed on a separate branch circuit.
- Local codes vary. The installer is responsible for ensuring that the installation, connections, and grounding comply with all applicable codes. The manufacturer is not responsible for any issues associated with the improper installation of this product.
- The circuit breaker should have a contact separation of at least 3 mm on all poles.
- Refer to the rating plate for more information.
→ “Rating plate location”, Page 11 - This appliance also incorporates an internal earth connection for functional purposes only.
WARNING
Before installing, turn power OFF at the service panel.
- Lock service panel to prevent power from being turned ON accidentally.
IMPROPER GROUNDING CAN RESULT IN A
RISK OF ELECTRIC SHOCK
- Consult a qualified electrician if the grounding instructions are not completely understood, or if doubt exists as to whether the appliance is properly grounded.
- DO NOT USE AN EXTENSION CORD.
GROUNDING INSTRUCTIONS - This appliance must be grounded.
- Grounding reduces the risk of electric shock by providing a safe pathway for electric current in the event of a short circuit.
- Be sure your appliance is properly installed and grounded by a qualified technician.
- Installation, electrical connections and grounding must comply with all applicable codes.
State of California Proposition 65
Warnings
This product may contain a chemical known to the State of California, which can cause cancer or reproductive harm. Therefore, the packaging of your product may bear the following label as required by California:
Before you begin
Before you begin Read these instructions before you begin to install your appliance.
Parts included
After unpacking all the parts, check for any damage in transit and for completeness of delivery
Tools and parts needed
Prepare these tools and accessories before you start to install your appliance.
- Pencil
- Measuring tape
- Cross head screwdriver
- Drill with bit 1/4″ (6 mm)
- Jigsaw
Note:
Additional materials may be necessary for installation in solid surface countertops. Contact the countertop manufacturer.
Cabinet requirements
Ensure that the cabinetry at the installation location meets the requirements for a safe installation.
The distance from the top of the cooktop to the bottom of cabinets above must be a minimum of A=30″ (762 mm).
- This distance can be reduced to A=24″ (610 mm) when the bottom of the wood or metal cabinet is protected by not less than ¼” (6.35 mm) flame-retardant millboard
covered with not less than no. 28 gauge sheet metal, 0.015″ (0.4 mm) stainless steel, 0.024″ (0.6 mm) aluminum or 0.020″ (0.5 mm) copper. - Verify that unprotected cabinets above the cooktop are a maximum of B=13″ (330 mm) deep.
Installation in combination with other products
Both products must be installed according to their specific product installation instructions.
Installing a cooktop over ovens and microwaves:
Only certain models may be installed over an oven or a microwave. Verify the Approved Combination Guide supplied with these instructions for approved installation combinations. Both products will have a label stating Approved Combination Guide.
Installing a range hood or a microwave hood above the cooktop:
Follow the range hood or microwave hood installation instructions for dimensional clearance above the cooktop surface.
Countertop requirements
Ensure that the countertop into which the cooktop is to be installed meets these requirements for a safe installation.
WARNING
To reduce the risk of ignition of surrounding combustible materials, install at least 2″ (51 mm) from both sidewalls and the rear wall.
- The countertop must be level and horizontal.
- The stability of the countertop must be maintained after the cut-out has been made.
- Solid surface countertops often require special installations. For example, heat-reflective tape and rounded corners may be necessary.
- Contact the countertop manufacturer for instructions specific to your countertop.
Prepare installation space
Prepare installation space Create the cutout in the countertop according to the instructions.
General countertop requirements:
- The angle of the cut surface to the countertop must be 90°.
- With multi-layered countertops, secure strips laterally in the cutout if necessary.
- After creating the cutout, remove all shavings.
- Seal the cut surfaces in a heat- and water-resistant manner.
- Observe the minimum distance between device underside and cabinet surfaces of ⅜” (10 mm).
- The countertop into which the cooktop is installed must be heat-resistant up to 140° F (90 °C).
- The countertop into which the cooktop is installed must be at least ¹³/₁₆” (20 mm) thick.
- If the thickness of the countertop into which the cooktop is installed does not comply with the specifications, reinforce the worktop using a fire- and water-resistant material until it reaches the minimum thickness. Otherwise, sufficient stability cannot be assured.
- The countertop into which the cooktop is installed should withstand loads of approx. 133 lbs (60 kg).
- Confirm the cooktop is level only after it has been installed.
Flush mounting
The cooktop can be mounted flush into the countertop.
Notes
- Any cutout work on the countertop must be performed in a workshop according to the installation diagram.
- The cutout edge is visible on the surface after installation. -Ensure that the cutout is made cleanly and precisely.
- Clean and degrease the cutout edges with a suitable cleaning agent; follow the silicone manufacturer’s processing instructions.
Countertop material guide for flush mounting
Refer to the following chart to see if flush mounting is possible. All countertop materials must be temperature- and water-resistant.
| Countertop material | Notes |
| Stone | Suitable for flush mounting |
| Plastic, such as Corian® | Suitable for flush mounting |
| Solid wood | Only in consultation with the manufacturer of the countertop. Seal cutout edges. |
| Tiled surfaces | Suitable for flush mounting If necessary, raise the support surfaces using heat and water resistant strips.
|
| Other | Only in consultation with the manufacturer of the countertop. |
| Particle board | Not suitable for flush mounting. |
Cutout dimensions for 30″ cooktops
Refer to these measurements for the models stated here.
- CX482611
- CX482612


Cutout dimensions for flush mounted 30″ cooktops
Refer to these measurements for the models stated here
- CX482611
- CX482612



Cutout dimensions for 36″ cooktops
Refer to these measurements for the models stated here.
- CX492611
- CX492612


Cutout dimensions for flush mounted 36″ cooktops
Refer to these measurements for the models stated here
- CX492611
- CX492612



Cabinet ventilation requirements
To assure that the appliance works correctly, the cooktop MUST be sufficiently ventilated. The ventilation in the lower section of the appliance requires a sufficient supply of fresh air. Ensure that the cabinet is designed in a way that supports sufficient ventilation. The following requirements must be fulfilled:
Notes
- A minimum clearance between the rear of the cabinet and the kitchen wall, and between the surface of the countertop and the upper area of the drawer.

- An opening at the top to the rear of the cabinet.

- If the minimum clearance of 13/16″ (20 mm) is not provided at the rear of the cabinet, you must create an opening on the underside.

- If the inside of the cabinet is no wider than 29 ½” (750 mm), make cutouts in the side panels.

- If the appliance is installed in an island unit or another installation that is not described here, you must ensure that the cooktop is sufficiently ventilated.
Combining several Vario appliances
- If you want to combine several Vario appliances, the connecting strip VA 420 000/001/010/011 is required. You can purchase it separately as a special accessory.
Consider additional space requirement for the connecting strip between the appliances when making the cutout. Refer to the Installation Instructions of VA 420 000/001/010/011.
The appliances can also be installed in individual cutouts. Ensure a minimum distance of 2″ (51 mm) between the appliances. - When combining appliances with appliance cover and appliances without appliance cover, you can use the appliance extensions VA 450 110/401/600/800/900 to
balance out dimension differences, if required.
Installation procedure
Installation procedure Follow these instructions to install the cooktop into the countertop.
CAUTION
Sharp edges.
- Use protective gloves when installing the appliance.
CAUTION
The appliance is heavy.
- It is recommended that two people install this appliance.
Installing the heat shield
For safety reasons, the heat shield must be properly installed when closed cabinets are used. This prevents components from overheating as a result of the recirculation of
hot air from the cooktop. The heat shield is the same width as the cooktop.
CAUTION
Sharp edges.
- Use protective gloves when installing the heat shield.
Requirement:
You have unpacked the cooktop.
- For shipping, the heat shield is screwed to the bottom of the cooktop. Unscrew the fastening screw on heat shield

- The heat shield will be able to rotate freely.

Securing the cooktop to the countertop
The cooktop must be secured from below using the hold down brackets provided, so it does not slip.
- Place the cooktop face down on a soft underground.
- Attach the hold-down brackets to the underside of the cooktop with the provided short screws . Do not tighten the screws.

- Rotate the hold-down brackets so that the appliance can be placed in the cutout.
- CAUTION Do not let the cooktop drop into place.
- Make sure that the cooktop is supported along the edges when carefully placing it into the cutout.
Turn the cooktop over and place it carefully into the countertop cutout.
- Make sure that the cooktop is supported along the edges when carefully placing it into the cutout.
- Insert the clamping screws into the hold-down bracket and secure the cooktop to the countertop . Protect delicate countertops by placing a wooden disk underneath.
- Tighten the hold-down bracket screws on the cooktop underside
Electrical connection
Electrical connection Read these instructions to safely connect your appliance to the electrical supply.
Electrical requirements
Ensure that the following general requirements are met.
- You can find the rating plate with the electrical specifications on the underside of the appliance.
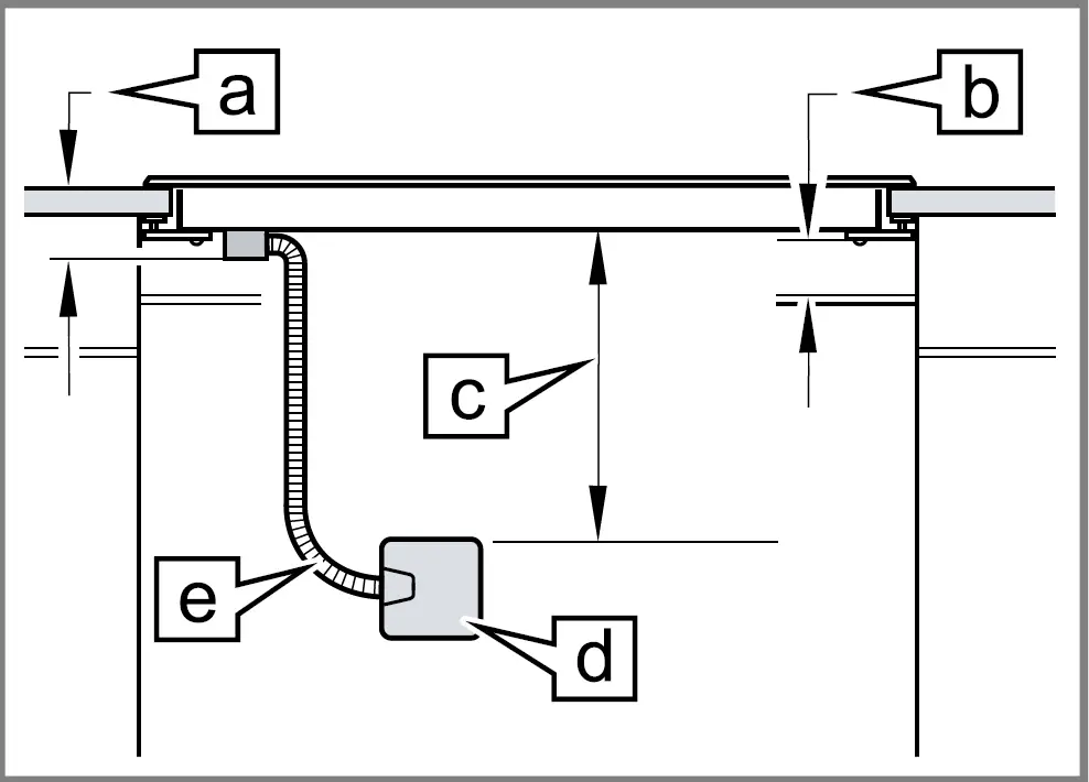
→ “Rating plate location”, Page 11 - The junction box must be located within 3 feet of the cooktop connection. It should be easily accessible for service purposes

| max. 3¼” (79 mm) + fitting/conduit 1″ (25 mm) |
| min. 1″ (25 mm) air clearance |
| approx. 12″ (300 mm) |
| junction box |
| flexible conduit approx. 3 ft. (900 mm) |
Power supply
All models must be connected with the included 39″ (1 m) flexible conduit
| Models | 240 V AC, 3-wire, 60 Hz system: circuit breaker | 208 V AC, 3-wire, 60 Hz system: circuit breaker |
| CX482611 | 30 A | 30 A |
| CX482612 | 30 A | 30 A |
| CX492611 | 30 A | 30 A |
| CX492612 | 30 A | 30 A |
Connecting electrical supply
WARNING
Before installing, turn power OFF at the service panel.
- Lock service panel to prevent power from being turned ON accidentally.
Note:
If the cooktop is installed and connected as specified here, it will be grounded in compliance with the National Electrical Code.
- Install a suitable junction box (not furnished).
The branch-circuit breakers ampacity, the wire sizes and the connections must conform to the requirements of the National Electrical Code or Canadian Electrical Code and all local codes and ordinances.
- Attach the flexible conduit to the junction
- Connect the lead wires to the junction box supply wires in proper

| 1 | Red wires |
| 2 | UL listed wire connectors |
| 3 | Green (or bare) ground wire (from appliance) |
| 4 | Cable from home power supply |
| 5 | Black wires |
| 6 | Junction box |
| 7 | Flexible conduit from appliance |
Black wires of cooktop to black house wire
- Red wires of cooktop to red house wire
- Green or bare to ground
Checking the installation
Checking the installation Check if your unit is working properly after you have completed the installation steps.
WARNING
Before you turn on power supply, make sure all controls are in the OFF position.
- Remove everything from the cooktop surface including stickers.
- Clean the cooktop surface with cooktop cleaning cream.
- Switch on the circuit breaker.
- Verify that all cooking zones function properly.
Removing the appliance
- Disconnect the appliance from the power supply.
- For flush-mounted appliances, remove the silicone joint.
- . NOTICE:
Do not lever the appliance out from above at the frame.
Customer Service
Customer Service If you have any questions on use, are unable to eliminate an issue in the appliance yourself, or the appliance needs to be repaired, please contact our Customer Service. With any warranty repair, we will make sure your appliance is repaired by an authorized service provider using genuine replacement parts. We use only genuine replacement parts for all repairs. Detailed information on the warranty period and terms of warranty can be found in the Statement of Limited Product
Warranty, from your retailer, or on our website. If you contact the Customer Service, you will need the model number (E-Nr.) and the production number (FD) of
your appliance.
USA:
1-877-442-4436
www.gaggenau.com
www.gaggenau.com/us/appliances/eshop
CA:
1-877-442-4436
www.gaggenau.com
www.gaggenau.ca
For assistance with connecting to Home Connect™, you
can also view instructions here:
www.home-connect.com/us/en/help-support/set-up
Model number (E-Nr.) and production number (FD)
You can find the model number (E-Nr.) and the production number (FD) on the appliance’s rating plate. The model number (E-Nr.) can also be found on the glass ceramic. You can also display the customer service index (KI) and the production number (FD) in the Basic settings. Making a note of your appliance’s details and the Customer
Service telephone number will enable you to find them again quickly.
Rating plate location
You can find the rating plate of your appliance:
- on the underside of the appliance
- in the appliance pass
- You can also check the Customer Service Index (CSI) and the FD number in the basic settings.


















The appliances can also be installed in individual cutouts. Ensure a minimum distance of 2″ (51 mm) between the appliances.
























