FreshJet 3000 Air conditioning roof unit
Explanation of symbols
DANGER!
Safety instruction: Indicates a hazardous situation that, if not avoided, will result in death or serious injury.
WARNING!
Safety instruction: Indicates a hazardous situation that, if not avoided, could result in death or serious injury.
CAUTION!
Safety instruction: Indicates a hazardous situation that, if not avoided, could result in minor or moderate injury.
NOTICE!
Indicates a situation that, if not avoided, can result in property damage.
NOTE
Supplementary information for operating the product.
Safety and installation instructions
Please observe the prescribed safety instructions and stipulations from the vehicle manufacturer and service workshops.
Handling the device
WARNING!
- • Installation and repair of the roof air conditioner may only be carried out by qualified personnel who are familiar with the risks involved and the relevant regulations. Inadequate repairs may cause serious hazards. For repair ser-vice, please contact the service centre in your country (addresses on the back page).
• Electrical devices are not toys.
Keep electrical devices out of reach of children or infirm persons. Do not allow them to use electrical devices without supervision.
• Persons whose physical, sensory or mental capabilities or whose lack of experience and knowledge prevent them from using the device safely should not use it without supervision or instruction by a responsible person.
• Do not undo the upper cover of the roof air conditioner in the event of a fire. Use approved extinguishing agents instead. Do not use water to extinguish fires.
CAUTION! - • The roof air conditioner must be installed securely so that it cannot fall down.
• Only operate the roof air conditioner if you are certain that the housing and the cables are not damaged.
• Do not use the roof air conditioner near flammable fluids or in closed rooms.
• Make sure no combustible objects are stored or installed near the air outlet. A distance of at least 50 cm must be kept.
• Do not reach into air outlets or insert any foreign objects in the device.
NOTICE! - • Only use the device as intended.
• The roof air conditioner is not suitable for use in agricultural or construction vehicles.
• Do not make any alterations or conversions to the device.
• Never drive through automatic car washes when the roof air conditioner is mounted.
• If faults occur in the refrigerant circuit, the system must be checked by a spe-cialist company and repaired properly. The refrigerant must never be released into the air.
NOTE - • Please ask your vehicle manufacturer if a technical inspection is required after fitting an air conditioner and whether the height entered in the vehicle docu-ments needs to be altered:
- FreshJet3000: increased height 240 mm
Handling electrical cables
WARNING!
- • The electrical power supply may only be connected by a qualified electrician.
• The appliance shall be installed in accordance with national wiring regula-tions. - CAUTION!
- Attach and lay the cables so that they cannot be tripped over or damaged.
- NOTICE!
- • Use cable ducts to lay cables through walls with sharp edges.
• Do not lay loose or bent cables next to electrically conductive materials (metal).
• Do not pull on the cables.
Target group for this instruction manual
The instructions in this manual are intended for qualified personnel at workshops who are familiar with the guidelines and safety precautions to be applied.
Scope of delivery
| No. in fig. 1, page 3 | Quantity | Description |
| 1 | 1 | Roof air conditioner |
| 2 | 1 | Roof plate |
| 3 | 1 | Air distribution box (ADB) |
| 4 | 1 | ADB centre cover |
| 5 | 5 | Duct sections |
| 6 | 3 | Cable connectors |
| 7 | 4 | Fastening bolts |
| 8 | 1 | Remote control |
Accessories
Available as accessories (not included in the scope of delivery):
Intended use
The FreshJet3000 air conditioners are designed for installation on the roof of a caravan or recreational vehicle to provide reverse cycle heating and cooling. The device is intended for vehicles with roofs that are from 20 to 100 mm thick. The device must be installed so that it is within ±10° of the horizontal plane. It is not suitable for houses and apartments.
The roof air conditioner is not suitable for installation in construction machines, agricultural machines, or similar equipment. It will not work properly if exposed to strong vibrations.
The function of the roof air conditioner is guaranteed for temperatures between –2 °C and 52 °C.
NOTE
You can find additional information on roof air conditioners in the operating manual, such as the technical description or the controls.
This product is only suitable for the intended purpose and application in accordance with these instructions.
This manual provides information that is necessary for the proper installation and/or operation of the product. Poor installation and/or improper operating or maintenance will result in unsatisfactory performance and a possible failure.
The manufacturer accepts no liability for any injury or damage to the product resulting from:
- Incorrect assembly or connection, including excess voltage
- Incorrect maintenance or use of spare parts other than original spare parts provided by the manufacturer
- Alterations to the product without express permission from the manufacturer
- Use for purposes other than those described in this manual
Dometic reserves the right to change product appearance and product specifications.
Labels
Labels are attached to the roof air conditioner:
- Product label (fig. 2 1, page 3), located on the side of the electronics box and can be seen through the side vent.

- ADB data label inside the ADB center cover (fig. 3 1, page 3)

These labels provide the user and fitter with information on specifications of the device.
Installation
CAUTION! Beware of injury
The roof air conditioner may only be installed by qualified personnel. The following information is intended for technicians who are familiar with the guidelines and safety precautions to be applied.
Note on installation
Read this installation manual completely before installing the roof air conditioner. The following tips and instructions must be observed while installing the roof air conditioner:
DANGER! Danger of electrocution
Disconnect all power supplies when working on the roof air conditioner.
CAUTION! Beware of injury
- Improper installation of the roof air conditioner can result in irreparable damage to the device and put the safety of the user at risk.
- The manufacturer assumes no liability for malfunctions and for the safety of the roof air conditioner, especially for injury and/or damage to property, if the roof air conditioner is not fitted in accordance with these installation instructions.
- Always wear the recommended protective clothing (e.g. protective goggles, gloves).
NOTICE! Beware of damage
- Observe the structural engineering of the vehicle and seal of all openings made when installing the roof air conditioner.
- Check whether the roof of the vehicle is able to support the weight of a person before climbing onto it. Ask the vehicle manufacturer about the permissible roof loads.
Note on transport
- Pay attention to the orientation of the up arrows on the carton. Do not install the unit if it has been upside down for any period of time (fig. 4A,page 4).

- Always have someone help you carry the roof air conditioner.
- Always lift the roof air conditioner to move it and never drag it over the roof (fig. 4B,page 4).
- Do not use the ventilation slots to lift it (fig. 4C,page 4).
Note on installation location
- Before installing the roof air conditioner, check whether any vehicle components could be damaged by the installation of the roof air conditioner (such as lamps, cupboards, doors).
- Before installation, find out (by consulting the manufacturer of the vehicle) whether the construction is designed for the static weight and the loads of the air conditioner when the vehicle is in motion. The manufacturer of the roof air conditioner assumes no liability whatsoever.
- The vehicle manufacturer may have already provided points where the opening for the installation of the roof air conditioner can be made without any risk of weakening the construction or cutting power cables.
- Select a flat and sufficiently level area at the centre of the vehicle roof between two longitudinal sections for installation.
- The roof inclination of the installation surface may not exceed 10°.
- Make sure no combustible objects are stored or installed near the air outlet. A distance of at least 50 cm should be kept.
- Make sure that there are no objects within the vehicle which could obstruct the attachment of the air outlet unit or the cooled air from flowing through the swivelling air distribution nozzles.
- For safety reasons, note the location of existing wiring harnesses, wires and other components within the installation area, in particular those which are not visible, when installing the roof air conditioner (when drilling or screwing etc.).
Note on electrical system
- Only a qualified electrician should connect the roof air conditioner to the electrical power.
- Check that the voltage specification on the type plate is the same as that of the power supply.
- Do not lay cables which are loose or bent next to electrically conductive material (metal).
- Install an all-pole switch with a contact opening width of at least 3 mm on the installation side.
- Ensure that the mains voltage supply has a residual current circuit breaker.
- Make sure that the grounding cable of the air conditioner is connected to the vehicle‘s grounding system.
There are two ways of installing the roof air conditioner: - Making a new opening (chapter “Making a new opening” on page 15). In this case the opening must be reinforced by an appropriate frame.
- Using an existing opening in the vehicle such as a roof hatch or replacing an old air conditioner (chapter “Installing in an existing opening” on page 16).
Making a new opening
See fig. 5, page 4
- Select an area at the centre on the roof between two longitudinal supports.
- Mark the position and size of the opening (preferably 400 x 400 mm or optionally 360 x 360 mm).
See fig. 6, page 4
- Drill out the corners (A).
- Carefully cut out the opening on the roof using a keyhole saw or a similar tool (B).
- Make sure no electrical power cables are damaged.
See fig. 7, page 5
- Before installation, check whether the roof hole needs reinforcing.
- If needed, remove the foam according to the width of your reinforcing rails (not in scope of delivery) (A).
- Fit the reinforcing rails (B).
- If needed, fit a suitable H-frame to provide reinforcement to the roof.
Installing in an existing opening
NOTE
- Existing roof hatch openings in accordance with fig. 8, page 5 are suit-able for installing the roof air conditioner.
- Dispose of all waste material, glue, silicone and seals separately. Observe the disposal guidelines.
- The manufacturer only assumes liability for parts included in the scope of delivery. The validity of the warranty expires if the device is installed together with third-party parts.
See fig. 8, page 5
- remove all screws and fixtures of the existing roof hatch or air conditioner.
- Take out the roof hatch or air conditioner.
See fig. 9, page 5
- Remove the sealant around the opening using a scraper or similar tool.
See fig. 10, page 5
NOTICE!
Observe the sealant manufacturer’s instructions.
Seal the screw holes and recesses with a flexible non-hardening butyl sealing compound (e.g. SikaLastomer-710, Selleys Butyl Mastic, Bostik ezycaulk butyl sealant, or similar products).
Laying the connecting cables
DANGER! Danger of electrocution
Make sure there is no voltage at electrically operated components before carrying out work on them!
The roof air conditioner must be connected to an electric circuit which is able to supply the required current (see Technical data in Operating Manual).
- Select the cross-section of the cable corresponding to the length:
- Length < 7.5 m: 1.5 mm²
- Length > 7.5 m: 2.5 mm²
- See fig. a, page 5

- Make an opening on one side in order to feed through the electrical power supply cable.
- Feed the 240 Vw cable through the opening into the vehicle interior.
Installing the roof air conditioner ADB
NOTICE! Risk of damage
Observe the structural strength of the roof of the vehicle. The roof of the vehicle must be able to bear the weight of the roof air conditioner. The roof must not be indented or deformed by the weight of the unit, even over a longer period of time.
See fig. b, page 6
- Orientate roof frame based on opening size.
- Fit the roof frame into the roof opening
- Seal around the roof frame with flexible non-hardening butyl sealing com-pound (e.g. SikaLastomer-710, Selleys Butyl Mastic, Bostik ezycaulk butyl sealant, or similar products).
See fig. c, page 6
- Lift the roof air conditioner onto the roof of the vehicle.
- Position the roof air conditioner onto the roof plate and align into the groove in the base pan.
Observe the direction of travel.
Attaching the roof air conditioner
See fig. d, page 6
Use the corners of the front of the base pan to help align the unit with the roof plate.
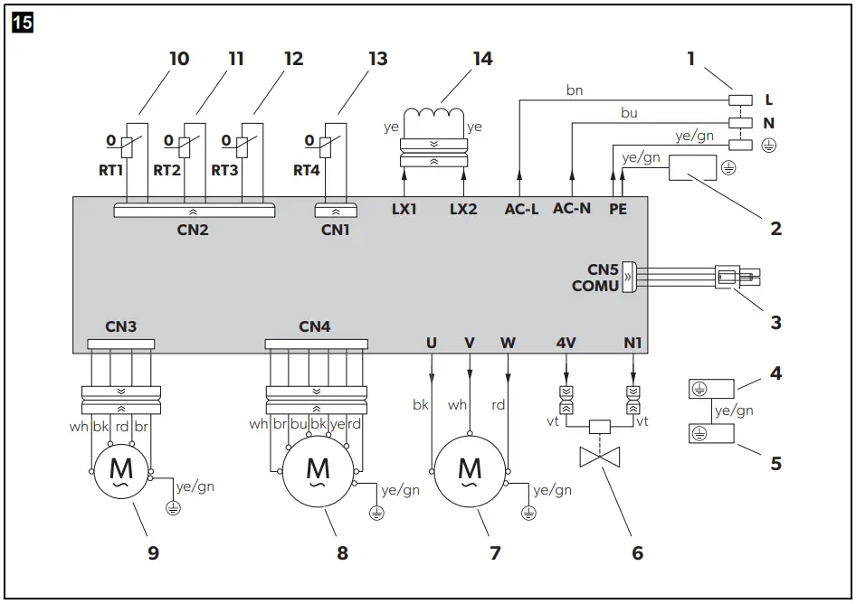
Electrical connection


See fig. f, page 7
Mains cable
Connect the roof air conditioner with the mains voltage supply. Connect the cables (1) to a cable connector (2).
Communication cable
- Pull out the filter slightly to create a gap for the communication cable (3).
- Feed the communication cable through the gap and locate the wire in the opening.
See fig. 17, page 8
- Stack the duct sections and place against the roof thickness: the duct height should match the roof height. Or use the below table as a guide:
NOTE
Additional duct sections can be purchased for thicker roofs. - Attach the required number of duct sections on the ADB.
- Fasten the ADB to the ceiling through to the roof air conditioner with the 4 bolts supplied.
See fig. 18, page 8
NOTICE! Risk of damage
Tighten to the specified torque. Do not overtighten!
Tighten the screws using a torque spanner and a fastening torque of 2.5 Nm ±0.3 Nm.]
Communication cable
- Connect the communication 4 pin plug into the socket on the side of the display (2) in the ADB.
- Ensure the cable is located into the small opening away from the filter area.
- Secure excess cable into the holders.
- Push the filter back fully in.
See fig. 19, page 8
- Clip the centre cover to the ADB.
The installation is now completed. Connect to the power and test.
Technical data
Contains fluorinated greenhouse gases. Hermetically sealed equipment.
| FreshJet3000 | |
| Compressor cooling capacity: | 3600 W |
| Cooling capacity based on ISO 5151: | 2516 W |
| Heating capacity based on ISO 5151: | 3107 W |
| Rated input voltage: | 220 Vw to 240 Vw/ 50 – 60 Hz |
| Rated current cooling: | 7.5 A |
| Rated current heating | 6.1 A |
| Required fuse: | 10 A |
| Operating temperature range: | –2 °C to +52 °C |
| Refrigerant: | R-410A |
| Refrigerant quantity: | 0.650 kg |
| CO2 equivalent: | 1.357 t |
| Global warming potential (GWP): | 2088 |
| Protection class (outdoor unit): | IPX4 |
| Suggested max. vehicle length (with insulated walls): | <6 m |
| Dimensions L x W x H (height above vehicle roof): | 997 x 665 x 240 mm |
| Weight: | 37 kg |
| Inspection/certification: |
|
Explanation of symbols









Mains cable





















