TK 42 BE
User Manual
Children aged from 3 to 8 years are allowed to load and unload refrigerating appliances.
This appliance can be used by children aged 8 years and above and by persons with reduced physical, sensory or mental capabilities or lack of experience and knowledge if they have been given supervision or instruction concerning the use of the appliance in a safe way and understand the hazards involved.
Children shall not play with the appliance.
Cleaning and user maintenance shall not be made by children without supervision.
To avoid contamination and depravity of food, please respect the following instructions:
- Opening the door for long periods can cause a significant increase of the temperature in of the appliance.
- Cleaning regularly surfaces that can come in contact with food and is accessible for drainage systems.
- Clean water tanks if they have not been used for 48 h. or more; Flush the water system connected to a water supply if water has not been drawn for 5 days or more.
- If the refrigerating appliance is left empty for long periods, switch off, defrost, clean, dry, and leave the door open to prevent mold from developing within the appliance.
- This refrigerating appliance is not intended to be used as a built-in appliance.
Note: When operating in an environment other than the specified climate type (i.e., beyond the rated ambient temperature range), the appliance may not be able to maintain the desirable compartment temperatures.
Cylinder Refrigerator is our special design for the drink manufacturers and distributors. The product is a new unique design with strong advertisement image promotion.
Imported compressors with CFC-free refrigerant are used. Fullyfoamed cabinet and cover door with ABS for beautiful look and efficient coolkeeping.
The features of the products are high efficiency, fast cooling, low noise, and very convenience. It can be widely used for the refrigeration of drinks and low freezing of food by stores, families, and special users. And it is a very good brand image promotion for food and drink brands. It is a very unique commercial refrigeration product.
Commercial refrigeration display cooler.
OPERATION PROCESS: 
- Temperature Control Indicator “0”-”7” shows the operation from weak cooling to strong cooling.
- If the Thermostat Knob is turned from left to right, while the Temperature Control Indicator is changed from ”O” to ”7”, the temperature inside the cabinet will go down. In normal conditions, the temperature inside the refrigerating cabinet will be 0°C – 10°C, but maybe under 0°C after running a long time.
- In normal conditions, please keep the Temperature Control Indicator at the position on “4” or ”5”.
- If the Thermostat Knob is turned at position ”7”, (Turn maximumly from left to right), the freezer will be in a fast freezing condition, and the compressor will keep continuously running.
- The Thermostat Knob can not be turned from “7” to ”o”. Otherwise, the thermostat will be damaged.
- Please turn the power on and check whether the unit is running. About 30 minutes later, the temperature inside the cabinet will go down apparently. After confirming the freezer has been completely cooled down (It takes 2-3 hours to get the first time to freezing temperature), please put it into the food.
- It is not allowed to put into too much food at the same time.
- Please let the hot food cool down to normal temperature before putting it into the freezer. It may affect the freshness keeping and increase energy consumption.
- Please keep a certain space between food and food. Otherwise, it will affect the cooling circulation.
- Do not put ice cream into the cabinet, otherwise, the ice cream may be turned soft or melt.
- Do not keep the door open for a long time in operation conditions.
- When the power is cut, please do not open the door frequently to avoid cold storage. If the power is off for a long time, dry ice or a cold-storage block can be put inside.
- Please call the maintenance engineer when the power cord is damaged. Special tools are required.
- Do not touch the compressor by hand to avoid damage of burning.
- While the unit is not used for a long time, please: Take out all the food and unplug the power cord; Open the door, clean the inside cabinet and wipe off the water.
- Keep ventilation openings, in the appliance enclosure or in the built-in structure, clear of obstruction.
- This appliance is not intended for use by persons (including children) with reduced physical, sensory or mental capabilities, or lack of experience and knowledge unless they have been given supervision or instruction concerning use of the appliance by a person responsible for their safety.
- Children should be supervised to ensure that they do not play with the appliance.
- Do not use mechanical devices or other means to accelerate the defrosting process, other than those recommended by the manufacturer.
- Do not damage the refrigerant circuit.
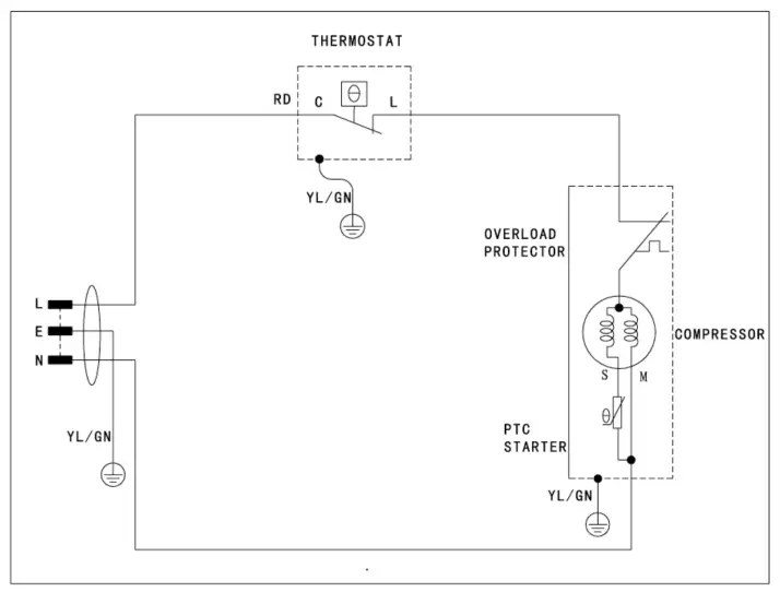
ELECTRICAL DIAGRAM (Static)
UK
Access to professional repair, such as internet webpages, addresses, contact details.
Model no: TK 42 BE
Aftersales service station list:
| Address | Scandomestic A/S |
| Contact Number | 72425571 |
| Website | Scandomestic.dk |
| QR code | 404263 |
| Relevant information for ordering spare parts, directly or through other channels provided by the manufacturer, importer or authorized representative; | Scandomestic A/S |
| The minimum period during which spare parts, necessary for the repair of the appliance, are available; | 8 years |
| Instruction on how to find the model information in the product database, as defined in Regulation (EU) 2019/2024 by means of a weblink that links to the model information as stored in the product database or a link to the product database and information on how to find the model identifier on the product.) | www.scandomestic.dk |
Note: The address or contact phone number of the service site is subject to change without prior notice. Please confirm whether the service station is a directly affiliated one of our company when requiring services.
UK
Access to professional repairs, such as internet webpages, addresses, and contact details.
Model no: TK 66 BE
Aftersales service station list:
| Address | Scandomestic A/S |
| Contact Number | 72425571 |
| Website | Scandomestic.dk |
| QR code | 404265 |
| Relevant information for ordering spare parts, directly or through other channels provided by the manufacturer, importer or authorized representative; | Scandomestic A/S |
| The minimum period during which spare parts, necessary for the repair of the appliance, are available; | 8 years |
| Instruction on how to find the model information in the product database, as defined in Regulation (EU) 2019/2024 by means of a weblink that links to the model information as stored in the product database or a link to the product database and information on how to find the model identifier on the product.) | www.scandomestic.dk |
Note: The address or contact phone number of the service site is subject to change without prior notice. Please confirm whether the service station is a directly affiliated one of our company when requiring services.
UK
Access to professional repair, such as internet webpages, addresses, and contact details.
Model no: TK 86 BE
Aftersales service station list:
| Address | Scandomestic A/S |
| Contact Number | 72425571 |
| Website | Scandomestic.dk |
| QR code | 423151 |
| Relevant information for ordering spare parts, directly or through other channels provided by the manufacturer, importer or authorized representative; | Scandomestic A/S |
| The minimum period during which spare parts, necessary for the repair of the appliance, are available; | 8 years |
| Instruction on how to find the model information in the product database, as defined in Regulation (EU) 2019/2024 by means of a weblink that links to the model information as stored in the product database or a link to the product database and information on how to find the model identifier on the product.) | www.scandomestic.dk |
Note: The address or contact phone number of the service site is subject to change without prior notice. Please confirm whether the service station is a directly affiliated one of our company when requiring services.



















