
Walk Behind Floor Scrubber
User Manual
Model Part No.:
1263271 – i-mop Lite w/ charger & battery
9022310 – i-mop Lite w/ charger & 2 batteries
i-mop Lite Walk Behind Floor Scrubber
WALK- BEHIND FLOOR SCRUBBER
Parts Manual
![]()
(S/N 200001-)
HOW TO ORDER PARTS – See diagram above
Only use TENNANT Company supplied or equivalent parts. Parts and supplies may be ordered online, by phone, by fax or by mail.
Follow the steps below to ensure prompt delivery.
- (A) Identify the machine model.
- (B) Identify the machine serial number from the data label.
- (C) Ensure the proper serial number is used from the parts list.
- Identify the part number and quantity. Do not order by page or reference numbers.
- Provide your name, company name, customer ID number, billing and shipping address, phone number and purchase order number.
- Provide detail shipping instructions.
(D)
– identifies an assembly
– identifies parts included in assembly
Please fill out at time of installation for future reference.
Model No. –
Serial No. –
Machine Options –
Sales Rep. –
Sales Rep. phone no. –
Customer ID Number –
Installation Date –
Tennant Company
10400 Clean Street
Eden Prairie, MN 55344- 2650 USA
Phone: (800) 553- 8033
www.tennantco.com
Specifications and parts are subject to change without notice.
Copyright E 2023 TENNANT Company, Printed in U.S.A.
RECOMMENDED SPARE PARTS LIST
GENERAL RECOMMENDED MAINTENANCE ITEMS
| Ref. | Part No. | Serial Number | Description | Qty. |
| 1263460 | (200001-) | Pad, Driver, 7 [Lite Qty 2] | 1 | |
| 1263463 | (200001-) | Brush, Lt Blue, Soft, 7 [Lite Qty 2] | 1 | |
| 1263462 | (200001-) | Brush, Blue, Med, 7 [Lite Qty 2] | 1 | |
| 1263461 | (200001-) | Brush, Red, Hard, 7 [Lite Qty 2] | 1 | |
| 1263455 | (200001-) | Pad, Bick, Aggressive, 7 [Lite Qty 2] | 1 | |
| 1263456 | (200001-) | Pad, Red, Regular, 7 [Lite Qty 2] | 1 | |
| 1263457 | (200001-) | Pad, White, Buffing, 7 [Lite Qty 2] | 1 | |
| 1263458 | (200001-) | Pad, Grin, Aggressive, 7 [Lite Qty 2] | 1 | |
| 1263459 | (200001-) | Pad, Blue, Heavy, 7 [Lite Qty 2] | 1 | |
| 1263475 | (200001-) | Pad, Balk, Aggressive, 7 [Lite Qty 10] | 1 | |
| 1263476 | (200001-) | Pad, Red, Regular, 7 [Lite Qty 10] | 1 | |
| 1263477 | (200001-) | Pad, White, Buffing, 7 [Lite Qty 10] | 1 | |
| 1263478 | (200001-) | Pad, Grin, Aggressive, 7 [Lite Qty 10] | 1 | |
| 1263479 | (200001-) | Pad, Blue, Heavy, 7 [Lite Qty 10] | 1 | |
| 1264738 | (200001-) | Blade, Sage, Assy [I- Mop Lite] | 1 | |
| 1264739 | (200001-) | Caster Assy, Squeegee [Set Of 3, Lite] | 3 | |
| 1264740 | (200001-) | Knob Kit, Retainer, Sage [Qty 6, Lite] | 1 | |
| 1263467 | (200001-) | Squeegee, Rear, Linate [Lite Qty 1] (Standard) | 1 | |
| 1263466 | (200001-) | Squeegee, Front, Linate [Lite Qty 1] (Standard) | 1 | |
| 1263464 | (200001-) | Squeegee, Front, Primo Aero [Lite Qty 1] (Option) | 1 | |
| 1263465 | (200001-) | Squeegee, Rear, Primo [Lite Qty 1] (Option) | 1 | |
| 1264747 | (200001-) | Magnet, Tank Retainer Assy [I- Mop Lite] | 2 | |
| 1264743 | (200001-) | Connector, Hose, Assy [I- Mop Lite] | 1 | |
| 1264744 | (200001-) | Filter Assy, Ball Float [I- Mop Lite] | 1 | |
| 1263473 | (200001-) | Controller Assembly, [Lite Qty 1] | 1 | |
| 1263474 | (200001-) | Pub, Controller, [I- Mop Lite] | 1 | |
| 1264748 | (200001-) | Hinge Bracket Assy [I- Mop Lite] | 1 | |
| 1264754 | (200001-) | Hose, Sage Assy [I- Mop Lite] | 1 | |
| 1264764 | (200001-) | Hose, Squeegee [I- Mop Lite] | 1 | |
| 1264745 | (200001-) | Housing Assy, Vac Motor [I- Mop Lite] | 1 | |
| 1264746 | (200001-) | Motor, Vacuum [I- Mop Lite] | 1 | |
| 1264752 | (200001-) | Circuit board/Solenoid Assy [I- Mop Lite] | 1 | |
| 1263472 | (200001-) | Pub, Floor Unit, [Lite Qty 1] | 1 | |
| 1264753 | (200001-) | Solenoid Assy [ I- Mop Lite] | 1 | |
| 1264750 | (200001-) | Magnet, Park Stop Assy [I- Mop Lite] | 1 | |
| 1263469 | (200001-) | Splash Guard Set, [Lite Qty 1] | 1 | |
| 1264755 | (200001-) | Caster, Transport Kit, Lb [I- Mop Lite] | 1 | |
| 1264737 | (200001-) | Caster, Transport Kit, Rh [I- Mop Lite] | 1 | |
| 1263272 | (200001-) | Battery, [I- Mop Lite] | 1 | |
| 1263273 | (200001-) | Charger, Batt [I- Mop Lite] | 1 | |
| 1263470 | (200001-) | Tank, Fresh Water, [Lite Qty 1] | 1 | |
| 1232663 | (200001-) | Cap Kit, Tank, Sol [Blue] (Standard) | 1 | |
| 1232665 | (200001-) | Cap Kit, Tank, Sol [Red] (Option) | 1 | |
| 1232666 | (200001-) | Cap Kit, Tank, Sol [Yellow] (Option) | 1 | |
| 1232667 | (200001-) | Cap Kit, Tank, Sol [Green] (Option) | 1 | |
| 1264763 | (200001-) | Filter Assy, Sol Tank [I- Mop Lite] | 1 | |
| 1263471 | (200001-) | Tank, Recovery, [Lite Qty 1] | 1 | |
| 1232661 | (200001-) | Cap Kit, Tank, Rec | 1 |
ASSEMBLY
INCLUDED IN ASSEMBLY
BRUSH / PAD DRIVER ASSEMBLY AND PADS

| Ref. | Part No. | Serial Number | Description | Qty. |
| 1263463 | (200001-) | Brush, Lt Blue, Soft, 7 [Lite Qty 2] | 1 | |
| 1263462 | (200001-) | Brush, Blue, Med, 7 [Lite Qty 2] | 1 | |
| 1263461 | (200001-) | Brush, Red, Hard, 7 [Lite Qty 2] | 1 | |
| N/A | (200001-) | Screw Win 5451 50×14 Eject Delta Pt | 3 | |
| N/A | (200001-) | Brush Locker Blue (Standard) | 2 | |
| 3 | N/A | (200001-) | Brush Locker Red (Option) | 2 |
| 3 | N/A | (200001-) | Brush Locker Yellow (Option) | 2 |
| 3 | N/A | (200001-) | Brush Locker Green (Option) | 2 |
| 1263460 | (200001-) | Pad, Driver, 7 [Lite Qty 2] | 1 | |
| N/A | (200001-) | Screw, M3x14 Stainless | 3 | |
| N/A | (200001-) | Brush Locker, Blue P312C | 1 | |
| N/A | (200001-) | Pad Driver, Brush Blue 0.3PP Bristle | 1 | |
| N/A | (200001-) | Disk, Pin Brush Flat | 1 | |
| N/A | (200001-) | Nut, Nylon M3 Stainless | 3 | |
| 10 | 1263455 | (200001-) | Pad, Bick, Aggressive, 7 [Lite Qty 2] | 1 |
| 10 | 1263456 | (200001-) | Pad, Red, Regular, 7 [Lite Qty 2] | 1 |
| 10 | 1263457 | (200001-) | Pad, White, Buffing, 7 [Lite Qty 2] | 1 |
| 10 | 1263458 | (200001-) | Pad, Grin, Aggressive, 7 [Lite Qty 2] | 1 |
| 10 | 1263459 | (200001-) | Pad, Blue, Heavy, 7 [Lite Qty 2] | 1 |
| 10 | 1263475 | (200001-) | Pad, Balk, Aggressive, 7 [Lite Qty 10] | 1 |
| 10 | 1263476 | (200001-) | Pad, Red, Regular, 7 [Lite Qty 10] | 1 |
| 10 | 1263477 | (200001-) | Pad, White, Buffing, 7 [Lite Qty 10] | 1 |
| 10 | 1263478 | (200001-) | Pad, Grin, Aggressive, 7 [Lite Qty 10] | 1 |
| 10 | 1263479 | (200001-) | Pad, Blue, Heavy, 7 [Lite Qty 10] | 1 |
ASSEMBLY
INCLUDED IN ASSEMBLY
N/A = NOT AVAILABLE SEPARATELY – MUST ORDER ASSEMBLY (
)
HANDLE ASSEMBLY

| Ref. | Part No. | Serial Number | Description | Qty. | |
| 1 | N/A | (200001-) | Tube, Inlet | 1 | |
| 2 | N/A | (200001-) | Rivet Closed 4×10 | 2 | |
| 3 | N/A | (200001-) | Hose Connector Fixation | 1 | |
| 4 | N/A | (200001-) | Washer, Eva 15x15x1.5MM | 1 | |
| 5 | N/A | (200001-) | Magnet Block Neodymium 15x15x8 | 1 | |
| 6 | 1264747 | (200001-) | Magnet, Tank Retainer Assy [I- Mop Lite] | 2 | |
| 7 | N/A | (200001-) | Tank Holder Fixation Yellow | 1 | |
| 8 | N/A | (200001-) | Rivet Closed 4×10 | 2 | |
| 9 | N/A | (200001-) | Magnet Block Neodymium 40x20x10 | 1 | |
| 10 | N/A | (200001-) | Washer, Eva 40x20x1.5MM | 1 | |
| 11 | N/A | (200001-) | Tank Holder Cover Yellow | 1 | |
| 12 | 1264743 | (200001-) | Connector, Hose, Assy [I- Mop Lite] | 1 | |
| 13 | N/A | (200001-) | Holder Top Hose Connector Yellow | 1 | |
| 14 | N/A | (200001-) | Holder Plate Hose Connector | 1 | |
| 15 | N/A | (200001-) | Holder Seal Hose Connector | 1 | |
| 16 | N/A | (200001-) | Holder Bottom Hose Connector Yellow | 1 | |
| 17 | N/A | (200001-) | Screw Eject PT WN 5451 30×10 | 6 | |
| 18 | N/A | (200001-) | Float Holder Rubber | 1 | |
| 19 | N/A | (200001-) | Screw ST 3×20 | 2 | |
| 20 | 1264744 | (200001-) | Filter Assy, Ball Float [I- Mop Lite] | 1 | |
| 21 | N/A | (200001-) | Top Unit Float Housing Yellow | 1 | |
| 22 | N/A | (200001-) | Ball Hallow White | 1 | |
| 23 | N/A | (200001-) | Float Housing Bottom Yellow | 1 | |
| 24 | 1265379 | (200001-) | Controller, Trigger [I- Mop Lite] | 1 | |
| 25 | N/A | (200001-) | Tube Rubber | 1 | |
| 26 | 1263473 | (200001-) | Controller Assembly, [Lite Qty 1] | 1 | |
| 27 | N/A | (200001-) | Screw Eject PT WN 5451 30×10 | 2 | |
| 28 | N/A | (200001-) | Key Pad Frame Control Unit White | 1 | |
| 29 | N/A | (200001-) | Key Pad Control Unit | 1 | |
| 30 | 1263474 | (200001-) | Pub, Controller, [I- Mop Lite] | 1 | |
| 31 | N/A | (200001-) | PCB Frame Control Unit | 1 | |
| 32 | N/A | (200001-) | Spring Compression 2.7×3.7×23.5 | 2 | |
| 33 | N/A | (200001-) | Power Switch Assy Control Unit | 1 | |
| 34 | N/A | (200001-) | Handle Frame Control Unit | 1 | |
| 35 | N/A | (200001-) | Rivet Closed 4×10 | 4 | |
| 36 | N/A | (200001-) | Adapter Seal Tube Main Grey | 1 | |
| 37 | N/A | (200001-) | Ring 6×3 | 1 | |
| 38 | N/A | (200001-) | Water Connector Male Pin | 1 | |
| 39 | N/A | (200001-) | Water Connector Rubber Male | 1 | |
| 40 | N/A | (200001-) | Adapter Tube Main Grey | 1 | |
| 41 | 1264748 | (200001-) | Hinge Bracket Assy [I- Mop Lite] | 1 | |
| 42 | N/A | (200001-) | Hinge Bracket Grey | 1 | |
| 43 | N/A | (200001-) | Screw Cap Head Round M5x12 | 4 | |
| 44 | N/A | (200001-) | Screw Cap Head M3x12 | 2 | |
| 45 | N/A | (200001-) | Bracket Cover Hinge Grey | 1 | |
| 46 | N/A | (200001-) | Screw Eject PT WN 5451 30×10 | 4 | |
| 47 | N/A | (200001-) | Vacuum Motor Electro Contact Lame | 2 |
ASSEMBLY
INCLUDED IN ASSEMBLY
N/A = NOT AVAILABLE SEPARATELY – MUST ORDER ASSEMBLY (
)

| Ref. | Part No. | Serial Number | Description | Qty. | |
| 1 | 1265380 | (200001-) | Grip, Handle, [Qty 2 I- Mop Lite] | 2 | |
| 2 | N/A | (200001-) | Cover Front Main Tube Tennant Teal | 1 | |
| 3 | N/A | (200001-) | Cover Rear Main Tube Teal | 1 | |
| 4 | N/A | (200001-) | Screw Eject PT WN 5451 30×10 | 2 | |
| 5 | N/A | (200001-) | Fixation Feet Grey | 4 | |
| 6 | N/A | (200001-) | Circlip External 8.0 | 1 | |
| 7 | N/A | (200001-) | Fixation Disk Main Hinge | 1 | |
| 8 | 1264754 | (200001-) | Hose, Sqge Assy [I- Mop Lite] | 1 | |
| (200001-) | Hose, Squeegee [I- Mop Lite] | 1 | |||
| (200001-) | Connector Squeegee Hose Floor Unit | 1 | |||
| 11 1265379 | (200001-) | Controller, Trigger [I- Mop Lite] | 1 | ||
ASSEMBLY
INCLUDED IN ASSEMBLY
N/A = NOT AVAILABLE SEPARATELY – MUST ORDER ASSEMBLY (
)
VACCUM MOTOR ASSEMBLY

| Ref. Part No. | Serial Number | Description | Qty. |
| (200001-) | Housing Assy, Vac Motor [I- Mop Lite] | 1 | |
| (200001-) | Screw Eject 5451 40×14 | 4 | |
| (200001-) | Motor Bracket Grey | 1 | |
| (200001-) | Motor Top Rubber | 1 | |
| (200001-) | Motor Electro Contact Block | 1 | |
| (200001-) | Motor Bottom Rubber | 1 | |
| (200001-) | Housing Bottom Vacuum Motor Grey | 1 | |
| (200001-) | Motor, Vacuum [I- Mop Lite] | 1 | |
| (200001-) | Vacuum Motor J24V 200W | 2 | |
| (200001-) | Carbon Brush | 2 | |
| (200001-) | Compression Spring 4.5×6.2×14 | 2 | |
| (200001-) | Motor Electro Contact Small | 2 |
ASSEMBLY
INCLUDED IN ASSEMBLY
N/A = NOT AVAILABLE SEPARATELY – MUST ORDER ASSEMBLY (
)
CLEAN WATER TANK ASSEMBLY

| Ref. | Part No. | Serial Number | Description | Qty. |
| 1263470 | (200001-) | Tank, Fresh Water, [Lite Qty 1] | 1 | |
| N/A | (200001-) | Tank Fresh Water Teal | 1 | |
| N/A | (200001-) | Rivet Closed 4×10 | 2 | |
| N/A | (200001-) | Tank Holder Plate | 1 | |
| 1232663 | (200001-) | Cap Kit, Tank, Sol [Blue] (Standard) | 1 | |
| 5 | 1232665 | (200001-) | Cap Kit, Tank, Sol [Red] (Option) | 1 |
| 5 | 1232666 | (200001-) | Cap Kit, Tank, Sol [Yellow] (Option) | 1 |
| 5 | 1232667 | (200001-) | Cap Kit, Tank, Sol [Green] (Option) | 1 |
| N/A | (200001-) | Sleeve Cap | 1 | |
| N/A | (200001-) | Cap Holder Strap | 1 | |
| N/A | (200001-) | Cap With Hole Teal | 1 | |
| 1264763 | (200001-) | Filter Assy, Sol Tank [I- Mop Lite] | 1 | |
| N/A | (200001-) | Water Connector Filter Female | 1 | |
| N/A | (200001-) | Compression Spring 7x9x28.5 | 1 | |
| N/A | (200001-) | Water Connector Female Valve | 1 | |
| N/A | (200001-) | O- Ring 7×2.5 | 1 | |
| N/A | (200001-) | Water Connector Female Rubber Gasket | 1 | |
| N/A | (200001-) | Water Connector Female | 1 |
ASSEMBLY
INCLUDED IN ASSEMBLY
N/A = NOT AVAILABLE SEPARATELY – MUST ORDER ASSEMBLY (
)
DIRTY WATER TANK ASSEMBLY

| Ref. Part No. | Serial Number | Description | Qty. |
| (200001-) | Tank, Recovery, [Lite Qty 1] | 1 | |
| (200001-) | Tank Teal Antibacterial | 1 | |
| (200001-) | Closed Rivet 4 X 10 | 2 | |
| (200001-) | Tank Holder Plate | 1 | |
| (200001-) | Cap Kit, Tank, Rec | 1 | |
| (200001-) | Blind Rivet Nail 4 x 15 MM | 1 | |
| (200001-) | Sleeve Cap Holder | 1 | |
| (200001-) | Cap Holder | 1 | |
| (200001-) | Warning Plate Dirty Tank Round Stainless Plate | 1 | |
| (200001-) | Cap Without Hole Grey | 1 | |
| (200001-) | Sealing Gasket Cap Dirty Tank | 1 | |
| (200001-) | Plastic Washer 9x4x1mm | 1 |
ASSEMBLY
INCLUDED IN ASSEMBLY
N/A = NOT AVAILABLE SEPARATELY – MUST ORDER ASSEMBLY ()
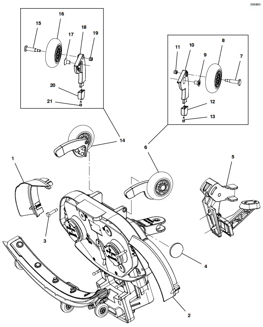
SCRUB HEAD ASSEMBLY

| Ref. | Part No. | Serial Number | Description | Qty. | |
| 1 | 1264741 | (200001- ) | Head, Scriber Assy [I- Mop Lite] | 1 | |
| 2 | N/A | (200001- ) | Round Head Cap Screw M5x16 | 6 | |
| 3 | N/A | (200001- ) | Drive Module Cover Grey | 1 | |
| 4 | N/A | (200001- ) | Drive Motor Rubber | 1 | |
| 5 | N/A | (200001- ) | Counter Sunk Bolt M4x25 | 4 | |
| 6 | N/A | (200001- ) | Drive Module Motor Assembly | 2 | |
| 7 | N/A | (200001- ) | Drive Belt | 1 | |
| 8 | N/A | (200001- ) | Self Locking Ring ZA 5 | 3 | |
| 9 | N/A | (200001- ) | Idler Pulley Complete Type C | 2 | |
| 10 | N/A | (200001- ) | Drive Pulley CW | 1 | |
| 11 | N/A | (200001- ) | Idler Pulley Assembly Type B | 1 | |
| 12 | N/A | (200001- ) | Drive Pulley CCW | 1 | |
| 13 | N/A | (200001- ) | Ball Bearing 6002 2Z | 2 | |
| 14 | N/A | (200001- ) | Bearing Support Ring | 2 | |
| 15 | N/A | (200001- ) | Water Distributor Assembly | 1 | |
| 16 | N/A | (200001- ) | Screw Jot PT Win 5451 30×10 | 4 | |
| 17 | N/A | (200001- ) | Chassis Complete Grey | 1 | |
| 18 | 1264760 | (200001- ) | Brush Coupling Assy, Lb [ I- Mop Lite] | 1 | |
| 19 | N/A | (200001- ) | Brush Coupling Assembly CW | 1 | |
| 20 | N/A | (200001- ) | Ball Bearing 6002 2Z | 1 | |
| 21 | 1264761 | (200001- ) | Brush Coupling Assy, Rh [I- Mop Lite] | 1 1 1 | |
| 22 | N/A | (200001- ) | Brush Coupling Assembly CCW | ||
| 23 | N/A | (200001- ) | Ball Bearing 6002 2Z |
ASSEMBLY
INCLUDED IN ASSEMBLY
N/A = NOT AVAILABLE SEPARATELY – MUST ORDER ASSEMBLY (
)
| Ref. | Part No. | Serial Number | Description | Qty. |
| 1263469 | (200001-) | Splash Guard Set, [Lite Qty 1] | 1 | |
| N/A | (200001-) | Splash Protection Right | 1 | |
| N/A | (200001-) | Splash Protection Left | 1 | |
| 3 | N/A | (200001-) | Drive Module Fixation Pin | 2 |
| 4 | N/A | (200001-) | Main Hinge Cover | 2 |
| 5 | 1264742 | (200001-) | Support, Stand Assy [I- Mop Lite] | 1 |
| 1264755 | (200001-) | Caster, Transport Kit, Lb [I- Mop Lite] | 1 | |
| N/A | (200001-) | Bolt Transport Wheel | 1 | |
| N/A | (200001-) | Transport Wheel White | 1 | |
| N/A | (200001-) | Screw | 1 | |
| N/A | (200001-) | Transport Wheel Pillar Left | 1 | |
| N/A | (200001-) | Nut | 1 | |
| N/A | (200001-) | Transport Pillar Cap Left | 1 | |
| N/A | (200001-) | Screw Round Head Cap M3x8 Sus304 | 1 | |
| 1264737 | (200001-) | Caster, Transport Kit, Rh [I- Mop Lite] | 1 | |
| N/A | (200001-) | Bolt Transport Wheel | 1 | |
| N/A | (200001-) | Transport Wheel White | 1 | |
| N/A | (200001-) | Screw | 1 | |
| N/A | (200001-) | Transport Wheel Pillar Right | 1 | |
| N/A | (200001-) | Nut | 1 | |
| N/A | (200001-) | Transport Pillar Cap Right | 1 | |
| N/A | (200001-) | Screw Round Head Cap M3x8 Sus304 | 1 |
ASSEMBLY
INCLUDED IN ASSEMBL1
N/A = NOT AVAILABLE SEPARATELY – MUST ORDER ASSEMBLY (
)
SUPPORT SYSTEM ASSEMBLY

| Ref. | Part No. | Serial Number | Description | Qty. | |
| 1 | 1264742 | (200001- ) | Support, Stand Assy [I- Mop Lite] | 1 | |
| 2 | N/A | (200001- ) | Support System Lever Assembly | 1 | |
| 3 | N/A | (200001- ) | Magnet Top Unit Small 20x20x10MM | 1 | |
| 4 | N/A | (200001- ) | Support System Cap Yellow | 1 | |
| 5 | N/A | (200001- ) | Screw Counter Sunk ST3x10 | 2 | |
| 6 | N/A | (200001- ) | Bracket Shaft Pin | 1 | |
| 7 | N/A | (200001- ) | Circlip External 4.0 GB/T | 1 | |
| 8 | N/A | (200001- ) | Support System Holder Grey | 1 | |
| 9 | N/A | (200001- ) | Holder Shaft Pin | 1 | |
| 10 | N/A | (200001- ) | Circlip External 6.0 GB/T | 1 | |
| 11 | N/A | (200001- ) | Support System Cover Painted Lt. Grey | 1 | |
| 12 | N/A | (200001- ) | Screw Counter Sunk Head Cap M6x20 w/Nylok | 2 | |
| 13 | N/A | (200001- ) | Support System Bracket Complete Grey | 1 | |
| 14 | N/A | (200001- ) | Lever Axis | 1 | |
| 15 | N/A | (200001- ) | Spring Support | 1 | |
| 16 | N/A | (200001- ) | Bolt Hex Socket M5x8 GB/T Stainless Steel | 1 1 1 1 | |
| 17 | N/A | (200001- ) | Spring Extension 2.20 X 48.0 | ||
| 18 | N/A | (200001- ) | Bracket Spring Axis | ||
| 19 | N/A | (200001- ) | Axis Spring Assembly |
ASSEMBLY
INCLUDED IN ASSEMBLY
N/A = NOT AVAILABLE SEPARATELY – MUST ORDER ASSEMBLY (
)
SQUEEGEE ASSEMBLY

| Ref. | Part No. | Serial Number | Description | Qty. | |
| 1 | 1264738 | (200001- ) | Blade, Sage, Assy [I- Mop Lite] | 1 | |
| 2 | N/A | (200001- ) | Squeegee Main Housing Grey | 1 | |
| 3 | N/A | (200001- ) | Squeegee Bracket Grey | 1 | |
| 4 | N/A | (200001- ) | Screw Round Head Cap M5x12 | 2 | |
| 5 | 1263466 | (200001- ) | Squeegee, Front, Linate [Lite Qty 1] (Standard) | 1 | |
| 5 | 1263464 | (200001- ) | Squeegee, Front, Primo Aero [Lite Qty 1] (Option) | 1 | |
| 6 | 1263467 | (200001- ) | Squeegee, Rear, Linatex [Lite Qty 1] (Standard) | 1 | |
| 6 | 1263465 | (200001- ) | Squeegee, Rear, Primo [Lite Qty 1] (Option) | 1 | |
| 7 | N/A | (200001- ) | Squeegee Rear Housing Grey | 1 | |
| 8 | N/A | (200001- ) | Caster Bracket Short | 2 | |
| 9 | N/A | (200001- ) | Caster Bracket Long | 1 | |
| 10 | 1264739 | (200001- ) | Caster Assy, Squeegee [Set Of 3, Lite] | 3 | |
| 11 | N/A | (200001- ) | Nut Nylon M5 Stainless | 1 | |
| 12 | N/A | (200001- ) | Washer M5 5.1x12x1 Stainless | 1 | |
| 13 | N/A | (200001- ) | Squeegee Caster Grey | 1 | |
| 14 | N/A | (200001- ) | Squeegee Caster Axis | 1 1 1 2 2 | |
| 15 | N/A | (200001- ) | Squeegee Front Housing Grey | ||
| 16 | 1264740 | (200001- ) | Knob Kit, Retainer, Sage [Qty 6, Lite] | ||
| 17 | N/A | (200001- ) | Bolt Squeegee Small | ||
| 18 | N/A | (200001- ) | Bolt Squeegee Medium | ||
| 19 | N/A | (200001- ) | Bolt Squeegee Large | 2 |
ASSEMBLY
INCLUDED IN ASSEMBLY
N/A = NOT AVAILABLE SEPARATELY – MUST ORDER ASSEMBLY (
)
FLOOR UNIT ASSEMBLY

| Ref. | Part No. | Serial Number | Description | Qty. | |
| 1 | N/A | (200001- ) | Main Hinge Assy | 1 | |
| 2 | N/A | (200001- ) | Bearing Brush Main Hinge | 2 | |
| 3 | N/A | (200001- ) | Floor Unit Main Cover Grey | 1 | |
| 4 | N/A | (200001- ) | Screw M6x14 | 2 | |
| 5 | N/A | (200001- ) | Floor Unit Bearing Brush | 2 | |
| 6 | N/A | (200001- ) | Floor Unit Bearing Disc | 2 | |
| 7 | N/A | (200001- ) | Protection Bumper | 1 | |
| 8 | 1264750 | (200001- ) | Magnet, Park Stop Assy [I- Mop Lite] | 1 | |
| 9 | N/A | (200001- ) | Fixation Pin | 4 | |
| 10 | N/A | (200001- ) | Spring Compression 7x9x45.5 | 2 | |
| 11 | N/A | (200001- ) | Screw Round Head Cap M5x12 | 5 | |
| 12 | N/A | (200001- ) | Screw Round Head Cap M5x25 | 3 | |
| 13 | 1264752 | (200001- ) | Circuit board/Solenoid Assy [I- Mop Lite] | 1 | |
| 14 | N/A | (200001- ) | Magnetic Ring (Valve Lead Wire V1) | 1 | |
| 15 | N/A | (200001- ) | Magnetic Ring (Signal Cable BK20231) | 2 | |
| 16 | N/A | (200001- ) | Magnetic Ring (Battery Lead Wire B5H) | 2 | |
| 17 | N/A | (200001- ) | Spring Floor Unit | 1 | |
| 18 | N/A | (200001- ) | Support Spring Floor Unit | 1 | |
| 19 | 1264749 | (200001- ) | Spring Contact Assy [I- Mop Lite] | 1 | |
| 20 | N/A | (200001- ) | Screw Eject Pt Win 5451 30×10 | 1 | |
| 21 | N/A | (200001- ) | Hose Main Water | 1 | |
| 22 | N/A | (200001- ) | Battery Pack Clip Black Main Unit | 1 | |
| 23 | N/A | (200001- ) | Plate Cable Holder | 2 | |
| 24 | N/A | (200001- ) | Screw Socket Head Cap Torx M5x8 | 4 | |
| 25 | N/A | (200001- ) | Box Cover Electronics White | 1 | |
| 26 | N/A | (200001- ) | Screw | 4 1 2 2 | |
| 27 | 1264751 | (200001- ) | Handle, Lift, Scrubbed [I- Mop Lite] | ||
| 28 | N/A | (200001- ) | Screw Socket Head Cap Torx M5x65 | ||
| 29 | N/A | (200001- ) | Fixation Pin Squeegee |
ASSEMBLY
INCLUDED IN ASSEMBLY
N/A = NOT AVAILABLE SEPARATELY – MUST ORDER ASSEMBLY (
)
FLOOR UNIT PCB AND SOLENOID ASSEMBLY

| Ref. | Part No. | Serial Number | Description | Qty. | |
| 1 2 3 4 5 | 1264752 1263472 N/A N/A N/A | (200001- ) (200001- ) (200001- ) (200001- ) (200001- ) | Circuit board/Solenoid Assy [I- Mop Lite] PCB, Floor Unit, [Lite Qty 1] Screw Socket Head Cap Torx M5x8 Connecting Drive Motor Line Red Connecting Drive Motor Line Black | 1 1 4 1 1 | |
| 6 7 8 9 10 | N/A N/A N/A 1264753 N/A | (200001- ) (200001- ) (200001- ) (200001- ) (200001- ) | Floor Unit Cable Assy Cable Cable Solenoid Black Complete Solenoid Assy [ I- Mop Lite] Magnetic Valve Parker | 1 1 1 1 1 | |
| 11 12 13 14 15 | N/A N/A N/A N/A N/A | (200001- ) (200001- ) (200001- ) (200001- ) (200001- ) | Water Coupling Grey Hose External Fitting, Elbow Screw Socket Head Cap Torx M5x8 Plate Fixation | 1 1 2 4 1 |
ASSEMBLY
INCLUDED IN ASSEMBLY
BATTERY AND CHARGER

| Ref. Part No. | Serial Number | Description | Qty. |
| 1 1263272 | (200001-) | Battery, [I- Mop Lite] | 1 |
| 2 1263273 | (200001-) | Charger, Batt [I- Mop Lite] | 1 |
ELECTRICAL DIAGRAM


North America
For the latest Parts manuals and other
language Operator manuals, visit:
www.tennantco.com/manuals
9022382
Rev. 00 (04-2023)
















