GARAGE HEATER
with Remote
model no. EH-4604BY
INSTRUCTION MANUAL

IMPORTANT: Please read this manual carefully before running this garage heater and save it for reference.
NOTE:
If any parts are missing or damaged, or if you have any questions, please call our toll-free helpline at 1-800-689-9928.
SAVE THESE INSTRUCTIONS
This manual contains important safety and operating instructions. Read all instructions and follow them with use of this product.
DESCRIPTION
Electric utility heaters are designed to meet a variety of heating requirements by switching a few wires located in the base of the unit. Features horizontal and vertical airflow, built-in thermostat, and overheating safety thermal cut-out.
TECHNICAL SPECIFICATIONS
| Model Number | EH-4604BY |
| Voltage | 240 V |
| Rated Power | 5,000 W / 7,500 W |
| AMPS | 20.9 / 31.3 |

| Watts | Relay J1 | Relay J2 | Relay J3 |
| OFF | |||
| FAN | |||
| LOW 5,000W | |||
| HIGH 7,500W |
WARNING:
This appliance must be grounded!
The appliance must be connected to a current protection circuit or device with 50 amp before being connected to power supply!
IMPORTANT INSTRUCTIONS
When using electrical appliances, basic precautions should always be followed to reduce the risk of fire, electric shock, and injury to persons, including the following:
- Read all instructions before installing or using this heater.
- This heater is hot when in use. To avoid burns, do not let bare skin touch hot surfaces.
Keep combustible materials, such as furniture, pillows, bedding, papers, clothes, and curtains at least 3′ (0.9 m) from the front of the heater and keep them away from the sides and rear. - Extreme caution is necessary when any heater is used by or near children or invalids, and whenever the heater is left operating and unattended.
- Always turn off the power when not in use.
- Do not operate any heater after it malfunctions, has been dropped, or damaged in any manner. Disconnect power at service panel and have heater inspected by a reputable electrician before reusing.
- Do not use outdoors.
- This heater is not intended for use in bathrooms, laundry areas, and similar indoor locations. Never locate a heater where it may fall into a bathtub or other water container.
- To disconnect the heater, turn controls to off, and turn off power to the heater circuit at the main electrical panel.
- Do not insert or allow any foreign objects to enter any ventilation or exhaust openings as this may cause an electric shock, fire, or damage to the heater.
- To prevent a possible fire, do not block air intake or exhaust in any manner. Do not use it on soft surfaces, like a bed, where openings may be blocked.
- This heater has hot and arcing or sparking parts inside. Do not use it in areas where gasoline, paint, or flammable liquids are used or stored.
- All wiring must be carried out by a certified electrician and comply with national and local electrical codes in the United States and Canada.
- Use this heater only as described in this manual. Any other use not recommended by the manufacturer may cause fire, electric shock, or personal injury.
- This heater may include a visual alarm to warn that parts of the heater are getting excessively hot. If the alarm illuminates, immediately turn the heater off and inspect for any objects on or adjacent to the heater that may have blocked the airflow or otherwise caused high temperatures. DO NOT OPERATE THE HEATER WITH THE ALARM ILLUMINATING.
PET OWNERS WARNING:
The health of some small pets, including birds, is extremely sensitive to the fumes produced during the initial use of many appliances. These fumes are not harmful to humans but we recommend that you do not use your heater around birds and small pets during its initial use until the manufacturing anti-corrosion coatings burn off.
GENERAL SAFETY INFORMATION
- Use only copper wires rated for at least 75ºC.
- Heater airflow must be directed parallel to or away from the adjacent wall.
- Observe wall, floor, and ceiling clearance requirements.
- All wiring must be done according to applicable national and local electrical codes in the United States and Canada. The heater must be grounded as a precaution against possible electric shock. The heater circuit must be protected with proper fuses.
- The mounting and anchoring hardware must be capable of reliably supporting the weight of the heater and its mounting bracket.
- All electrical power must be disconnected and the main service box must be locked before inspecting cleaning or servicing the heater. This precaution must be followed to prevent serious electric shock.
- This heater is not suitable for use in hazardous locations as defined by the National Fire Protection Association (NFPA) in the United States. This heater has hot and arcing sparking parts inside. Do not use it in areas where gasoline paint or flammable liquids are used or stored.
- This heater is not suitable for use in corrosive atmospheres such as marine greenhouses or chemical storage areas.
- This heater must be mounted at least 8′ (2.44 m) above the floor.
WARNING:
This heater requires to hardwire installation (no plug). The installation of this product must be carried out by a certified electrician in accordance with all applicable local and national electrical codes.
Read and understand all installation and operation instructions prior to operating this unit. Observe all safety instructions.
Improper installation or failure to follow the procedures outlined in this instruction manual can result in serious electric shock.
NOTE: Compatible with a 240 V line voltage single pole wall thermostat. This thermostat must be installed by a certified electrician.
LOCATING HEATER
Install heater out of traffic areas, maintaining clearances stated in Figure 1. The direction of airflow should not be restricted is by columns or machinery and the airflow should avoid exposed walls rather than blowing directly on them. When more than one heater is used in an area, the heaters should be arranged so that the air discharge of each heater supports the airflow of the others to provide the best circulation of warm air as indicated in Figure 2.
![]() |
![]() |
INSTALLATION INSTRUCTIONS
HARDWARE NEEDED
You will need the following hardware, which can be purchased from your local hardware store or electrical supply house:
- Adequate gauge and length of wire for your application.
- Proper size fuse or breaker to handle the amperage.
- Proper wire connectors for your application.
- Fasteners are appropriate for an application that are strong enough to hold the unit.
MOUNTING THE HEATER ON THE CEILING
- Locate a wood stud in the wood ceiling joist. If you cannot locate a wood stud, you have to install a wood piece on the ceiling as this heater must be securely fastened.
- Remove the mounting bracket from the heating unit by loosening bracket screws with a wrench and slipping the handle off over the screw heads.
- Place a washer on screws before inserting through the holes in the mounting bracket and screw them securely into a ceiling joist.

NOTE: If you want to swivel the heater either to the right or left, adding a washer to both sides of the bracket is recommended. A longer lag bolt may be required to properly secure the unit. See Figure 3a.
HANGING THE HEATER
- Lift the heater up and into the mounting bracket.
- Align the bracket screws with the keyhole slots in the mounting bracket.
- If the heater is to be tilted it must be positioned in the keyhole slots — see Figure 4.
- Tighten the bracket screws with a wrench so the unit is securely suspended at a horizontal or vertical level.

ADJUSTING AIRFLOW DIRECTION
- To turn the unit when it has been installed with a single lag bolt (as shown in Figure 3a), simply turn the entire heater as needed. The unit cannot be turned horizontally if it has been installed with 2 lag bolts.
- To tilt the unit vertically, loosen the bracket screws (see Figure 4).
- Adjust louvers to the desired position.
NOTE: To prevent possible overheating, please maintain adequate clearance as shown in Figure 5.

NOTE: The louvers are designed so they cannot be completely closed. Do not attempt to defeat this feature; damage to the unit can result.
MULTIPLE VERTICAL ANGLES
WARNING:
To prevent possible electric shock, disconnect power to the heater at the main service box before attempting to adjust the heat output of this unit.
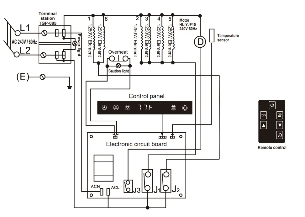
CONNECTING THE POWER

Figure 7: Wiring diagram
| Watts | Relay J1 | Relay J2 | Relay J3 |
| OFF | |||
| FAN | |||
| LOW 5,000W | |||
| HIGH 7,500W |
TO PROTECT THE HEATING ELEMENT
The heater includes a fan delay function to prevent the risk of overheating. When turning the heater off, the unit will close the heating element first and then the fan will continue working for 60 seconds to dissipate residual heat.
- Remove the screw from the front of the unit to connect the power to the heater.
- Attach the cable connectors to the unit (see Figure 8) and slide the 8-gauge wire through the cable connector.

NOTE: All wiring must be carried out by a certified electrician and must be in accordance with applicable national and local electrical codes. For certain applications, the conduit may be required. Check local electrical codes. If you run the wiring in conduit and wish to be able to turn the heater be sure to purchase enough flexible conduits to allow the heater to be turned. - Connect the wire to the power block located at the base of the heater. (Figure 9)

- Turn on the power at the main electrical panel.
OPERATING INSTRUCTIONS

| 1 | Timer |
| 2 | Up |
| 3 | Down |
| 4 | ºF / ºC |
| 5 | Heating (off/fan/low/high) |
| 6 | Power |
INSTRUCTIONS IN NORMAL MODE
| Power button | You can use the power button as the On/Off switch. |
| Heating button | Press the Heating button to select the desired mode following this sequence: Off, Fan only, Low mode (5,000 W), High mode (7,500 W). Press and hold the Heater button for 5 seconds to switch between ºC and ºF temperature display. |
| Up/Down buttons | Press the UP/DOWN buttons to select the desired temperature between 10 – 35ºC (50 – 95ºF). Each press of the button will increase or decrease the temperature by 1ºC (2ºF). |
| Timer selection | Use the “Timer” button to set the operating time of your heater, from 1 hour to 8 hours, in 1-hour increments. |
| Temperature display | When the heater is turned on, the ambient temperature is displayed on the LED screen. If the ambient temperature is over 35ºC (95ºF), the heater will stop automatically. |
REMOTE CONTROL
Remote control has the same functions as the control panel on the heater.
| 1 | Power (on/off) |
| 2 | ºC/ºF display |
| 3 | Up |
| 4 | Heating (off, fan, low, high) |
| 5 | Down |
| 6 | Timer |
Once the room temperature reaches the setpoint, the heater will automatically stop running. The LED will display the current room temperature for 5 seconds after each operation.
NOTE: This remote requires a 3V lithium battery (included).
THERMAL CUT-OUT
The heater will automatically turn off when parts of it overheat, and the red indicator will be illuminated. The heater will turn ON again and the red indicator will turn off when the unit cools down to normal levels. Should the unit overheat and cause the thermal cut-out to engage again, the cause of the overheating must be determined and corrective action taken before further operation.
CAUTION:
THE HEATER MUST BE TURNED OFF WHEN THE CAUTION INDICATOR GLOWS RED.
NOTE: When the thermal cut-out is activated, the caution indicator will turn red. If this happens,
immediately turn the heater OFF and inspect for any objects on or adjacent to the heater that may cause high temperatures.
CLEANING AND MAINTENANCE
- Before cleaning, make sure the power has been turned off at the main breaker panel and that the heating element of the heater is cool.
- To maintain the external appearance of the heater, it need only be wiped occasionally with a dry duster. During the summer months, or at other times when the appliance is not in use and is completely cold, wipe exterior surfaces with a damp cloth. Never allow water or other liquids to drip inside the heater.
- Do not use abrasive cleaning powders or furniture polish. Do not use chemical or abrasive products, metallic scourers, or similar items, which may deteriorate the surface, to clean the appliance.
- All other servicing should be performed by qualified service personnel. Do not try to repair the heater yourself.
WARRANTY
PLEASE DO NOT ATTEMPT TO OPEN OR REPAIR THE HEATER YOURSELF. DOING SO COULD VOID THE WARRANTY AND CAUSE DAMAGE OR PERSONAL INJURY.
This Mastercraft product carries a one (1) year LIMITED warranty against defects in workmanship and materials. This product is not guaranteed against wear or breakage due to misuse and/or abuse
Made in China
Imported by
Mastercraft Canada Toronto, Canada M4S 2B8
contact us 1-800-689-9928























