
Important Information and Safety Instructions
Register your Machine – Return your Warranty Registration Card
Serial No:
Safety, Operation, and Maintenance
Manual with Parts List
Please read before use!
![]()
6-Quart Backpack Vacuum
Dear Valued Client,
Congratulations on the purchase of your 6-Quart Backpack Vacuum! The world of carpet cleaning is becoming more high-tech and competitive and we strive to provide you with the most innovative products. Our backpack vacuum is yet another example of this, bringing a new dimension to carpet and upholstery cleaning with its cutting-edge features, quality, and value.
Please review this manual paying careful attention to the Safety Instructions section. Keep in mind that any unnecessary damage, neglect or abuse of this machine will void your warranty. You can be confident that simple maintenance will ensure that your Backpack Vacuum provides quality performance for many years to come.
If warranty questions arise, please consult your manual or contact your distributor. Should you have any questions regarding maintenance, replacing parts or ordering parts, please call an authorized distributor.
Before you begin using your backpack vacuum, thoroughly review the Owner’s Manual.
Again, congratulations on the purchase of your 6-Quart Backpack Vacuum!
Questions or Comments?
Phone: 920-882-8453
Toll-Free: 888-722-5508
Fax: 920-380-0878
Mailing Address:
5109 N National Dr, Knoxville, TN 37914
Visit our Web site at www.CleanFreak.com
New Equipment Warranty
Lifetime on a roto-molded polyethylene tank, 5-years on motor and all electrical parts, 1-year on tools.
Warranty Policy
All equipment is inspected and tested before shipping from the manufacturer. All parts are warranted to be new and free from defects in workmanship and material, under normal use to the original retail purchaser. This warranty limits manufacturer’s liability for defects in workmanship or materials for replacement of defective parts only. The manufacturer accepts no liability for incidental or consequential damages arising from the use of any equipment,
defective or not. This warranty is in lieu of all expressed or implied warranties and is extended only to the original retail purchaser. Manufacturer sales and service representatives are not authorized to waive or alter the terms of this warranty, or to increase the obligations of the manufacturer under the warranty. Parts replaced or repaired under warranty are warranted for the remainder of the original warranty period.
Freight charges and travel charges to and from the service provider shall be covered for ninety (90) days from the original purchase date. After this ninety (90) day period, freight charges shall be paid by the equipment owner, subject to manufacturer discretion. Certain circumstances may require additional consideration. No travel charges shall be covered after ninety (90) days.
Manufacturer covers up to 1-year (365 days) of service labor at the manufacturer’s calculated hourly labor rate/repair time when performed by a manufacturer’s authorized service provider. Ultimately, labor reimbursement costs are at the discretion of the manufacturer. After 1-year, the original retail purchaser is responsible for all labor costs with no manufacturer reimbursement. The manufacturer charges a 15% restocking fee for any items that are being returned to stock. Items must be new, unused, and free of damage. Only good for up to 1-year (365 days). After 1-year, the manufacturer does not accept the return of any item(s) for a reimbursed price. Authorized warranty replacement parts need to come directly from the manufacturer. Use of any other parts will void the warranty. The manufacturer does not reimburse for parts used by the customer that was not supplied directly for the machine under warranty.
Returned Material Authorization (RMA) Procedure
The original purchaser (distributor/service center) must contact the manufacturer to follow correct RMA/warranty procedures. Must include a copy of the RMA Sheet enclosed in the box with the returned item. No returns shall be authorized unless proper RMA procedures are followed. It is the responsibility of the distributor to repair the customer’s equipment as soon as possible. If the distributor does not have the facilities to repair the equipment, it may be shipped or taken to an authorized service center for repair.
The customer must contact the distributor prior to working on or changing out any parts, etc. Manufacturers must issue an RMA Sheet containing approved labor time and replacement parts. Do not send parts or equipment back to the manufacturer without an RMA number and approval. No labor will be paid for, nor part costs paid for or reimbursed that have not been previously approved by the manufacturer. All warranty work must be approved and authorized to qualify and appropriate warranty procedures must be followed.
8.0 5-Piece Standard Tool Kit
| Drawing No. | Item No. | Description | Quantity |
| 1 | 10-0031 | 5” Upholstery Tool | 1 |
| 2 | 10-0037 | 3” Round Dust Brush | 1 |
| 3 | 10-0032 | 14” Scalloped Floor Tool | 1 |
| 4 | 10-0033 | 17” Crevice Tool | 1 |
| 5 | 10-0029 | 2-Piece, 2-Bend Button Lock Wand | 1 |
* 90-Day Warranty on Tools
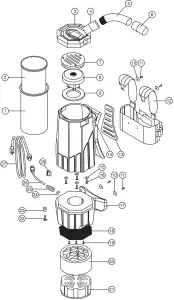
7.0 Machine Parts List
| Drawing No. | Item No. | Description | Quantity |
| 1 | 10-007-6 | 6-Quart Cloth Bag for 6-Quart Backpack | 1 |
| 2 | 10-0197 | 6-Quart Paper Bags (10 Pack) | 0.1 |
| 3 | BP-6-L-DKBLU | 6-Quart Backpack Lid – Dark Blue | 1 |
| 4 | 10-0155 | Hose Cuff Straight | 1 |
| 5 | 10-0024 | 1-1/2” Black Vacuum Hose | 1 |
| 6 | 10-0195 | Swivel Cuff | 1 |
| 7 | 10-0008-B | Dome Filter with Bag Support | 1 |
| 8 | 10-0013 | Super Motor (Super Models Only) | 1 |
| 9 | 10-0199 | Vacuum Motor Gasket | 1 |
| 10 | 10-0023 | Shoulder and Waist Belt Washer | 4 |
| 11 | 10-0022 | Shoulder and Waist Belt Screw | 4 |
| 12 | 10-0021 | Shoulder and Waist Belt | 1 |
| 13 | 10-0020 | Cushioned Back Pad | 1 |
| 14 | BP-6-T-GDKBLU | 6-Quart Backpack Tank – Dark Blue | 1 |
| 15 | 10-0015 | 1/4” Flat Washer | 4 |
| 16 | 10-0014 | Motor Screw | 4 |
| 17 | BP-6-B-DKBLU | 6-Quart Backpack Base – Dark Blue | 1 |
| 18 | 10-0016-6 | 6-Quart Deflector Plate | 1 |
| 19 | 10-0017 | Deflector Plate Screw | 3 |
| 20 | 10-0017 | Sound Dampening Band | 1 |
| 21 | 10-0018 | 6-Quart Dual Cell Noise Filter | 1 |
| 22 | 10-0019-6 | Screw for Well Nut | 1 |
| 23 | 10-0070 | Well Nut for Cord Lock | 1 |
| 24 | 10-0027-A | Strain Relief Nut | 1 |
| 25 | 10-0027 | Strain Relief | 1 |
| 26 | 10-0026 | 17” Power Cord (Cord Only) | 1 |
| 27 | 10-0028 | 50-Foot Electrical Cord | 1 |
| 28 | 10-0025 | On/Off Switch | 1 |
Safety Instructions
READ THIS MANUAL BEFORE OPERATING EQUIPMENT. KNOW THE PROPER OPERATION, SAFETY INSTRUCTIONS, CORRECT APPLICATIONS, AND THE LIMITATIONS OF THIS EQUIPMENT BEFORE USE.
The Backpack vacuum will afford you many years of trouble-free operating satisfaction, provided it is given the proper care. All parts have passed rigid quality control standards
prior to being assembled to produce the finished product. Prior to packaging, your Backpack Vacuum was again inspected for assurance of flawless assembly.
The Backpack Vacuum is protectively packed to prevent damage in shipment. We recommend that upon delivery, unpack the unit and inspect it for any possible damage.
Only a visual inspection will reveal damage that may have occurred.
If damage is discovered, immediately notify the transportation company that delivered your vacuum. As a shipper, we are unable to report any claim for damage. You must
originate any claim within five (5) days.
This manual is for your protection and information. Please read carefully since failure to follow precautions could result in discomfort or injury.
Reduce the Risk of Fire, Electric Shock, or Injury
DO NOT USE IT ON WET SURFACES. DO NOT EXPOSE TO RAIN. STORE INDOORS.
- DO NOT leave the vacuum unattended when plugged in. Unplug from the outlet when not in use and before servicing.
- DO NOT vacuum up any liquids. This vacuum is for dry use only! To avoid electric shock, DO NOT expose yourself to rain. Store indoors. DO NOT use on wet surfaces.
- This is not a toy. Close attention is necessary when used around or near children.
- Use only as described in the safety instructions. Use only manufacturer-recommended attachments, accessories, replacement parts, and filters.
- DO NOT use the Backpack Vacuum with a damaged cord or plug. If the vacuum is not working as it should, because it has been dropped, damaged, left outdoors, or exposed to water, contact an authorized service center or manufacturer.
- DO NOT pull or carry by the cord, use the cord as a handle, close a door on the cord, or pull the cord around sharp edges or corners. Keep cord away from heated surfaces.
- DO NOT unplug the vacuum by pulling the cord. To unplug, grasp the plug, not the cord.
- DO NOT handle the plug of the vacuum with wet hands.
- DO NOT put objects into openings. DO NOT use with any opening blocked. Keep free of dust, lint, hair, and anything that may reduce airflow.
- Keep hair, loose clothing, fingers, and all body parts away from opening and moving parts.
- DO NOT pick up anything that is burning or smoking such as cigarettes, matches, or hot ashes.
Safety Instructions Continued
Reduce the Risk of Fire, Electric Shock, or Injury
- DO NOT use without the proper cloth filtration bag, paper filter bag, and other filters in place. Failure to do so will VOID your warranty.
- DO NOT use the vacuum to pick up flammable or combustible liquids such as gasoline or use in areas where they may be present.
- Use extra care when cleaning on stairs.
- DO NOT use where oxygen or anesthetics are used.
- Turn off all controls before unplugging. Make sure the on/off switch is in the OFF position.
- The extension cord provided with this unit is 50-foot, 16/3-gauge wire and MUST be used with this unit to ensure grounding protection.
- Replace damaged or worn parts immediately with genuine, original equipment parts to maintain safety and to protect your limited warranty.
- DO NOT lubricate the motor.
- DO NOT tie extension cord to pigtail cord. This will damage the cord and will not be covered under warranty.
- DO NOT overstretch the safety power cord between the vacuum and the electrical outlet in the wall.
- DO NOT use without all filters correctly secured in place.
- When using the vacuum with a powerhead tool and connection, always turn OFF the vacuum and nozzle tool before connecting or disconnecting either the hose or power
nozzle. Depending on your vacuum model, the hose may contain electrical wires.
DO NOT use when damaged, cut, or punctured.
Always turn OFF the vacuum before connecting, disconnecting, or working on the vacuum. The vacuum must be connected to a properly grounded outlet only (see
grounding instructions, Section 2.0).
Grounding Instructions
DANGER: IMPROPER GROUNDING METHODS CAN RESULT IN A RISK OF ELECTRIC SHOCK.
Electrical equipment must be grounded. If it should malfunction or break down, grounding provides a path of least resistance for electrical current and reduces the risk
of electric shock. The vacuum is equipped with a cord containing a grounding conductor and grounding plug. The plug must be inserted into an appropriate outlet that is properly installed and grounded in accordance with all local codes and ordinances.
If repair or replacement of the cord or plug is necessary, DO NOT connect the grounded wire to a flatbed terminal. The green insulated wire, with or without yellow stripes, is the grounding wire.
Machine Schematic Drawing
Troubleshooting Guide
CAUTION: Always disconnect the power cord before servicing the vacuum.
WARNING: Repairs should only be performed by an authorized service center.
PROBLEM: Loss of vacuum
CAUSE | SOLUTION |
| Cap is damaged | Inspect and replace if needed |
| Faulty vacuum motor | Call manufacturer or service center |
| Full paper bag filter | Replace paper filter bag |
| Clogged hose or wand | Remove obstruction |
| Loose or broken fan | Call manufacturer or service center |
PROBLEM: Motor is not running
CAUSE | SOLUTION |
| Faulty on/off switch | Call manufacturer or service center |
| Power cord defective | Call manufacturer or service center |
| Loose connection or wiring | Call manufacturer or service center |
| Motor defective | Call manufacturer or service center |
| Blown fuse or tripped circuit breaker | Replace fuse or reset circuit breaker |
PROBLEM: Dust blowing from the vacuum when running
CAUSE | SOLUTION |
| Full paper bag | Replace filter bag |
| Paper filter bag not installed properly | Reinstall or replace paper filter bag properly |
| The cloth filter bag is dirty | Clean cloth filter bag |
| Cloth or paper filter bag is torn | Replace |
Grounding Instructions Continued
The electric vacuum is for use on a normal 120-volt circuit. It has a grounded plug that fits the outlet illustrated in Figure A. If a properly grounded outlet is not available, a
temporary adapter, such as the adapter illustrated in Figures B and C, may be used to connect the plug into a 2-pole outlet, as shown in Figure C.
The temporary adapter should be used only until a properly grounded outlet, Figure A, can be installed by a qualified electrician. The green color rigid ear lug or grounding
means extending from the adapter must be connected to a permanent ground, such as a properly grounded outlet box cover. Whenever the adapter is used, it must be held in
place by its grounding means and a metal screw, as shown in Figure C.

Improper connection of the equipment-grounding conductor can result in a risk of electric shock. Check with a qualified electrician or service person if you are in doubt as to
whether the outlet is properly grounded. DO NOT modify the plug provided with the equipment. If it will not fit into the outlet, have a proper outlet installed by a qualified
electrician.
NOTE: In Canada, the use of a temporary adapter is not permitted by the Canadian Electrical Code.
Care of your Backpack Vacuum Cleaner
Treat your vacuum as you would any other high-grade precision-made product. Dropping, unreasonable bumping across thresholds, and other misuses may result in a
the damaged unit which will not be covered under warranty.
When not in use, the power cord should be wrapped around the molded-in cord wrap for storage. After each use, wipe the vacuum body, accessories, and power cord with a
slightly damp cloth.
WARNING: DO NOT use a vacuum without the proper cloth filtration bag, paper filter bag, and other filters in place. Failure to do so will VOID your warranty.
If using vacuum in paint, sawdust, or drywall environment, you must dispose of paper filter bag and shakeout cloth filter bag after each use. Failure to do so will cause severe damage to your vacuum and VOID your warranty. Dispose of paper filter bag in a fireproof container. The combination of urethane and wood may result in combustion.
Operation and Assembly Instructions
DRY PREPARATION AND OPERATION ONLY! DO NOT USE IT ON WET SURFACES.
This vacuum is equipped with an air-thru motor and is designed for dry pickup only.
Unpack the carton and remove the vacuum and attachments (if purchased with tools).
Getting Started:
- Make sure the on/off switch is in the OFF position.
- Remove lid and check to make sure you have both a cloth filter bag and paper filter bag in place. Place the lid back onto the vacuum body, tightening securely. Both bags
must be used at all times. Any damage resulting from the lack of using both bags will VOID your warranty. - Wrap the safety power cord around the molded-in cord wrap on the side of the vacuum. Do not tie or loop the pigtail cord with the extension cord.
- Loosen the shoulder and waist belt straps and slide vacuum on.
- Connect and tighten the waist belt making sure the majority of the weight is on your hips and not your shoulders.
- Adjust the shoulder straps for comfort.
- Connect the sternum straps for added support and ideal fit.
- Plug the vacuum into a properly grounded outlet.
- Turn the unit to the ON position and proceed with vacuuming.
- Always store vacuum, safety power cord, and tools in a cool, dry place indoors.
NOTE: The weight of the vacuum should be distributed on your hips. Adjust any strap as needed for your custom fit.
To Change Paper Filter Bag:
- Unscrew the lid and lift the lid off of the body.
- Remove the full paper bag from the tank and dispose of properly.
- Take a new paper filter bag and set it inside a cloth filter bag, expanding it to the sides of the cloth filter bag.
- Place the lid back onto the vacuum body, tightening securely.
Cloth Filter Maintenance:
The cloth filter should be inspected and cleaned each time you empty the tank. DO NOT wash the cloth filter. It could cause shrinkage of the cloth and damage to the gasket.
Simply shake off any dust or lose particles and brush the exposed surface with a soft bristle brush. CAUTION: Always exercise caution when handling the vacuum. Dropping the vacuum could cause permanent damage to the internal components.
operation and Assembly Instructions Continued
HEPA Cloth Filter Maintenance:
When the white disk inside your dome filter is discolored, replace it with a new HEPA filter with bag support. The replacement time frame of the HEPA filter depends on the
frequency and application of use. For best results, replace every six (6) months.
IMPORTANT: Following the instructions above is critical in prolonging the life of your vacuum. All filters must be used at all times. Failure to do so will VOID your warranty.
Assembly of Attachments:
The vacuum comes assembled, but you will need to install the hose to the wand and the wand to the attachment.
Wand Assembly (for 2-Piece Wand Only):![]()
- Align the button lock of the upper wand section with the opening for the button lock on the lower wand section.
- Push the sections together until the button lock slides into place and the lock is secured.
To Connect Wand to Hose:
- Insert the tapered end of the wand into the swivel cuff at the end of the hose.

To Connect Wand to Attachments:
- Turn wand nut counterclockwise approximately four (4) complete turns.
- Insert the tool into the wand and couple.
- While holding the tool in place, turn the nut clockwise until the wand nut is fully locked.
New Equipment Warranty
Lifetime warranty on a roto-molded polyethylene tank, 5-years on motor and all electrical parts, 90-days on tools.
Warranty Policy
All equipment is inspected and tested before shipping from the manufacturer. All parts are warranted to be new and free from defects in workmanship and material, under normal use to the original retail purchaser. This warranty limits manufacturer’s liability for defects in workmanship or materials for replacement of defective parts only. The manufacturer accepts no liability for incidental or consequential damages arising from the use of any equipment, defective or not. This warranty is in lieu of all expressed
or implied warranties and is extended only to the original retail purchaser. Manufacturer sales and service representatives are not authorized to waive or alter the terms of this
warranty, or to increase the obligations of the manufacturer under the warranty. Parts replaced or repaired under warranty are warranted for the remainder of the original
warranty period.
Freight charges and travel charges to and from the service provider shall be covered for ninety (90) days from the original purchase date. After this ninety (90) day period,
freight charges shall be paid by the equipment owner, subject to manufacturer discretion. Certain circumstances may require additional consideration. No travel charges shall be
covered after ninety (90) days.
Manufacturer covers up to 1-year (365 days) of service labor at the manufacturer’s calculated hourly labor rate/repair time when performed by a manufacturer’s authorized service provider. Ultimately, labor reimbursement costs are at the discretion of the manufacturer. After 1-year, the original retail purchaser is responsible for all labor costs with no manufacturer reimbursement.
The manufacturer charges a 15% restocking fee for any items that are being returned to stock. Items must be new, unused, and free of damage. Only good for up to 1-year
(365 days). After 1-year, the manufacturer does not accept the return of any item(s) for a reimbursed price.
Authorized warranty replacement parts need to come directly from the manufacturer. Use of any other parts will void the warranty. The manufacturer does not reimburse for parts used by the customer that was not supplied directly for the machine under warranty.
The warranty starts on the purchase date by the original purchaser, subject to proof of purchase. Please immediately register your machine by filling out and mailing in your Warranty Registration Card at the time of purchase. If proof of purchase cannot be identified, the warranty start date is ninety (90) days after the inventory stocking date at the distributor’s warehouse.
5109 N National Dr, Knoxville, TN 37914
Toll Free: 888-722-5508 | Local: 920-882-8453
www.CleanFreak.com
Make a copy of this card for future reference.















