
Part No. 46355
Revised: September 2004
PEANUT ROASTER
Instruction Manual
Model #5081

Cincinnati, OH 45241-4807 USA
SAFETY PRECAUTIONS
Machine must be properly grounded to prevent electrical shock to personnel. Do NOT immerse the equipment in water. Always unplug the equipment before cleaning or servicing. | |
Always wear safety glasses when servicing this equipment. | |
Any alterations to this equipment will void the warranty and may cause a dangerous situation. NEVER make alterations to the equipment. Make sure all machine switches are in the off position before plugging the equipment into the receptacle. | |
Do NOT allow direct contact with this equipment and the general public when used in food service locations. Only personnel that are trained and familiar with the equipment should operate the equipment. Carefully read all installation instructions before operation. | |
This machine is NOT to be operated by minors. Minors are classified as anyone under the age of 18. |
NOTE
The information, specifications and illustrations contained in this manual represent the latest data available at time of publication. Right is reserved to make changes as required at the discretion of Gold Medal Products Company without notice.
OPERATING INSTRUCTIONS
Unpacking and Assembly
After unpacking your PEANUT ROASTER, set it on a counter where you intend to use it. Remove all tape. Inspect the unit for any damage, which may have occurred in transit. Damage claims should be filed immediately with the transportation company.
NOTE: Locate the ROASTER on a base that is strong enough to safely support 120 lbs.
Electrical Specifications:
120/208 or 120/230 Volts~, 60Hz, 3250 Watts
Features:
- Stainless Steel Construction EZ Kleen Cook Surface
- 10 lb. Capacity
Tips:
All nuts cook differently. Depending on moisture content and size of nuts, preparation times vary. Nuts will continue to cook as they cool in the holding pan. Trial and error will make this a very easy process.
Directions:
Turn both switches on and preheat the unit for approximately 15 minutes. Load 10 pounds of peanuts into the top loading chute and close loading door. After approximately 30 minutes slide open the sampling window and allow a couple nuts to tumble out. Remove the nut from the shell and examine the nut. When the skin flakes off and the nuts begin to change color from milky white to tan it is time to dump. Turn off the heat switch but leave the motor running. Open the bottom dump door and allow nuts to dump into a cooling pan. Nuts will continue to roast as they cool.
Cleaning:
Do not attempt to clean roaster until unit is completely cool. (Approximately 2 hours) Clean the inside of drum, when cool with dry paper towels. Clean the outside of the unit with concession cleaner.Empty the chaff bin every two batches. It is located behind the dump door under the end of the drum. (Magnets hold it down so pull firmly to remove. Chaff bin will be hot!)
MAINTENANCE INSTRUCTIONS
Improper installation, adjustment, alteration, service or maintenance can cause property damage,injurv, or death. Read the Installation, Operating, and Maintenance Instructions thoroughly before installing or servicing this equipment. | |
Adequate eye protection must be used when servicing this equipment to prevent the possibility of injury. | |
THE FOLLOWING SECTIONS OF THIS MANUAL ARE IN- TENDED ONLY FOR QUALIFIED SERVICE PERSONNEL WHO ARE FAMILIAR WITH ELECTRICAL EQUIPMENT. THESE ARE NOT INTENDED FOR THE OPERATOR. |
ORDERING SPARE PARTS
- Identify the needed part by checking it against the photos, illustrations, and/or the parts list.
- When ordering, please include part number, part name, and quantity needed.
- Please include your model name, serial number, and date of manufacture (located on the machine nameplate) with your order.
- Address all parts orders to:
Parts Department Gold Medal Products Co.
10700 Medallion Drive Cincinnati, Ohio 45241-4807
or, place orders at:
(800) 543-0862
(513) 769-7676
Fax: (513) 769-8500
E-mail: [email protected]
Web Page: www.gmpopcorn.com
Front View

Inside Cabinet
![]() | ![]() |
Rear View
![]() | ![]() |
Parts List – Peanut Roaster
| Item No. | Part No. | Description |
| 1 | 46406 | Ornament |
| 2 | 46437 | Door Vent |
| 3 | 46425 | Dump Door |
| 4 | 45047 | Levelers |
| 5 | 46404 | Drum Bearing |
| 6 | 46438 | Door Catch |
| 7 | 46436 | Sampling Door |
| 8 | 46393 | Drum Assembly |
| 9 | 46433 | Chaff Pan |
| 10 | 40587 | Element Retainer |
| 11 | 67888 | 1600W Elements (2) |
| 12 | 46432 | Switch Box Cover |
| 13 | 42798 | Rocker Switches (2) |
| 14 | 41442 | Lead-in Cord Assembly |
| 15 | 46404 | Drum Bearing |
| 16 | 41039 | Motor Coupling |
| 17 | 46414 | Drive Motor |
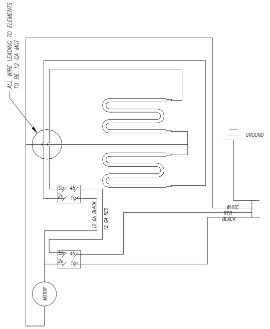
Electrical Schematic – Model #5081

WARRANTY
WE WARRANT to the original purchaser the Gold Medal equipment sold by us to be free from defects in material or workmanship under normal use and service. Our obligation under this warranty shall be limited to the repair or replacement of any defective part for a period of six (6) months from the date of sale to the Original Purchaser with regard to labor and two (2) years with regard to parts and does not cover damage to the equipment caused by accident, alteration, improper use, voltage, abuse, or failure to follow instructions.
THIS WARRANTY IS IN LIEU OF ALL OTHER WARRANTIES EXPRESSED OR IMPLIED, AND OF ALL OTHER OBLIGATIONS OR LIABILITIES ON OUR PART, INCLUDING THE IMPLIED WARRANTY OF MERCHANTIBILITY. THERE ARE NO WARRANTIES WHICH EXTEND BEYOND THE DESCRIPTION ON THE FACE HEREOF. We neither assume, nor authorize any other person to assume for us, any other obligation or liability in connection with the sale of said GOLD MEDAL equipment or any part thereof.
The term “Original Purchaser” as used in this warranty shall be deemed to mean that person, firm, association, or corporation who was billed by the GOLD MEDAL PRODUCTS COMPANY, or their authorized distributor for the equipment.
THIS WARRANTY HAS NO EFFECT AND IS VOID UNLESS THE ORIGINAL PURCHASER FIRST CALLS GOLD MEDAL PRODUCTS COMPANY AT 1-800543-0862 TO DISCUSS WITH OUR SERVICE REPRESENTATIVE THE EQUIPMENT PROBLEM, AND, IF NECESSARY, FOR INSTRUCTIONS CONCERNING THE REPAIR OR REPLACEMENT OF PARTS.
GOLD MEDAL PRODUCTS COMPANY
10700 Medallion Drive Cincinnati, Ohio 45241-4807 USA
www.gmpopcorn.com
Phone: 1-800-543-0862
Fax: 1-800-542-1496
© The text, descriptions, graphics, and other material in this publication are the proprietary and exclusive property of Gold Medal Products Company and shall not be used, copied, reproduced, reprinted, or published in any fashion, including website display, without its express written consent.























