CRUNCH GTO3750 3 Channel Amplifier User Manual
IMPORTANT NOTES PRIOR TO INSTALLATION
- This device is only suited for the operation in a vehicle.
- This device is only suited for a 12 volt system with negative ground.
- The radiated heat while operation requires sufficient air circulation at the place of installation. It is very important that the heat sink fins do not have contact with any metal parts or any surfaces which could impair air circulation. The amplifier may not be installed in small closed location or spaces without air circulation (e.g. spare wheel recess or below the vehicle carpeting). We recommend the installation in the vehicle’s trunk. Ensure sufficient protection against vibrations, dust and dirt.
- Ensure that the input and output cables are sufficiently separated from the power supply cables. Otherwise interferences may occur.
- Ensure the accessibility of the fuse and the operating elements after installation.
- The reliability and performance of the amplifier depends on the quality of installation. Preferably consult an expert to install the system, particularly if you want to install several loudspeakers.
SPECIFICATIONS GTO3750
- Output Power RMS: 2 x 75 + 1 x 250 W @ 4 Ohms 2 x 125 + 1 x 500 W @ 2 Ohms
- Output Power Max: 2 x 150 + 1 x 500 W @ 4 Ohms 2 x 250 + 1 x 1000 W @ 2 Ohms
- Loudspeaker impedance: 2 8 Ohms
- Frequency Response CH1/2: 10 Hz – 40 kHz (-3dB)
- Frequency Response SUB CH3: 10 Hz 250 Hz (-3dB)
- Total Harmonic Distortion CH 1 /2: < 0,2 % (1 kHz)
- Total Harmonic Distortion SUB CH3: < 0,2 % (100 Hz)
- Signal-to-Noise Ratio: > 90 dB
- Input Sensitivity: 0,4-6 V
- Input impedance: RCA 20 kOhms / High Level 30 Ohms
- Highpass Filter CH 1 /2: 10 250 Hz@ 12 dB/Oetave
- Subsonicfilter SUB CH3: 10 50 Hz@ 12 dB/Oetave
- Lowpass Filter SUB CH3: 50 – 250 Hz@ 12 dB/Oetave
- Bass Boost SUB CH3: 0- 12 dB@ 45 Hz
- Operating Voltage: +12 V (12 16 V), negative ground
- Fuse Rating: 2 x 35 A (inside the amplifier)
- Dimensions (B x H x L): 135 x 50 x 250 mm
All Specifications are subject to change
INTERCONNECTION
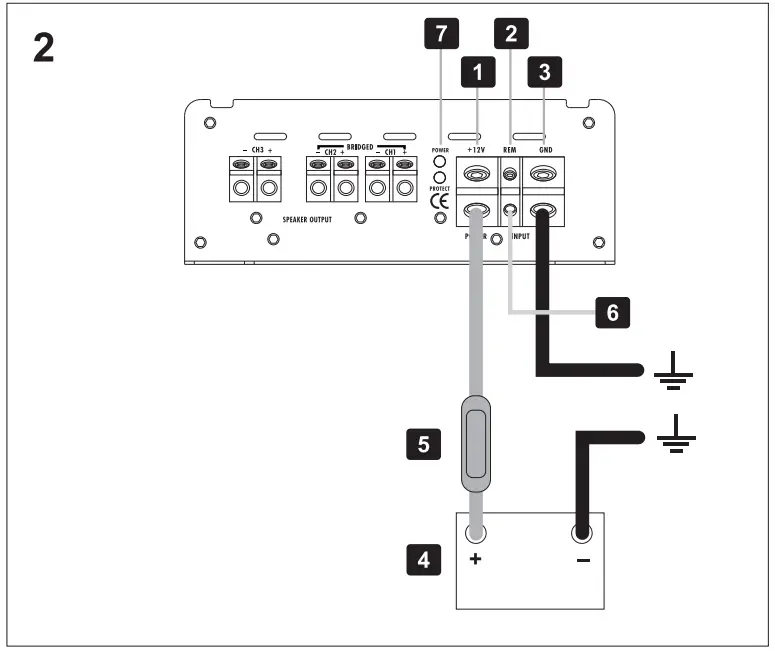
POWER SUPPLY AND TURN-ON-CONNECTION
ATTENTION: Before you start with the installation, disconnect the ground connection from the vehicle’s battery in order to prevent short circuits.
The power wiring which is usually installed in on-board car networks is not sufficient for a power amplifier’s demands. Make sure that the power wires to GND and to the +12 V terminal has been sufficiently specified. A cable cross section of at least 16 mm² must be used to connect the battery to the amplifier’s terminals.
First connect the GND terminal of the amplifier to an appropriate ground connection at the chassis. To ensure a good connection, residue dirt and dust from the connection point. A loose connection may cause malfunctions or interferences noise and distortion.
Then connect the +12 V terminal of the amplifier with the battery by using an appropriate cable including an in-line fuse. This fuse should be located very close to the battery; for safety reasons not more than 30 cm away. Only insert the fuse when the installation, including the connection of the loudspeakers, has been accomplished.
Then connect the remote turn-on-wire from the headunit with the amplifier’s REM terminal. A cable with a cross-section of 0.5 mm² is adequate.
If your headunit is not equipped with a remote turn-on cable, please check the section “AUTO TURN ON” on the following page.
AUDIO SIGNAL CABLES
When installing the audio cables between the RCA outputs of the headunit and the RCA inputs of the amplifier, the audio and power supply cables should, if possible, not be routed along the same side of the vehicle. We recommend a separated installation, e.g. routing the power cable through the cable channel on the left side and the audio cables through the cable channel on the right side or vice versa. This prevents interference due to crosstalk into the audio signal.
HIGH LEVEL INPUTS
The HIGH LEVEL INPUTS (Fig. 1,2) are suitable to connect the amplifier inputs with speaker wires, if your headunit is not equipped with pre-amplifier RCA outputs. Extend therefore every regarding speaker cable from your headunit with appropriate speaker cables from your car audio retailer to the mounting location of the amplifier. Then connect the each matching loudspeaker cable with the cables of the included HIGH LEVEL jacks like described below.
NOTE: Never use the HIGH LEVEL INPUTS and the RCA inputs at the same time. This may damage the amplifier seriously. The loudspeaker cables of the HIGH LEVEL INPUTS must have no contact to the ground (GND).
- Left rear – CH3 – minus
- Left rear – CH3 – plus
- Left front – CH1 – minus
- Left front – CH1 – plus

- Right front – CH2 – minus
- Right front – CH2 – plus
- Right rear – CH4 – minus
- Right rear – CH4 – plus
AUTO TURN ON
The amplifier detects a voltage rise (6 Volts) with a so called “DC Offset” over the connected input signal on the HIGH LEVEL INPUTS (Fig. 1,2) when the headunit will be switched on. Hence, the amplifier will also be turned on. As soon as the headunit will be turned off, the amplifier turns also automatically off. In this case the turn-on connection (REM, Fig. 2,2) is not needed.
Note: The Auto Turn On function usually works with 90% of all headunits, because they are equipped with “High Power”-outputs. Only with a few older and still existing headunits the Auto Turn On function is not working.
LOUDSPEAKER CONNECTIONS
- In 4-channel operation (i.e. one loudspeaker on each amplifier channel), the impedance must not be lower than 2 ohms for each speaker
- In bridging mode (two amplifier outputs combined) the impedance must not be lower than 4 ohms for the bridged output.
- Never connect loudspeaker cables with the ground of the chassis or the +12 V supply voltage.
If the amplifier is operated with a too low impedance or incorrectly used, the entire sound system may be damaged. This means a warranty void in such cases.
SUBWOOFER CONNECTIONS
- The total loudspeaker impedance must not be lower than 2 ohms.
- Never connect loudspeaker cables with the ground of the chassis or the +12 V supply voltage.
If the amplifier is operated with a too low impedance or incorrectly used, the entire sound system may be damaged. This means a warranty void in such cases. If the amplifier is operated with a too low impedance or incorrectly used, the entire sound system may be damaged. This means a warranty void in such cases.
SIGNAL OUTPUTS TO CONNECT AN ADDITIONAL AMPLIFIER
Due to its compact design, the amplifier has no signal outputs to supply additional amplifiers. Split in this case the input signal with a suitable Y-connector to provide the input signal to both amplifiers.
OPERATING ELEMENTS
INPUT SENSITIVITY
Turn the input level controls (INPUT LEVEL, Fig. 1,6 and 1,10) for each channel pair on the amplifier to the MIN. position. Turn then the volume control of the headunit to 80% – 90% of its maximum volume. Now turn slowly the input level control on the amplifier (INPUT LEVEL, Fig. 1, 6 and 1, 10) in a clockwise direction until you hear some distortion, then turn back slightly until the distortion is not audible anymore.
INPUT MODE
With the INPUT MODE switch (Fig.1,3) you are able to set, if the amplifier should run with 2 x stereo RCA signal inputs (3CH) or with only a stereo RCA signal input (2CH), if your headunit is only equipped with 1 pair RCA signal outputs.
VARIABLE HIGHPASS FILTER CH1/2
Set the desired cross-over frequency on controller (HPF, Fig.1,4). Thus to that only the frequencies above the chosen cross-over frequency will be amplified. This effectively minimizes distortions and overloads at lower frequencies. A good point to start is at 125 Hz.
VARIABLE LOWPASS FILTER SUB CH3
Set the desired cross-over frequency by using the controller (LPF, Fig. 1,7). Thus to that only the frequencies below the chosen cross-over frequency will be amplified and the subwoofer plays more precised and efficient. A good point to start is at 125 Hz.
VARIABLE BASS BOOST SUB CH3
By using the controller (BASS BOOST, Fig.1,8) you are able to increase the bass level. The range is between 0 and 12dB.
Note: Use the bass boost wisely. A too high bass boost could permanently damage the speakers.
VARIABLE SUBSONIC FILTER SUB CH3
The subsonic filter is suited to filter the lower frequencies out from the audio signal to avoid unwanted hum noises from the subwoofer. Set the desired crossover frequency of the subsonic filter by using the controller (SUBSONIC, Fig. 1,9). Thus to that only the frequencies above the chosen crossover frequency will be amplified and the subwoofer plays more precised and efficient.
PROTECTION CIRCUIT
The LED (POWER, Fig. 2,7) lits up, if the amplifier is in operation. The LED (PROTECT, Fig. 2,7) lits up, when the amplifier is overheated, or a short circuit occurs resp. a too low impedance load is connected to the speaker outputs. If this happens, the internal built-in protection circuit shuts down the amplifier automatically. The amplifier should work again properly after you have solved the problems.
FIGURES
CONNECTIONS AND CONTROLLERS (FIG. 1)
- SUB CH3/4 RCA audio signal inputs from the headunit
- Remote jack for the included bass remote control
- High level stereo signal input for loudspeaker outputs from the headunit.
- Input mode switch.
- CH 1/2 highpass filter controller
- CH 1/2 gain level controller
- SUB CH3 lowpass filter controller
- SUB CH3 bass boost controller
- SUB CH3 subsonic filter controller
- SUB CH3 gain level controller
- CH1/2 RCA audio signal inputs from the headunit
POWER SUPPLY AND TURN ON CONNECTION (FIG. 2)
- +12 V terminal for the positive-connection of the battery
- REM terminal for the turn on connection
- GND terminal for the ground
- Vehicle’s battery
- In-Line Fuse (not included in the scope of delivery, mandatory)
- Turn on wire from the headunit or the electrical antenna
- Protection-LED and Power-LED
3-CHANNEL OPERATION STEREO/MONO (FIG. 3)
If you want to run the amplifier with 4 line output channels from the headunit to drive 2 loudspeakers in stereo and a subwoofer, connect the following setup:
- RCA audio signal input from the headunit, CH1 / FRONT LEFT
- RCA audio signal input from the headunit, CH2 / FRONT RIGHT
- RCA audio signal input from the headunit, CH3 / REAR LEFT or SUB OUT
- RCA audio signal input from the headunit, CH4 / REAR RIGHT or SUB OUT
- Stereo high level input for loudspeaker outputs from the headunit
- Bass remote control
- Loudspeaker CH2 / FRONT RIGHT (2 – 8 Ohms)
- Loudspeaker CH1 / FRONT LEFT (2 – 8 Ohms)
- Subwoofer CH3/4 (2 – 8 Ohms)
NOTE: (1 — 4) must not be operated simultaneously with (5).
TROUBLESHOOTING
If you are having problems after installation follow the Troubleshooting procedures below.
Procedure 1:
Check Amplifier for proper connections.
Verify that POWER LED is on. If POWER LED is on skip to Step 3, if not continue.
- Check external in-line fuse on battery positive cable. Replace if necessary.
- Verify that ground connection is connected to clean metal on the vehicle’s chassis. Repair/replace if necessary.
- Verify there is 12 to 16 Volts present at the positive battery and remote turn-on cable.Verify quality connections for both cables at amplifier, stereo, and battery/fuseholder. Repair/replace if necessary.
Procedure 2:
PROTECT LED is on.
- If the PROTECT light is on, this is a sign of a possible short in the speaker connections. Check for proper speaker connections and use a multimeter to check for possible shorts in the speaker wiring. Too low speaker impedance may also cause PROTECT to light. This can also be a sign of driving the amplifier at very high power levels without adequate airflow around the amplifier. Shut off the system and allow amplifier to cool down. Check that the vehicle charging system is maintaining proper voltage. If the previous items do not solve the problem, a fault may be in the amplifier.
Procedure 3:
Check Amplifier for audio output.
- Verify good RCA input connections at stereo and amplifier. Check entire length of cables for kinks, splices, etc. Test RCA inputs for AC volts with stereo on. Repair/replace if necessary.
Procedure 4:
Check Amplifier for a popping noise while turning on.
- Disconnect input signal to amplifier and turn amplifier on and off.
- If the noise is eliminated, connect the REMOTE lead of amplifier to source unit with a delay turn-on module.
OR
- Use a different 12 Volt source for REMOTE lead of amplifier (i.e. battery direct).
- If the noise is eliminated, use a relay to isolate the amplifier from noisy turn-on output.
Procedure 5:
Check Amplifier if you experience excess Engine Noise.
- Route all signal carrying wires (RCA, Speaker cables) away from power and ground wires.
OR - Bypass any and all electrical components between the headunit and the amplifier(s). Connect stereo directly to input of amplifier. If noise goes away the unit being bypassed is the cause of the noise.
OR - Remove existing ground wires for all electrical components. Reground wires to different locations. Verify that grounding location is clean, shiny metal free of paint, rust etc.
OR - Add secondary ground cable from negative battery terminal to the chassis metal or engine block of vehicle.
OR - Have alternator and battery load tested by your mechanic.Verify good working order of vehicle electrical system including distributor, spark plugs, spark plug wires, voltage regulator etc.
WARRANTY
This product meets the current EU minimum warranty requirements, if purchased in countries of the EU. To ensure your warranty policy keep your original receipt proofing the date of purchase. Any damage to the product as a result of misuse, abuse, accident, incorrect wiring, improper installation, alteration of date code or barcode labels, revolution, natural disaster, or any sneaky stuff because someone messed up, repair or alteration out side of our factory or authorized service centers and any thing else you have done that you should not have done is not covered. This warranty is limited to defective parts and specifically excludes any incidental or consequential damages connected therewith.
Support
Audio Design GmbH
www.crunchaudio.de
Am Breilingsweg 3
D-76709 Kronau (Germany)
Tel. +49 7253 – 9465-0
Fax +49 7253 – 946510
© 2016 Audio Design GmbH, All Rights Reserved.





















