GHiNT MD-01276 DIN Rail Single Phase Electronic Energy Meter User Manual
Characteristics and Range of application
The DIN rail single phase electronic energy meter is a kind of new style single phase whole electronic type meter, and adopt up to date micro-electronics technique and imported special large scale integrate circuit, use advanced technique of digital sampling technique and SMT technics etc. The meters are completely conformed to the relative requirements of the National Standard GB/T17215.321-2008 and International Standard IEC62053-21 on the meter (Class 1 or Class 2).
The meter is used for measuring active energy power consumption in a rated frequency of 50Hz or 60Hz three phase alternating current circuit. It can accurately and directly measure active energy consumption from positive and reverse directions. It has following features: Good reliability, small volume, light weight, specious nice appearance, advanced technics.
The meter is installed indoors. The site conditions shall be assumed as follows: The ambient temperature is -25 ~ +55℃, relative humidity is not more than 95%. There isn’t heavy corrosive gas or any influence of dust, mold and insects etc.
Installation and usage
- The meter can be installed and used after being test and sealed. Without sealed or storage time is too long the meter must be retesting.
- When take out the meters from original packing, if the inner packing or meter cover is found broken, then do not install the meter, please contact company technical service dept.
- Only experienced electrician or professional technician can install the meter, and confirm to read through the User Manual.
- The meter must be installed ventilate and arid place, the meter base board must be on the wall of fire resistance and uneasily shaking.
- The meter must be installed in the protective box in the dusty place or against possible mechanical damage.
- Connecting must accord with meter case body connecting or the connecting drawing of the Usage Manual. Commend to use soft brass wires to input to avoid that the meter shall be burnt due to loose contact.
- When the meter is connected in the electricity net rightly, the meter power indication light should be bright up.
- In the too much thunderstorm place to adopt measures to avoid the lighting damage.
- The load capacity of the meter is between 0.05Ib~Imax. If the capacity exceeds above the register shall not be accurate or the current coil shall be heated and burnt.
- Data display: Step type impulse counter display or LCD display.
- Power supply indication: When the meter works normally, the power supply indicator light will light-on. When meter is going wrong or no power supply, the power supply indicator light will turn off.
- Impulse indication: When connecting meter load using energy, the impulse indicator light twinkle display (Lighting about 80ms).
- Reverse direction indication: When connecting meter load is reverse direction using energy, reverse direction indicator light will be lighten.
Current total energy
LCD display ,When the meter is in normal working, it will display only 6 +1 energy data with. The unit is kWh. These data can not be reset to zero by the user. Example: Total energy is 574899.1 kWh. register display it will display only 5 +1 energy data with. The unit is kWh. These data can not be reset to zero by the user. Example: Total energy is 45748.1 kWh.
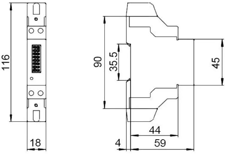
Outer and connection drawing
Outer drawing

Single pole width (Modulus 18mm)
Connection drawing

Direct connection/Single phase two wire(Type S)
Test mode
The meter has energy impulse output port, it locates in terminal 20 and terminal 21, connect test device +5VDC to terminal 20 (Anode), connect signal wire to terminal 21 (Cathode).
Transport and storage
- Transport and storage of the meter must not be shaken and must accord with ZBY002-81.
- The meter must be stored in the original packing box and the environmental temperature is in -35℃~+65℃. Relative humidity shall not exceed 95%. And there isn’t any corrosive gas. The environmental temperature shall not vary violently.
- The meters should be in the original packing box and the boxes should be piled up no more than five on the rack. The separate meter is not suitable for storage.
Deadline of guarantee
Within 18 months from the date of manufacture the user complies with all of above rules. If the meter still being sealed does not conform to any technical requirements of IEC62053-21 & GB/T17215.321-2008, or of any certification of Power Department or Measuring Department, the manufacturer guarantees to repair freely or to replace it.
Support
CHINT ITALIA INVESTMENT S.R.L.
Via Bruno Maderna 7 30174
Venezia – P.IVA 04553860273
REA n. 426943
Cap. Soc. 2.000.000€ iv
Tel. 041/ 446614
Fax 041/5845900
E-mail: [email protected]
E-mail PEC: [email protected]
Web Site: www.chint.it

















