Eltako S2U12DDX-UC DIN Rail Mount Timer

Timer S2U12DDX-UC with display
| Only skilled electricians may install this electrical equipment otherwise there is the risk of fire or electric shock! |
| Temperature at mounting location: -20°C up to +50°C. Storage temperature: -25°C up to +70°C. Relative humidity: annual average value <75%. |
| valid for devices from production week 30/21 (see bottom side of housing) |
! Note: Select English language !*
2-channel timer. 1+1 NO contacts potential free 16 A/250 V AC. With ‘astro’ function.
Only 0.03-0.4 watt standby loss.
From week 26/19 with display backlighting.
Modular device for DIN-EN 60715 TH35 rail mounting. 1 module = 18 mm wide, 58 mm deep.
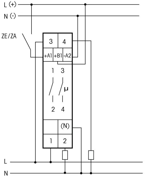
Patented Eltako Duplex technology (DX) allows you to switch normally potential free contacts in zero passage switching when 230V A/C voltage 50Hz is switched. This drastically reduces wear. To achieve this, simply connect the N conductor to the terminal (N) and L to 1(L) and/or 3(L). This results in an additional standby consumption of only 0.1 watt.
Up to 60 timer memory locations are freely assigned to the channels. With date and automatic summer/winter time changeover. Ca. 7 days power reserve without battery.Each memory location can be assigned with the astro function (automatic switching after sunrise or sundown), the switch on/off time or a pulsed switching time (which triggers an impulse of 2 seconds). The astro switch on/ off time can be changed up to ± 2 hours. A time lag of up to ± 2 hours influenced by the solstices can be entered additionally. Supply voltage and control voltage for central control 8 to 230V UC.
The timer is set using the MODE and SET buttons and a keylock function is provided. The display illumination goes on by pressing on MODE or SET.
20 seconds after you last press MODE or SET, the program returns automatically to normal display and the display illumination goes off. *Set language: Every time the power supply is applied, press SET within 10 seconds to set the language and press MODE to confirm.
D = German, GB = English, F = French, IT = Italian and ES = Spanish.
The normal display then appears: weekday, time, day and month.
Rapid scroll: In the following settings, the numerals scroll rapidly when you press and hold down Enter. Release then press and hold down to change the scroll direction.
Set clock: Press MODE then at PRG (program)press SET to search for the CLK function. Press MODE to set. In H, press SET to select the hour and press MODE to confirm. In M proceed in the same way to set the minute.
Set date: Press MODE then at PRG press SET to search for the DAT function. Press MODE to select. At Y, press SET to select the year and press MODE to confirm. Proceed in thesame way at M to set the month and at D to set the day. The last setting in the sequence is MO (weekday) blinking. Press SET to set it and press MODE to confirm.
Set geographic position (if astro function is required): you can find a list of Germancities at the end of the operating manual. Press MODE then press SET at PRG to search for the POS function. Select by pressing MODE. Press SET at LAT to select the latitude. Select by pressing MODE. Repeat this procedure for LON to select the longitude and press MODE to confirm. Press SET at GMT to select the time zone and press MODE to confirm. If desired a time lag of up to ± 2 hours can be entered at WS (winter solstice) and SS (summer solstice) for both channels.
Manual switching ON or OFF with priority: Press MODE and for PRG press SET to search for function INT. Then press MODE to select. For CH press SET to select channel 1 or 2 and press MODE to confirm. Now you can switch between AUT (automatic) and ON or OFF using SET. After confirming with MODE the shift position of the selected channel maychange.
If the shift position should change automatically when a time program becomes active, AUT (automatic) should be selected again. If MODE is pressed longer than 2 seconds at confirmations the change is saved and the normal display will appear
Summer/winter time changeover: Press MODE then at PRG press SET to search for the SWT function and press MODE to select. Now press SET to switch between ON and OFF.
If you select ON, changeover is automatic.
Central control ON or OFF with priority at automatic mode (AUT): Press MODE and then SET for PRG (program) to search for the function CIA. Press MODE to select. Then press SET to switch from CON to COF and press MODE to confirm.
Switch random mode on/off: Press MODE then at PRG press SET to search for the RND function and press MODE to select. Press SET to set to ON (RND+) or OFF (RND) and press MODE to confirm. When random mode is switched on, all switch-on time points of all channels are shifted at random by up to 15 minutes. Switch-on times are switched earlier and switch off times are switched later.
Enable keylock: Briefly press MODE and SET together and at LCK, press SET to lock. This is displayed by an arrow next to the lock symbol.
Disable keylock: Press MODE and SET together for 2 seconds and at UNL press SET to unlock.
Entering timer programs: Press MODE and then press MODE again at PRG to select the memory location. Press SET to search for one of the 60 memory locations from P01 to P60 and press MODE to confirm. To deactivate assigned memory locations, press SET to switch over from ACT+ to ACT. After you press MODE to confirm ACT+, you can press SET and MODE each time to permit the inputs ON, OFF and IMP (for pulsed switching time of 2 seconds), channel number CH, TIM in hours H and minutes M, sundown SS, sunrise SR and working week days from MO to SU or WK (complete week). Press SET to change each input and press MODE to confirm. After you confirm SU, the memory location is fully entered. If you press MODE for longer than 2 seconds at any confirmation, the changed values are saved and the screen returns to normal display. 20 seconds after the last operation of MODE or SET, the program returns automatically to normal display. An incomplete memory location input is not saved.
An automatic plausibility check is performed, if a time programming (TIM) for the identical channel is entered before or after an astro programming (SR or SS). In the plausibility check it is checked whether the switching function astro time must be performed at all due to the seasonal shift. For the plausibility check the ON function in the program position has to be always programmed before the OFF function. If a plausibility check is not required, eg with a combination of an astro programming and a time programming on the next day, a program position has to be kept free between an astro programming and a time programming or the OFF function can be programmed before the ON function.
The supply voltage must be switched off and on to immediately carry out input programs retrospectively
Program examples
P01/ON/CH1/TIM/7:50/MO+:
The light on Channel 1 switches on at 7:50 on Mondays.
P02/OFF/CH1/TIM/8:50/MO+:
The light on Channel 1 switches off at 8:50 on Mondays.
P03/ON/CH1/TIM/20:00/MO+:
The light on Channel 1 switches on at 20:00 on Mondays.
P04/OFF/CH1/TIM/21:00/MO+:
The light on Channel 1 switches off at 21:00 on Mondays.
P05/ON/CH2/SS/SA+:
The light on Channel 2 switches on at sundown on Saturday.
P06/OFF/CH2/SR/SU+:
The light on Channel 2 switches off at sunrise
on Sunday.
P07/IMP/CH1/TIM/6:00/SA+:
All roller shutters are opened at 6:00 on
Saturdays.
P08/IMP/CH2/TIM/22:00/SA+:
All roller shutters are closed at 22:00 on
Saturdays.
P09/ON/CH1/SS/TH+:
The light on channel 1 switches on every
Thursday at sunset.
P10/OFF/CH1/TIM/21:00/TH+:
The light on channel 1 switches off every
Thursday at 09:00 p.m.
P11/ON/CH1/TIM/5:00/FR+:
The light on channel 1 switches on every Friday at 05:00 a.m.
P12/OFF/CH1/SR/FR+:
The light on channel 1 switches off everyt Friday at sunrise.
Clear all memory locations: press and hold
down MODE and SET simultaneously for 2 seconds and press SET to confirm RES in the display
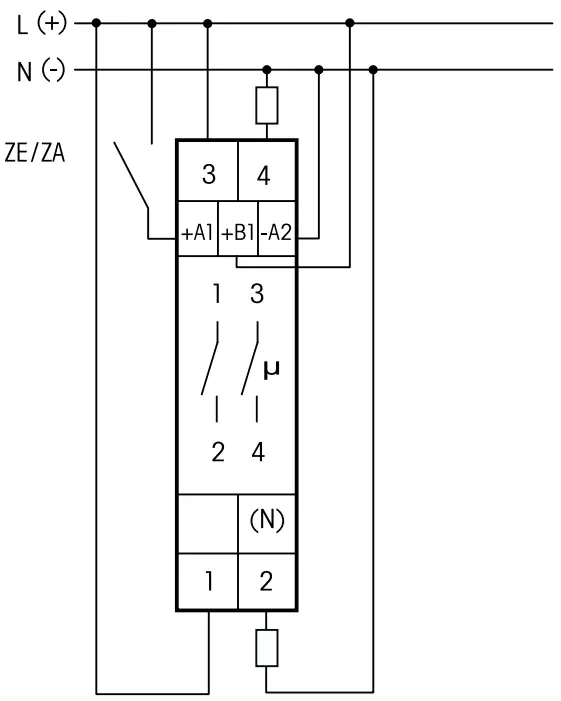
Typical connection

with zero passage switching
without zero passage switching
longitude (LON) and latitude (LAT) in Germany
time zone (GMT): +1, summer time: +2
| LAT | LON | |
| Berlin | 52 | 13 |
| Bremen | 53 | 9 |
| Dresden | 51 | 14 |
| Düsseldorf | 51 | 7 |
| Erfurt | 51 | 11 |
| Hamburg | 53 | 10 |
| Hannover | 52 | 10 |
| Kiel | 54 | 10 |
| Magdeburg | 52 | 12 |
| Mainz | 50 | 8 |
| Munich | 48 | 11 |
| Potsdam | 52 | 13 |
| Saarbrücken | 49 | 7 |
| Schwerin | 54 | 11 |
| Stuttgart | 49 | 9 |
| Wiesbaden | 50 | 8 |
more places on www.maps.google.de
Program flow chart S2U12DDX-UC
Technical data
| Supply voltage and control voltage AC | 8..253 V |
| Supply voltage and control voltage DC | 10..230 V |
| Rated switching capacity | 16 A/250 V AC |
Must be kept for later use! |
Eltako GmbH |
46/2021 Subject to change without notice. |



















