samlexpower BBM-12100 Battery Backup Module Owner’s Manual
Disclaimer of Liability
UNLESS SPECIFICALLY AGREED TO IN WRITING, SAMLEX AMERICA INC.:
- MAKES NO WARRANTY AS TO THE ACCURACY, SUFFICIENCY OR SUITABILITY OF ANY TECHNICAL OR OTHER INFORMATION PROVIDED IN ITS MANUALS OR OTHER DOCUMENTATION.
- ASSUMES NO RESPONSIBILITY OR LIABILITY FOR LOSSES, DAMAGES, COSTS OR EXPENSES, WHETHER SPECIAL, DIRECT, INDIRECT, CONSEQUENTIAL OR INCIDENTAL, WHICH MIGHT ARISE OUT OF THE USE OF SUCH INFORMATION. THE USE OF ANY
SUCH INFORMATION WILL BE ENTIRELY AT THE USERS RISK.
Samlex America reserves the right to revise this document and to periodically make changes to the content hereof without obligation or organization of such revisions or changes.
Copyright Notice/Notice of Copyright
Copyright © 2022 by Samlex America Inc. All rights reserved. Permission to copy, distribute and /or modify this document is prohibited without express written permission by Samlex America Inc.
Safety Instructions
PRECAUTIONS WHEN WORKING WITH BATTERIES
- Batteries contain very corrosive diluted sulphuric acid as electrolyte. Precautionsshould be taken to prevent contact with skin, eyes or clothing.
- Batteries generate hydrogen and oxygen during charging resulting in evolution of explosive gas mixture. Care should be taken to ventilate the battery area and follow the battery manufacturer’s recommendations.
- Never smoke or allow a spark or flame near the batteries.
- Use caution to reduce the risk of dropping a metal tool on the battery. It could spark or short circuit the battery or other electrical parts and could cause an explosion.
- Remove metal items like rings, bracelets and watches when working with batteries. The batteries can produce a short circuit current high enough to weld a ring or the like to metal and thus cause a severe burn.
- If you need to remove a battery, always remove the ground terminal from the battery first. Make sure that all the accessories are off so that you do not cause a spark.
Description
DESCRIPTION
This unit is used to allow any 12 VDC / 24 VDC power supply to function as a DC Uninterrupted Power Source (UPS). This unit is a passive device and acts only as an interface between the power supply, the battery and the DC load. As long as the power supply is operating normally, it will supply the load as well as float charge the battery. In case the output of the power supply fails, the battery will start feeding the load immediately thus ensuring un-interrupted DC power to the load. The battery will start discharging. Once the output of the power supply is resumed, the power supply will take over the load and will also re-charge the battery at its float voltage.
Operation
PRINCIPLE OF OPERATION
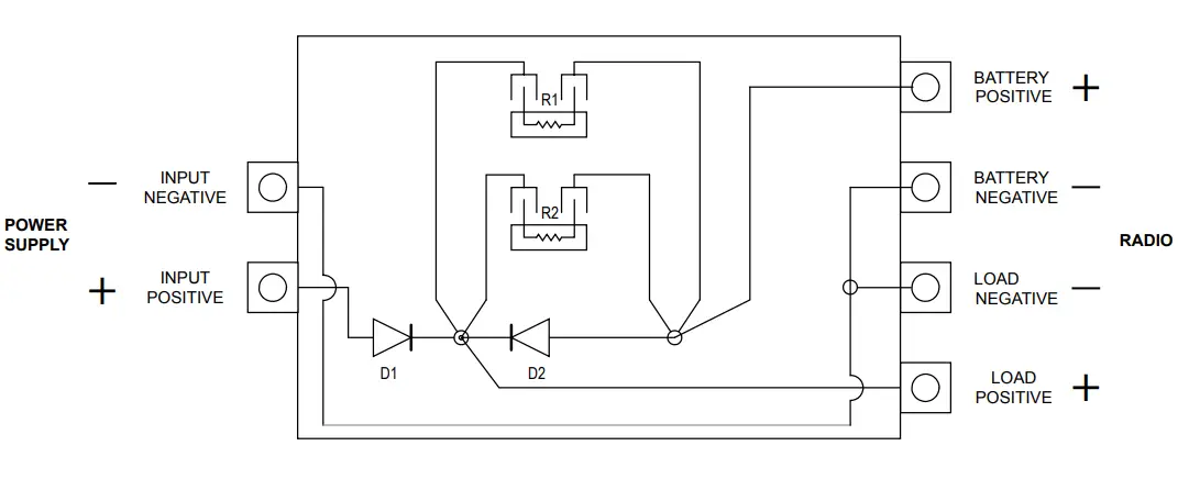
D1,D2: SCHOTTKY DIODE, 32CTQ030 BY INTERNATIONAL RECTIFER
R1,R2: POWER RESISTOR 1R2 (1.2 OHM), 25 WATTS
Fig. 3.1: Schematic Diagram
Please refer to the schematic diagram at Fig. 3.1.
The power supply is connected to the positive and negative input terminals. The battery is connected to the battery terminals and the load is connected to the load terminals.
The voltage from the power supply is fed through the isolating Schottky diode D1 to the load and to the battery through the charging current limiting resistors R1 and R2. Diode
D1 provides isolation between the power supply and the battery to prevent the battery from feeding back into the power supply circuit. D1 has a forward voltage drop of 0.2 (at < 1A) to 0.4V (at > 10A). Hence, the voltage available to the load and to the battery for float charging will be 0.2 to 0.4V lower than the output voltage of the power supply.
In a battery backup application, the battery will normally remain in a fully charged, standby condition most of the time. It will discharge to the load only when the power supply fails. Under this standby application, the battery should be charged at the recommended float voltage. Assuming the standby float charging voltages of 12V / 24V sealed lead acid (SLA) batteries to be 13.5V to 13.8V and 27V to 27.6V ( at 60ºF to 77ºF) respectively, the output voltage of the power supply should be adjusted as follows:
Power supply voltage for 12V SLA battery backup: 14V
(The output voltage of this unit for the load and for float charging of the battery will be 14V minus drop of 0.2V to 0.4V across diode D1 i.e. 13.8V to 13.6V)
Power supply voltage for 24V SLA battery backup: 27.6V
(The output voltage for the load and for float charging of the battery will be 27.6V minus drop of 0.2V to 0.4V across diode D1 i.e. 27.4V to 27.2V)
Operation
As long as the power supply is operating normally, it will supply the load as well as charge the battery through resistors R1 and R2, each 1Ohm, 35W ( R1 and R2 are connected in parallel and will provide a net series resistance of 0.5 Ohm).
NOTE: Please note that as the power supply is required to feed the load as well as charge the battery, the current rating of the power supply should be at least 20% more than the sum of the maximum load current and the maximum charging current.
If the power supply fails, the load will be supplied by the battery through the Schottky diode D2. As in the case of diode D1, there will be a forward voltage drop of 0.2 to 0.4V across D2. Thus, when the battery is supplying the load, the voltage seen by the load will be 0.2 to 0.4V less than the battery voltage. Note that diode D2 is connected in parallel with the resistors R1 an R2 and is used to bypass the resistors R1and R2 when the battery is discharging through the load.
MAXIMUM BATTERY CHARGING CURRENT
MAXIMUM BATTERY CHARGING CURRENT
The maximum recommended charging current of a battery is normally related to it’s AH (Ampere Hour) capacity, designated as “C” (based on 20A discharge rate). The maximum charging current for an SLA battery is normally specified as C/20 ( 0.05C).
Battery backup application using 12V, 100 AH battery
This battery backup unit has been preset for battery backup application for a 12V battery of approximately 100 AH capacity with the maximum charging current limitedto approximately 5A.
Battery backup application using 24V, 100 AH battery
When using this unit in the preset condition for 24V, 100 AH battery backup application, the charging current will increase to 10A.
Calculating maximum battery charging current
Equation 1: Ib = {(Vp – Vd) – Vb} Rs
Ib = Maximum charging current
Vp = The output voltage of the power supply
Vd = Forward voltage drop across D1 (0.2V for < 1A and 0.4V > 10A)
Vb = Battery voltage at fully discharged condition (Normally 11.4V for 12V and 22.8V for 24V)
Rs = Equivalent series resistance (In this case, two 1 Ohm in parallel = 0.5 Ohm)
Example:
Assuming that the voltages of fully discharged 12V and 24V batteries are 11.4V and 22.8V respectively, the maximum charging currents will be as follows as per Equation 1:
For 12V System: Ib = (14V – 0.2V – 11.4V) ÷ 0.5 Ohm = 4.8A, or ~5A
For 24V System: Ib = (27.6V – 0.2V – 22.8V) ÷ 0.5 Ohm = 9.2A, or ~10A
Installation
CABLE SIZING, TERMINATION AND FUSING
The size of the cables used to connect the power supply, the battery and the load to this unit will depend upon the maximum value of the current flow and the length of the cable run. Current flowing through a cable will produce an undesirable voltage drop along the length of the cable. The voltage drop is proportional to the resistance of the cable. Higher resistance produces higher voltage drop. The resistance of the cable increases as the cable becomes thinner. Similarly, the resistance increases with the length of the cable. It is desirable to limit the voltage drop to 3%.
Fuse in the battery circuit
A battery can supply very heavy current in case of short circuit in the path across its terminals. This can cause overheating of the cables / connected device(s) and consequent risk of melted insulation and possibility of fire. Hence, for safety, a very fast acting fuse of appropriate current capacity should be connected in series with the positive cable and should be placed as close as possible to the positive terminal of the battery.
The following Table gives the recommended sizes of cable and fuses:
| Current | Cable Length up to 5 ft | Fuse Type (Bussmann Type#) |
| 100A | #2 AWG | 125A, Type ANN-125 |
| 50A | #6 AWG | 60A, Type ANN-60 |
| 40A | #6 AWG | 50A, Type ANN-50 |
| 25A | #8 AWG | 35A, Type ANN-35 |
The terminals have a tubular hole of diameter 8mm with set screw for connecting the input and output cables. If the bare end of a multi-stranded cable is used directly, the set screw may not pinch all the strands firmly and will result in a loose connection which will cause voltage drop and excessive heating. For a firm connection, the cable ends should be terminated with suitable pin type of terminal.
CONNECTIONS
Before the power supply is connected to this unit, ensure that the output voltage of the power supply is adjusted to the required float voltage of the battery as described in Section 3.1.
CAUTION!
Ensure correct polarity of all connections
Specifications
| MODEL NO | BBM-12100 |
| INPUT | |
| INPUT VOLTAGE | 14 VDC for 12V Battery 27.6 VDC for 24 Battery |
| INPUT CURRENT | Maximum 100A |
| OUTPUT | |
| CHARGE VOLTAGE | CHARGE VOLTAGE |
| LOAD CURRENT | Maximum 95A for 12V Battery Maximum 90A for 24V Battery |
| BATTERY CHARGE CURRENT | Maximum 4.8A for 12V Battery Maximum 9.2A for 24V Battery |
| OTHER | |
| EXTERNAL BACK UP BATTERY | Lead Acid: 12V/24V, 40Ah to 100Ah |
| ENVIRONMENT | |
| OPERATING TEMPERATURE RANGE | 0°C to 40°C / 32°F to 104°F |
| DIMENSIONS | |
| (W x D x H), MM | 150.8 x 187 x 65 |
| 150.8 x 187 x 65 | 5.9 x 7.4 x 2.6 |
| WEIGHT | |
| KG | 1.0 |
| LBS | 2.2 |
Warranty
2 YEAR LIMITED WARRANTY
The BBM-12100, manufactured by Samlex America, Inc. (the “Warrantor“) is warranted to be free from defects in workmanship and materials under normal use and service.
The warranty period is 2 years for the United States and Canada, and is in effect from the date of purchase by the user (the “Purchaser“).
Warranty outside of the United States and Canada is limited to 6 months. For a warranty claim, the Purchaser should contact the place of purchase to obtain a Return Authorization Number.
The defective part or unit should be returned at the Purchaser’s expense to the authorized location. A written statement describing the nature of the defect, the date of purchase, the place of purchase, and the Purchaser’s name, address and telephone number should also be included.
If upon the Warrantor’s examination, the defect proves to be the result of defective material or workmanship, the equipment will be repaired or replaced at the Warrantor’s option without charge, and returned to the Purchaser at the Warrantor’s expense. (Contiguous US and Canada only)
No refund of the purchase price will be granted to the Purchaser, unless the Warrantor is unable to remedy the defect after having a reasonable number of opportunities to do so. Warranty service shall be performed only by the Warrantor. Any attempt to remedy the defect by anyone other than the Warrantor shall render this warranty void. There shall be no warranty for defects or damages caused by faulty installation or hook-up, abuse or misuse of the equipment including exposure to excessive heat, salt or fresh water spray, or water immersion.
No other express warranty is hereby given and there are no warranties which extend beyond those described herein. This warranty is expressly in lieu of any other expressed or implied warranties, including any implied warranty of merchantability, fitness for the ordinary purposes for which such goods are used, or fitness for a particular purpose, or any other obligations on the part of the Warrantor or its employees and representatives.
There shall be no responsibility or liability whatsoever on the part of the Warrantor or its employees and representatives for injury to any persons, or damage to person or persons, or damage to property, or loss of income or profit, or any other consequential or resulting damage which may be claimed to have been incurred through the use or sale of the equipment, including any possible failure of malfunction of the equipment, or part thereof. The Warrantor assumes no liability for incidental or consequential damages of any kind.
Samlex America Inc. (the “Warrantor”)
www.samlexamerica.com
Contact Information
Toll Free Numbers
Ph: 1 800 561 5885
Fax: 1 888 814 5210
Local Numbers
Ph: 604 525 3836
Fax: 604 525 5221
Website
www.samlexamerica.com
USA Shipping Warehouses
Kent, WA
Plymouth, MI
Canadian Shipping Warehouse
Richmond, BC
Email purchase orders to
[email protected]


















