
49” BLADE ASSEMBLY INSTRUCTIONS
DEVELOPED BY NORDIC PLOW ™


https://youtu.be/lkQNB7XL-z4
ASSEMBLY TIPS
ONE YEAR LIMITED WARRANTY
For twelve months from the date of purchase, Nordic Plow LLC warrants against the defects due to workmanship or materials to the original purchaser. If a defect does exist, it will be obvious to the eye before assembly and we will promptly replace any defective part.
The plastic components of the plow are designed to break under extreme stress to minimize damage to the vehicle and are not considered a defect. To minimize this breakage, we stress the user to read the tip sheets offered and review the videos available at www.nordicplow.com. Any used and/or broken components can be replaced at a nominal
charge by calling 888-662-PLOW (7569) or by visiting our website.
Once a plow is used, it cannot be resold, and thus will not be accepted as a return. A restocking fee equal to 20% of the purchase price plus applicable freight charges will be assessed for any returned unopened and unused.
Nordic Plow LLC obligations under this warranty are limited to the following guidelines:
- This warranty does not cover units that have been altered/modified or damaged due to: normal wear, improper maintenance, and/or improper use.
- This warranty does not cover any damage that may occur to the vehicle on which the product is mounted.
- This warranty does not cover surface scratches to the plow, which is considered normal wear.
- This warranty is not transferable or assignable to subsequent purchasers.
- This warranty does not cover liability for damage to property, or injury to, or death of any person arising out of the operation, maintenance, or use of the covered product.
EXCEPT AS STATED ABOVE, NORDIC AUTO PLOW LLC MAKES NO OTHER EXPRESS OR IMPLIED WARRANTIES. THE IMPLIED WARRANTIES OF MERCHANTABILITY AND FITNESS FOR A PARTICULAR PURPOSE ARE LIMITED IN DURATION TO TWELVE MONTHS FROM THE DATE OF PURCHASE. SOME STATES DO NOT ALLOW LIMITATIONS ON HOW LONG AN IMPLIED WARRANTY LASTS, SO THE ABOVE LIMITATION MAY NOT APPLY TO YOU. ANY LIABILITY FOR INDIRECT OR CONSEQUENTIAL DAMAGE ARISING FROM THE FAILURE OF NORDIC AUTO PLOW LLC TO COMPLY WITH THIS WARRANTY OR ANY IMPLIED WARRANTY IS EXCLUDED. THE CUSTOMER ACKNOWLEDGES THAT THE PURCHASE PRICE CHARGED IS BASED UPON THE LIMITATIONS CONTAINED IN THE WARRANTY SET OUT ABOVE. SOME STATES DO NOT ALLOW THE EXCLUSION OR LIMITATION OF INCIDENTAL OR CONSEQUENTIAL DAMAGES, SO THE ABOVE LIMITATION OR EXCLUSION MAY NOT APPLY TO YOU. THIS WARRANTY GIVES YOU SPECIFIC LEGAL RIGHTS AND YOU MAY ALSO HAVE OTHER RIGHTS WHICH VARY FROM STATE TO STATE.
1-888-662-7569 (PLOW)
771 W. North Avenue,
West Chicago, IL 60185
http://www.nordicplow.com
INSTRUCTIONS FAQS & TIPS
SAFETY
Read and understand the plow instructions, Warranty, FAQs, and Tips before use. Scan the QRC instructional videos on the first page or watch the videos on our website before use. (www.nordicplow.com) Always instruct other users before they use the plow.
OPERATION
Risk of Injury – Never allow children to handle the plow. Never allow anyone to walk beside or sit on the plow when in use. Never operate the plow over 2 to 3 mph. Keep a slow steady speed. If you hit an obstruction, immediately stop and reverse direction.
INSTRUCTIONS CLARIFICATION
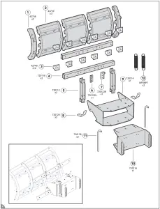
STEP 1: Make sure the extended tab on each blade channel (ref #2) is facing the same direction.
STEP 2: Do not over-tighten the self-taping screw(ref #26).
STEP 3: Finger tightens locknuts (ref #21) at this point in the assembly process.
STEP 4: The spanner channel (ref #5) has a set of holes on one end. Make sure they are both facing the same direction. Once everything is in place go ahead and tighten the entire assembly.
NOTE: Be sure not to overtighten any locknuts. Over tightening can crush the horizontal steel channel and weaken the assembly.
STEP 5: Using a ¾” wrench and socket, fully tighten locknuts (ref #25) and then back off slightly so brackets can easily pivot from side to side.
STEP 6: Install 2 lock rods (ref #11) down through alignment holes as shown to keep the pivot bracket assembly from moving side to side during installation. Place the leading fins of the pivot bracket into the spanner channel and install 2 Clevis pins (ref #27) and R Clips (ref #28).
STEP 7: Attach upper spring brackets (ref #6 & 7) to the top rail. Make sure to use the bottom two holes when installing the brackets. Install the two springs as shown. Tighten locknut (ref #22) onto the eyebolt (ref #29) until there is tension on the spring.
FAQs
How long will the plow last?
The lightweight, rounded-edge design reduces friction and wear of the blade. The bottom edge will show signs of pits and scratches, but this is normal and willnot degrade the eversible blade. In the event too much wear occurs simply reverse the spanner channels and use the opposite edge.
Where is the cutting edge?
The plow’s angle, combined with its weight and that of the machine and operator, provides sufficient force to get the job done. It may not pick up hard, packed down snow or ice.
Can I use it on uneven surfaces?
Yes – our rounded edge is safe on paver bricks, tarps, grass, and most uneven surfaces without causing damage to the blade or surface being plowed.
Will the Nordic Plow leave arks on the pavement?
No – Nordic plow’s polycarbonate blade will not leave marks on your driveway, unlike traditional steel plows that can leave rust and scratches on the pavement.
The best tip we can give you is to always plow at a slow safe speed. This will protect the equipment and the driver. Have fun and enjoy moving some snow!







YOUR NORDIC PLOW WORKS WITH THESE VEHICLES:
These instructions are for the 49˝ Plow and are 1 of 2 packages.
The Mounting Kit and its instructions are packaged and shipped separately.
1-888-662-7569 (PLOW)
771 W. North Avenue, West Chicago, IL 60185
www.nordicplow.com

















