
P 535HX Ride On Mowers
User Manual
Introduction
Pre-delivery inspection and product numbers
Note: A pre-delivery inspection has been done of this product. Make sure that you receive a signed copy of the pre-delivery inspection document from your champion.
| Service agent contact information: | |
| This operator’s manual belongs to product with product number / serial number: | |
| / | |
| Engine: | |
| Transmission: | |
Product description
The product is a front mower with hybrid technology.
The power sources are a diesel engine and a 48 V system with batteries, motors and generator. The product has headlights and an easy to use touch display. The speed is adjusted with forward and rearward pedals. The product has all-wheel drive (AWD) and automatic brake. You can use the product with different types of cutting decks or other Husqvarna approved equipment.
Intended use
The product is made for operation in commercial areas.
Use the product with cutting decks to cut grass, or with other equipment for other tasks. Speak to your Husqvarna dealer for more information about which cutting decks or equipment that are available. The product does not operate when the temperature in the 48 V batteries is less then 0 °C/32 °F. For winter use, we recommend you to park your product indoors with an ambient temperature temperature more than 0 °C.
Insure your product
Make sure that you have insurance coverage for your new product. Speak to your insurance company if you are not sure. We recommend a fully comprehensive insurance that includes third party, fire, damage, theft and liability.
Firmware
Make sure that the latest software versions are installed on the product. Speak to your Husqvarna servicing dealer.
Product overview

- Forward pedal
- Rearward pedal
- Hydraulic coupling and power outlet for the auxiliary system.
- Manual parking brake
- Power switch for the auxiliary (AUX) system
- Lever for the auxiliary system, for example cutting height for the cutting deck models with the mark X
- Lever for the hydraulic lifting arms, for example to lift or lower the cutting deck or other equipment
- PTO (Power Take Off) button
- Start button for the electrical drive
- Start button for the hybrid drive
- Power key
- PTO speed switch
- Optional position for accessory switch
- Optional position for accessory switch
- Optional position for accessory switch
- Power switch for the power outlet
- Power switch for the headlights
- Type plate
- Counterweight (accessory)
- Main switch, 12 V
- ROPS (roll over protective structure)
- Fuel tank cap
- Seat belt
- 48 V servicing plug
- Charging socket for the power supply
- PTO shaft (below bottom plate)
- Display
- Hydraulic lifting arms
- Service stay, Combo cutting decks
Electrical system
Electrical system overview 48 V

- Wheel motors
- Motor controls
- DC/DC charger, 48 V/12 V
- Batteries 48 V
- Generator 48 V
- Charging socket 48 V
- Cooling fan for the 48 V batteries
- Servicing plug 48 V
- Fuse 48 V
- Vehicle control unit (VCU)
- Electrical motor for hydraulic pump
- Motor control unit for the hydraulic system
- Fuse 48 V
- Interlock relay
- Recharge relay
- DC/DC charger relay
Electrical system overview 12 V

- Battery, 12 V
- Glow plug relay, engine
- Main switch, 12 V
- Main fuses, 12 V electrical system
- Fuel level sensor
- Operator presence control (OPC)
- High beam light
- Work light
- PTO clutch
- Control box
- Mower control module
- USB outlet, 5 V
- Power outlet, 12 V
- 12 V generator
- Fuses
- Connection terminal for optional accessories
- Fuses
- Control box main relay
- PTO coupling relay
- Diesel temperature sensor
- Oil pressure sensor
- Fuel hold relay
- Memory fuse for mower control module
- Start prevent relay
Fuse overview

A: Control box. Refer to To replace the fuses in the fuse box on page 50 for how to replace a fuse.
B: Fuses, 48 V electrical system. Refer to To replace the fuses of the 48 V electrical system on page 50 for how to replace a fuse.
C: Main fuses, 12 V electrical system. Refer to To replace the fuses of the 12 V electrical system on page 50 for how to replace a fuse.
- 12 V power to the mower control module , 20 A.
- Display power, 5 A.
- Ignition power, 5 A.
- J14, 12 V warning light, 10 A.
- J16, 12 V optional switch, optional out, optional power, 10 A.
- Parking brake/seat, USB, 12 V outlet, 10 A.
- Light power, 10 A.
- USB, 12 V outlet, 12 V switch power.
- Cabin power, auto fuse.
- 12 V battery, 10 A.
- Mower control module AUX, 10 A.
- 48 V to pre-charge relay, 10 A.
- 48 V to DC/DC charger in, 10 A.
- Available position.
- Available position.
- 12 V to glow plug relay, 50 A.
- 12 V to fuse box, 50 A.
- 12 V main fuse, 150 A
- Memory fuse for mower control module, 3 A
Display overview
The display shows the status of the product. When an indication light comes on, an information box will show with information and instructions. Also refer to Display – Troubleshooting on page 63.

- Time, language and system menu. This symbol shows on the display when the product is stationary for more than 6 seconds.
- Gauge for the electrical drive
- Manual parking brake indicator
- Work light or high beam light indicator / Road kit work light
- Speed in km/h when in operation / Total operation time when in idle position
- Clock
- Hour meter
- Bluetooth® indicator
- Service indicator
- Gauge for the PTO speed
- Screen brightness adjustment. This symbol shows on the display when the product is stationary for more than 6 seconds.
- Generator fault indicator
- Engine temperature indicator
- Battery indicator, 12 V
- Oil pressure indicator
- Fuel level status, %
- Fuel level status, bar
- Fuel level indicator
- PTO button indicator, engaged/disengaged
- Battery level status, % / Drive mode selection indicator
- Battery level status, bar / Drive mode selection indicator
- Battery level indicator, 48 V
- Battery temperature indicator
- Operator presence control (OPC)
Display guides and gauges

- (A): The blue field in the guide is the charge and the upper half of the guide is the discharge.
- (B): The charge or discharge from the 48 V batteries. The batteries charge when the indication is in the lower half of the gauge.
- (C): The green field in the guide shows the recommended PTO speed. If the load is to high, the PTO rpm drops and can cause decreased performance or an engine stop.
- (D): The PTO speed in rpm.
Total operation time and hour meter
The total operation time (A) of the engine shows on the display when the product is in idle position. The hour meter (B) shows the operation time in hours and minutes when hybrid drive is on. The trip meter is automatically set to 0 when the engine is off for more than 6 hours.

Hybrid system
During operation, the 48 V batteries are charged by the generator when the engine is on. The 48 V batteries are also charged by the wheel motors through regenerative braking. The engine also charges the 12 V battery.
The state of charge of the 48 V batteries shows on the display. You can connect the power supply to the product to increase the charge of the the 48 V batteries during stops. Refer to Display guides and gauges on page 7.
Mower control module
The product has a mower control module that gives the operator information about the product. The information shows on the display on the instrument panel. Refer to Display overview on page 7.
The mower control module enables the servicing dealer to connect to the product when they do servicing.
Vehicle control unit (VCU)
The VCU controls the different units in the 48 V system, such as motors and batteries.
Cooling fans for the electrical system
The cooling fan for the 48 V batteries prevents the temperature in the 48 V batteries to become too hot.
Note: The cooling fan for the 48 V batteries can continue to operate for until an hour after the power key is set to OFF.
The cooling fan for the motor control unit for the hydraulic system operates when the power key is in the ON position. You find the cooling fan for the motor control unit for the hydraulic system directly above the motor control unit for the hydraulic system.
Refer to Electrical system overview 48 V on page 4 to see where the cooling fan for the 48 V batteries and the motor control unit for the hydraulic system is on the product.
Headlights
The product has a work light and a high beam light.
Push the power switch to position (A) to make the lights go off. Push the power switch to position (B) to make the work light come on. Push the power switch to position (C) to also make the high beam light come on.

The work light stays on for 3 minutes after the power key is set to STOP. When the headlights are on, the display shows the headlight symbol. Refer to Display overview on page 7.
Power outlet
The voltage of the power outlet is 12 V. The power outlet has a fuse. Refer to Fuse overview on page 6.
Set the power outlet to ON or OFF with the power switch found on the control panel.

Operator presence control (OPC)
The OPC is engaged when the operator lifts from the seat. The OPC indicator in the display comes on. The OPC engages the safety circuit. Refer to Safety circuit on page 22.
Drive mode
The product has 3 available drive modes (Comfort, Standard and Dynamic). Standard drive mode is set from the factory. The last selected drive mode is saved.
To select a drive mode refer to To select a drive mode on page 36.
PTO (Power Take-Off) button
The PTO button engages and disengages the PTO clutch and the cutting deck or other equipment connected to it. The correct start conditions must be obeyed to engage the drive of the blades. Refer to Safety circuit on page 22 for the correct start conditions.
- Pull the PTO button out to engage the drive to the blades or other equipment.

- Push the PTO button in to disengage the drive to the blades or other equipment.

PTO speed switch
The PTO speed switch can be set in 3 positions for operation with different types of cutting decks or other equipment. When the PTO button is engaged, the engine speed is supplied to the cutting deck or other equipment that is attached to the PTO shaft. Refer to To set the PTO speed on page 37 and Technical data on page 67.
Note: For operation with cutting decks, use the high PTO speed.
Forward and rearward pedals
The speed is gradually adjusted with 2 pedals. The left pedal (A) is used to move forward, and the right pedal (B) is used to move rearward. The product brakes when the pedals are released.

Lever for the hydraulic lifting arms
The lever for the hydraulic lifting arms is used to lift and lower the cutting deck and other equipment.
WARNING: It is possible to lower the hydraulic lifting arms after you stopped the product. Make sure to stop the product where the cutting deck or other equipment can be lowered safely.
- (A) Float position (mow position), the cutting deck or other equipment follows the ground independently of the product.
- (B) To lower the cutting deck or other equipment.
- (C) Neutral position.
- (D) To lift the cutting deck or other equipment.
Auxiliary power switch (AUX)
The auxiliary power switch has different functions for different cutting decks and for other equipment. Refer to the operator’s manual of the cutting deck or other equipment.

Cutting deck
With this product you can use the Combi cutting decks or the R180 cutting deck. Refer to Technical data on page 67. The Combi cutting decks operate with BioClip® or rear discharge. The R180 cutting decks operate with rear discharge. BioClip® cuts the grass into smaller pieces (mulch), that works as a fertilizer to the lawn. When the Bio Clip® plug is removed, the cutting deck discharges the grass rearward.
Symbols on the product
![]() | WARNING: This product can be dangerous and cause serious injury or death to the operator or others. Be careful and use the product correctly. |
| Read the operator’s manual carefully and make sure that you understand the instructions before you use this product. | |
| Keep persons and animals at a safe distance from the work area. | |
| Remove the power key before you do maintenance on the product. | |
| Rotating blades. Keep body parts away from the cutting deck when the engine is on. | |
| Warning: rotating parts. Keep body parts away. | |
| Warning: rotating belt pulley. Keep body parts away when the engine is on. | |
| Warning: risk of crush injuries. | |
| Warning: risk of crush injuries. The lift arms will move with great force, keep body parts away. | |
| Look out for thrown objects and ricochets. | |
| Hot surface. | |
| Never use the product if persons, especially children, or animals, are in the vicinity. | |
| Look behind you before and while you move the product rearward. | |
| Never cut grass across a slope. Do not cut grass on ground that slopes more than 10°. See To cut grass on slopes on page 17. | |
| Never carry passengers on the product or equipment. | |
| Risk of injury if the product overturns. | |
| Move forward. | |
| Neutral gear. | |
| Move rearward. | |
| Apply parking brake. | |
| Release parking brake. | |
| Always use approved hearing protection. | |
| Float position. | |
| Parking brake. | |
| Activate the product. | |
| Start electrical drive. | |
| Start hybrid drive. | |
| Power off. | |
| Push in the PTO button. | |
| Pull out the PTO button. | |
| Fuel. | |
| Oil level. | |
![]() | This product is in accordance with applicable EC directives. |
| Noise emission to the environment as per EU and UK directives and regulations, and New South Wales legislation “Protection of the Environment Operations (Noise Control) Regulation 2017”. The guaranteed sound power level of the product is specified is specified in Technical data on page 67 and on the label. | |
http://www.husqvarna.com | Scannable code |
![]() | Environmental mark. The product or package of the product is not domestic waste. Recycle it at a recycling station for electrical and electronic equipment. |
| Do not use the seat belt if the ROPS is down. | |
| Always use the seat belt when the ROPS is up. |
Note: Other symbols/decals on the product refer to certification requirements for some commercial areas.
Type plate

- Husqvarna Identity (HID) with article number, factory and line, date, sequence number and control number
- Model name
- Product number code (PNC)
- Scannable code
- Production year
- Rated power
- Serial number with production date, year, week and sequence number
- Manufacturer and manufacturer address
- Product number code (PNC)
- Product weight, unladen
- Maximum front axle weight (GAWR)
- Maximum rear axle weight (GAWR)
- Maximum laden weight (GCWR)
Euro V Emissions
WARNING: Tampering with the engine voids the EU type-approval of this product.
Product liability
As referred to in the product liability laws, we are not liable for damages that our product causes if:
- the product is incorrectly repaired.
- the product is repaired with parts that are not from the manufacturer or not approved by the manufacturer.
- the product has an accessory that is not from the manufacturer or not approved by the manufacturer.
- the product is not repaired at an approved service center or by an approved authority.
Safety
Safety definitions
Warnings, cautions and notes are used to point out specially important parts of the manual.
WARNING: Used if there is a risk of injury or death for the operator or bystanders if the instructions in the manual are not obeyed.
CAUTION: Used if there is a risk of damage to the product, other materials or the adjacent area if the instructions in the manual are not obeyed.
Note: Used to give more information that is necessary in a given situation.
General safety instructions
WARNING: This product can cut off hands and feet and throw objects.
Serious injury or death may occur if you do not obey the safety instructions.
WARNING: Do not continue to use a product with damaged cutting equipment. Damaged cutting equipment can throw objects and cause serious injury or death. Replace damaged blades immediately.
WARNING: This product produces an electromagnetic field during operation. This field may under some circumstances interfere with active or passive medical implants. To reduce the risk of serious or fatal injury we recommend persons with medical implants to consult their physician and the medical implant manufacturer before operating this product.
WARNING: Read the warning instructions that follow before you use the product.
- Do not use the product with cutting decks or other equipment that is not approved by Husqvarna.
- Do not apply too much load to the product. For example do not tow or lift more than the product is approved for.
- Always be careful and use your common sense. Avoid all situations which you consider to be beyond your capability.
If you feel uncertainty about the operating procedures after you read the operator’s manual, consult an expert before you continue. - Read and understand the operator’s manual and the instructions on the product carefully before you start the product.
- Learn how to use the product and its controls safely and learn how to stop the product quickly.
- Learn to recognize the safety decals.
- Keep the product clean to make sure that you can clearly read signs and stickers.
- Keep in mind that the operator will be held responsible for accidents that involve other persons or their property.
- Do not transport passengers.
The product must only be used by one person.
- Do not let the product stay unsupervised with the engine or the electrical motors on. Always stop the blades, apply the parking brake, stop the engine and the electrical motors, and remove the power key before you let the product stay unsupervised.
- Only use the product in daylight or in other well-lit conditions. Keep the product at a safe distance from holes or other irregularities in the ground. Look out for other possible risks.
- Do not use the product in bad weather, for example in fog, in rain, moist or in wet locations, strong winds, intense cold, risk of lightning, etc.
- Find and mark stones and other fixed objects to prevent collision.
- Clear the area of objects such as stones, toys, wires, etc. that may become caught in the blades and be thrown out.

- Do not let children or other persons not approved for operation of the product to use or do servicing on it. Local laws may regulate the age of the user.
- Make sure that nobody else is in the vicinity of the product when you start the electrical motors and the engine, engage the drive or start to move the product.
- Keep an eye on the traffic when you mow near a road or move across a road.
- Do not use the product if you are fatigued, while under the influence of alcohol or drugs, medicine or anything that can have a negative effect on your vision, alertness, coordination or judgement.
- Do not change the adjustment for the engine speed control.
- Always park the product on a level surface with the engine and the electrical motors stopped.
Safety instructions regarding children
WARNING: Read the warning instructions that follow before you use the product.
- Serious accidents can occur if you are not on your guard for children in the vicinity of the product. Children may come near the product when you do not see them. It is very possible that children donot stay where you last saw them.
- Keep children away from the area to be mowed. Make sure that an adult is responsible for the children.
- Keep an eye out and stop the product if children enter the work area. Be very careful near corners, bushes, trees or other objects that prevents a clear view.
- Before and while you move the product in reverse, look behind you and look down to make sure there are no small children in the vicinity of the product.
- Do not let children ride along. They can fall off and get seriously injured or prevent safe maneuvering of the product.
- Do not let children operate the product.

Safety instructions for operation
WARNING: Do not touch the engine or exhaust system during or directly after operation. The engine and the exhaust system become very hot during operation. Risk of burn injuries, fire and damage to property or adjacent areas. When you operate the product, keep away from bushes and other objects.
WARNING: Do not touch the power electronics during or directly after operation. The batteries, generator, motor controls, fuses or electrical cables become very hot during operation. Risk of burn njuries, electrical shock, fire and damage to property or adjacent areas.
WARNING: Read the warning instructions that follow before you use the product.
- Always look down and behind you before and while you move in reverse. Look out for large and small obstacles.
- Decrease the speed before you turn around a corner.
- Stop the blades when you move across areas that you do not cut.
- Push the PTO button to disengage the drive on the cutting deck or other equipment before you lift from the seat.
CAUTION: Read the caution instructions that follow before you use the product. - Before you operate the product, clear the cold air intake of the engine from grass and dirt. If the cold air intake is blocked, there is arise of engine damage.
- Before you operate the product, make sure that the air intake to the battery cooling system is not blocked.
There is a risk of damage to the batteries if they get too hot. - Move around stones and other larger objects carefully and make sure that the blades do not hit the objects.
- Be careful if you operate the product near water. Do not use the ROPS and the seat belt near water.
- Do not operate the product across objects. Stop and examine the product and cutting deck if you operate the product across or into an object. If it is necessary, make repairs before you restart.
To cut grass on slopes
WARNING: Read the warning instructions that follow before you use the product.
- To cut grass on slopes increases the risk that you can not control the product and that it overturns. This can cause injury or death. It isnecessary to cut the grass carefully on all slopes. If you cannot reverse up a slope or if you do not feel safe, do not cut it.
- Remove stones, branches and other obstacles.
- Cut up and down the slope, not from side to side.
- Do not move down a slope with the cutting deck lifted.
- Do not operate the product on ground that slopes more than 10°.

- Do not start or stop on a slope.
- Move smoothly and slowly on slopes.
- Do not make sudden changes in speed or direction.
- Do not turn more than necessary. Turn slowly and gradually when you move down a slope. Move at low speed. Turn the wheel carefully.
- Look out for and do not move across furrows, holes and bumps. There is a higher risk that the product overturns on ground that is not flat. Long grass can hide obstacles.
- Do not cut grass near edges, ditches or banks. The product can suddenly overturn if a wheel moves across the edge of a steep slope or a ditch, or if an edge gives way. If the product falls into water, there is a risk of drowning.

- Do not mow wet grass. It is slippery, and tires can lose their grip so that the product skids.
- Do not put your foot on the ground to try to make the product more stable.
- Move very carefully if an accessory or other object is attached that can make the product less stable.
- To make the product more stable, attach the counterweights. Speak to your dealer for more information.
Personal protective equipment
WARNING: Read the warning instructions that follow before you use the product.
- Use approved personal protective equipment when you use the product. Personal protective equipment cannot fully prevent injury but it decreases the degree noninjury if an accident does occur. Let your dealer help you select the right equipment.
- Use approved hearing protection that provides adequate noise reduction. Long-term exposure to noise can result in permanent hearing impairment. Husqvarna recommends that operators use hearing protectors when using products for a longer coherent time of a day.
Continual and regular users should have their hearing checked regularly. Note that hearing protectors limit the ability to hear sounds and warning signals. - Use approved eye protection. If you use a visor, you must also use approved protective goggles. Approved protective goggles must agree with the ANSI Z87.1 standard in the USA or EN 166 in EU countries.

- Always wear protective shoes or protective boots. Steel toes are recommended. Do not use the product barefoot.

- Wear gloves when necessary, for example when you attach, examine or clean the cutting equipment.
- Do not wear loose-fitting clothing, jewelry or other items that can get caught in moving parts.
- Keep first aid equipment and fire extinguisher close at hand.
Battery safety
WARNING: Read the warning instructions that follow before you use the product.
General:
- Read all safety warnings and all instructions. Failure to follow the warnings and instructions may result in electric shock and fire and/or serious injury.
- Regular check that the batteries are intact. Damaged or modified batteries may exhibit unpredictable behavior resulting in fire, explosion or risk of injury. Never repair or open damaged batteries.
- A damaged battery can cause an explosion and cause injury. If the battery has a deformation or is damaged, do not use the product and speak to an approved Husqvarna service agent.
- Do not dismantle, open or shred batteries.
- Do not subject batteries to mechanical shock.
- Do not expose cells or batteries to heat or fire. Avoid storage in direct sunlight.
- Do not short circuit batteries. Do not keep batteries in storage where they can short circuit each other or be short circuited by other metal objects.
- Do not allow battery content to come in contact with the skin or eyes. If contact has been made, wash the affected area with copious amounts of water and seek medical advice.
- Do not use any battery which is not designed for use with the equipment.
- Do not mix cells of different manufacture, capacity, size or type within a device.
- Keep cells or batteries out of the reach of children.
- Keep the battery clean and dry.
- Use only the battery in the application for which it was intended.
12 V battery:
- Observe the plus (+) and minus (-) marks on the battery and equipment, and ensure correct use.
- Always purchase the correct battery for the equipment.
- Wipe the battery terminals with a clean dry cloth if they become dirty.
48 V batteries:
- The Husqvarna 48 V batteries, are exclusively used as power supply for the Husqvarna hybrid P 535HX.
To avoid injury, the battery must not be used as a power source for other devices. - Never use batteries or appliances that is faulty, modified or damaged.
- Never attempt to modify or repair the appliances or the batteries. Entrust all repairs to your authorized servicing dealer only.
Fuel safety
WARNING: Be careful with fuel. It is very flammable, and can cause injury and damage to property.
WARNING: Read the warning instructions that follow before you use the product.
- Do not fill the fuel tank indoors.
- Diesel and diesel fumes are poisonous and very flammable. Be careful with diesel to prevent injury or fire.
- Do not remove the fuel tank cap or fill the fuel tank when the engine is on.
- Do not smoke when you fill fuel.
- Do not fill fuel near sparks or naked flames.
- If there are leaks in the fuel system, do not start the engine until the leaks are repaired.
- Do not fill above recommended fuel level. The heat from the engine and the sun makes the fuel expand and the fuel overflows if the tank is filled too much.
- Do not fill too much. If you spill fuel on the product, clean up the spill and wait until it is dry before you start the engine. If you spill on your clothing, change it.
- Store fuel in approved containers only.
- Store the product and fuel in such a way that there is no risk that fuel leaks or fumes can cause damage.
- Drain off the fuel in an approved container outdoors and away from naked flames.
Safety devices on the product
WARNING: Read the warning instructions that follow before you use the product.
- In this section the product’s safety features, its purpose and how checks and maintenance should be carried out to ensure that it operates correctly.
See instructions under the heading Product overview on page 3 to find where these parts are located on your product. - The life span of the product can be reduced and the risk of accidents can increase if product maintenance is not carried out correctly and if service and/or repairs are not carried out professionally. If you need further information please contact your nearest servicing dealer.
- Never use a product with defective safety components.
The product’s safety equipment must be inspected and maintained as described in this section. If your product fails any of these checks, contact your service agent to get it repaired. - All servicing and repair work on the product requires special training. This is especially true of the product′s safety equipment.
If your product fails any of the checks described below you must contact your service agent. When you buy any of our products we guarantee the availability of professional repairs and service. If the retailer who sells your product is not a servicing dealer, ask him for the address of your nearest service agent.
To do a check of the power key switch and the start buttons
- Park the product on a level surface.
- Start the product. Refer to To start the product on page 34.
- Make sure that the display comes on when you turn the power key to the ON position.
- Make sure that the electrical system starts when you push the start button for the electrical drive.
- Make sure that the engine starts when you push the start button for the hybrid drive.
- Make sure that the electrical system comes off and the engine stops immediately when you turn the power key to STOP.
Safety circuit
The engine can only be started when:
- The main switch is in the ON position and the power key is in the ON position.
The engine must stop in the situations that follow:
- The operator lifts from the seat while the product moves.
- The operator lifts from the seat while the product is stationary and the manual parking brake is disengaged.
The drive to the cutting deck or other equipment must stop in the situation that follow:
- The operator lifts from the seat while the PTO button is engaged and the manual parking brake is engaged.
To do a check of the safety circuit
- Park the product on a level surface with the engine on and the manual parking brake disengaged.
- Carefully lift from the seat. The engine stops.
- Park the product on a level surface with the engine on, PTO button engaged and the manual parking brake engaged.
- Carefully lift from the seat. The drive to the cutting deck or other equipment stops.
Do this check daily. If the engine, or drive to the cutting deck or other equipment does not stop correctly, do not use the product and speak to your Husqvarna service agent.
To do a check of the forward pedal and rearward pedal
- Start the product. Refer to To start the product on page 34.
- Make sure that the forward pedal and rearward pedal are not blocked and can be operated freely.
- Push the forward pedal carefully to move forward.
- Release the forward pedal to brake. Make sure that the brake engages when the forward pedal is released.
Note: The product has an automatic brake that engages when you release the pedals. For more brake power when you decrease the speed, push the other pedal. - Do the same procedure for the rearward pedal.
Parking brake
The product has a manual parking brake and an automatic parking brake. The automatic parking brake engages when the product is stationary.
WARNING: The automatic parking brake is not sufficient to park the product safely. Do a check of the manual parking brake daily and adjust it if it is necessary.
To do a check of the parking brake
- Put the product in a level position.
- Apply the parking brake.
- Do a check of the front parking brake. Make sure that the spring is not damaged and correctly attached.

- Remove the transmission cover. Refer to To remove the transmission cover on page 49.
- Do a check of the rear parking brake. Make sure that the spring is not damaged and correctly attached.

- Install the transmission cover.
To do a check of the electric parking brake
- Set the main switch to OFF.
Refer to To stop the product on page 35. - Remove the service hatch.
Refer to To remove the service hatch on page 48. - Examine the parking brake cables for damage. Make sure that the cable pins are correctly installed in the connector.

- Install the service hatch.
- Set the main switch to ON. Refer to To start the product on page 34.
- Park the product on a hard surface that slopes, keep the product on.
WARNING: Do not park the product on a grass slope when you do a check of the electric parking brake. - Make sure that the product cannot move. If the product starts to move, contact an approved service agent.
Roll Over Protection Structure (ROPS)
ROPS is a protective frame that decreases the risk of injury if the product overturns. Use the ROPS and the seat belt when you operate the product.
Seat belt
The seat belt prevents injury if accidents occur or the product overturns. Use the seat belt only when the ROPS is engaged. Make sure that the seat belt is correctly attached and not damaged.
Protective covers
Missing or damaged protective covers increase the risk of injury on moving parts and hot surfaces. Do a check of the protective covers before you operate the product. Make sure that the protective covers are correctly attached and do not have cracks or other damages. Replace damaged protective covers.
Muffler
The muffler keeps the noise levels to a minimum and sends the exhaust fumes away from the operator.
Do not use the product if the muffler is missing or defective. A defective muffler increases the noise level and the risk of fire.
WARNING: The muffler becomes very hot during and after use and when the engine operates at idle speed. Be careful near flammable materials and/or fumes to prevent fire.
To do a check of the muffler
- Examine the muffler regularly to make sure that it is attached correctly and not damaged.
Safety instructions for maintenance
WARNING: The product is heavy and can cause injury or damage to property or the adjacent area. Do not do maintenance on the engine or the cutting deck without the conditions that follow:
- The main switch is off.
- The servicing plug is removed, when maintenance is done on the 48 V system.
- The product is parked on a level surface.
- The manual parking brake is applied.
- The power key is removed.
- The cutting deck is disengaged. For maintenance on the cutting deck, also remove the drive shaft from the PTO shaft on the product.
WARNING: The exhaust fumes from the engine contain carbon monoxide, an odorless, poisonous and very dangerous gas. Do not use the hybrid drive in closed spaces or spaces with not sufficient air flow, only use the electrical drive.
WARNING: Read the warning instructions that follow before you use the product. - For best performance and safety, do maintenance on the product regularly as given in the maintenance schedule.
Refer to Maintenance schedule on page 40. - Electrical shocks can cause injuries. Do not touch the electrical cables when the main switch is on. For maintenance on the electrical cables to the 48 V system, the servicing plug must be removed also.
- Do not start the product if the protective covers are removed. There is a high risk of injury caused by moving or hot parts.
- Let the product become cool before you do maintenance near the engine.
- The blades are sharp and can cause cuts. Wind protection around the blades or use protective gloves when you do work on the blades.
- Always put the cutting deck in servicing position to clean it (applies only to the Combi cutting decks). Do not park the product near the edge ofa ditch or slope to get access to the cutting deck.
CAUTION: Read the caution instructions that follow before you use the product. - Do not turn over the engine.
- Make sure that all nuts and bolts are tightened correctly and that the equipment is in good condition.
- Do not change the adjustment of governors. If the engine speed is too high, the product components can become damaged. Refer to Technical data on page 67 for highest permitted engine speed.
- The product is approved only with the equipment supplied or recommended by the manufacturer.
Transport safety
- Use an approved transport vehicle for transportation of the product.
- A markets national or local regulations can set limit to the transportation of the product.
- The operator of the transport vehicle is responsible to attach the product safely during transport. Refer to To safely attach the product on a trailer for transport on page 65.
Note: To move the product with the power off, the automatic parking brake must be disengaged. Refer to To tow the product on page 66.
Assembly
To attach the cutting deck – Combi 155, R180
Note: Make sure that the cutting deck and the product are on level ground before you attach the cutting deck.
- Put the lever for the hydraulic lift arms to the position (B) to lower the lift arms.

WARNING: Do not put the lever for the hydraulic lift arms to the float position (A). The force from the lift spring can cause injury. - Carefully move the product into position in front of the cutting deck.
- Put the lift arms into the joint of the cutting deck.

- Apply the parking brake.
- Turn the power key to the STOP position.
- Install the bolts (A) and attach the pins (B) on the lift arms.
a) For the Combi cutting deck:
b) For the R180 cutting deck:
- Remove the 2 screws and remove the service hatch.

- Pull back the coupling of the drive shaft and attach the drive shaft to the PTO shaft on the product.
Note: Make sure that the arrow on the symbol points to the product.
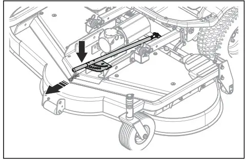
- Put the rear lock chain around the lift beam.
- Attach the rear lock chain to the drive shaft.
- Pull back the coupling of the drive shaft and attach the drive shaft to the bevel gear shaft of the cutting deck.

- . Fold the rubber casing onto the shaft joint.
- Put the front lock chain around the pipe.
- Attach the front lock chain to the drive shaft.
- Attach the service hatch and tighten the screws.
- Start the electrical drive. Refer to To start the product on page 34.
- Move the lever for the hydraulic lift arms rearward to lift the cutting deck. Lift until the pivot wheels of the cutting deck do not touch the ground.
- Apply the parking brake.
- Turn the power key to the STOP position.
- Attach the lifting eyes.
a) For the Combi cutting deck: Pull the spring (A) and attach the lifting eyes to the cutting deck (B).
b) For the R180 cutting deck: Attach the lifting eyes to the cutting deck (A) with the bolt (B) and the pin (C).
- Do a check of the parallelism of the cutting deck. Refer to To do a check of the parallelism of the cutting deck on page 57 and To do a check of the parallelism of the cutting deck on page 58
To attach the cutting deck – Combi 155 X
- Attach the cutting deck. Refer to To attach the cutting deck – Combi 155, R180 on page 27.
- Put the hydraulic hoses from the cutting deck through the loop.

- Connect the hydraulic hoses to the coupling on the product. The flange and the notch must line up correctly.
Note: The position of the hydraulic hoses controls the operation function of the cutting height lever. To change the operation function of the cutting height lever, change the position of the hydraulic hoses.
To remove the cutting deck
- Park the product on level ground.
- Apply the parking brake.
- Move the lever for the hydraulic lift arms rearward to fully lift the cutting deck.
- Turn the power key to the STOP position.
- For the Combi 155 X cutting deck, release the couplings and disconnect the hydraulic hoses.
- Release the lifting eyes.
a) For the Combi cutting decks: Pull the spring (A) to release the lifting eyes (B) on the cutting deck.
b) For the R180 cutting deck: Remove the pin (A) and the bolt (B) to release the lifting eyes on the cutting deck (C).
- Start the electrical drive. Refer to To start the product on page 34.
- Put the lever for the hydraulic lift arms to the position (B) to lower the lift arms.

WARNING: Do not put the lever for the hydraulic lift arms to the float position (A). The force from the lift spring can cause injury. - Turn the power key to the STOP position.
- Remove the 2 screws and remove the service hatch.

- Pull back the rubber casing from the shaft joint.
- Pull back the couplings of the drive shaft and remove the drive shaft from the PTO shaft on the product.
- Pull back the couplings of the drive shaft and remove the drive shaft from the bevel gear shaft of the cutting deck.
- Remove the locking chains.
- Remove the pins (A) and the bolts (B) from the lift arms (C) and joints of the cutting deck (D).
a) For the Combi cutting decks:
b) For the R180 cutting deck:
To put the Roll Over Protection Structure (ROPS) in position for the first time
For the transportation of the product from the factory, the ROPS is folded above the seat.
- Remove the screws that attaches the ROPS to the product.

- Turn the ROPS 180 degrees.
- Install the ROPS with the screws. Tighten the M16 nut to 47 Nm.
- Engage or disengage the ROPS. Refer to To engage and disengage the Roll Over Protection Structure (ROPS) on page 31.
To engage and disengage the Roll Over Protection Structure (ROPS)
- Remove the 2 bolts that hold the ROPS and fold it rearwards to disengage. Engage the ROPS in the opposite sequence.

WARNING: Obey the following instructions for the ROPS and the seat belt.
- Do not use the seat belt if the ROPS is disengaged.

- Always use the seat belt when the ROPS is engaged.

- Make sure that the ROPS is correctly attached and not damaged.
Operation
Introduction
WARNING: Before you operate the product, you must read and understand the safety chapter.
Display
Time, language and system menu When you start the product for the first time, the language and time menu open automatically. After that first time, you can get access to the time, language and system menus through the display.![]()
- Push the time, language and system symbol.
Note: This symbol shows on the display when the product is stationary for more than 6 seconds.
To set the time on the display
![]()
- Push the symbol for time, language and system on the display.
- Push the time symbol.
- Push “24h” or “12h” to set the time format.
- Push the “+” or “-” to set the hours and minutes.
To select language![]()
- Push the symbol for time, language and system on the display.
- Push the language symbol.
- Push a language.
To see system information and to do a factory reset![]()
- Push the symbol for time, language and system on the display.
- Push the symbol for system information.
- Push “factory reset” to reset time and language.
To adjust the brightness of the display![]()
- Push the brightness symbol on the display.
- Push the “+” or “-” to adjust the brightness of the display.

To connect the power supply (accessory)
WARNING: An incorrectly used, broken or a defective power supply can cause an electrical shock, overheating or battery leakage. Regularly examine that the power supply and the batteries are not damaged.
CAUTION: Do not use the power supply in conditions where temperatures are below 0°C or above 40°C.
- Connect the power supply to a grounded mains socket and to the product.
To fill fuel
WARNING: Diesel fuel is very flammable. Be careful and refuel outdoors. Refer to Fuel safety on page 20.
WARNING: Do not use the fuel tank as a support area.
CAUTION: Incorrect type of fuel can result in engine damage.
- To agree with the emission regulations, the diesel fuel must comply with the standard EN590 or ASTM D975 and have a Sulphur content of less than 500ppm or 0,05% of weight. Refer to the Kubota Operators Manual for further information regarding fuel quality.
- Use diesel fuel with a minimum cetane rating of 45. Do not use diesel fuel that has a RME mix that contains more than 5% in mineral oil-based fuels.
Note: It is necessary to use fuel for cold weather if the temperature is below 0°C / +32°F. Speak to your Husqvarna servicing dealer for more information. - Do a check of the fuel level before each use and refuel if it is necessary.
- Do not fill fuel above the maximum level mark on the fuel tank.
To adjust the seat
WARNING: Do not adjust the seat during operation of the product.
- To adjust the seat forward and rearward, pull lever (A) below the front edge of the seat. Move the seat (B) to the correct position.

- To adjust the suspension of the seat, pull the lever (C) to the left. Pull the lever up for more suspension and push the lever down for less suspension. Pull or push the lever until the arrow is in the middle of the window (D), for the correct suspension in relation to the weight of the operator.
• To adjust the backrest, pull the lever (E) to the left of the seat. Move the backrest to the correct position.
Note: The backrest can also be fully lowered and used as rain protection.
WARNING: Do not fold the complete seat for rain protection. Water can cause damage to the 48 V batteries.
- To adjust the lumbar support, turn the lever (F) to the left of the backrest. Turn the lever counterclockwise for more support.

- To adjust the armrests up and down, turn the adjustment screw.
To apply and release the parking brake
- To apply the parking brake, pull the parking brake lever fully rearward into the parking brake holder.

- To release the parking brake, move the parking brake lever fully forward.
To start the product for the first time
To start the product for the first time, you must first install the servicing plug and the main switch.
- Get the servicing plug and the main switch from the plastic bag at the steering wheel.
- Install the servicing plug. Refer to To remove and install the servicing plug for the 48 V system on page 49.
- Install the main switch. Refer to Product overview on page 3 and To start the product on page 34.
To start the product
- Push down and turn the main switch to the ON position.

- Turn the power key to the ON position. Wait until the symbols and gauges show on the display.
Note: The product is on but does not move if you push the forward or rearward pedals.
Note: The product is on for 3 minutes. To operate the product after 3 minutes, turn the power key again. - Push the start button for the electrical drive (A). The motor for the hydraulic system starts and then stops again.

CAUTION: Do not use the product if the temperature in the 48 V batteries are less than 0 °C/32 °F.
WARNING: When the hydraulic motor stops, the product is in operation and without noise. If the manual parking brake is not engaged, the product moves if you push the forward or rearward pedal.
Note: If you get a fault indication when the product is in electrical drive, you must push the start button for the electrical drive again. For example if you lift from the seat and the manual parking brake is not engaged. - Push the start button for the hybrid drive (B) to start the engine.
Note: You can also start the hybrid drive directly, without the electrical drive is on, if the product is stationary.
To do a preheating of the product
If the product is in storage in a cold environment, the internal temperature of the 48 V battery can become too low to let the product operate correctly. It is then necessary to do a preheating procedure.
If the internal temperature is between -15°C and 0°C, the product can be moved at low speed to an applicable location for the preheating procedure. Only use the hybrid mode. If the internal temperature is lower than -15°C, it is not possible to move the product or do the preheating.
CAUTION: Preheating uses the diesel engine and must be done outdoors or in an area with sufficient airflow.
- If the internal temperature of the 48 V battery is lower than -15°C, wait until the temperature increases above -15°C.
- Make sure that the product is in an applicable location.
- Start the product.
- Set the PTO speed switch to high speed.
- Push the hybrid button to start the hybrid mode and to start preheating. The preheating continues until the internal temperature of the 48 V battery is above 0°C. The display shows the status of the preheating process.
Note: Do not use the product during the preheating process.
To stop the product
- Park the product on level ground.
- Apply the manual parking brake.
- If the cutting deck is engaged, push the PTO button to disengage the drive on the cutting deck.

- Push the lever for the hydraulic lifting arms forward to lower the cutting deck to the ground.

- urn the power key to the STOP position. The hydraulic system pressure releases.
Note: To stop the hybrid drive only, push the start button for the electrical drive. - At the end of operation or when you do maintenance on the product, turn the main switch of the 12 V electrical system to OFF.

To operate the product
- Start the product. Refer to To start the product on page 34.
- Release the parking brake.

- Carefully push down 1 of the speed pedals. The speed increases the more the pedal is pushed down. Use pedal (A) to move forward, and pedal (B) to move rearward.

- Release the pedal to brake. To brake harder, push down the other speed pedal.
To select a drive mode
The product has 3 available drive modes (Comfort, Standard and Dynamic). Standard drive mode is set from the factory. The last selected drive mode is saved.
Note: It is not possible to select a new drive mode when you sit on the seat.
- Stay on the right side of the product and make sure that the OPC is not engaged. Refer to Operator presence control (OPC) on page 9.
- Turn the power key to the ON position.

- Push and hold the start button for the electrical drive. After 10 seconds, the battery level status bar and battery level status % flashes.

- Continue to hold the start button and turn the PTO speed switch to select drive mode.
The battery level status shows which drive mode (A), (B) or (C) is selected.
• (A) Comfort mode: 0-30%.
• (B) Standard mode: 0-60%.
• (C) Dynamic mode: 0-90%.
- Release the start button for the electrical drive.
To lower the cutting deck to the float position
- Start the electrical drive. Refer to To start the product on page 34.
- Move the lever for the hydraulic lifting arms forward to lower the cutting deck to the float position.
3. Start the hybrid drive. Refer to To start the product on page 34.
4. Pull the PTO button out to engage the drive on the cutting deck blades.
To lift the cutting deck
- Start the electrical drive. Refer to To start the product on page 34.
- If the cutting deck is engaged, push the PTO button in to disengage the drive on the cutting deck.

- Move the lever for the hydraulic lifting arms rearward to lift the cutting deck.

To set the PTO speed
Turn the PTO speed switch to (A), (B) or (C).
- (A) Low speed.
- (B) Reduced speed.
- (C) High speed.
Note: Refer to Technical data on page 67 for the PTO speed rpm.
To adjust the ground pressure of the hydraulic lifting arms
The hydraulic lifting arms has a gas spring that helps to increase or decrease the ground pressure from the pivot wheel on the cutting deck.
- Remove the cutting deck. Refer to To remove the cutting deck on page 29.
- Apply the parking brake.
- Move the lever for the hydraulic lifting arms rearward to fully lift the hydraulic lifting arms.
- Turn the power key to the STOP position.
- To increase or decrease the ground pressure, remove the pin and the bolt and move the gas spring to 1 of the positions.
a) Use position (A) for the lowest ground pressure.
Position (A) is used for example when a cutting deck is attached to the product.
b) Use position (B) or (C) for increased ground pressure.
c) Use position (D) to disengage the gas spring. Position (D) is used for example when a snow blade is attached to the product
To adjust the cutting height – Combi 155
- Park the product on level ground.
- Apply the parking brake.
- Move the lever for the hydraulic lifting arms rearward to fully lift the cutting deck.
- Turn the power key to the STOP position.
- Remove the cutting height adjustment knob on the side of the cutting deck.
- Put the cutting height adjustment knob in 1 of the holes on the adjustment plate.
Note: The cutting height is shown with the numbers 1-7. Refer to the table below.Number Cutting height, mm/in 1 30/1.2 2 40/1.6 3 52/2 4 64/2.5 5 76/2.3 6 93/3.7 7 112/4.4 - Tighten the cutting height adjustment knob.
- Do steps 5-7 on the other side of the cutting deck.
- Remove the locking pin on the cutting height adjustment lever in the top left corner of the cutting deck.

- Push the cutting height adjustment lever down and pull the lever horizontally.
- Put the lever in the hole with the same number as on the adjustment plate.
Note: Make sure the same number is selected on all 3 adjustment points. 12. Attach the locking pin on the cutting height adjustment lever. - Adjust the parallelism of the cutting deck. Refer to To adjust the parallelism of the cutting deck on page 57.
To adjust the cutting height – Combi 155 X
- Park the product on level ground.
- Move the lever for the hydraulic lift arms forward to lower the cutting deck to ground position.
- Set the auxiliary power switch to position “1”.
- Move the lever for the auxiliary system forward and rearward to adjust the cutting height.
Note: The selected cutting height is shown with the numbers 1-7 on the cutting deck. Refer to the table below.Number Cutting height, mm/in 1 30/1.2 2 40/1.6 3 52/2 4 64/2.5 5 76/2.3 6 93/3.7 7 112/4.4 - Adjust the parallelism of the cutting deck. Refer to To adjust the parallelism of the cutting deck on page 57.
To adjust the cutting height – R180
- Park the product on level ground.
- Apply the parking brake.
- Move the lever for the hydraulic lift arms rearward to fully lift the cutting deck.
- Turn the power key to the STOP position.
- Remove the locking pin on the adjustment lever for cutting height.

- Lift the adjustment lever for cutting height and pull the lever horizontally.
Note: Refer to the table below for which cutting height that agrees with which number.Number Distance rings, above/below Cutting height, mm/in. 1 3xA+3xB/0 30/1.2 2 3xA+2xB/1xB 40/1.6 3 3xA+1xB/2xB 50/2.0 4 3xA/3xB 60/2.4 5 2xA/1xA+3xB 75/3.0 6 1xA/2xA+3xB 90/3.5 - Attach the locking pin on the adjustment lever for cutting height.
- Hold the front wheel with 1 hand and remove the locking pin with the other hand.
- Move the distance rings up or down, refer to the table below. The distance rings have 2 thicknesses, (A) is 15 mm/0.6 in. thick and (B) is 10 mm/0.4 in. thick.

- Attach the locking pin on top of the front wheel.
- Do step 8-10 again with the second wheel.
- Adjust the parallelism of the cutting deck. Refer to To adjust the parallelism of the cutting deck on page 59.
To get a good cutting result
- For best performance, do maintenance on the product regularly as given in the maintenance schedule. Refer to Maintenance schedule on page 40.
- Do not cut a wet lawn. Wet grass can give a bad cutting result.
- Start with a high cutting height and decrease it gradually.
- Cut with blades that rotate at high speed (highest permitted engine speed, refer to Technical data on page 67). Move the product forward at low speed. If the grass is not too high and thick, you can get a good cutting result also at a higher speed.
- Cut the grass in an irregular pattern.
- To get the best cutting result, cut the grass frequently and use the BioClip® function.
Maintenance
Introduction
WARNING: Read and understand the safety chapter before you do maintenance on the product.
Maintenance schedule
* = General maintenance done by the operator. The instructions are not given in this operator’s manual.
X = Maintenance done by the operator. The instructions are given in this operator’s manual.
O = Maintenance done by the service agent. The instructions are not given in this operator’s manual.
Note: If more than one time interval is identified in the table, the shortest time interval is for the first maintenance only.
| Maintenance | Daily | Wee My | First 50 hours | Maintenance interval in hours | ||
| 200 | 400 | 800 | ||||
| Make sure that nuts and screws are tightened. | * | |||||
| Make sure that there are no fuel, water or oil leaks. | * | |||||
| Clean the product. Refer to To clean the product on page 46. | X | |||||
| Make sure that the safety devices are not defective. Refer to Safety devices on the product on page 21. | X | |||||
| Lubricate as shown in the quick maintenance guide. Refer to Quick maintenance guide on page 42. | X | |||||
| Make sure that the fuel hoses and the couplings are clean and not damaged.1 | * | * | ||||
| Make sure that the hoses for the cooling system and the couplings are clean and not damaged. | * | * | ||||
| Examine the 12 V battery. | * | |||||
| Do a check of the electrical connections and cables. | . | * | ||||
| Control the pedal linkage, adjust and grease. | 0 | |||||
| Examine and adjust the brake wire. | 0 | |||||
| Make sure that the cold air intake of the battery cooling system is not blocked. | x | X | X | |||
| Clean the battery cooling system. | X | X | ||||
| Maintenance | Daily | Wee kly | First 50 hours | Maintenance Interval In hours | ||
| 200 | 400 | 800 | ||||
| Examine the connections of the 48 V batteries. Make sure that the 48 V batteries are not loose. | . | |||||
| Check and update the product to the newest software. | 0 | |||||
| Do a check of the tension of the PTO belts and make sure the belts are not worn. | X | X | ||||
| Replace the PTO belts. | 0 | |||||
| Hydraulic system | ||||||
| Make sure that the hydraulic hoses and the hydraulic couplings are clean and not damaged. | . | . | ||||
| Do a check of the oil level in the hydraulic oil tank. | X | |||||
| Replace the hydraulic oil filter. | X | X | ||||
| Replace the hydraulic oil. | X | |||||
| Engine | ||||||
| Make sure that the cold air intake of the engine is not blocked. | . | |||||
| Do a check of the coolant level. | . | |||||
| Replace the coolant. | 0 | |||||
| Do a check of the engine oil level. | X | X | ||||
| Replace the engine oil and oil filter. | X | X | ||||
| Clean the air filter. | X | |||||
| Replace the air filter. | X | |||||
| Replace the primary fuel filter and pre-filter. | X | |||||
| Replace the alternator belt. | 0 | |||||
| Cutting deck | ||||||
| Clean the cutting deck, below the belt covers. and below the cutting deck. | X | |||||
| Examine the cutting deck for damages. | X | |||||
| Examine the blades in the cutting deck. Refer to To examine the blades on page 56and To examine the blades on page 58. | X | |||||
| Replace the blades. | X | |||||
| Examine the belt of the cutting deck for damages. | * | |||||
| Replace the belt of the cutting deck. | X | |||||
| Do a check of the oil and oil level in the bevel gear. | ||||||
| Replace the oil in the bevel gear. | X | |||||
| Do a check of the parallelism of the cutting deck. | X | X | ||||
| Maintenance | Daily | Wee KIY | First 50 hours | Maintenance interval in hours | ||
| 200 | 400 | 800 | ||||
| Wheels and transmissions | ||||||
| Examine and tighten the wheel nuts with the correct torque (84 Nm). | ||||||
| Make sure that the tire pressure is correct (1.5 bar). | X | |||||
| Replace the oil in the transmissions. | 0 | |||||
| Do a check of the oil in the transmissions. Clean the magnetic plug, if applicable. | 0 | |||||
To reset the service indicator
Note: The service indicator comes on after 50, 200, 400 and 800 hours.
- Stop the product on a level surface.
- Push the start button for the electrical drive.
- Pull the PTO button out.
- Apply and release the manual parking brake 10 times in less than 30 seconds.
Quick maintenance guide



Symbols on the quick maintenance guide
| Replace the filter | Lubricate with engine oil | ||
| Replace the oil | Do a check of the condition and tension of the drive belt | ||
| Examine visually or do a check of the oil level | Replace the drive belt | ||
| Lubricate the grease nipple with grease | Replace the blades |
Lubrication overview

| 1. Steering cylinder – front 2. Articulated steering joint 3. Link stay 4. Steering cylinder – rear | 5. Pedal shaft, 2 positions 6. Lift arms 7. Bearing housing 8. Lift cylinder |
Lubrication, general information
- Remove the power key to prevent accidental movements during lubrication.
- Use engine oil when you lubricate with an oil can.
- When you lubricate with grease, use a chassis or ball bearing grease that prevents corrosion. Remove unwanted grease after lubrication.
- Lubricate 2 times a week if you operate the product daily.
- Do not spill lubricant on the drive belts or the grooves of the belt pulleys. If you do spill, clean with alcohol. If the friction between the drive belt and the pulley is not sufficient after you clean with alcohol, replace the drive belt.
CAUTION: Do not use gasoline or other petroleum products to clean drive belts.
To lubricate cables
- Lubricate the 2 ends of the cables and move the controls to the end positions.
- Attach the rubber covers on the cables after lubrication.
- Cables with casing must be lubricated regularly to prevent malfunction.
a) Remove the cable and hang it vertically.
b) Lubricate the cable with thin engine oil until the oil starts to release from the bottom. Replace the cable if the oil does not release from the bottom.
Note: You can fill a small plastic bag with oil and seal the plastic bag against the cable casing with tape. Let the cable hang vertically from the bag until the next day.
To lubricate the cutting deck
- Lubricate the joints and the bearings with engine oil.

To lubricate the cutting deck
- Remove the right side cover.
- Lubricate the joints and the bearings with engine oil.

To lubricate the parking brake cables
- Remove the transmission cover. Refer to To remove the transmission cover on page 49.
- Remove the rubber casing on the parking brake cables.
- Lubricate the transmission end of the cable, behind the front left wheel, with engine oil.

- Lubricate the transmission end of the cable, below the transmission cover, with engine oil.

- Pull the parking brake 3 times and lubricate the parking brake cables again.
- Attach the transmission cover.
To lubricate the seat slides
- Move the seat forward.
- Lubricate the seat slides with engine oil.
- Move the seat rearward and do the procedure again.
To lubricate the steering cylinder
The steering cylinder has 2 grease nipples, one on each end.
- Lubricate with a grease gun until grease comes out.

To lubricate the articulated steering joint
- Lubricate the articulated steering bearing when the product has all wheels on the ground.

- Lift the product to release the pressure in the articulated steering. The illustration shows where to put the supports.

CAUTION: Make sure that the support does not cause damage to the control stay or causes a blockage of the articulated steering. - Lubricate the articulated steering bearing again while the product is lifted.
- Lower the product.
To clean the product
WARNING: Turn the power key to the STOP position and turn the main switch to OFF before you clean the product.
CAUTION: Do not use a high-pressure washer or a steam cleaner. Water can go into bearings and electrical connections and cause damage to the product.
Clean the product after use. Let the product cool down before you clean it.
- Before you clean the product with a wet cloth, clean the product with a soft brush or compressed air. Remove grass cuttings and dirt on and around the transmission.
- Use a wet cloth to clean the product. Clean plastic parts with a clean and dry cloth.
- Do not use water or detergents near electrical components or bearings. Liquids can cause damage to the electrical components and bearings.
- To clean the cutting deck, put the cutting deck in service position, if possible, and hose it down with water.
- When the product is clean, start the cutting deck for a short period to remove the remaining water.
To lubricate the link rod
- There are 2 grease nipples, one on each side of the link rod. Lubricate with a grease gun until grease comes out.

To clean the cold air intakes
CAUTION: Clean the cold air intakes daily or more frequently if necessary. A blocked cold air intake can make the product become too hot.
To clean the cold air intake of the battery cooling system
- Make sure that the cold air intake grille is not blocked. Remove grass and dirt with a soft brush.

To clean the cold air intake of the right side cover
- Make sure that the cold air intake grille is not blocked. Remove grass and dirt with a soft brush.

To clean the cold air intake of the engine
- Make sure that the cold air intake grille is not blocked. Remove grass and dirt with a soft brush.

To clean the battery cooling system
- Remove the cover to the battery cooling system.
Refer to To remove the cover of the battery cooling system on page 48. - Use compressed air to clean the cooling fins and the filters on the sides of the cover.
To clean the engine and the muffler
Keep the engine and muffler free from grass cuttings and dirt. Grass cuttings soaked in fuel or oil on the engine can increase the fire risk and the risk that the engine becomes too hot. Let the engine cool before it is cleaned. Clean with water and a brush.
Grass cuttings around the muffler dry quickly and are a fire risk. Use a brush or remove the grass cuttings with water when the muffler is cold.
To remove the covers
To remove and install the front cover of the steering column
- Remove the 2 screws and tilt the front cover of the steering column forward.

- Disconnect the wires.

- Hold the front cover of the steering column in a vertical position and remove it.

- Install in opposite sequence.
To remove the cover of the battery cooling system
- Remove the 2 screws and remove the cover.

To remove the service hatch
- Turn the 2 screws ¼ turn and lift off the service hatch.

To remove the service lid
- Turn the 2 screws ¼ turn counterclockwise to open them.

- Pull the service lid rearward to release it from the hooks.
To remove the cover of the control box
- Turn the 3 screws ¼ turn counterclockwise and remove the cover.

To remove the right side cover
- Remove the 5 screws and remove the side cover.

To open and remove the engine cover
- Remove the rubber straps on the right and the left side of the engine cover.
- Open the engine cover rearward.
Note: Loosen the bolts to remove the engine cover fully. - To get full access to the engine, tilt the seat forward.
To remove the transmission cover
- Remove the screws.

- Lift and remove the transmission cover.
To tilt the seat forward
- Pull the locking lever up and tilt the seat forward.

To remove and install the servicing plug for the 48 V system
- Tilt the seat forward. Refer to To tilt the seat forward on page 49.
- Turn the servicing plug counterclockwise to remove it.

- Put the servicing plug in position and turn it clockwise to install it.
Danger There continues to be voltage on the battery terminals when the servicing plug has been removed.
To replace the headlights
- Remove the front cover of the steering column.
Refer to To remove and install the front cover of the steering column on page 47. - Remove the 3 screws of the headlights.

- Remove the headlights.
- Assemble in opposite sequence.
Fuses
To replace a blade fuse
A broken blade fuse is identified by a burned fuse wire.
- Pull out the blade fuse from the holder.
- Replace the broken blade fuse with a new blade fuse of the same type.
Note: If the blade fuse breaks again a short period after you replace it, there is a short circuit. Repair the short circuit before you operate the product again. Let an approved service agent help you.
To replace a bolt-down fuse
A broken bolt-down fuse is identified by a burned fuse wire.
- Turn the main switch to OFF.
WARNING: Make sure that there is no voltage before you touch the boltdown fuse. To touch a bolt-down fuse with voltage can result in electrical shock and serious injury. - Remove the 2 screws and the bolt down fuse from the holder.
- Replace the broken bolt down fuse with a new bolt down fuse of the same type.
Note: If the bolt-down fuse breaks again a short period after you replace it, there is a short circuit. Repair the short circuit before you operate the product again.
Let an approved service agent help you.
To replace the fuses in the fuse box
A broken fuse is identified by a burned fuse wire.
- Remove the service lid. Refer to To remove the service lid on page 48.
- Remove the cover to the fuse box. Refer to To remove the cover of the control box on page 48.
- Pull out the fuse from the holder.
- Replace the broken fuse. Refer to To replace a blade fuse on page 49.
- Install the covers.
To replace the fuses of the 48 V electrical system
You find the fuses of the 48 V electrical system behind the battery cooling system.
- Remove the servicing plug. Refer to To remove and install the servicing plug for the 48 V system on page 49.
- Remove the cover to the battery cooling system. Refer to To remove the cover of the battery cooling system on page 48.
- Remove the 2 screws on the top of the battery cooling system and tilt the battery cooling system forward.

- Replace the fuse. Refer to Fuse overview on page 6 and To replace a blade fuse on page 49.
- Install the battery cooling system and the cover in opposite sequence.
To replace the fuses of the 12 V electrical system
You find the fuses on the side of the 12 V battery.
- Open the engine cover. Refer to To open and remove the engine cover on page 48.
- Turn the main switch to OFF.
- Push the snap locks on each side of the fuse cover and pull out the fuse cover.

- Replace the fuse. Refer to To replace a bolt-down fuse on page 50.
- Install in the opposite sequence.
To clean and replace the air filter
CAUTION: Do not start the engine when the air filter is removed.
- Open the engine cover.
- Loosen the 2 latching devices that hold the air filter cover.

- Remove the air filter cover.
- Remove the air filter cartridge from the filter housing.

- Clean the inner surface of the air filter housing with a dry cloth.
- Hit the air filter cartridge carefully against a hard surface. Replace the air filter if it does not become clean or if it is damaged.
CAUTION: Do not use compressed air to clean the air filter. - Put the air filter cartridge in its initial position in the filter housing. Make sure that the air filter cartridge is correctly installed on the top of the air intake.
- Install the air filter cover and make sure that the particle collector points down.

To do a check of the engine oil level
- Park the product on level ground and stop the engine.
- Open the engine cover.
- Loosen the dipstick and pull it out.
- Clean the oil from the dipstick.
- Put the dipstick in the dipstick opening.
- Pull the dipstick out and read the oil level.
- The oil level must be between the marks on the dipstick.

- If the oil level is low, fill with engine oil and do a check of the oil level again.
Note: See Technical data on page 67 of engine oil recommended. Do not mix different types of oil. - Tighten the dipstick correctly before you start the engine. Start and idle the engine for approximately 30 seconds. Stop the engine. Wait 30 seconds and do a check of the oil level again.
To change the engine oil and the oil filter
If the engine is cold, start the engine for 1–2 minutes before you drain the engine oil. This makes the engine oil warm and easier to drain.
WARNING: Do not operate the engine for more than 1–2 minutes before you drain the engine oil. The engine oil becomes very hot and can cause burn injuries. Let the engine become cool down before you drain the engine oil.
WARNING: If you spill engine oil on your body, clean with soap and water.
- Put a container below the oil drain plug on the left side of the engine.

- Remove the oil drain plug.
- Remove the dipstick.
- Drain the oil into the container.
- Put a new gasket on the oil drain plug. Attach the oil drain plug and tighten it.
- Turn the oil filter counterclockwise to remove it.

- Lightly lubricate the rubber seal on the new oil filter with new oil.
- To attach the oil filter, turn it clockwise by hand until the rubber seal is in position, then tighten a half turn more.
- Fill with new oil as given in Technical data on page 67.
- Start the engine and let it run at idle speed speed for 3 minutes.
- Stop the engine and make sure that the oil filter does not leak.
- Do a check of the oil level.
Note: For safe disposal of used engine oil, see Disposal on page 66.
To replace the fuel filters
To replace the fuel prefilter
You find the fuel prefilter below the battery housing on the left side of the product.
WARNING: Use protective gloves to prevent skin irritation. Fuel can come from the fuel filter and onto your skin.
- Remove the screw to the clamp that holds the fuel prefilter in position.
- Pull the fuel filter out from the clamp.
- Loosen the screws to the hose clips.
- Move the hose clips away from the fuel prefilter with a pair of flat pliers.
- Pull off the fuel prefilter from the hose ends. There is a risk of a small fuel leak.

- Make sure that the new fuel prefilter is in the correct direction for the fuel flow. Push the new fuel prefilter into the ends of the hoses. Apply liquid detergent to the ends of the fuel prefilter to make the connection easier.
- Push the hose clips against the fuel prefilter.

- Tighten the screws to the hose clips and install the fuel prefilter in the clamp.
To replace the paper filter in the main filter
- Open the engine cover. Refer to To open and remove the engine cover on page 48.
- Remove the air filter. Refer to To clean and replace the air filter on page 50.
- Close the fuel valve (A).
- Turn the locknut (B) ½ a turn counterclockwise and remove the filter housing.
- Remove the paper filter.

- Put a new paper filter in the filter housing.
- Turn the locknut ½ a turn clockwise to attach the filter housing.
The hydraulic system
To keep the hydraulic system clean
WARNING: Oil is dangerous to the environment and leakage can cause damage to the lawn. Repair oil leaks immediately.
- Before you disconnect parts of the hydraulic system, make sure that the parts and the area around them are clean.
- Use clean containers when you fill new oil.
- Only use clean oil that has been kept in sealed containers.
- Do not use drained oil again.
- Obey the oil and filter change intervals specified in the maintenance schedule. Refer to Maintenance schedule on page 40.
Make sure that contamination does not go into the hydraulic system. Particles can cause wear, damage and malfunctions. If dirt enters the system, the filters will get blocked and will not operate correctly.
Do not open the hydraulic system unless it is necessary.
The risk of contamination increases each time the hydraulic system is opened.
To do a check of the oil level in the hydraulic system
- Remove the service lid. Refer to To remove the service lid on page 48
- Remove the right side cover. Refer to To remove the right side cover on page 48.
- Do a check of the oil level in the sight glass. The oil level must be near the mark in the lower part of the sight glass.

- If the oil level is too low, fill the hydraulic system with hydraulic oil. Refer to To fill the hydraulic system on page 53.
To fill the hydraulic system
- Remove the service lid. Refer to To remove the service lid on page 48
- Remove the right side cover. Refer to To remove the right side cover on page 48.
- Remove the side hose (A) from the coupling.

- Make sure that the opening in the coupling is closed or attach a hose to the coupling and hold it up.
- Open the lid (B).
- Use a funnel to fill the hydraulic oil into the opening.
Fill until the level is at the lower edge of the sight glass.
- Install the lid, the side hose and the covers in opposite sequence.
To drain the hydraulic system
- Remove the service lid. Refer to To remove the service lid on page 48
- Remove the right side cover. Refer to To remove the right side cover on page 48.
- Open the lid for the hydraulic system. Refer to To fill the hydraulic system on page 53.
- Remove the drain plug and drain the hydraulic oil.

- Install the lid, drain plug and covers in opposite sequence.
To replace the hydraulic oil filter
- Drain the hydraulic system. Refer to To drain the hydraulic system on page 54.
- Turn the hydraulic oil filter counterclockwise to remove it.

- Apply new oil to the rubber gasket on the new oil filter.
- Install the new hydraulic oil filter. Tighten by hand.
- Fill the hydraulic system. Refer to To fill the hydraulic system on page 53.
To adjust the PTO-belts
- Release the lock nut (A).
- Tighten the adjustment screw (B) until the sleeve (C) cannot be rotated by hand.
- Hold the adjustment screw (B) and tighten the lock nut (A).

To do a check of the coolant level
- Park the product on level ground and stop the engine.
- Open the engine cover. Refer to To open and remove the engine cover on page 48.
- Open the coolant cap.
- Do a check of the coolant level. Fill the coolant tank if it is necessary. Refer to Technical data on page 67.

- Do a check of the coolant level in the expansion tank. The level must be at the LOW mark when the engine is cold.

Tire pressure
Refer to Technical data on page 67 for the correct tire pressure.
Cutting deck – C132, C155
To put the cutting deck in servicing position
- Do the procedure in To remove the cutting deck on page 29 but do not disconnect the lift arms.
- Remove the service stay from the cutting deck.

WARNING: Attach the service stay and the safety straps when the cutting deck is in servicing position. To not use the service stay or safety straps correctly can result in serious injury or death. - Attach the service stay to the red point below the bottom plate.

- Pull the pin on the other end of the service stay.
Attach the service stay to the red mark on the pipe on the cutting deck.
- Start the engine.
- Move the lever for the hydraulic lift arms rearward to lift the cutting deck fully.
- Attach 1 end of the safety straps around the pipe adjacent to the steering column (A).

- Attach the other end of the safety strap around the pivoting wheels of the cutting deck (B).
- To put the cutting deck in mow position, follow the instructions in the opposite sequence.
To remove and attach the BioClip® plug
- Put the cutting deck in servicing position.
- Remove the 3 screws that hold the BioClip® plug and remove the plug.

- Attach 3 M8x15 mm screws in the screw holes for the BioClip® plug to prevent damage to the threads.
- Put the cutting deck in mow position.
- Attach the BioClip® plug in the opposite sequence.
To examine the blades
CAUTION: Damaged or incorrectly balanced blades can cause damage to the product. Replace damaged blades. Let an approved service agent help you sharpen and balance blunt blades.
- Put the cutting deck in servicing position.
- Look at the blades to see if they are damaged and if it is necessary to sharpen them.

- Tighten the blade bolts with tightening torque (8.15-8.56 kpm / 59-62 lbft) 80-84 Nm.
To replace the blades
- Put the cutting deck in servicing position.
- Lock the blade with a wooden block (A).

- Loosen and remove the blade bolt (B), the washers (C) and the blade (D).
- Assemble the new blade with the ends that have an angle in the direction of the cutting deck.
WARNING: Incorrect blade type can cause objects to eject from the cutting deck and cause serious injury.
Use only the blades given in Technical data on page 67. - Attach the blade, the washer and the bolt. Tighten the bolt with a torque of (8.15-8.56 kpm / 59-62 lbft) 80-84 Nm.
To do a check of the oil level in the bevel gear of the cutting deck
- Park the product on a level surface.
- Lower the cutting deck to mow position.
- Put a clean metal rod into the gear housing. The metal rod must be a minimum of 100 mm long and maximum 3 mm in diameter.

- Lower the metal rod to the bottom of the gear housing.
- Pull the metal rod out and read the oil level.
- Measure the part of the metal rod that has oil on it.
There must be oil on 15 mm of the metal rod. - Fill with gearbox oil if the oil level is less than 15 mm of the metal rod. Refer to Technical data on page 67 for recommended oil.
To replace the oil in the bevel gear of the cutting deck
- Remove the cutting deck. Refer to To remove the cutting deck on page 29.
- Put the cutting deck on its front edge and drain the oil through the oil fill plug.
- Let the oil run out into a container.
- Fill with 80 ml new hydraulic oil as given in Technical data on page 67.
To do a check of the parallelism of the cutting deck
- Do a check of the air pressure in the tires. Refer to
Tire pressure on page 55. - Park the product on a level surface.
- Lower the cutting deck to mow position.
- Set the cutting height lever to the middle position.
- Measure the distance between the ground and the front and rear edges of the cutting deck.
a) Combi 155 must be measured in 2 areas. Make sure that the rear edge is 6–9 mm (1/4 – 3/8 in.) higher than the front edge.
b) Combi 155 X must be measured in 4 areas. Make sure that the rear edge is 6–9 mm (1/4 3/8 in.) higher than the front edge.
To adjust the parallelism of the cutting deck
- Turn the track rod to extend it or make it shorter.
Extend the track rod to lift the rear edge of the cover.
Make the track rod shorter to lower the rear edge of the cover.
- Tighten the nuts on the track rod.
- Do a check of the parallelism. Refer to To do a check of the parallelism of the cutting deck on page 57.
- Attach the front cover.
To replace the belt on the cutting deck
- Remove the 3 screws that hold the belt cover.
- Remove the belt cover.
- Attach the service stay to the tension spring.
- Push the service stay and remove the belt.

- Attach the belt around the pulleys as shown in the illustration.

Cutting deck – R180
To examine the blades
WARNING: Damaged or incorrectly balanced blades can cause damage to the product. Replace damaged blades. Let an approved service agent help you sharpen and balance blunt blades.
- Look at the blades to see if they are damaged and if it is necessary to sharpen them.
- Tighten the blade bolts with tightening torque 125 Nm (12.75 kpm / 92 lbft).
To replace the blades
- Lock the blade with a wooden block (A).

- Remove the bolt (B), the washers (C) and the blade (D).
- Assemble the new blade with the ends that have an angle in the direction of the cutting deck.
WARNING: Incorrect blade type can cause objects to eject from the cutting deck and cause serious injury. Only use approved blades. Refer to Technical data on page 67. - Attach the blade, the washer and the bolt. Tighten the bolt with a torque of 125 Nm (12.75 kpm / 92 lbft).
To do a check of the oil level in the bevel gear of the cutting deck
- Park the product on a level surface.
- Lower the cutting deck to float position.
- Do a check of the oil level in the sight glass of the bevel gear. The oil level must be near the mark in the middle of the sight glass.
- If the oil level is too low, fill with oil to the middle of the sight glass. Refer to Technical data on page 67 for the correct oil.
To replace the oil in the bevel gear of the cutting deck
- Remove the cutting deck. Refer to To remove the cutting deck on page 29.
- Remove the sight glass.
- Drain the oil. Use a suction device with a plastic hose. Make sure that the plastic hose gets the oil at the bottom of the bevel gear.

To do a check of the parallelism of the cutting deck
- Do a check of the air pressure in the tires. Refer to Tire pressure on page 55.
- Park the product on a level surface.
- Lower the cutting deck to float position.
- Set the adjustment lever for cutting height to the middle position.
- Measure the distance between the ground and the front and rear edges of the cutting deck. The distance is measured in 2 areas. Make sure that the rear edge is 6–9 mm (1/4 – 3/8 in.) higher than the front edge.

To adjust the parallelism of the cutting deck
- Loosen the lock nut.

- Turn the track rod to extend it or make it shorter.
Extend the track rod to lift the rear edge of the cover.
Make the track rod shorter to lower the rear edge of the cover. - Tighten the lock nut.
- Do a check of the parallelism. Refer to To do a check of the parallelism of the cutting deck on page 58.
To replace the belt on the cutting deck
WARNING: Only do work on the belt with the power off and the drive shaft removed.
WARNING: Use eye protection when you do work on the cutting deck. The belt tension spring can break and cause injury.
- Remove the belt covers.
- Loosen the nut to the belt tension spring.

- Remove the belt.
- Install the belt around the pulleys as shown in the illustration.

- Tighten the nut until the belt has the correct tension. 50 N 15 mm / 0.6 in.

To charge the 12 V battery
Charge the battery if it is too weak to start the engine, and during storage of the product.
- Open the engine cover. Refer to To open and remove the engine cover on page 48.
- Turn the main switch to OFF.
- Loosen the 2 screws to the air filter holder. Put the air filter holder and the air filter to the side.

- Remove the negative cable from the battery.
- Remove the positive cable from the battery.
- Use a standard battery charger to charge the battery.
- Install the cables and air filter holder in opposite sequence.
To replace the 12 V battery
- Disconnect the battery. Refer to To charge the 12 V battery on page 59.
- Remove the 2 screws on the battery holder.
- Lift the battery holder and remove the battery.
- Replace the battery with a battery of the same type and voltage.
- Install the battery, battery holder and air filter in the opposite sequence.
Troubleshooting
If you cannot find a solution to your problems in this manual, speak to your Husqvarna service agent.
| Problem | Cause |
| You can start the product, but you cannot operate it. | The temperature in the 48 V batteries is less than 0 °C/32 °F. |
| The starter motor does not turn the engine. | The main switch is in off position. |
| The PTO button is engaged. | |
| The parking brake is not applied. Refer to To apply and release the parking brake on page 34. | |
| The main fuse is blown. Refer to Fuse overview on page 6. | |
| The power key is defective. | |
| The connection between the cable and the battery is bad. | |
| The battery is too weak. Refer to To rep/ace the 12 V battery on page 60. | |
| The starter motor is defective. | |
| The OPC sensor is defective or the operator is not in the seat. | |
| The engine does not start when the starter motor turns the engine. | There is no fuel in the fuel tank. Refer to To fill fuel on page 32. |
| The fuel filter is clogged. | |
| Preheating is too short or defective. | |
| There is air in the fuel system. | |
| No fuel enters the fuel injectors. | |
| The engine is defective. | |
| The engine does not run smoothly. | The fuel filter is clogged. Refer to To replace the fuel filters on page 52. |
| The air filter is clogged. Refer to To clean and replace the air filter on page 50. | |
| The fuel tank venting is blocked. | |
| The fuel pressure is too low. | |
| The fuel injection pipe is loose. | |
| There is water in the fuel. | |
| The engine is defective. | |
| There is incorrect fuel type in the fuel tank. | |
| The fuel injector is defective. | |
| The fuel injection pump is defective. | |
| The fuel pump is defective. | |
| The engine is too hot. | The cold air intake or the cooling fins are blocked. |
| The engine has too high load. | |
| The coolant level is too low. | |
| The engine oil level is too low. | |
| The product releases black smoke. | The fuel injector is defective. |
| The fuel injection pump is defective. | |
| The air filter is clogged. Refer to To clean and replace the air filter on page 50. | |
| There is incorrect fuel type in the fuel tank. | |
| The product releases blue smoke. | The engine oil level is too high. |
| The engine is defective. | |
| The product releases white smoke. | The cylinder in the engine is defective. |
| Coolant water enters into the combustion chamber. | |
| The engine apparently has no power. | The air filter is clogged. Refer to To clean and replace the air filter on page 50. |
| The fuel filter is clogged. Refer to To replace the fuel filters on page 52. | |
| There is air in the fuel system. | |
| The fuel pressure is too low. | |
| The fuel pump is defective. | |
| The fuel injection pump is not synchronized. | |
| The engine is defective. | |
| The 12 V battery does not charge. | The 12 V battery is defective. Speak to your Husqvarna service agent. |
| The connection at the cable connectors on the 12 V battery terminals is bad. | |
| The DC/DC charger is defective. | |
| The 12 V generator is defective | |
| There is vibration in the product. | The blades are loose. Refer to To examine the blades on page 56. |
| One or more of the blades are not balanced. Refer to To replace the blades on page 56. | |
| The engine is loose. | |
| The bevel gear is loose. | |
| There is an object in the PTO belt pulley. | |
| The engine is defective. | |
| The drive shaft is defective. | |
| The vibration damping units and/or rubber connectors are worn out. | |
| The cutting result is unsatisfactory. | The blades are blunt or damaged. Refer to To replace the blades on page 56. |
| The grass is long or wet. Refer to To get a good cutting result on page 40. | |
| The cutting deck is not parallel to the ground. Refer to To do a check of the parallelism of the cutting deck on page 57 and To do a check of the parallelism of the cutting deck on page 58. | |
| There is grass blockage in the cutting deck. Refer to To clean the product on page 46. | |
| The tire pressure is different on the right and left sides. Refer to Tire pressure on page 55. | |
| The pivoting wheels have different tire pressure on the right and left sides. Refer to Technical data on page 67. | |
| The product is operated at too high speed. Refer to To get a good cutting result on page 40. | |
| The engine speed is too low. Refer to Technical data on page 67. | |
| The belt tension is not correct. | |
| The 48 V batteries does not charge. | The battery temperature is less than 0 °C. |
| The power supply is not correctly connected. | |
| The connectors of the power supply are dirty or damaged. | |
| The 48 V batteries are too hot. | The battery cooling system is dirty. Refer to To clean the battery cooling system on page 47. |
| The battery cooling fan is defective. | |
| The batteries are dirty. |
Display – Troubleshooting
| Symbol | Name | Shows on the display | Cause / Action |
| Critical error | The symbol and information text shows. | Press the information button to enter the troubleshooting menu. If there is a parking brake fault, do a check of the electric parking brake cable. Refer to To do a check of the electric parking brake on page 24. Speak to your Husqvarna servicing dealer if the problem stays. | |
| Operate the product to where you can park safely. Press the Information button to access the troubleshooting menu. If it shows no action, speak to your Husqvarna servicing dealer. | |||
| Operate the product to where you can park safely Press the Information button to access the troubleshooting menu. If the hydraulic control unit is overheated, clean the air intake and wait for the control unit to cool down. | |||
| Engine is too hot | The symbol shows. | The engine temperature is too high. Speak to your Husqvarna servicing dealer if the problem stays. | |
| Oil pressure low | The symbol shows. | The oil pressure is low. Do not use the product and speak to your Husqvarna servicing dealer. | |
| Generator fault indicator | The symbol is yellow. | The 48 V generator is too hot. | |
| The symbol is red. | The 48 V generator has a fault. | ||
| Hybrid mode disabled | The symbol shows. | Speak to your Husqvarna servicing dealer. | |
| 12 V battery level indicator | The symbol shows. | Low voltage. Refer to To charge the 12 V battery on page 59. | |
| 48 V batteries level indicator | The symbol is white. | The batteries level is in the correct range. | |
| The symbol is yellow. | The batteries level is low. | ||
| The symbol is red. | The batteries are empty. | ||
| Battery temperature indicator | The symbol shows. | The 48 V batteries are too cold. | |
| Preheating battery | The symbol shows. | Preheating of 48 V batteries are running. | |
| 48 V batteries overcharged | The symbol shows. | The 48 V batteries are fully charged and no more charge is accepted. For example when you go down a slope when the 48 V batteries are fully charged. Start the hybrid drive to decrease the batteries level. | |
| 48 V batteries reserve | The symbol shows. | The hybrid mode is disabled and the 48 V batteries re-serve is used (<20%). The 48 V batteries can only be charged with the power supply. Do not use the product and speak to your Husqvarna servicing dealer if this symbol shows. | |
| PTO button indicator | The symbol shows. | The PTO button is engaged. Refer to PTO (Power Take-Oft) button on page 9. | |
| The symbol is yellow. | Incorrect start or stop procedure. Refer to To stop the product on page 35 | ||
| PTO button indicator | The symbol shows. | The PTO button is engaged but there is no drive to the blades or other equipment. Refer to PTO (Power TakeOft) button on page 9. | |
| Parking brake indicator | The symbol shows (red). | The manual parking brake is engaged. | |
| OPC indicator | The symbol is yellow. | The operator presence control (OPC) is engaged. For example if the operator lifts from the seat. Refer to Operator presence control (OPC) on page 9. | |
| The symbol is red. | The seat microswitch is engaged and the PTO button is engaged. The drive to the blades or other equipment stops automatically. Refer to Safety circuit on page 22. | ||
| Service indicator | The symbol shows. | Servicing is necessary. Speak to your Husqvarna servicing dealer. | |
| Fuel level | The symbol is white. | The fuel level is in the correct range. | |
| The symbol is yellow. | The fuel level is low. | ||
| The symbol is red. | The fuel tank is empty. | ||
| Bluetooth® | The symbol shows. | A Bluetooth® device is connected to the product. |
Note: The symbols and the positions of the symbols on the display can be different between different models.
Transportation, storage and disposal
Transportation of batteries
- The supplied 48 V batteries obey the requirements of the Dangerous Goods Legislation.
- Obey the special requirement for packaging and labels for commercial transportation by third parties and forwarding agents.
- Speak to a person with special training in dangerous material before you send the product. Obey all applicable national regulations.
- Use tape on open contacts when you put the battery in a package. Put the battery in a tight package to prevent movement.
To safely attach the product on a trailer for transport
Before you attach the product, you must read and understand the safety chapter. Refer to Transport safety on page 27.
WARNING: The parking brake is not sufficient to lock the product during transport. Attach the product tightly to the load area.
Equipment: 4 approved straps and 4 wheel chocks.
- Park the product in the center of the load area.

WARNING: For transport in transport vehicles with a cover. Make sure that the product is cool before you put the product in the transport vehicle. - Make sure that the center of gravity of the product is above the wheel axle of the transport vehicle. If a trailer is used for transport, make sure that the down force on the tow bar is correct.

- Apply the parking brake.
- Lower the cutting deck to the float position.
- Remove all loose objects.
- Put the first strap through the rear transmission frame.

- Put the second strap through the rear transmission frame.
- Attach the straps to the load area.
- Tighten the straps rearward to attach the product to the load area.
- Attach the third strap to 1 of the transport eyelets.

- Attach the fourth strap to the other transport eyelet.
- Attach the strap to the load area.
- Tighten the strap forward to attach the product to the load area.
- Put the wheel chocks in front of and behind the rear wheels.

To tow the product
To move the product with the power off, the automatic parking brake must be disengaged. To disengage the automatic parking brake, it is necessary to use a special servicing tool.
- Speak to your service agent to get access to the special servicing tool that is necessary to disengage the automatic parking brake.
Storage
Prepare the product for storage at the end of the season and before more than 30 days of storage.
WARNING: Remove grass, leaves and other flammable materials from the product to decrease the risk of fire. Let the product become cool before you put it in storage.
- Turn the main switch to OFF.
- Clean the product, refer to To clean the product on page 46. Fill in paint damages to prevent corrosion.
- Examine the product for worn or damaged parts and tighten loose screws and nuts.
- Fully charge the batteries (12 V battery and 48 V batteries) before storage. Make sure that the charge of the batteries is 50 % or more during storage.
Note: The 48 V batteries in the product goes into sleep mode when it is in storage.
- Lubricate all grease nipples, joints and axles.
- Keep the product in a clean and dry area. Put a protective cover on the product.
Note: A protective cover for protection of your product during storage or transport is available at your dealer.
- Keep the product in a locked area to prevent access for children or persons that are not approved.
- Keep the product and the power supply in a dry and frost-free area.
- If you will use the product, keep the product in storage where the ambient temperature is between 0 °C/32 °F and 50°C/122 °F. If you will not use the product, you can keep the product in storage where the ambient temperature is between -20 °C/-4 °F and 50°C/122 °F.
- Keep the product out of sunlight.
- Do not keep the product in areas where static electricity can occur.
Disposal
- Chemicals can be dangerous and must not be discarded on the ground. Always discard used chemicals at a service center or an applicable disposal location.
- When the product is worn out, send it to the dealer or to an applicable disposal location.
- Oil, grease and the batteries can have negative effects on the environment. Obey the local disposal requirements and applicable regulations.
- Do not discard the batteries as domestic waste.
- Send the batteries to a Husqvarna service agent or discard it at a disposal location for used batteries.
Technical data
| P 5351-DC | |
| Dimensions | Refer to Product dimensions on page 71. |
| Weight without cutting deck, with empty tanks, kg | 790 |
| Tire dimensions | 20×10-10 |
| Tire pressure. kPa/bar/PSI | 150/1.5/22 |
| Max. slope, degrees | 10 |
| Engine | |
| Brand/Model | Kubota D1105 |
| Nominal engine output. kW @ 3000 rpm 2 | 18. |
| Displacement. cm3 | 1123 |
| Max. engine speed. rpm | 3100 |
| Max. speed forward (PTO button engaged), km/h | 13 |
| Max. weed reverse (PTO button engaged). km/h | 9 |
| Max. speed forward (PTO button disengaged), km/h | 19 |
| Max. weed reverse (PTO button disengaged), km/h | 13 |
| Diesel fuel, min. octane grade3 | 45 / HVO100 |
| Tank volume up to max fuel level, I | 22 |
| Oil, API class CF-4 or better | Class SAE10W-404 |
| Oil volume incl. filter, I | 3. |
| Oil volume excl. filter. I | 3 |
| Start motor | Electric start 12 V |
| Cooling system | |
| Cooling system capacity, I | 4. |
| Antifreeze | 50% propylene glycol |
| Hydraulic system | |
| Working pressure, bar | 110-130 |
2 The power rating of the engine indicated is the average net output (at specified rpm) of a typical production engine for the engine model measured to SAE standard J1349/ISO1585. Mass production engines may differ from this value. Actual power output for the engine installed on the final product will depend on the operating speed, environmental conditions and other values.
3 To meet the emission regulations, the fuel need to meet the standard EN590 or ASTM D975 and have a Sulphur content of less than 500ppm or 0,05% of weight. Please refer to the Kubota Operators Manual for further information regarding fuel quality
4 P 535HX is delivered with fossil free oil. Husqvarna recommends you to continue to use fossil free oil.
| P 535HX | |
| Max. oil flow. tfrnin | 8. |
| Hydraulic tank capacity. I | 4 |
| Hydraulic system capacity. I | 5. |
| Hydraulic oil | UTTO SAE 10W-301 SAE 80 |
| Transmission | |
| Brand | Beneve& |
| Model | TX2 |
| Transmission oil | 17170 SAE 10W-301 SAE 80 |
| Oil capacity front. total. I | 0.5 |
| Oil capacity rear. total. I | 0.5 |
| Electrical system, 12 V | |
| Type | 12 V. negative earthed |
| Battery | 12 V. 60 Ah AGM type |
| Main fuse. typ Mega OTO | 150 A |
| Fuse for paver outlet, type Midi OTO | 50 |
| Electrical system, 48 V | |
| Battery | 50.4 V (nominal). 2×35 Ah. LI-ton type |
| Generator. peak/continuous power, kW | 9.5/4.5 |
| Dnve motors. pealdoonlinuous power. kW | 9.5/4.5 |
| Lamps | |
| Headlight | LED, 1200 lm |
| Work light | LED, 550 lm |
| Cutting deck | |
| PTO speed, rpm, low/reduced/high | 1600/2100/2500 |
| Type | Combi 132 |
| Conti 132 X | |
| Conti 155 | |
| Conti 155 X | |
| R180 | |
| P 535HX | Combi 132 | Combl 132 X | Combl 155 | Combi 155 X | R180 |
| Noise emissions5 | |||||
| Sound power level, measured dB(A) | 104 | 104 | 103 | 103 | 103 |
| Sound power level, guaranteed dB(A) | 105 | 105 | 104 | 104 | 104 |
| Sound levels6 | |||||
| Sound pressure level at the op- erators ear, dB(A) | 90 | 90 | 90 | 90 | 90 |
| Vibration levels7 | |||||
| Vibration level on the steering wheel, m/s2 | 2. | 2. | 1. | 1. | 1. |
| Vibration level in the seat, m/s2 | 0.1 | 0.1 | 0.1 | 0.1 | 0.1 |
| Cutting deck | Combi 132 | Combi 132 X | Combi 155 | Combi 155 X | R180 |
| Cutting width, mm | 1320 | 1320 | 1550 | 1550 | 1800 |
| Cutting height. mm | 30-112, 7 posi- tions | 30-112, 7 posi- tions | 30-112, 7 posi- tions | 30-112 | 30-90, 6 positions |
| Width, mm | 1400 | 1400 | 1631 | 1631 | 1870 |
| Weight, kg | 138 | 148 | 155 | 163 | 250 |
| Length, mm | 490 | 490 | 563 | 563 | 1335 |
| Blade | |||||
| Article number | 5861988-10 | 5861988-10 | 5861989-10 | 5861989-10 | 5994215-01 |
WARNING: To use a cutting deck that is not approved for the product can cause objects to eject at high speed and cause serious injury. Do not use other cutting deck types than specified in this owner’s manual.
5 Noise emissions in the environment measured as sound power (LWA) in conformity with EC directive 2000/14/EC.
6 Noise pressure level according to EN ISO 5395. Reported data for noise pressure level has a typical statistical dispersion (standard deviation) of 1.2 dB(A).
7 Vibration level according to EN ISO 5395. Reported data for vibration level has a typical statistical dispersion (standard deviation) of 0.2 m/s 2 (steering wheel) and 0.8 m/s 2 (seat).
Radio frequency data
| P 535HX | |
| Frequency range, MHz | 2402-2480 |
| Output power8, dBm | -1.5 |
Product dimensions


| Dimensions, mm P 535HX | |||||||
| A | 1337 | E | 166 | J | 250 | N | 1157 |
| B | 503 | F | 410 | K | 2038 | P | 134 |
| C | 645 | G | 384 | L | 350 | R | 846 |
| D | 1060 | H | 2089 | M | 922 | S | 1081 |
Recommended cutting decks and other equipment
Refer to Technical data on page 67 for information about which cutting decks that are available for this product. Speak to your Husqvarna dealer for more information about the cutting decks or other equipment that are available.
Accessories
Instructions for maintenance of optional equipment or accessories are not given in this operator’s manual. See the operator’s manual for the accessory or equipment for instructions.
Service
Do a yearly check at an authorized service center to make sure that the product functions safely and at its best during high season. The best time to do a servicing or overhaul of the product is low season.
When you send an order for the spare parts, give information about the purchase year, model, type, and serial number.
Always use original spare parts.
EC Declaration of Conformity
Husqvarna AB, SE-561 82 Huskvarna, Sweden, tel: +46-36-146500, declares that the ride-on lawn mower
Husqvarna P 535HX from 2020’s serial numbers and onwards (the year is clearly stated in plain text on the rating plate with subsequent serial number), comply with the requirements of the COUNCIL’S DIRECTIVE:
- of May 17, 2006 ”relating to machinery” 2006/42/EC
- of May 8, 2000 ”relating to the noise emissions in the environment by equipment for use outdoors” 2000/14/EC
- of June 8, 2011 “restriction of use of certain hazardous substances in electrical and electronic equipment” 2011/65/EU.
- of 16 April, 2014 “relating to radio equipment” 2014/53/EU.
Information regarding noise emissions and the mowing width, refer to Technical data.
The following harmonized standards and/or regulations have been applied:
EN ISO 12100, EN ISO 13849-1, EN ISO 5395-1, EN ISO 5395-3, UN ECE R10, EN ETSI 301 489-1, -17, EN 300 328, IEC EN 61000-6-4, IEC EN 61000-6-2, EN 50581
If not otherwise stated, the above listed standards are the latest published versions at the time when this
Declaration of Conformity was signed.
Notified body: 0404, RISE SMP Svensk Maskinprovning AB, Box 7035, SE-750 07 Uppsala has issued reports regarding the assessment of conformity according to annex VI of the COUNCIL’S IRECTIVE of May 8, 2000 ”relating to the noise emissions in the environment by equipment for use outdoors” 2000/14/EC.
Huskvarna, 2020-05-22
Claes Losdal, Development Manager/Garden Products
(Authorized representative for Husqvarna AB and responsible for technical documentation)
Registered trademarks
The Bluetooth® word mark and logos are registered trademarks owned by Bluetooth SIG, inc. and any use of such marks by Husqvarna is under license.
Original instructions
2022-03-28


















b) For the R180 cutting deck:



b) For the R180 cutting deck: Attach the lifting eyes to the cutting deck (A) with the bolt (B) and the pin (C).

Note: The position of the hydraulic hoses controls the operation function of the cutting height lever. To change the operation function of the cutting height lever, change the position of the hydraulic hoses.
b) For the R180 cutting deck: Remove the pin (A) and the bolt (B) to release the lifting eyes on the cutting deck (C).


b) For the R180 cutting deck:


To adjust the seat
• To adjust the backrest, pull the lever (E) to the left of the seat. Move the backrest to the correct position.
Note: The backrest can also be fully lowered and used as rain protection.

Note: The product is on but does not move if you push the forward or rearward pedals.


Note: To stop the hybrid drive only, push the start button for the electrical drive.



The battery level status shows which drive mode (A), (B) or (C) is selected.
3. Start the hybrid drive. Refer to To start the product on page 34.

Note: The cutting height is shown with the numbers 1-7. Refer to the table below.
Note: The selected cutting height is shown with the numbers 1-7 on the cutting deck. Refer to the table below.




















Note: Loosen the bolts to remove the engine cover fully.






























b) Combi 155 X must be measured in 4 areas. Make sure that the rear edge is 6–9 mm (1/4 3/8 in.) higher than the front edge.































