Husqvarna Z254F Zero Turn Mowers User Manual

Husqvarna Z254F Zero Turn Mowers User Manual
Illustrations may or may not represent the actual assemblies and it is not recommended to use this manual as a guide to assemble or disassemble the mower. NOTE: All fasteners are Grade 5 unless otherwise specified.
FRAME
| Ref. | Part No. | Qty | Description | Kit / Assy Includes |
| 1 | 585 03 98-02 | 1 | Guard, Rear Blk | |
| 2 | 589 28 34-02 | 1 | Frame, Front Right Org | |
| 3 | 589 28 33-02 | 1 | Frame, Front Left Org | |
| 4 | 584 99 10-02 | 1 | Frame, Rear Tube Org | |
| 5 | 581 44 86-02 | 1 | Foot Plate | |
| 6 | 586 70 38-01 | 1 | Cover, Footrest w/Decal | |
| 7 | 585 52 30-04 | 1 | Support, Footrest | |
| 8 | 585 52 32-04 | 1 | Skid Plate | |
| 9 | 817 00 05-10 | 1 | Bolt 5/16-18 Hex WHSHD LCKSERR | |
| 11 | 585 98 93-01 | 7 | Grommet, Bumper | |
| 12 | 585 52 31-04 | 1 | Cross Member | |
| 14 | 585 33 16-02 | 1 | Cover, Rail Right | |
| 15 | 585 33 15-02 | 1 | Cover, Rail Left | |
| 16 | 539 10 44-11 | 1 | Knob w/ Stud | |
| 17 | 532 19 52-63 | 2 | Bushing, Pivot | |
| 18 | 521 93 81-01 | 1 | Link, Front Suspension | |
| 19 | 580 50 13-02 | 2 | Support, Fender Blk | |
| 20 | 585 52 34-04 | 1 | Support, Console Right | |
| 21 | 585 52 36-04 | 1 | Support, Console Left | |
| 22 | 585 47 43-02 | 2 | Bracket, Bypass Rod | |
| 23 | 874 78 05-36 | 7 | Bolt 5/16-18 x 2-1/4 | |
| 24 | 874 78 05-44 | 5 | Bolt 5/16-18 x 2-3/4 | |
| 25 | 874 78 06-48 | 8 | Bolt 3/8-16 x 3 | |
| 26 | 585 94 00-01 | 2 | Bolt 5/16-18 x 1 Carriage | |
| 27 | 577 11 77-01 | 4 | Bolt 3/8-16 x 3 | |
| 28 | 586 65 43-01 | 2 | Bolt 3/8-16 x 3 Shoulder | |
| 29 | 586 88 11-01 | 2 | Bolt 5/16-18 Shoulder | |
| 31 | 532 41 63-58 | 6 | Screw #10-24 x 3/4 Hex Head | |
| 32 | 532 42 17-56 | 2 | Screw #10 x 1/2 | |
| 33 | 873 90 05-00 | 2 | Nut 5/16-18 Hex Flange Lock | |
| 34 | 539 11 28-99 | 9 | Nut 5/16-18 Hex Flange Nyloc | |
| 35 | 521 99 65-01 | 8 | Nut 3/8-16 Hex Flange Nyloc | |
| 36 | 539 11 91-24 | 2 | Nut 7/16-14 Hex Nyloc | |
| 37 | 585 93 81-01 | 2 | Nut 5/16-18 Acorn | |
| 38 | 819 11 11-16 | 6 | Washer 11/32 16 Gauge |
ENGINE MOUNTING, GUARDS & MUFFLER
| Ref. | Part No. | Qty | Description | Kit / Assy Includes |
| 1 | 593 89 86-02 | 1 | Plate, Engine Blk | |
| 2 | 587 24 16-01 | 1 | Clutch | |
| 3 | 583 95 57-01 | 1 | Tube, Exhaust Right | |
| 4 | 583 95 56-01 | 1 | Tube, Exhaust Left | |
| 5 | 581 88 67-02 | 1 | Bracket, Muffler Blk | |
| 6 | 532 44 81-45 | 1 | Arm, Idler | |
| 7 | 582 53 89-01 | 1 | Spindle, Idler | |
| 8 | 539 11 03-11 | 1 | Pulley, Idler | |
| 9 | 587 53 74-01 | 1 | Pulley, Engine | |
| 10 | 587 66 01-01 | 1 | Spacer | |
| 11 | 539 13 28-59 | 1 | Shield, Muffler | |
| 12 | 587 63 33-02 | 1 | Stop, Clutch Blk | |
| 13 | 587 45 12-02 | 1 | Guard, Muffler Blk | |
| 14 | 539 13 16-04 | 1 | Muffler Assembly | |
| 15 | 532 19 61-05 | 1 | Spring, Deck Drive | |
| 16 | 584 82 55-01 | 2 | Assy, Drain Hose | |
| 17 | 539 10 13-63 | 1 | Clamp | |
| 18 | 522 59 90-01 | 1 | Adapter, Oil Drain | |
| 19 | 585 80 71-01 | 1 | Plug, Oil | |
| 20 | 501 60 37-01 | 2 | Bearing, Flanged | |
| 21 | 582 53 95-01 | 1 | Bolt 1/2-13 x 2-3/4 Hex Flange Hd | |
| 22 | 874 52 06-56 | 1 | Bolt 3/8-16 x 3-1/2 Hex Hd | |
| 23 | 539 99 03-16 | 2 | Bolt 5/16-18 x 3/4 Gr. 5 ZD | |
| 24 | 539 99 02-08 | 2 | Bolt 5/16-18 x 1 Gr. 5 ZD | |
| 25 | 581 33 28-03 | 1 | Bolt 7/16-20 x 2-1/2 Hex Hd | |
| 26 | 817 49 04-10 | 1 | Screw 1/4-20 X 5/8 Thread Form | |
| 27 | 874 78 06-20 | 4 | Bolt 3/8-16 x 1-3/4 Fin Hex | |
| 28 | 817 49 05-12 | 4 | Screw 5/16-18 x 3/4 Thread Form | |
| 29 | 521 99 11-01 | 1 | Nut 1/2-13 Hex Flange Nyloc | |
| 30 | 539 11 28-99 | 5 | Nut 5/16-18 Hex Flange Nyloc | |
| 31 | 539 97 69-79 | 2 | Nut 3/8-16 Hex Nyloc | |
| 32 | 819 12 14-14 | 2 | Washer 5/16 Std Flat | |
| 33 | 532 12 61-97 | 1 | Washer, Clutch | |
| 34 | 539 99 01-18 | 4 | Washer 3/8 Slotted Lock ZD | |
| NOT SHOWN | ||||
| 532 17 81-51 | 2 | Gasket Exhaust | ||
| 532 18 43-62 | 4 | Nut Hex Flange Toplock M8-1.25 | ||
| 239 10 81-20 | 4 | Nut 1/4-20 Hx Thin Nyloc ZD | ||
| —————— | 1 | Engine, Kawasaki FR691V 23 HP For Engine Replacement Parts, See a Kawasaki Dealer | ||
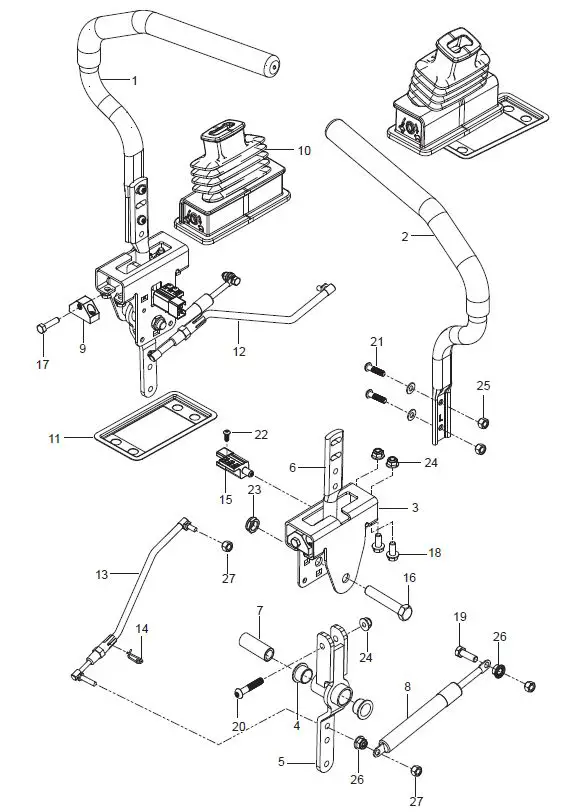
STEERING
| Ref. | Part No. | Qty | Description | Kit / Assy Includes |
| 1 | 590 09 08-03 | 1 | Lever w/ Grip Right Blk | |
| 2 | 590 09 08-04 | 1 | Lever w/ Grip Left Blk | |
| 3 | 585 12 47-05 | 2 | Bracket, Control | |
| 4 | 539 13 15-18 | 4 | Bearing, Flanged | |
| 5 | 576 14 03-01 | 2 | Control, Lever | |
| 6 | 587 60 17-02 | 2 | Lever, Handle | |
| 7 | 584 92 72-01 | 2 | Spacer, Pivot Control | |
| 8 | 539 10 27-20 | 2 | Dampener | |
| 9 | 581 43 75-01 | 2 | Block, Tracking | |
| 10 | 585 83 16-01 | 2 | Boot, Steering | |
| 11 | 585 48 82-02 | 2 | Flange, Boot | |
| 12 | 588 60 49-01 | 2 | Assy, Right Control Linkage | 14 |
| 13 | 588 60 50-01 | 2 | Assy, Left Control Linkage | 14 |
| 14 | 532 19 98-49 | 2 | Clip, Spring | |
| 15 | 587 60 15-01 | 2 | Switch, Interlock | |
| 16 | 874 78 08-44 | 2 | Bolt 1/2-13 x 2-3/4 Hex Head | |
| 17 | 585 98 61-01 | 2 | Bolt 5/16-18 x 1-1/4 Hex Head | |
| 18 | 874 49 05-12 | 8 | Bolt Hex Flange 5/16-18 x 3/4 | |
| 19 | 539 99 02-09 | 2 | Bolt 5/16-18 x 1 Hex Head | |
| 20 | 587 88 53-01 | 2 | Screw 5/16-18 x 1-3/4 Button Head | |
| 21 | 585 98 59-01 | 4 | Screw 5/16-18 x 1-1/4 Button Head Blk | |
| 22 | 586 93 60-01 | 2 | Screw #10-24 x 1/2 Socket Hd | |
| 23 | 539 10 80-10 | 2 | Nut 1/2-13 Hex Jam Nyloc Grade 2 | |
| 24 | 539 11 28-99 | 10 | Nut 5/16-18 Hex Flange Nyloc | |
| 25 | 585 98 60-01 | 4 | Nut 5/16-18 Hex Nyloc Blk | |
| 26 | 539 99 05-85 | 4 | Nut 5/16-18 Hex Whiz Lock | |
| 27 | 873 80 05-00 | 4 | Nut 5/16-18 Hex Nyloc | |
| 28 | 819 11 11-16 | 4 | Washer 11/32 16 Gauge | |
| 29 | 587 61 42-01 | 2 | Washer 11/32 |
IGNITION SYSTEM
| Ref. | Part No. | Qty | Description | Kit / Assy Includes |
| 1 | 585 52 28-01 | 1 | Assembly, Fender, Right Gry | |
| 2 | 586 62 12 01 | 1 | Assembly, Fender, Left Gry | |
| 3 | 589 92 47-02 | 1 | Assembly, Fuel Tank | 23, 24, 25 |
| 4 | 585 12 48-01 | 1 | Cap, Fuel w/ Tether | |
| 5 | 539 11 24-38 | 1 | Cable, Throttle | |
| 6 | 586 88 15-01 | 1 | Control, Choke | |
| 7 | 539 10 75-41 | 1 | Switch, Ignition | |
| 8 | 582 10 76-02 | 1 | Switch, Blade | |
| 9 | 586 10 82-01 | 1 | Cable, Battery Positive | |
| 11 | 585 52 27-01 | 1 | Panel, Control | |
| 12 | 539 10 24-63 | 1 | Battery | |
| 13 | 510 03 00-03 | 1 | Bracket, Battery | |
| 14 | 582 60 96-02 | 1 | Box, Battery Black | |
| 15 | 532 13 15-63 | 3 | Terminal Cover | |
| 16 | 539 10 27-59 | 1 | Terminal Cover | |
| 17 | 576 61 81-01 | 1 | Valve, Fuel Check | |
| 18 | 539 91 63-25 | 1 | Valve, Fuel | |
| 19 | 586 12 39-06 | 1 | Assembly, Fuel Line w/ Valve | 18, 28, 29, 30 |
| 20 | 582 04 28-01 | 1 | Solenoid | |
| 21 | 587 19 86-01 | 1 | Harness, Battery Cable | |
| 22 | 587 04 45-50 | 1 | Hose 3/16 x 50″ Vapor | |
| 23 | 532 00 36-45 | 1 | Grommet, Rubber | |
| 24 | 532 43 74-92 | 1 | Grommet, Check Valve | |
| 25 | 532 13 92-77 | 1 | Elbow | |
| 26 | 586 16 18-01 | 1 | Meter, Service | |
| 27 | 532 41 19-33 | 1 | Key, Ignition | |
| 28 | 532 12 34-87 | 4 | Clamp, Hose | |
| 29 | 587 04 48-10 | 1 | Hose 1/4 x 10″ Fuel | |
| 30 | 587 04 48-18 | 1 | Hose 1/4 x 18″ Fuel | |
| 31 | 588 83 94-01 | 2 | J Hook | |
| 32 | 532 14 18-41 | 2 | Screw 10-16 x .65 | |
| 33 | 545 22 71-01 | 2 | Screw 6-19 x 7/16 Pan Hd | |
| 34 | 539 11 12-29 | 1 | Screw 1/4-20 x 5/8 Button Socket | |
| 35 | 539 99 03-16 | 2 | Bolt 5/16-18 x 3/4 Gr. 5 ZD | |
| 36 | 539 99 06-45 | 2 | Bolt 3/8-16 x 1 Round Hd Square Neck | |
| 37 | 817 49 04-08 | 2 | Bolt 1/4-20 x 1/2 | |
| 38 | 521 99 65-01 | 2 | Nut 3/8-16 Hex Flange Nyloc | |
| 39 | 539 11 28-99 | 2 | Nut 5/16-18 Flange Nyloc | |
| 40 | 539 97 69-78 | 5 | Nut 1/4-20 Hex Nyloc | |
| NOT SHOWN | ||||
| 586 33 73-01 | 1 | Harness, Wiring | ||
| 586 54 81-01 | 1 | Harness., LED Light | ||
| 532 10 97-48 | 1 | Relay 40A | ||
| 505 28 00-01 | 1 | Tie Wrap 8-3/8″ w/ Clip | ||
BRAKE / LIFT
| Ref. | Part No. | Qty | Description | Kit / Assy Includes |
| 1 | 586 42 97-02 | 1 | Assembly, Shaft w/ Nuts, E-Rings | 15 |
| 2 | 586 45 71-01 | 1 | Link, Brake Left | |
| 3 | 586 45 72-01 | 1 | Link, Brake Right | |
| 4 | 586 42 87-01 | 1 | Lift Handle | |
| 5 | 580 48 61-01 | 2 | Spacer | |
| 6 | 585 68 21-02 | 2 | Bracket, Bellcrank | |
| 7 | 522 85 86-01 | 2 | Assembly, Centering Link | |
| 8 | 532 44 50-60 | 1 | Grip, Handle Black | |
| 9 | 586 86 76-01 | 1 | Spring | |
| 10 | 532 19 63-14 | 1 | Spring | |
| 11 | 585 68 20-01 | 2 | Pushrod | |
| 12 | 587 22 53-01 | 4 | Clip | |
| 13 | 532 19 42-09 | 1 | Clip | |
| 14 | 532 19 42-08 | 2 | Clip | |
| 15 | 510 18 49-01 | 2 | Nut, Plastic | |
| 16 | 585 70 14-01 | 2 | Pin 1/2 Clevis | |
| 17 | 586 45 75-01 | 1 | Bellcrank Right | |
| 18 | 586 45 74-01 | 1 | Bellcrank Left | |
| 19 | 532 13 77-29 | 2 | Screw 1/4-20 x 5/8 Thread Roll | |
| 20 | 586 56 13-01 | 2 | Screw 1/4-20 x 2-1/4 Thread Roll | |
| 21 | 525 84 72-01 | 1 | Link, Rear Suspension | |
| 22 | 532 17 59-94 | 2 | Nut, Lift, Link 7/16-20 |
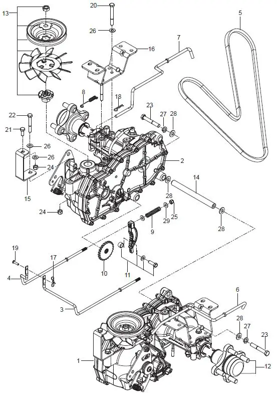
HYDRAULIC PUMP-MOTOR
| Ref. | Part No. | Qty | Description | Kit / Assy Includes |
| 1 | 510 37 56-01 | 1 | EZT, Left | |
| 2 | 510 37 56-02 | 1 | EZT, Right | |
| 3 | 574 03 05-01 | 1 | Rod, EZT Brake Left | |
| 4 | 574 03 05-02 | 1 | Rod, EZT Brake Right | |
| 5 | 539 11 04-11 | 1 | Belt, EZT | |
| 6 | 585 47 44-01 | 1 | Rod, Bypass Left | |
| 7 | 585 47 45-01 | 1 | Rod, Bypass Right | |
| 8 | 586 66 51-01 | 2 | Spring, Bypass | |
| 9 | 539 11 03-42 | 2 | Spring, Brake Rod | |
| 10 | 539 12 00-80 | 2 | Cog, Brake Disc | |
| 11 | 539 12 00-79 | 2 | Assembly Kit, Brake Arm | |
| 12 | 575 50 70-01 | 1 | Assembly Kit, Hub w/ Nuts | |
| 13 | 501 40 36-02 | 2 | Assembly Kit, Blade, Pulley | |
| 14 | 510 18 41-04 | 2 | Spacer Tube | |
| 15 | 580 80 65-02 | 2 | Support, EZT Front | |
| 16 | 580 80 66-02 | 2 | Mount, EZT Rear Blk | |
| 17 | 587 22 53-01 | 1 | Clip | |
| 18 | 539 97 69-88 | 4 | Clip | |
| 19 | 587 11 53-01 | 1 | Pin, Clevis | |
| 20 | 874 78 05-44 | 4 | Bolt 5/16-18 x 2-3/4 Hex Hd | |
| 21 | 539 97 69-34 | 2 | Bolt 5/16-18 x 3/4 Gr. 5 ZD | |
| 22 | 874 78 05-36 | 2 | Bolt 5/16-18 x 2-1/4 Hex Hd | |
| 23 | 539 99 06-37 | 4 | Bolt 3/8-16 x 2-1/2 Gr. 5 ZD | |
| 24 | 873 80 05-00 | 4 | Nut 5/16-18 Hex Nyloc | |
| 25 | 539 97 69-78 | 2 | Nut 1/4-20 Hex Nyloc ZD | |
| 26 | 819 11 11-16 | 16 | Washer 11/32 16 Gauge | |
| 27 | 539 99 01-18 | 4 | Washer 3/8 Splt Lock ZD | |
| 28 | 819 13 13-16 | 8 | Washer 3/8 SAE Flat | |
| 29 | 819 09 10-16 | 4 | Washer 1/4 SAE Flat |
WHEELS & TIRES
| Ref. | Part No. | Qty | Description | Kit / Assy Includes |
| 1 | 590 48 66-01 | 2 | Assy, Wheel Rear 18 x 9.5 | |
| 2 | 576 58 86-02 | 2 | Wheel Assembly Caster 11 x 6-5 | |
| 3 | 586 65 03-02 | 2 | Yoke Orange | |
| 4 | 539 11 56-38 | 2 | Zerk 3/16 Drive | |
| 6 | 539 11 26-60 | 2 | Bearing, Flanged | |
| 7 | 539 11 79-01 | 2 | Bushing, Caster | |
| 8 | 539 10 25-35 | 2 | Grease Cap | |
| 9 | 539 11 57-49 | 2 | Plug, Caster | |
| 10 | 585 99 54-01 | 2 | Spacer, Pivot | |
| 11 | 539 11 57-47 | 2 | Spring, Caster | |
| 12 | 874 95 05-16 | 2 | Bolt, Hex 5/16-18 x 1 Nylon Patch | |
| 13 | 576 60 15-01 | 2 | Bolt 1/2-13 x 7-1/2 Round Hd Square Neck | |
| 14 | 873 93 08-00 | 2 | Nut 1/2-13 Hex Center Lock | |
| 15 | 539 10 11-73 | 8 | Nut 1/2 Lug | |
| 16 | 539 11 56-75 | 2 | Washer | |
| 17 | 819 18 22-12 | 2 | Washer 9/16 |
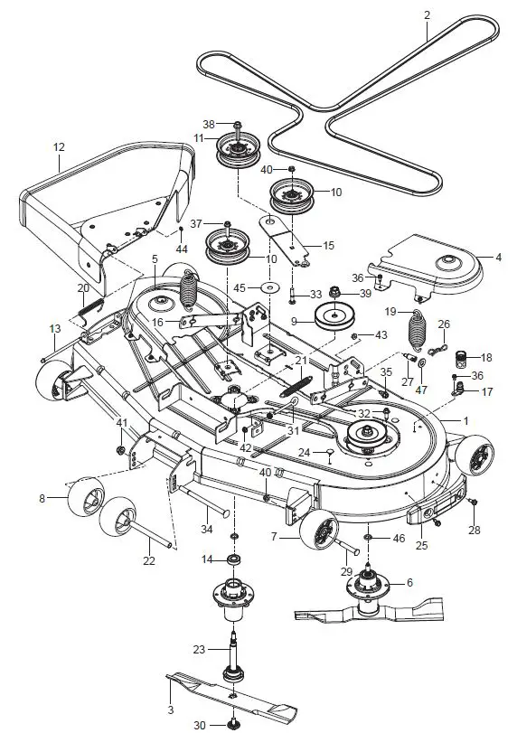
MOWER DECK / CUTTING DECK
| Ref. | Part No. | Qty | Description | Kit / Assy Includes |
| 1 | 582 35 91-02 | 1 | Deck Org | |
| 2 | 592 95 18-01 | 1 | Belt 54″ Deck | |
| 3 | 582 76 05-01 | 3 | Blade, Hi-lift | |
| 4 | 590 30 44-03 | 1 | Belt Shield, Left Gry | |
| 5 | 590 30 42-03 | 1 | Belt Shield, Right Gry | |
| 6 | 539 13 18-98 | 3 | Mandrel, Cast Iron | 14, 23 |
| 7 | 589 52 73-01 | 4 | Wheel, Gauge | |
| 8 | 574 16 96-01 | 2 | Roller, Gauge | |
| 9 | 532 17 57-08 | 3 | Pulley, Mandrel | |
| 10 | 532 19 73-79 | 2 | Pulley Idler | |
| 11 | 532 19 73-80 | 1 | Pulley Idler | |
| 12 | 590 63 22-01 | 1 | Deflector 54″ Org | |
| 13 | 532 13 14-91 | 1 | Rod, Hinge | |
| 14 | 532 11 04-85 | 1 | Bearing | |
| 15 | 582 21 96-02 | 1 | Arm, Idler | |
| 16 | 587 14 05-02 | 2 | Arm, Suspension | |
| 17 | 532 41 55-98 | 1 | Port, Washout | |
| 18 | 532 41 64-05 | 1 | Coupling, Quick Connect | |
| 19 | 539 11 87-62 | 2 | Spring | |
| 20 | 587 35 47-01 | 1 | Spring, Deflector | |
| 21 | 587 35 84-01 | 1 | Spring, Extension | |
| 22 | 574 19 65-01 | 1 | Tube, Roller Axle | |
| 23 | 532 18 72-91 | 1 | Shaft | |
| 24 | 589 81 33-01 | 3 | Plug, Hole Blk | |
| 25 | 590 73 25-01 | 1 | Bumper | |
| 26 | 532 19 42-09 | 2 | Pin, Cotter 7/16 Bow Tie | |
| 27 | 532 19 51-61 | 2 | Stud, w/ Anti-Rotate | |
| 28 | 532 17 01-65 | 2 | Bolt 5/16-18 Shoulder | |
| 29 | 532 19 34-06 | 4 | Bolt 3/8-16 x 3-5/8 Shoulder | |
| 30 | 532 19 30-03 | 3 | Bolt/Washer 7/16-20 | |
| 31 | 539 11 55-74 | 1 | Bolt Eye 5/16 x 3-1/2 | |
| 32 | 584 95 39-01 | 12 | Bolt 5/16-18 x 1-1/4 Hex Washer Hd | |
| 33 | 872 11 06-16 | 1 | Bolt 3/8-16 x 2 Round Hd Square Neck | |
| 34 | 872 14 08-64 | 1 | Bolt 1/2-13 x 8 Round Hd Square Neck | |
| 35 | 532 19 65-39 | 2 | Bolt, Shoulder | |
| 36 | 532 13 77-29 | 9 | Screw 1/4-20 x 5/8 Thread Roll | |
| 37 | 817 49 06-28 | 1 | Screw 3/8-16 x 1-3/4 Hex Thread Form | |
| 38 | 588 43 83-01 | 1 | Screw 7/16-14 x 2-1/8 Washer Hd | |
| 39 | 532 40 02-34 | 3 | Nut 9/16 Top Center Lock | |
| 40 | 873 90 06-00 | 5 | Nut 3/8-16 Hex Flange Lock | |
| 41 | 521 99 11-01 | 1 | Nut 1/2-13 Hex Flange Nyloc | |
| 42 | 539 99 05-85 | 2 | Nut 5/16-18 Hex Whizlock | |
| 43 | 873 90 05-00 | 2 | Nut 5/16-18 Hex Flange | |
| 44 | 532 11 04-52 | 1 | Pushnut | |
| 45 | 532 17 85-15 | 1 | Washer, Flat Hardened | |
| 46 | 532 18 76-90 | 3 | Washer Spacer | |
| 47 | 819 19 19-12 | 2 | Washer, Clear |
SEAT
| Ref. | Part No. | Qty | Description | Kit / Assy Includes |
| 1 | 596 75 15-01 | 1 | Seat | |
| 2 | 596 67 94-02 | 1 | Bracket Seat Pan RH | |
| 3 | 586 22 08-02 | 1 | Plate, Lift Support | |
| 4 | 586 22 12-02 | 1 | Plate, Deck Lift | |
| 5 | 589 76 12-06 | 1 | Support, Seat Org | |
| 6 | 580 30 82-02 | 2 | Support, Seat Rear Blk | |
| 7 | 596 67 29-02 | 1 | Bracket Seat Pan LH | |
| 9 | 581 42 93-02 | 1 | Switch, Seat | |
| 10 | 596 67 30-02 | 1 | Bracket Seat Pan Front | |
| 11 | 586 42 86-01 | 1 | Leg, Support | |
| 12 | 585 98 93-01 | 2 | Grommet, Bumper | |
| 13 | 539 10 47-63 | 5 | Retainer, U Type | |
| 14 | 872 14 05-06 | 4 | Bolt 5/16-18 x 3/4 Round Head Square Neck | |
| 17 | 874 49 05-12 | 2 | HHFS 5/16-18 x 3/4 | |
| 18 | 539 11 03-03 | 2 | Bolt 5/16-18 Shoulder | |
| 19 | 874 49 05-12 | 2 | HHFS 5/16-18 x 3/4 | |
| 20 | 817 00 05-10 | 6 | Screw 5/16-18 x 5/8 Washer Head | |
| 21 | 539 11 28-99 | 4 | Nut 5/16-18 Hex Flange Nyloc | |
| 23 | 582 47 87-02 | 2 | Bumper 5/16-18 | |
| 25 | 539 99 03-16 | 4 | RHSNB 5/16-18 x 3/4 Gr. 5 | |
| 26 | 539 10 25-87 | 2 | Grommet Bumper | |
| 27 | 590 89 99-03 | 1 | Bracket Set | |
| 28 | 589 02 85-01 | 2 | Screw Flg Locking 1/4-20 x .75 | |
| 29 | 873 90 04-00 | 2 | Nut Hex Flange 1/4-20 |
DECALS
| Ref. | Part No. | Qty | Description | Kit / Assy Includes |
| 1 | 587 59 56-01 | 1 | Decal, Steer / Brake Left | |
| 2 | 587 59 55-01 | 1 | Decal, Steer / Brake Right | |
| 3 | 592 86 99-01 | 2 | Decal, Z 254F | |
| 4 | 539 10 57-45 | 1 | Decal, Battery Warning | |
| 5 | 593 80 88-01 | 1 | Decal, 54 Deck Cleacut | |
| 6 | 539 10 83-85 | 1 | Decal, Do Not Tow | |
| 7 | 539 10 83-86 | 1 | Decal, Exit Mower | |
| 8 | 539 10 98-97 | 1 | Decal, Service | |
| 9 | 590 48 55-01 | 1 | Decal, Safety Warnings | |
| 10 | 532 42 38-29 | 1 | Decal, Responsibility | |
| 11 | 591 35 73-01 | 1 | Decal, Start | |
| 12 | 586 97 88-01 | 1 | Decal, Deflector | |
| 13 | 589 35 79-01 | 1 | Decal, No Step | |
| 14 | 591 16 39-01 | 1 | Decal, Belt Routing | |
| 15 | 577 46 90-01 | 2 | Decal, Husqvarna | |
| 16 | 591 35 73-01 | 1 | Decal, Logo | |
| 17 | 587 00 07-01 | 1 | Pad, Abrasive | |
| 18 | 592 89 83-01 | 1 | Decal, Deck Clearcut |
FAQS
How Much Does It Weigh?
Roughly, 650lbs
who is the shipping company?
It was an independent company. The mower comes in a large very heavy crate. You have to do some assembly- seat, steering arms, and such.
Forward Ground speed
The max forward ground speed is 6.5 mph
How easy to raise/lower deck and what is highest/lowest setting and increments?
Raising and lowering the deck is very easy, there is a lever on the operator’s left side. The lever has six positions, the actual cutting height range is from 1 1/2″ to 4″.
Where is the made?
Their are a lot of factors in play they have different motors for different models and parts are made at different locations what I do know it’s a great machine easy to operate and lowered my mower time by 40% .
Can you attach a wagon to the back?
Yes. There can be a towing hitch attached. Sold separately.
Is this a commercial or residential mower?
It could be either, but better suited for residential.
Can you attach a snow plow to this?
It’s too light of a unit, the mz mower and bigger would work good with a plow.
Will this complete mower drive through a 46″ shed door ?
No, The mowing width is 54″. The overall deck width minus the discharge chute is 58″. The discharge chute adds another 6 to 8″ in the down position but it can be raised. I cut my chute off so I could get close to things on the right side of the mower.
Is this a fabricated deck?
This is a stamped deck so it is nice and smooth on the under side to help keep it clean.
What guage steel is the mower deck?
This model has the stamped deck which is 12 guage.
how easy to remove deck from mower
Very easy. Go to you tube for video.
what does the 3 year warranty cover
Manufacturer limited warrantee, means all parts are cover but labor
can we use a leaf collector with this machine?
No. This is a zero turn unit. It goes fast and in tight circles.
how many acres it can mow in one hour?
2.8 acres per hour.
where is the bagger for this model?
this is an additional accessory you have to purchase separately

























