
MPG Z790 EDGE WIFI DDR4
Motherboard
User Guide
MPG Z790 EDGE WIFI DDR4 Motherboard
Quick Start
Thank you for purchasing a new motherboard from MSI®. This Quick Start section provides demonstration diagrams about how to install your computer. Some of the installations also provide video demonstrations. Please link to the URL to watch it with the web browser on your phone or tablet. You may have even link to the URL by scanning the QR code.
Preparing Tools and Components

Safety Information
- The components included in this package are prone to damage from electrostatic discharge (ESD). Please adhere to the following instructions to ensure successful computer assembly.
- Ensure that all components are securely connected. Loose connections may cause the computer to not recognize a component or fail to start.
- Hold the motherboard by the edges to avoid touching sensitive components.
- It is recommended to wear an electrostatic discharge (ESD) wrist strap when handling the motherboard to prevent electrostatic damage. If an ESD wrist strap is not available, discharge yourself of static electricity by touching another metal object before handling the motherboard.
- Store the motherboard in an electrostatic shielding container or on an anti-static pad whenever the motherboard is not installed.
- Before turning on the computer, ensure that there are no loose screws or metal components on the motherboard or anywhere within the computer case.
- Do not boot the computer before installation is completed. This could cause permanent damage to the components as well as injury to the user.
- If you need help during any installation step, please consult a certified computer technician.
- Always turn off the power supply and unplug the power cord from the power outlet before installing or removing any computer component.
- Keep this user guide for future reference.
- Keep this motherboard away from humidity.
- Make sure that your electrical outlet provides the same voltage as is indicated on the PSU, before connecting the PSU to the electrical outlet.
- Place the power cord such a way that people can not step on it. Do not place anything over the power cord.
- All cautions and warnings on the motherboard should be noted.
- If any of the following situations arises, get the motherboard checked by service personnel:
- Liquid has penetrated into the computer.
- The motherboard has been exposed to moisture.
- The motherboard does not work well or you can not get it work according to user guide.
- The motherboard has been dropped and damaged.
- The motherboard has obvious sign of breakage.
- Do not leave this motherboard in an environment above 60°C (140°F), it may damage the motherboard.
Case stand-off notification
To prevent damage to the motherboard, any unnecessary mounting stand-off between the motherboard circuits and the computer case is prohibited. The Case standoff keep
out zone signs will be marked on the backside of motherboard (as shown below) to serve as a warning to user.
Avoid collision notification
Protective paint is printed around each screw hole to prevent parts from being scratched.

Installing a Processor

∙ https://youtu.be/KMf9oIDsGes
Installing DDR4 memory

Connecting the Front Panel Header

Installing the Motherboard

∙ https://youtu.be/wWI6Qt51Wnc
Connecting the Power Connectors

Installing SATA Drives

Installing a Graphics Card

Connecting Peripheral Devices


Specifications
| CPU | ∙ Supports 12th/ 13th Gen Intel® Core™ Processors, Pentium® Gold and Celeron® Processors* ∙ Processor socket LGA1700 * Please go to www.msi.com to get the newest support status as new processors are released. |
| Chipset | Intel® Z790 Chipset |
| Memory | ∙ 4x DDR4 memory slots, supporting up to 128GB* ∙ Supports 1R 2133/2666/3200 MHz (by JEDEC & POR) ∙ Max overclocking frequency: • 1DPC 1R Max speed up to 5333+ MHz • 1DPC 2R Max speed up to 4800+ MHz • 2DPC 1R Max speed up to 4400+ MHz • 2DPC 2R Max speed up to 4000+ MHz ∙ Supports Dual-Channel mode ∙ Supports non-ECC, un-buffered memory ∙ Supports Intel® Extreme Memory Profile (XMP) * Please refer to www.msi.com for more information on compatible memory. |
| Expansion Slots | ∙ 2x PCIe x16 slots • PCI_E1 slot (From CPU) • Supports up to PCIe 5.0 x16 • PCI_E3 slot (From Z790 Chipset) • Supports up to PCIe 4.0 x4 ∙ 1x PCIe 3.0 x1 slot • PCI_E2 slot (From Z790 Chipset) • Supports up to PCIe 3.0 x1 |
| Onboard Graphics | ∙ 1x HDMI™ 2.1 port with HDR, supporting a maximum resolution of 4K 60Hz*/ ** ∙ 1x DisplayPort 1.4 port with HBR3, supporting a maximum resolution of 8K 60Hz*/ ** * Available only on processors featuring integrated graphics. ** Graphics specifications may vary depending on the CPU installed. |
| SATA Ports | ∙ 7x SATA 6Gb/s ports • SATA_1, SATA_5~6 & SATA_7~8 (From Z790 chipset) • SATA_A1~A2 (From ASM1061) |
| M.2 SSD Slots | ∙ 5x M.2 slots (Key M) • M2_1 slot (From CPU) • Supports up to PCIe 4.0 x4 • Supports 2260/ 2280/ 22110 storage devices • M2_2 & M2_5 slots (From Z790 chipset) • Supports up to PCIe 4.0 x4 • Supports 2260/ 2280 storage devices • M2_3* slot (From Z790 chipset) • Supports up to PCIe 4.0 x4 • Supports up to SATA 6Gb/s • Supports 2242/ 2260/ 2280 storage devices • M2_4 slot (From Z790 chipset) • Supports up to PCIe 4.0 x4 • Supports 2242/ 2260/ 2280 storage devices * SATA_1 will be unavailable when installing M.2 SATA SSD in the M2_3 slot. |
| RAID | ∙ Supports RAID 0, RAID 1, RAID 5 and RAID 10 for SATA storage devices* ∙ Supports RAID 0, RAID 1 , RAID 5 and RAID 10 for M.2 NVMe storage devices * SATA_A1~A2 do not support RAID function. |
| Audio | Realtek® ALC4080 Codec ∙ 7.1-Channel USB High Performance Audio ∙ Supports up to 32-bit/384kHz playback on front panel ∙ Supports S/PDIF output |
| LAN | ∙ 1x Intel® 2.5Gbps LAN controller |
| Wi-Fi & Bluetooth® | Intel® Wi-Fi 6E ∙ The Wireless module is pre-installed in the M.2 (Key-E) slot ∙ Supports MU-MIMO TX/RX, 2.4GHz/ 5GHz/ 6GHz*(160MHz) up to 2.4Gbps ∙ Supports 802.11 a/ b/ g/ n/ ac/ ax ∙ Supports Bluetooth® 5.3**, FIPS, FISMA * Wi-Fi 6E 6GHz may depend on every country’s regulations and will be ready in Windows 10 build 21H1 and Windows 11. ** Bluetooth 5.3 will be ready in Windows 10 build 21H1 and Windows 11. |
| Power Connectors | ∙ 1x 24-pin ATX main power connector ∙ 2x 8-pin +12V power connectors |
| Internal USB Connectors | ∙ 1x USB 3.2 Gen 2 10Gbps Type-C front panel connector (From Z790 chipset) ∙ 1x USB 3.2 Gen 1 5Gbps connector (From Hub GL3523) • Supports additional 2 USB 3.2 Gen 1 5Gbps ports ∙ 2x USB 2.0 Type-A connectors (From Hub GL850G) • Supports additional 4 USB 2.0 ports |
| Fan Connectors | ∙ 1x 4-pin CPU fan connector ∙ 1x 4-pin water-pump fan connector ∙ 6x 4-pin system fan connectors |
| System Connectors | ∙ 1x Front panel audio connector ∙ 2x System panel connectors ∙ 1x Chassis intrusion connector ∙ 1x TPM module connector ∙ 1x Tuning controller connector ∙ 1x TBT connector (supports RTD3) |
| Switch | ∙ 1x EZ LED Control switch |
| Jumpers | ∙ 1x Clear CMOS jumper ∙ 1x OC safe boot jumper |
| LED Features | ∙ 1x 4-pin RGB LED connector ∙ 3x 3-pin ARGB Gen2 LED connectors ∙ 4x EZ Debug LED ∙ 1x LED Demo connector |
| Back Panel Connectors | ∙ 1x DisplayPort ∙ 1x HDMI™ port ∙ 1x Clear CMOS button ∙ 1x Flash BIOS button ∙ 4x USB 3.2 Gen 1 5Gbps Type-A ports (From Hub GL3523) ∙ 4x USB 3.2 Gen 2 10Gbps Type-A ports (From Z790 chipset) ∙ 1x USB 3.2 Gen 2 10Gbps Type-C port (From Z790 chipset) ∙ 1x USB 3.2 Gen 2×2 20Gbps Type-C port (From Z790 chipset) ∙ 1x 2.5Gbps LAN (RJ45) jack ∙ 2x Wi-Fi antenna connectors ∙ 5x Audio jacks ∙ 1x Optical S/PDIF Out connector |
| I/O Controller | NUVOTON NCT6687D-M Controller Chip |
| Hardware Monitor | ∙ CPU/ System/ Chipset temperature detection ∙ CPU/ System/ Pump fan speed detection ∙ CPU/ System/ Pump fan speed control |
| Form Factor | ∙ ATX Form Factor ∙ 9.6 in. x 12 in. (244 mm x 305 mm) |
| BIOS Features | ∙ 1x 256 Mb flash ∙ UEFI AMI BIOS ∙ ACPI 6.4, SMBIOS 3.5 ∙ Multi-language |
| Software | ∙ Drivers ∙ MSI Center ∙ Intel Extreme Tuning Utility ∙ Realtek Console ∙ CPU-Z MSI GAMING ∙ Norton 360 Deluxe ∙ 7-ZIP ∙ AIDA64 Extreme – MSI Edition ∙ MSI APP Player (BlueStacks) ∙ Tile |
Special Features
MSI Center Features
- Gaming Mode
- Smart Priority
- Game Highlights
- Mystic light
- Ambient Link
- Frozr AI Cooling
- User Scenario
- True Color
- Live Update
- Hardware Monitoring
- Super Charger
- Devices Speed Up
- Smart Image Finder
- MSI Companion
- System Diagnosis
- System Info
- Microsoft App
- My Device
- MSI Display kit
Thermal Features
- Heat-pipe Design
- Extended Heatsink Design
- M.2 Shield Frozr
- K7 MOSFET thermal pad / Extra choke pad
- Fan headers (CPU + PUMP +SYSTEM)
Performance
- Core Boost
- Dual CPU Power
- Memory Boost
- Lightning Gen 5 PCI-E
- Lightning Gen 4 PCI-E / M.2 Slot
- Front USB Type-C
- Server Grade PCB
- 2oz Copper thickened PCB
DIY Friendly
- PCI-E Steel Armor
- Pre-installed I/O Shield
- Screwless M.2 Shield Frozr
- EZ M.2 Clips
- EZ DEBUG LED
- EZ LED Control
- Flash BIOS Button
Audio
- Audio Boost 5
RGB Support
- Mystic Light
- Mystic Light Extension (RGB)
- Mystic Light Extension (ARGB Gen2)
- Ambient Devices Support
BIOS
- Click BIOS 5
Package Contents
Please check the contents of your motherboard package. It should contain:
Board
- 1x Motherboard
Documentation
- 1x Quick installation guide
- 1x European Union regulatory notice
Application
- 1x USB drive with drivers & utilities
Cables
- 2x SATA 6Gb/s cables
Accessories
- 1x Wi-Fi antenna set
- 3x EZ M.2 Clip packages (1 set/pack)
- 1x Cable sticker
⚠ Important
- There is an ISO file in the supplied USB drive. Please do not delete it accidentally.
For more information on installing drivers, please refer to Installing OS, Drivers & MSI Center chapter. - If any of the above items are damaged or missing, please contact your retailer.
Back Panel Connectors

| Item | Description |
| 1 | DisplayPort |
| 2 | USB 3.2 Gen 1 5Gbps Type-A ports (From Hub GL3523) |
| 3 | USB 3.2 Gen 2 10Gbps Type-A ports (From Z790 chipset) |
| 4 | 2.5 Gbps LAN IRJ451 port |
| 5 | Wi-Fi antenna connectors |
| 6 | Audio jacks |
| 7 | HDMITM port |
| 8 | Clear CMOS button •Power off your computer. Press and hold the Clear CMOS button for about 5-10 seconds to reset BIOS to default values. |
| 9 | Flash BIOS button •Please refer to page 58 for details about updating BIOS with Flash BIOS button. |
| 10 | USB 3.2 Gen 2 10Gbps Type-C port (From Z790 chipset) |
| 11 | Flash BIOS port |
| 12 | USB 3.2 Gen 2×2 20Gbps Type-C port (From Z790 chipset) |
| 13 | Optical S/PDIF Out connector |
LAN Port LED Status Table
Audio Jacks Connection
Audio jacks to headphone and microphone diagram
Audio jacks to stereo speakers diagram
Audio jacks to 4-channel speakers diagram
Audio jacks to 5.1-channel speakers diagram
Audio jacks to 7.1-channel speakers diagram
Installing Antennas
- Combine the antenna with the base.
- Screw two antenna cables tight to the Wi-Fi antenna connectors as shown.

- Place the antenna as high as possible.

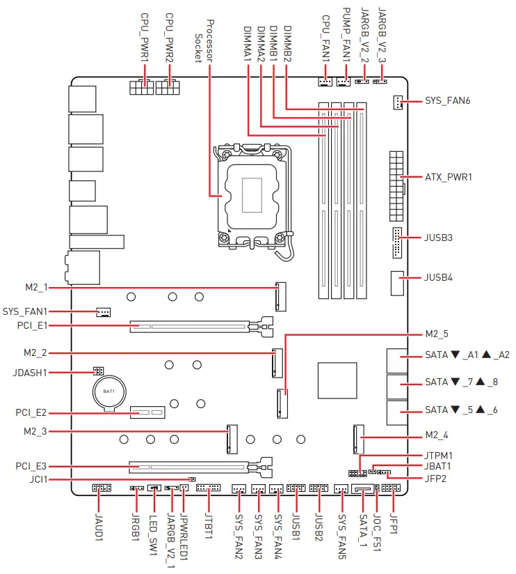
Overview of Components
CPU Socket
Introduction to the LGA1700 CPU
The surface of the LGA1700 CPU has four notches and a golden triangle to assist in correctly lining up the CPU for motherboard placement. The golden triangle is the Pin 1 indicator.
⚠ Important
- Always unplug the power cord from the power outlet before installing or removing the CPU.
- Please retain the CPU protective cap after installing the processor. MSI will deal with Return Merchandise Authorization (RMA) requests if only the motherboard comes with the protective cap on the CPU socket.
- When installing a CPU, always remember to install a CPU heatsink. A CPU heatsink is necessary to prevent overheating and maintain system stability.
- Confirm that the CPU heatsink has formed a tight seal with the CPU before booting your system.
- Overheating can seriously damage the CPU and motherboard. Always make sure the cooling fans work properly to protect the CPU from overheating. Be sure to apply an even layer of thermal paste (or thermal tape) between the CPU and the heatsink to enhance heat dissipation.
- Whenever the CPU is not installed, always protect the CPU socket pins by covering the socket with the plastic cap.
- If you purchased a separate CPU and heatsink/ cooler, Please refer to the documentation in the heatsink/ cooler package for more details about installation.
- This motherboard is designed to support overclocking. Before attempting to overclock, please make sure that all other system components can tolerate overclocking. Any attempt to operate beyond product specifications is not recommended. MSI® does not guarantee the damages or risks caused by inadequate operation beyond product specifications.
DIMM Slots
Memory module installation recommendation

⚠ Important
- Always insert memory modules in the DIMMA2 slot first.
- To ensure system stability for Dual channel mode, memory modules must be of the same type, number and density.
- Some memory modules may operate at a lower frequency than the marked value when overclocking due to the memory frequency operates dependent on its Serial
Presence Detect (SPD). Go to BIOS and find the DRAM Frequency to set the memory frequency if you want to operate the memory at the marked or at a higher frequency. - It is recommended to use a more efficient memory cooling system for full DIMMs installation or overclocking.
- The stability and compatibility of installed memory module depend on installed CPU and devices when overclocking.
- Please refer to www.msi.com for more information on compatible memory.
PCI_E1~3: PCIe Expansion Slots

⚠ Important
- If you install a large and heavy graphics card, you need to use a tool such as MSI Graphics Card Bolster to support its weight to prevent deformation of the slot.
- For a single PCIe x16 expansion card installation with optimum performance, using the PCI_E1 slot is recommended.
- When adding or removing expansion cards, always turn off the power supply and unplug the power supply power cable from the power outlet. Read the expansion card’s documentation to check for any necessary additional hardware or software changes.
M2_1~5: M.2 Slots (Key M)

⚠ Important
- Intel® RST only supports PCIe M.2 SSD with UEFI ROM.
- If your M.2 SSD equips its own heatsink, please remove the M.2 plates or rubber cubes in the M.2 slots before installing M.2 SSD. Do not re-install the heatsinks supplied with your motherboard.
Installing M.2 module into M2_1 slot
- Press and hold the end button of Screwless M.2 Shield Frozr heatsink.

- Slightly lift up the end part of Screwless M.2 Shield Frozr heatsink and move it forward to uninstall the heatsink.

- Remove the protective films from the M.2 thermal pads on the M.2 plate.

- Remove or exchange the screws according to your SSD length. Skip this step, if you install 2280 SSD.

- Insert your M.2 SSD into the M.2 slot at a 30-degree angle.
- Rotate the EZ M.2 Clip to fix the M.2 SSD.

- Remove the protective films from the thermal pads under Screwless M.2 Shield Frozr heatsink.
- Align the tenons under Screwless M.2 Shield Frozr heatsink with the notches, and then put the heatsink back in place.
- Press the end side of the Screwless M.2 Shield Frozr heatsink down to lock it completely.

Installing M.2 module into M2_2 & M2_5 slots
- Loosen the screws of M.2 Shield Frozr heatsink.
- Lift up the M.2 Shield Frozr heatsink and remove it.

- If you want to install 2260 M.2 SSD, please install the supplied EZ M.2 Clip kit in the 2260 screw hole. Skip this step, if you install 2280 SSD.

- Insert your M.2 SSD into the M.2 slot at a 30-degree angle.
- Rotate the EZ M.2 Clip to fix the M.2 SSD.

- Remove the protective film from the thermal pad under the M.2 Shield Frozr heatsink.
- Put the M.2 Shield Frozr heatsink back in place and secure it.

Installing M.2 module into M2_3 & M2_4 slots
- Loosen the screws of M.2 Shield Frozr heatsink.
- Lift up the M.2 Shield Frozr heatsink and remove it.

- If you want to install 2242 or 2260 M.2 SSD, please install the supplied EZ M.2 Clip kit in the 2240 or 2260 screw hole. Skip this step, if you install 2280 SSD.
∙ M2_3 slot
∙ M2_4 slot
- Insert your M.2 SSD into the M.2 slot at a 30-degree angle.
- Rotate the EZ M.2 Clip to fix the M.2 SSD.
∙ M2_3 slot
∙ M2_4 slot
- Remove the protective film from the thermal pad under the M.2 Shield Frozr heatsink.
- Put the M.2 Shield Frozr heatsink back in place and secure it.

SATA_1, SATA_5~6, SATA_7~8 & SATA_A1~A2: SATA 6Gb/s Connectors
These connectors are SATA 6Gb/s interface ports. Each connector can connect to one SATA device.

⚠ Important
- Please do not fold the SATA cable at a 90-degree angle. Data loss may result during transmission otherwise.
- SATA cables have identical plugs on either sides of the cable. However, it is recommended that the flat connector be connected to the motherboard for space saving purposes.
- SATA_1 will be unavailable when installing M.2 SATA SSD in the M2_3 slot.
JAUD1: Front Audio Connector
This connector allows you to connect audio jacks on the front panel.


| Pin | Signal Name | Pin | Signal Name |
| 1 | MIC L | 2 | Ground |
| 3 | MICR | 4 | NC |
| 5 | Head Phone R | 6 | MIC Detection |
| 7 | SENSE SEND | 8 | No Pin |
| 9 | Head Phone L | 10 | Head Phone Detection |
JFP1, JFP2: Front Panel Connectors
The JFP1 connector controls the power on, power reset, and the LEDs on your PC case/chassis. Power Switch/ Reset Switch headers allow you to connect power button/
reset button. Power LED header connects to LED light on the PC case, and HDD LED header indicates the activity of the hard disk. The JFP2 connector is for Buzzer and
Speaker. To connect the cables from PC case to the right pins, please refer to the following images below.

⚠ Important
Please note that Power LED and HDD LED have positive and negative connection, you need to link up the cable to the corresponding positive and negative port on the motherboard. Otherwise, LEDs won’t work properly.
JDASH1: Tuning Controller Connector
This connector is used to connect an optional Tuning Controller module.


| Pin | Signal Name | Pin | Signal Name |
| 1 | No Pin | 2 | NC |
| 3 | MCU_SMB_SCL_M | 4 | MCU_SMB_SDA_M |
| 5 | VCC5 | 6 | Ground |
JCI1: Chassis Intrusion Connector
This connector allows you to connect the chassis intrusion switch cable.

Using chassis intrusion detector
- Connect the JCI1 connector to the chassis intrusion switch/ sensor on the chassis.
- Close the chassis cover.
- Go to BIOS > SETTINGS > Security > Chassis Intrusion Configuration.
- Set Chassis Intrusion to Enabled.
- Press F10 to save and exit and then press the Enter key to select Yes.
- Once the chassis cover is opened again, a warning message will be displayed on screen when the computer is turned on.
Resetting the chassis intrusion warning
- Go to BIOS > SETTINGS > Security > Chassis Intrusion Configuration.
- Set Chassis Intrusion to Reset.
- Press F10 to save and exit and then press the Enter key to select Yes.
CPU_PWR1~2, ATX_PWR1: Power Connectors
These connectors allow you to connect an ATX power supply.

CPU_PWR1~2
| Pin | Signal Name | Pin | Signal Name |
| 1 | Ground | 2 | Ground |
| 3 | Ground | 4 | Ground |
| 5 | +12V | 6 | +12V |
| 7 | +12V | 8 | +12V |

ATX_PWR1
| Pin | Signal Name | Pin | Signal Name |
| 1 | +3.3V | 2 | +3.3V |
| 3 | Ground | 4 | +5V |
| 5 | Ground | 6 | +5V |
| 7 | Ground | 8 | PWR OK |
| 9 | 5VSB | 10 | +12V |
| 11 | +12V | 12 | +3.3V |
| 13 | +3.3V | 14 | -12V |
| 15 | Ground | 16 | PS-ON# |
| 17 | Ground | 18 | Ground |
| 19 | Ground | 20 | Res |
| 21 | +5V | 22 | +5V |
| 23 | +5V | 24 | Ground |
⚠ Important
Make sure that all the power cables are securely connected to a proper ATX power supply to ensure stable operation of the motherboard.
JUSB4: USB 3.2 Gen 2 Type-C Front Panel Connector
This connector allows you to connect USB 3.2 Gen 2 10Gbps Type-C connector on the front panel. The connector has a foolproof design. When you connect the cable, be
sure to connect it with the corresponding orientation.

JUSB3: USB 3.2 Gen 1 Connector
This connector allows you to connect USB 3.2 Gen 1 5Gbps ports on the front panel.

| Pin | Signal Name | Pin | Signal Name |
| 1 | Power | 2 | USB3_RX_DN |
| 3 | USB3_RX_DP | 4 | Ground |
| 5 | USB3 TX C DN | 6 | USB3_TX_C_DP |
| 7 | Ground | 8 | USB2.0- |
| 9 | USB2.0+ | 10 | Ground |
| 11 | USB2.0+ | 12 | USB2.0- |
| 13 | Ground | 14 | USB3_TX_C_DP |
| 15 | USB3 TX C DN | 16 | Ground |
| 17 | USB3_RX_DP | 18 | USB3_RX_DN |
| 19 | Power | 20 | No Pin |
⚠ Important
Note that the Power and Ground pins must be connected correctly to avoid possible damage.
JUSB1~2: USB 2.0 Connectors
These connectors allow you to connect USB 2.0 ports on the front panel.


| Pin | Signal Name | Pin | Signal Name |
| 1 | VCC | 2 | VCC |
| 3 | USBO- | 4 | USB1- |
| 5 | USBO+ | 6 | USB1+ |
| 7 | Ground | 8 | Ground |
| 9 | No Pin | 10 | NC |
⚠ Important
- Note that the VCC and Ground pins must be connected correctly to avoid possible damage.
- In order to recharge your iPad, iPhone and iPod through USB ports, please install MSI Center utility.
JTPM1: TPM Module Connector
This connector is for TPM (Trusted Platform Module). Please refer to the TPM security platform manual for more details and usages.


| Pin | Signal Name | Pin | Signal Name |
| 1 | SPI Power | 2 | SPI Chip Select |
| 3 | Master In Slave Out ISPI Data) | 4 | Master Out Slave In (SPI Data) |
| 5 | Reserved | 6 | SPI Clock |
| 7 | Ground | 8 | SPI Reset |
| 9 | Reserved | 10 | No Pin |
| 11 | Reserved | 12 | Interrupt Request |
JOC_FS1: Safe Boot Jumper
This jumper is used for Safe Boot. Once enabled, the system will boot with default settings and lower PCIe (from CPU) mode.

JTBT1: Thunderbolt Add-on Card Connector
This connector allows you to connect the add-on Thunderbolt I/O card.

| Pin | Signal Name | Pin | Signal Name |
| 1 | TBT FORCE PWR | 2 | TBT SOIX ENTRY REQ |
| 3 | TBT CIO PLUG EVENT# | 4 | TBT SOIX ENTRY ACK |
| 5 | SLP 53# TBT | 6 | TBT_PSON_ OVERRIDE N |
| 7 | SLP S5# TBT | 8 | No Pin |
| 9 | Ground | 10 | SMBCLK VSB |
| 11 | DG PEWAKE# | 12 | SMBDATA VSB |
| 13 | TBT RTD3 PWR EN | 14 | Ground |
| 15 | TBT CARD DET R# | 16 | PD IRQ# |
CPU_FAN1, PUMP_FAN1, SYS_FAN1~6: Fan Connectors
Fan connectors can be classified as PWM (Pulse Width Modulation) Mode or DC Mode. PWM Mode fan connectors provide constant 12V output and adjust fan speed with
speed control signal. DC Mode fan connectors control fan speed by changing voltage. The auto mode fan connectors can automatically detect PWM and DC mode. You can control fans in BIOS> HARDWARE MONITOR panel. It allows you to set DC or PWM to your fan type. Check the Smart Fan Mode, the fan speed will change according to the CPU or system temperature. Uncheck the Smart Fan Mode, the fan will spin at maximum speed.
⚠ Important
Make sure fans are working properly after switching the PWM/ DC mode.


PWM Mode pin definition
| Pin | Signal Name | Pin | Signal Name |
| 1 | Ground | 2 | +12V |
| 3 | Sense | 4 | Speed Control Signal |
DC Mode pin definition
| Pin | Signal Name | Pin | Signal Name |
| 1 | Ground | 2 | Voltage Control |
| 3 | Sense | 4 | NC |
Fan connector specifications
| Connector | Default fan mode | Max. current | Max. power |
| CPU FAN1 | Auto mode | 2A | 24W |
| PUMP FAN1 | PWM mode | 3A | 36W |
| SYS FAN1-6 | DC mode | 1A | 12W |
JBAT1: Clear CMOS (Reset BIOS) Jumper
There is CMOS memory onboard that is external powered from a battery located on the motherboard to save system configuration data. If you want to clear the system configuration, set the jumpers to clear the CMOS memory.

Resetting BIOS to default values
- Power off the computer and unplug the power cord.
- Use a jumper cap to short JBAT1 for about 5-10 seconds.
- Remove the jumper cap from JBAT1.
- Plug the power cord and Power on the computer.
BAT1: CMOS Battery
If the CMOS battery is out of charge, the time in the BIOS will be reset and the data of system configuration will be lost. In this case, you need to replace the CMOS battery.

Replacing CMOS battery
- Push the retainer clip to free the battery.
- Remove the battery from the socket.
- Install the new CR2032 coin-cell battery with the + sign facing up. Ensure that the retainer holds the battery securely.
JRGB1: RGB LED Connector
The JRGB connector allows you to connect the 5050 RGB LED strips 12V.


| Pin | Signal Name | Pin | Signal Name |
| 1 | +12V | 2 | G |
| 3 | R | 4 | B |
RGB LED Strip Connection

RGB LED Fan Connection

⚠ Important
- The JRGB connector supports up to 2 meters continuous 5050 RGB LED strips (12V/G/R/B) with the maximum power rating of 3A (12V).
- Always turn off the power supply and unplug the power cord from the power outlet before installing or removing the RGB LED strip.
- Please use MSI’s software to control the extended LED strip.
JARGB_V2_1~3: A-RAINBOW V2 (ARGB Gen2) LED Connectors
The JARGB_V2 connectors allow you to connect the ARGB Gen2 and the ARGB-based LED strips. The JARGB_V2 connector supports up to 240 individually addressable RGB LEDs with maximum power rating of 3A (5V).


| Pin | Signal Name | Pin | Signal Name |
| 1 | +5V | 2 | Data |
| 3 | No Pin | 4 | Ground |
Addressable RGB LED Strip Connection

Addressable RGB LED Fan Connection

⚠ CAUTION
Do not connect the wrong type of LED strips. The JRGB connector and the JARGB_V2 connector provide different voltages, and connecting the ARGB 5V LED strip to the JRGB connector will result in damage to the LED strip.
⚠ Important
- If you connect ARGB Gen1 and ARGB Gen2 LED strips into the same connector, it may cause issues. Please do not mix ARGB Gen1 and ARGB Gen2 LED strips together.
- It is recommended that you install LED strips with the same specification to achieve the best effects.
- Always turn off the power supply and unplug the power cord from the power outlet before installing or removing the addressable RGB LED strip.
- Please use MSI’s software to control the extended LED strip.
Onboard LEDs
EZ Debug LED
These LEDs indicate the debug status of the motherboard.

CPU – indicates CPU is not detected or fail.
DRAM – indicates DRAM is not detected or fail.
VGA – indicates GPU is not detected or fail.
BOOT – indicates the booting device is not detected or fail.
JPWRLED1: LED Power Input
This connector is used by retailers to demonstrate onboard LED lights.

LED_SW1: EZ LED Control
This switch is used to switch on/ off all the LEDs of motherboard.

Installing OS, Drivers & MSI Center
Please download and update the latest utilities and drivers at www.msi.com
Installing Windows 10/ Windows 11
- Power on the computer.
- Insert the Windows 10/ Windows 11 installation disc/USB into your computer.
- Press the Restart button on the computer case.
- Press F11 key during the computer POST (Power-On Self Test) to get into Boot Menu.
- Select the Windows 10/ Windows 11 installation disc/USB from the Boot Menu.
- Press any key if screen shows Press any key to boot from CD or DVD… message. If not, please skip this step.
- Follow the instructions on the screen to install Windows 10/ Windows 11.
Installing Drivers with MSI Driver Utility Installer
⚠ Important
- Some new network chips have not been natively supported by Windows 10/ Windows 11. It is recommended that the LAN driver be installed before installing drivers with MSI Driver Utility Installer. Please refer to www.msi.com to install the LAN driver for your motherboard.
- The MSI Driver Utility Installer will only pop up once. If you cancel or close it during the process, please refer to the Live Update chapter of the MSI Center manual to
install the drivers. You can also go to www.msi.com to search your motherboard and download the drivers. - MSI Driver Utility Installer needs to be installed over the internet.
- Start up your computer in Windows 10/ Windows 11.
- Select Start > Settings > Windows Update, and then select Check for updates.
- MSI Driver Utility Installer will pop up automatically.

- Select the I have read and agree to the MSI Terms of Use check box, and then click Next.

- Check the Select All checkbox in the lower-left corner and click Install to install MSI Center and drivers. The installation progress will be shown at the bottom.

- Once the progress has completed, click Finish.
Installing Drivers with MSI USB Drive
- Start up your computer in Windows 10/ Windows 11.
- Insert MSI USB Drive into the USB port.
- You can see a Disc Image file which contains drivers and utilities in the USB drive. Double-click the file to open it.
- Execute an application file named DVDSetup.
- The installer will find and list all necessary drivers in the Drivers/Software tab.
- Click the Install button in the lower-right corner of the window.
- The drivers installation will then be in progress, after it has finished it will prompt you to restart.
- Click OK button to finish.
- Restart your computer.
MSI Center
MSI Center is an application that helps you easily optimize game settings and smoothly use content creation softwares. It also allows you to control and synchronize LED light effects on PCs and other MSI products. With MSI Center, you can customize ideal modes, monitor system performance, and adjust fan speed.
MSI Center User Guide

If you would like to know more information about MSI Center, please refer to http://download.msi.com/manual/mb/MSICENTER.pdf or scan the QR code to access.
⚠ Important
Functions may vary depending on the product you have.
UEFI BIOS
MSI UEFI BIOS is compatible with UEFI (Unified Extensible Firmware Interface) architecture. UEFI has many new functions and advantages that traditional BIOS cannot achieve, and it will completely replace BIOS in the future. The MSI UEFI BIOS uses UEFI as the default boot mode to take full advantage of the new chipset’s capabilities.
⚠ Important
The term BIOS in this user guide refers to UEFI BIOS unless otherwise noted.
UEFI advantages
- Fast booting – UEFI can directly boot the operating system and save the BIOS selftest process. And also eliminates the time to switch to CSM mode during POST.
- Supports for hard drive partitions larger than 2 TB.
- Supports more than 4 primary partitions with a GUID Partition Table (GPT).
- Supports unlimited number of partitions.
- Supports full capabilities of new devices – new devices may not provide backward compatibility.
- Supports secure startup – UEFI can check the validity of the operating system to ensure that no malware tampers with the startup process.
Incompatible UEFI cases
- 32-bit Windows operating system – this motherboard supports only Windows 10/Windows 11 64-bit operating system.
- Older graphics card – the system will detect your graphics card. If you use older graphics cards, it may display a warning message There is no GOP (Graphics Output protocol) support detected in this graphics card.
⚠ Important
We recommend that you replace it with a graphics card supporting GOP/UEFI or use CPU with integrated graphics for having normal function.
How to check the BIOS mode?
- Power on your computer.
- Press Delete key, when the Press DEL key to enter Setup Menu, F11 to enter Boot Menu message appears on the screen during the boot process.
- After entering the BIOS, you can check the BIOS Mode at the top of the screen.
BIOS Mode: UEFI
BIOS Setup
The default settings offer the optimal performance for system stability in normal conditions. You should always keep the default settings to avoid possible system damage or failure booting unless you are familiar with BIOS.
⚠ Important
- BIOS items are continuously update for better system performance. Therefore, the description may be slightly different from the latest BIOS and should be for reference only. You could also refer to the HELP information panel for BIOS item description.
- The BIOS screens, options and settings will vary depending on your system.
Entering BIOS Setup
Press Delete key, when the Press DEL key to enter Setup Menu, F11 to enter Boot Menu message appears on the screen during the boot process.
Function key
| F1: | General Help list |
| F2: | Add/ Remove a favorite item |
| F3: | Enter Favorites menu |
| F4: | Enter CPU Specifications menu |
| F5: | Enter Memory-Z menu |
| F6: | Load optimized defaults |
| F7: | Switch between Advanced mode and EZ mode |
| F8: | Load Overclocking Profile |
| F9: | Save Overclocking Profile |
| F10: | Save Change and Reset* |
| F12: | Take a screenshot and save it to USB flash drive (FAT/ FAT32 format only). |
| Ctrl+F: | Enter Search page |
* When you press F10, a confirmation window appears and it provides the modification information. Select between Yes or No to confirm your choice.
BIOS User Guide
If you’d like to know more instructions on setting up the BIOS, please refer to https://download.msi.com/archive/mnu_exe/mb/Intel700BIOS.pdf or scan the QR code to access.
⚠ Important
Functions may vary depending on the product you have.
Resetting BIOS
You might need to restore the default BIOS setting to solve certain problems. There are several ways to reset BIOS:
- Go to BIOS and press F6 to load optimized defaults.
- Short the Clear CMOS jumper on the motherboard.
- Press the Clear CMOS button on the rear I/O panel.
⚠ Important
Be sure the computer is off before clearing CMOS data. Please refer to the Clear CMOS jumper/ button section for resetting BIOS.
Updating BIOS
Updating BIOS with M-FLASH
Before updating:
Please download the latest BIOS file that matches your motherboard model from MSI website. And then save the BIOS file into the USB flash drive.
Updating BIOS:
- Switch to the target BIOS ROM by Multi-BIOS switch. Please skip this step if your motherboard doesn’t has this switch.
- Insert the USB flash drive that contains the update file into the USB port.
- Please refer the following methods to enter flash mode.
• Reboot and press Ctrl + F5 key during POST and click on Yes to reboot the system.
Press <Ctrl+F5> to activate M-Flash for BIOS update.
Reboot and press Del key during POST to enter BIOS. Click the M-FLASH button and click on Yes to reboot the system.
- Select a BIOS file to perform the BIOS update process.
- When prompted click on Yes to start recovering BIOS.
- After the flashing process is 100% completed, the system will reboot automatically.
Updating the BIOS with MSI Center
Before updating:
- Make sure the LAN driver is already installed and the internet connection is set properly.
- Please close all other application software before updating the BIOS.
To update BIOS:
- Install and launch MSI Center and go to Support page.
- Select Live Update and click on Advance button.
- Select the BIOS file and click on Install button.
- The installation reminder will appear, then click the Install button on it.
- The system will automatically restart to update BIOS.
- After the flashing process is 100% completed, the system will restart automatically.
Updating BIOS with Flash BIOS Button
- Please download the latest BIOS file that matches your motherboard model from the MSI® website.
- Rename the BIOS file to MSI.ROM, and save it to the root of the USB storage device.
- Connect the power supply to CPU_PWR1 and ATX_PWR1. (No need to install CPU and memory.)
- Plug the USB storage device that contains the MSI.ROM file into the Flash BIOS Port on the rear I/O panel.
- Press the Flash BIOS Button to flash BIOS, and the LED starts flashing.
- The LED will be turned off when the process is completed.
Block Diagram
MPG Z790 EDGE WIFI DDR4

Regulatory Notices
FCC-B Radio Frequency Interference Statement
This equipment has been tested and found to comply with the limits for a Class B digital device, pursuant to part 15 of the FCC rules. These limits are designed to provide reasonable protection against harmful interference in a residential installation. This equipment generates, uses and radiates radio frequency energy, and, if not installed and used in accordance with the instructions, may cause harmful interference to radio communications. However, there is no guarantee that interference will not occur in a particular installation. If this equipment does cause harmful interference to radio or television reception, which can be determined by turning the equipment off and on, the user is encouraged to try to correct the interference by one or more of the following measures:
- Reorient or relocate the receiving antenna.
- Increase the separation between the equipment and receiver.
- Connect the equipment into an outlet on a circuit different from that to which the receiver is connected.
NOTE
- The changes or modifications not expressly approved by the party responsible for compliance could void the user’s authority to operate the equipment.
- Shield interface cables and AC power cord, if any, must be used in order to comply with the emission limits.
FCC Conditions
This device complies with part 15 of the FCC Rules. Operation is subject to the following two conditions:
- This device may not cause harmful interference.
- This device must accept any interference received, including interference that may cause undesired operation.
MSI Computer Corp.
901 Canada Court, City of Industry, CA 91748, USA
(626)913-0828
www.msi.com
CE Conformity
Products bearing the CE marking comply with one or more of the following EU Directives as may be applicable:
- RED 2014/53/EU
- Low Voltage Directive 2014/35/EU
- EMC Directive 2014/30/EU
- RoHS Directive 2011/65/EU
- ErP Directive 2009/125/EC
Compliance with these directives is assessed using applicable European Harmonized Standards.
The point of contact for regulatory matters is MSI-Europe: Eindhoven 5706 5692 ER Son.
Products with Radio Functionality (EMF)
This product incorporates a radio transmitting and receiving device. For computers in normal use, a separation distance of 20 cm ensures that radio frequency exposure levels comply with EU requirements. Products designed to be operated at closer proximities, such as tablet computers, comply with applicable EU requirements in typical operating positions. Products can be operated without maintaining a separation distance unless otherwise indicated in instructions specific to the product.
Restrictions for Products with Radio Functionality
CAUTION: IEEE 802.11x wireless LAN with 5.15~5.35 GHz frequency band is restricted for indoor use only in all European Union member states, EFTA (Iceland, Norway, Liechtenstein), and most other European countries (e.g., Switzerland, Turkey, Republic of Serbia). Using this WLAN application outdoors might lead to interference issues with existing radio services.
Radio frequency bands and maximum power levels
- Features: Wi-Fi 6E, BT
- Frequency Range: 2.4 GHz: 2400~2485MHz; 5 GHz: 5150~5350MHz, 5470~5725MHz, 5725~5850MHz; 6 GHz: 5955~6415MHz
- Max Power Level: 2.4 GHz: 20dBm; 5 GHz: 23dBm; 6 GHz: 23dBm
Wireless Radio Use
This device is restricted to indoor use when operating in the 2.4GHz, 5GHz, 6GHz frequency band.
Compliance Statement of Innovation, Science and Economic Development Canada (ISED)
This device complies with with Innovation, Science and Economic Development Canada’s licence-exempt RSS(s). Operation is subject to the following two conditions:
(1) this device may not cause interference, and (2) this device must accept any interference, including interference that may cause undesired operation of the device.
Operation in the band 5150-5250 MHz is only for indoor use to reduce the potential for harmful interference to co-channel mobile satellite systems.
CAN ICES-003(B)/NMB-003(B)
Australia and New Zealand notice
This equipment incorporates a radio transmitting and receiving device. In normal use, a separation distance of 20 cm ensures that radio frequency exposure levels comply with the Australian and New Zealand Standards.
Battery Information
European Union:
Batteries, battery packs, and accumulators should not be disposed of as unsorted household waste. Please use the public collection system to return, recycle, or treat them in compliance with the local regulations.
BSMI:
For better environmental protection, waste batteries should be collected separately for recycling or special disposal.
California, USA:
The button cell battery may contain perchlorate material and requires special handling when recycled or disposed of in California. For further information please visit:
http://www.dtsc.ca.gov/hazardouswaste/perchlorate/
CAUTION: There is a risk of explosion, if battery is incorrectly replaced. Replace only with the same or equivalent type recommended by the manufacturer.
Chemical Substances Information
In compliance with chemical substances regulations, such as the EU REACH Regulation (Regulation EC No. 1907/2006 of the European Parliament and the Council), MSI provides the information of chemical substances in products at: https://csr.msi.com/global/index
Environmental Policy
- The product has been designed to enable proper reuse of parts and recycling and should not be thrown away at its end of life.
- Users should contact the local authorized point of collection for recycling and disposing of their end-of-life products.
- Visit the MSI website and locate a nearby distributor for further recycling information.
- Users may also reach us at [email protected] for information regarding proper Disposal, Take-back, Recycling, and Disassembly of MSI products.
WEEE (Waste Electrical and Electronic Equipment)Statement
To protect the global environment and as an environmentalist, MSI must remind you that…
Under the European Union (“EU”) Directive on Waste Electrical and Electronic Equipment, Directive 2002/96/EC, which takes effect on August 13, 2005, products of “electrical and electronic equipment” cannot be discarded as municipal wastes anymore, and manufacturers of covered electronic equipment will be obligated to take back such products at the end of their useful life. MSI will comply with the product take back requirements at the end of life of MSIbranded products that are sold into the EU. You can return these products to local collection points.
India RoHS
This product complies with the “India E-waste (Management and Handling) Rule 2011” and prohibits use of lead, mercury, hexavalent chromium, polybrominated biphenyls
or polybrominated diphenyl ethers in concentrations exceeding 0.1 weight % and 0.01 weight % for cadmium, except for the exemptions set in Schedule 2 of the Rule.

Copyright and Trademarks Notice
Copyright © Micro-Star Int’l Co., Ltd. All rights reserved. The MSI logo used is a registered trademark of Micro-Star Int’l Co., Ltd. All other marks and names mentioned may be trademarks of their respective owners. No warranty as to accuracy or completeness is expressed or implied. MSI reserves the right to make changes to this document without prior notice.
Technical Support
If a problem arises with your system and no solution can be obtained from the user guide, please contact your place of purchase or local distributor. Alternatively, please try the following help resources for further guidance.
- Visit the MSI website for technical guide, BIOS updates, driver updates, and other information: http://www.msi.com
- Register your product at: http://register.msi.com
Revision History
- Version 1.0, 2022/10, First release.














∙ M2_4 slot
∙ M2_4 slot






















