msi MAG Z790 TOMAHAWK WIFI Motherboard

Product Information
MAG Z790 TOMAHAWK WIFI
The MAG Z790 TOMAHAWK WIFI is a motherboard designed for high-performance gaming and computing. It supports the LGA1700 processor socket and has four DDR5 memory slots, allowing up to 128GB of memory. The motherboard supports RAID 0, RAID 1, RAID 5,and RAID 10 for both SATA and M.2 NVMe storage devices. It also has multiple fan connectors and a range of system connectors for easy customization.
Specifications
- CPU Socket: LGA1700
- Memory Slots: 4x DDR5, supports up to 128GB
- Expansion Slots: 1x HDMI 2.1 with HDR port, 1x DisplayPort 1.4 port with HBR3
- SATA Ports: Supports RAID 0, RAID 1, RAID 5, and RAID 10 for SATA storage devices
- M.2 SSD Slots: Supports RAID 0, RAID 1, RAID 5, and RAID 10 for M.2 NVMe storage devices
- Fan Connectors: 1x 4-pin CPU fan connector, 1x 4-pin water-pump fan connector, and 6x 4-pin system fan connectors
Product Usage Instructions
To use the MAG Z790 TOMAHAWK WIFI motherboard, follow these steps:
- Install the motherboard in your computer case according to the instructions provided in your computer case manual.
- Connect the power supply cables to the motherboard’s power connectors (1x 24-pin ATX main power connector and 2x 8-pin +12V power connectors).
- If you are using a CPU with integrated graphics, connect your display to either the HDMI or DisplayPort port on the back panel.
If you are using a dedicated graphics card, install it in one of the expansion slots and connect your display to the graphics card’s ports. - Install your memory modules into the DDR5 memory slots. Refer to the motherboard manual for recommended memory configurations.
- Connect your storage devices to the SATA ports or M.2 NVMe slots. Refer to the motherboard manual for RAID configuration instructions.
- Connect any necessary peripherals, such as a keyboard or mouse, to the USB ports on the back panel or front panel connector.
- Connect your fans to the appropriate fan connectors on the motherboard. Refer to the motherboard manual for recommended fan configurations.
- Connect any other necessary system connectors, such as audio or TPM module connectors, according to the motherboard manual.
- Power on your computer and follow any additional setup instructions provided by your operating system or BIOS.
For further information on compatible memory and other specifications, please refer to the manufacturer’s website at www.msi.com.
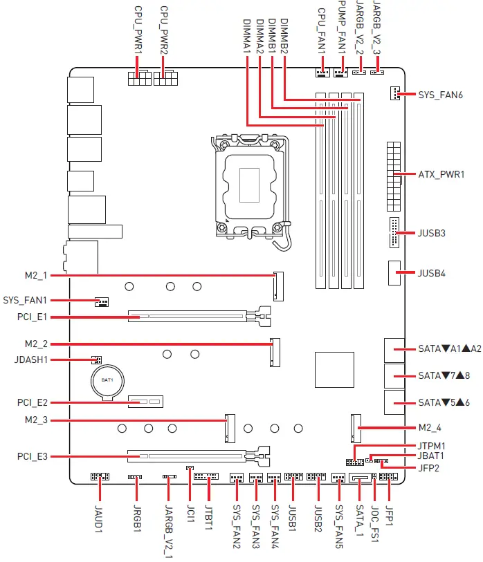
Overview of Components

Back Panel Connectors

| Item | Description |
| 1 | DisplayPort port |
| 2 | USB 3.2 Gen 1 5Gbps Type-A ports (From Hub GL3523) |
| 3 | USB 3.2 Gen 2 10Gbps Type-A ports (From Z790 chipset) |
| 4 | 2.5Gbps LAN (RJ45) port |
| 5 | Wi-Fi Antenna connectors |
| 6 | Audio jacks |
| 7 | ![]() |
| 8 | Clear CMOS button |
| 9 | Flash BIOS button |
| 10 | USB 3.2 Gen 2 10Gbps Type-C port (From Z790 chipset) |
| 11 | Flash BIOS port |
| 12 | USB 3.2 Gen 2×2 20Gbps Type-C port (From Z790 chipset) |
| 13 | Optical S/PDIF Out connector |
Product Specifications
|
CPU | ∙ Supports 12th/13th Gen Intel® Core™ Processors, Pentium® Gold and Celeron® Processors* ∙ Processor socket LGA1700 * Please go to msi.com to get the newest support status as new processors are released. |
| Chipset | Intel® Z790 Chipset |
|
Memory | ∙ 4x DDR5 memory slots, support up to 128GB* ∙ Supports 1R 5600 MHz (by JEDEC & POR) • 1DPC 1R Max speed up to 6800+ MHz • 1DPC 2R Max speed up to 6400+ MHz • 2DPC 1R Max speed up to 6400+ MHz • 2DPC 2R Max speed up to 5600+ MHz ∙ Supports Intel® XMP3.0 OC ∙ Supports Dual-Controller Dual-Channel mode ∙ Supports non-ECC, un-buffered memory * Please refer to www.msi.com for more information on compatible memory. |
|
Expansion Slots | ∙ 2x PCIe x16 slots • PCI_E1 slot (From CPU) • Supports up to PCIe 5.0 x16 • PCI_E3 slot (From Z790 Chipset) • Supports up to PCIe 4.0 x4 ∙ 1x PCIe 3.0 x1 slot • PCI_E2 slot (From Z790 Chipset) • Supports up to PCIe 3.0 x1 |
|
Onboard Graphics | ∙ 1x HDMI 2.1 with HDR port, supporting a maximum resolution of 4K 60Hz*/ ** ∙ 1x DisplayPort 1.4 port with HBR3, supporting a maximum resolution of 4K 60Hz*/ ** * Available only on processors featuring integrated graphics. ** Graphics specifications may vary depending on the CPU installed. |
| SATA Ports | ∙ 7x SATA 6Gb/s ports • SATA_1& SATA_5_6& SATA_7_8 (From Z790 chipset) • SATA_A1_A2 (From ASM1061) |
|
M.2 SSD Slots | ∙ 4x M.2 slots (Key M) • M2_1 slot (From CPU) • Supports up to PCIe 4.0 x4 • Supports 2260/ 2280/ 22110 storage devices • M2_2 slot (From Z790 chipset) • Supports up to PCIe 4.0 x4 • Supports 2260/ 2280 storage devices • M2_3 slot (From Z790 chipset) • Supports up to PCIe 4.0 x4 • Supports up to SATA 6Gb/s • Supports 2242/ 2260/ 2280 storage devices • M2_4 slot (From Z790 chipset) • Supports up to PCIe 4.0 x4 • Supports 2242/ 2260/ 2280 storage devices * SATA_1 will be unavailable when installing M.2 SATA SSD in the M2_3 slot. |
|
RAID | ∙ Supports RAID 0, RAID 1, RAID 5 and RAID 10 for SATA storage devices ∙ Supports RAID 0, RAID 1 , RAID 5 and RAID 10 for M.2 NVMe storage devices * SATA_A1_A2 do not support RAID function. |
| Audio | Realtek® ALC4080 Codec ∙ 7.1-Channel High Definition Audio ∙ Supports S/PDIF output |
| LAN | ∙ 1x Intel® 2.5Gbps LAN controller |
|
Wi-Fi & Bluetooth® | Intel® Wi-Fi 6E ∙ The Wireless module is pre-installed in the M.2 (Key-E) slot ∙ Supports MU-MIMO TX/RX, 2.4GHz/ 5GHz/ 6GHz*(160MHz) up to 2.4Gbps ∙ Supports 802.11 a/ b/ g/ n/ ac/ ax ∙ Supports Bluetooth® 5.2**, FIPS, FISMA * Wi-Fi 6E 6GHz may depend on every country’s regulations and will be ready in Windows 10 build 21H1 and Windows 11. ** Bluetooth 5.2 will be ready in Windows 10 build 21H1 and Windows 11. |
| Power Connectors | ∙ 1x 24-pin ATX main power connector ∙ 2x 8-pin +12V power connectors |
|
Internal USB Connectors | ∙ 1x USB 3.2 Gen 2 10Gbps Type-C front panel connector (From Z790 chipset) ∙ 1x USB 3.2 Gen 1 5Gbps connector (From Hub GL3523) • Support additional 2 USB 3.2 Gen 1 5Gbps ports ∙ 2x USB 2.0 Type-A connectors (From Hub GL850G) • Supports additional 4 USB 2.0 ports |
| Fan Connectors | ∙ 1x 4-pin CPU fan connector ∙ 1x 4-pin water-pump fan connector ∙ 6x 4-pin system fan connectors |
|
System Connectors | ∙ 1x Front panel audio connector ∙ 2x System panel connectors ∙ 1x Chassis Intrusion connector ∙ 1x TPM module connector ∙ 1x Tuning Controller connector ∙ 1x TBT connector (Supports RTD3) |
| Jumpers | ∙ 1x Clear CMOS jumper ∙ 1x OC force enter BIOS jumper (Supports lower PCIe mode) |
| LED Features | ∙ 1x 4-pin RGB LED connector ∙ 3x 3-pin ARGB Gen2 LED connectors ∙ 4x EZ Debug LED |
|
Back Panel Connectors | ∙ 1x DisplayPort ∙ 1x HDMI port ∙ 1x Clear CMOS button ∙ 1x Flash BIOS button ∙ 4x USB 3.2 Gen 1 5Gbps Type-A ports (From Hub GL3523) ∙ 4x USB 3.2 Gen 2 10Gbps Type-A ports (From Z790 chipset) ∙ 1x USB 3.2 Gen 2 10Gbps Type-C port (From Z790 chipset) ∙ 1x USB 3.2 Gen 2×2 20Gbps Type-C port (From Z790 chipset) ∙ 1x 2.5Gbps LAN (RJ45) jack ∙ 2x Wi-Fi Antenna connectors ∙ 5x Audio jacks ∙ 1x Optical S/PDIF Out connector |
| I/O Controller | NUVOTON NCT6687D-M Controller Chip |
| Hardware Monitor | ∙ CPU/ System/ Chipset temperature detection ∙ CPU/ System/ Pump fan speed detection ∙ CPU/ System/ Pump fan speed control |
| Form Factor | ∙ ATX Form Factor ∙ 12 in. x 9.6 in. (30.5 cm x 24.4 cm) |
|
BIOS Features | ∙ 1x 256 Mb flash ∙ UEFI AMI BIOS ∙ ACPI 6.4, SMBIOS 3.5 ∙ Multi-language |
|
Software | ∙ Drivers ∙ MSI Center ∙ Intel Extreme Tuning Utility ∙ Realtek Console ∙ CPU-Z MSI GAMING ∙ Norton 360 for Gamers ∙ 7-ZIP ∙ AIDA64 Extreme – MSI Edition ∙ MSI APP Player (BlueStacks) ∙ Tile |
Special Features
MSI Center Features
- Gaming Mode
- Smart Priority
- Game Highlights
- Mystic light
- Ambient Devices
- Frozr AI Cooling
- User Scenario
- True Color
- Live Update
- Hardware Monitoring
- Super Charger
- Devices Speed Up
- Smart Image Finder
- MSI Companion
- System Diagnosis
- System Info
- Microsoft App
- My Device
- MSI Display kit
Thermal Features
- Extended Heatsink Design
- M.2 Shield Frozr
- K7 MOSFET thermal pad / Extra choke pad
- Fan headers (CPU + PUMP + SYSTEM)
Performance
- Core Boost
- VRM Power Design (VCPU / VGT /AUX)
- Dual CPU Power
- Memory Boost
- Lightning Gen 5 PCI-E / M.2 Slot
- Lightning Gen 4 PCI-E / M.2 Slot
- Front USB Type-C
- Server Grade PCB
- 2oz Copper thickened PCB
DIY Friendly
- PCI-E Steel Armor
- Pre-installed I/O Shield
- EZ M.2 Clips
- EZ DEBUG LED
- EZ LED Control
- Flash BIOS Button
Audio
- Audio Boost 5
RGB Support
- Mystic Light Extension (RGB)
- Mystic Light Extension (A-RAINBOWV2)
- Ambient Devices Support
BIOS
- Click BIOS 5



















