SRT

SRT
Professional Powered Loudspeaker Series
SRT™ Professional Powered Loudspeakers are designed for real-world working musicians, DJs, events, venues, and beyond.
The latest acoustic processing technology, powerful amplifiers, and the ultra-versatile SRT Mix Control™ mean easy setup, incredible sound, and unbeatable reliability.
Built-Like-A-Tank™ construction features rugged molded cabinets and tough steel grilles that are built to last.
As the larger gigs come rolling in, your audience gets bigger, and your needs demand better sound and flexibility, SRT is YOUR Next Big Thing.
APPLICATIONS:
Singer-songwriters, announcement PA, karaoke, clubs / cafés, houses of worship, schools, small restaurants, outdoor events /barbeques, banquet halls, conference rooms, boardrooms, and many, many more.
FEATURES:
- A True Workhorse for Gigging Professionals
• Powerful 1600W Class-D amplifiers designed for ultra-reliable, consistent performance
• Custom high-efficiency transducers ensure maximum clarity and accuracy
• Built-Like-A-Tank™ to conquer every gig while lightweight for easy loading
• Universal Power Supply (100-240VAC) with Power Factor
Correction for stable operation even with unstable AC power - Advanced Impulse™ DSP – Proprietary Acoustic Tuning
• Crystal clear sound across the entire dispersion zone means the whole room is the sweet spot
• Precision crossover and transducer time-alignment ensures balanced and accurate sound - Custom Sym-X™ Horn
• Allows for total efficiency from the HF transducer minimizing distortion and increasing output
• Creates a perfectly symmetrical, flat response at the crossover point for exceptionally smooth midrange
• The horn-loading frequency is set below the drivers’ LF capability allowing for maximum efficiency and optimal performance at the crossover point
• Coverage: 90˚ horizontal x 60˚ vertical - Transparent System Limiting and Protection
• Dedicated processing module monitors and protects the amplifier in real-time
• Sound quality and tonal balance is maintained even under heavy limiting
• Utilizing powerful multi-band compression, the amplifier can target specific frequency ranges to prevent the system from being overloaded rather than turn everything down at the expense of overall output
• Input limiting keeps your source signal in check so if you’re sending audio that’s a bit too hot, the speaker will cool it down - SRT Mix Control™ Built-in 4-Channel Digital Mixer with Bluetooth®
• Dual independent channels that support mic, line, and instrument signals
• Dedicated 1/8″ stereo aux channel
• Stream music from any Bluetooth® enabled device
• High-contrast full-color display for easy single-knob access to mixer and processing
• Adjust channel levels and EQ
• Application and venue specific voicing modes
• Alignment delay – up to 100 feet
• Save and recall up to 10 user preset
• Screensaver plus dimmer and contrast control
• System lock with a 4-digit passcode
• Front LED on, off, and signal present modes - Complete Wireless Control via the SRT Connect™ App
• The SRT Connect™ app gives you access to all adjustments and settings including EQ, levels, and presets - Wirelessly link SRT speakers together for music streaming applications plus complete control over both speakers
• The latest Bluetooth technology allows up to 100 meters of range between linked speakers
• Stereo or dual zone linking modes allows discrete control over the inputs and outputs of the entire system across two rooms or zones
• Creates an incredibly clean setup in minutes - Versatile configuration options
• Dual-angled cabinet design allows for use as a high-performance floor monitor
• Dual angle pole-mount provides optimal coverage and minimal reflections in most venues; 7-degree downward tilt is perfect for when the speakers are on elevated stages
• M10 fly points for professional installation - Step up you’re low-end with the SR18S Powered Subwoofer
• High efficiency 1600W amplifier
• Heavy-duty custom 18″ woofer
• Versatile I/O
• Fully adjustable crossover frequency
• Custom voicing modes
• Polarity invert switch
• Integrated pole cup
![]()
SRT SPECIFICATIONS
Acoustic Performance | |
| Frequency Response (–10 dB) | 47 Hz – 20 kHz [SRT210] 44 Hz – 20 kHz [SRT212] 42 Hz – 20 kHz [SRT215] |
| Frequency Response (–3 dB) | 57 Hz – 20 kHz [SRT210] 52 Hz – 20 kHz [SRT212] 46 Hz – 20 kHz [SRT215] |
| Horizontal Coverage | 90° |
| Vertical Coverage | 60 ° |
| Maximum SPL Peak | 128 dB [SRT210] 132 dB [SRT212] 133 dB [SRT215] |
| Monitor Angle | 45° |
Transducers | |
| Low Frequency | 10 in / 254 mm [SRT210] 12 in / 305 mm [SRT212] 15 in / 381 mm [SRT215] with ferrite |
| High Frequency | 1.4 in / 36 mm polymer compression driver |
Power Amplifiers | |
| System Power Amplification Rated Power | 1600 watts peak |
Low-Frequency Power Amplifier | |
| Rated Power | 1400 watts peak |
| Rated THD | <1% |
| Cooling | Convection |
| Design | Class D |
High-Frequency Power Amplifier | |
| Rated Power | 200 watts peak |
| Rated THD | <1% |
| Cooling | Convection |
| Design | Class D |
System Processing | |
| Voicing | 5 speaker modes |
| Subwoofer HPF | Off, SR18S, DRM18S, Var |
| Input EQ | 3-band |
| Delay | 0 – 100 ms |
Equalization | |
| Low | ±12 dB @ 80 Hz |
| Mid | ±12 dB @ 2.5 kHz |
| High | ±12 dB @ 5 kHz |
| HPF 8 | HPF 80 Hz – 150 Hz (Var) |
Input / Output | |
| Input Type | 2x Female XLR Balanced 1/4″ Balanced 1/8″ Stereo |
| Mic-Line Impedance | 20 kΩ balanced |
| 1/4″ TS, Wide-Z™ Impedance | 100 kΩ balanced |
| Direct Out and Mix Out | Male XLR Balanced |
| Mix Out Impedance | 300 Ω balanced |
| Main Control | 4.2 |
Bluetooth Information | |
| Bluetooth Protocol | 4.2 |
| Bluetooth Function | Audio Streaming and User Interface Control |
| Bluetooth Class | Class 1 |
Electronic Crossover | |
| Crossover Type | 24 dB / octave |
| Crossover Frequency | 2.0 kHz |
Line Input Power | |
| Detachable line cord | ~100 – 240 VAC, 50 – 60 Hz, 110W ~220 – 240 VAC, 50 – 60 Hz, 110W |
| AC Connector | 3-Pin IEC 250 VAC, 10 A male |
| Power Supply Type | Switchmode |
Safety Features | |
| Input Protection | peak and RMS limiting, power supply, and amplifier thermal protection |
| Display LEDs | defeatable front power, speaker control |
| Status Info | Input and output levels, voicing mode, sub-HPF, EQ, and delay settings |
Construction Features | |
| Basic Design | Enclosure Material |
| Enclosure Material | Enclosure Finish |
| Enclosure Finish | Grille Material |
| Grille Material | Enclosure Material w/nylon net backing |
| Grille Finish | Powder-coated black |
| Handles | One [SRT210], two on each side and one partial on top [SRT212 and SRT215] |
| Display LEDs | Power / Signal |
| Front | Speaker Control |
| Rear | 0 – 40 °C |
| Operating Temperature | 32 – 104 °F |
Physical Properties (product) | |
| SRT210: Height: Width: Depth: Weight: | 23.0 in / 584 mm 15.1 in / 384 mm 12.9 in / 328 mm 28.2 lb / 12.8 kg |
| SRT212: Height: Width: Depth: Weight: | 25.9 in / 658 mm 15.2 in / 386 mm 14.2 in / 361 mm 32.5 lb / 14.7 kg |
| SRT215: Height: Width: Depth: Weight: | 28.8 in / 732 mm 17.6 in / 447 mm 15.4 in / 391 mm 37.1 lb / 16.8 kg |
Physical Properties (packaged product) | |
| SRT210: Height: Width: Depth: Weight: | 27.2 in / 691 mm 17.7 in / 450 mm 16.5 in / 419 mm 33.7 lb / 15.3 kg |
| SRT212: Height: Width: Depth: Weight: | 29.9 in / 759 mm 18.1 in / 460 mm 17.7 in / 450 mm 38.4 lb / 17.4 kg |
| SRT215: Height: Width: Depth: Weight: | 32.3 in / 820 mm 20.5 in / 521 mm 18.9 in / 480 mm 43.7 lb / 19.8 kg |
Options | |
| SRT210 Cover | P/N 2036809-54 |
| SRT212 Cover | P/N 2036809-55 |
| SRT215 Cover | P/N 2036809-56 |
| SRT210 Rolling Bag | P/N 2036809-57 |
| SRT212 Rolling Bag | P/N 2036809-58 |
| SRT215 Rolling Bag | P/N 2036809-59 |
| T100 Loudspeaker Tripod Stand | P/N 2052464 |
| SPM400 Loudspeaker Pole Mount | P/N 2051055 |
| PA-A2 Eyebolt Kit | P/N 2051054 |
Ordering Information | |
SRT210 – 10″ 1600W Professional Powered Loudspeaker | |
| P/N 2051849-00 (US) | |
| P/N 2051849-01 (EU) | |
| P/N 2051849-03 (UK) | |
| P/N 2051849-04 (AU) | |
| P/N 2051849-05 (CN) | |
| P/N 2051849-06 (BZ ~120V) | |
| P/N 2051849-07 (AR) | |
| P/N 2051849-08 (KR) | |
SRT212 – 12″ 1600W Professional Powered Loudspeaker | |
| P/N 2051848-00 (US) | |
| P/N 2051848-01 (EU) | |
| P/N 2051848-03 (UK) | |
| P/N 2051848-04 (AU) | |
| P/N 2051848-05 (CN) | |
| P/N 2051848-06 (BZ ~120V) | |
| P/N 2051848-07 (AR) | |
| P/N 2051848-08 (KR) | |
SRT215 – 15″ 1600W Professional Powered Loudspeaker | |
| P/N 2051847-00 (US) | |
| P/N 2051847-01 (EU) | |
| P/N 2051847-03 (UK) | |
| P/N 2051847-04 (AU) | |
| P/N 2051847-05 (CN) | |
| P/N 2051847-06 (BZ ~120V) | |
| P/N 2051847-07 (AR) | |
| P/N 2051847-08 (KR) | |
SRT DIMENSIONS

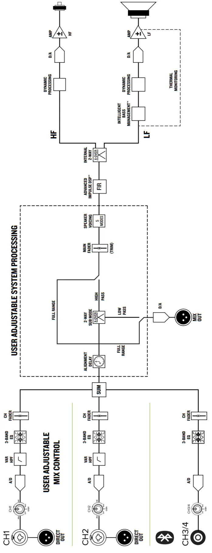
SRT BLOCK DIAGRAM – SRT MIX CONTROL™

SRT EXPLODED VIEW

SRT MAGNITUDE RESPONSE LEGEND & GRAPHS
FLAT Voicing Mode – No question about this speaker mode; it’s flat! This plug-and-play model is perfect for singer-songwriters and listening to mastered music and is optimized to maintain tonal balance at peak output volume.
LIVE Voicing Mode – This model features an upper bass parametric scoop to reduce unwanted low-frequency color and adds a boost to upper mid-range and high frequencies.
SPEECH Voicing Mode – This mode features a significant low-frequency roll-off to attenuate low-end vocal boom. It also adds a boost to high frequencies – critical for speech intelligibility – and notches part of the spectrum where feedback squeal commonly lives. Additionally, a dedicated
compressor engages in this mode to help control the aggressive dynamics generated by speech.
This process chain is perfect for applications where highly amplified, intelligible speech is the desired output.
CLUB Voicing Mode – This mode is full range, but focuses on increased bass and brilliant high frequencies. This is the place to start for most
DJ / music playback applications.
MONITOR Voicing Mode – Monitor mode was tailored to reduce excess low-frequency output when coupled with the ground, while also reducing mid-range bite for the artist(s). This mode should only be engaged when the speaker is in its monitor orientation on a stage or floor… if not, the low-end will sound very lean.
All Magnitude Response graphs were generated using a Klippel NFS.
SRT210 MAGNITUDE RESPONSE | SRT212 MAGNITUDE RESPONSE |
![]() | ![]() |
SRT215 MAGNITUDE RESPONSE

SRT POLAR MEASUREMENTS OF HORIZONTAL DISPERSION (MF + HF) | SRT POLAR MEASUREMENTS OF VERTICAL DISPERSION (MF +HF) |
![]() | ![]() |
SRT LOUDSPEAKER REAR PANEL

www.mackie.com
19820 North Creek Parkway #201
Bothell, WA 98011 USA
800-898-3211, Fax 425-487-4337
Part No. SW1301 Rev. C 07/21
Electronic files for this product are available at: www.mackie.com
| Specification Sheet | SRT_SS.PDF |
| Owner’s Manual | SRT_OM.PDF |
LOUD Audio, LLC. is always striving to improve our products by incorporating new and improved materials, components, and manufacturing methods. Therefore, we reserve the right to change these specifications at any time without notice.
“Mackie” and the “Running Man” figure are registered trademarks of LOUD Audio, LLC. All other brands mentioned are trademarks or registered trademarks of their respective holders and are hereby acknowledged.
©2021 LOUD Audio, LLC. All rights reserved.
12/12 PAGES





















