Darkglass Electronics M500v2 Microtubes 500 V2 Bass Amplifier Head User Manual
DESCRIPTION
The Microtubes 500 v2 is a 500W amplifier equipped with an all analog preamplifier, Class D Power Module and a digital impulse response cabinet emulator for DI outputs or headphones.
Probably the first thing you will notice from the Microtubes 500 is its unusual control layout: On the right side you’ll find the clean section which is the foundation of your sound.
It features a Master volume and active 6 band EQ.
Along with the mandatory Low and Treble controls you will find 250Hz, 500Hz, 1.5KHz, 3KHz sliders. Character is all in the midrange, by having 4 dedicated Mid controls allow you to cover the whole mid range (250Hz to 3kHz) you have total control and flexibility over the amplifier’s character.
On the left side, by the Input jack you will find the Microtubes® Engine which acts as an extra channel that can bring your crisp clean sound to the next level by helping you cut through any mix while adding anything from subtle tube break up, harmonics and natural compression to obliterating distortion.
The Microtubes Engine can be engaged from the front panel or via our own digitally controlled Intelligent Footswitch (jack on rear panel). Besides engaging the Microtubes circuitry you can hold the actuator to Mute the amplifier.
The Intelligent Footswitch is housed in an elegant, laser engraved unibody chassis and requires a standard ¼” mono cable (not included) for it’s full operation.
This deceivingly simple feature allows for maximum power adaptability: It doesn’t matter the cabinet configuration or power requirements, the Microtubes 500 will deliver accordingly.
FEATURES
FRONT PANEL

INPUT : Use this jack to connect your instrument via a standard ¼” mono cable.
PASSIVE/ACTIVE : Use this push-button switch to change from passive to active mode. If your bass is active it can have a hotter signal making the amp to distort early (feel free to use if such additional distortion is desired).
MICROTUBES: Use this push button to turn on or off the Microtubes Engine to add natural compression, organic harmonic enhancement, and saturation ranging from mild overdrive to high gain bass rage.
The Microtubes Engine operates before the 6 band EQ section (you can therefore use the 6 Band Active EQ for additional tone shaping in addition to the Tone knob described below)
COMPRESSION: This knob controls the amount of dynamic compression added to the Microtubes Engine.
The make up gain is adjusted automatically. The compression can be turn off or assigned using the Darkglass Suite for each mode separately (Clean, B3K, and VMT).
DRIVE : This knob controls the amount of distortion that the Microtubes Engine will deliver. It will change from a soft warm overdrive to a massive modern distortion sound.
TONE : This knob controls the high harmonic content of the Microtubes Engine via a variable low pass filter: crank it up for additional attack and definition or dim it down for a smoother sound, especially handy if already running bright clean EQ setting or cabinets with tweeters.
LEVEL : Use this knob to control Microtubes Engine’s output volume.
BLEND : Use this knob to mix between the Clean signal and the DIstortion signal (Microtubes Engine)
B3K/VMT : This push-button switch selects between two overdrive voicings: B3K® mode will deliver an aggressive, percussive sound while the VMT will bring up the mids for a warmer, more neutral character.
BASS : +-12dB at 80Hz. Use this knob to change the low content of the signal.
MIDS: +-12dB at 250, 500,1.5K and 3Khz. This graphic eq control the mid content of the signal.
TREBLE : +-12dB at 5kHz. Use this knob to change the high content of the signal.
MASTER : Use this knob to control the overall volume of the amplifier.
MUTE : Use this push button to mute the amplifier.
REAR PANEL

SPEAKER OUTPUT : Use this connector to connect the amplifier to your cabinet. This Speakon combo jack allows for either Speakon or ¼” speaker cable operation.
WARNING: Do not use an instrument cable with this jack. Using an instrument cable can damage your amplifier.
SEND : Use this output to send the signal to effects pedals.
RETURN : Use this input to receive the signal from effects pedals. Master volume control is after this input.
GROUND LIFT : Use this control to lift the ground of the DI XLR output. If you are experiencing ground noise in your DI signal try changing the setting of this control.
DI OUTPUT: Use this connector to send your signal to the console, mic preamp, interface, etc. Both signals are available (Bypass and the amp signal with cabinet
simulation) and are switched from the cab select switch.
USB: The USB connector allows you to use the Darkglass Suite to load different cabinet impulses or change different parameters on your amp.
HEADPHONE OUTPUT: Connect your Headphones and enjoy the impulse based cabinet emulation.
AUX IN: Use this connector to provide to the Headphone output music from your laptop, cellphone, mp3 player, etc.
CABINET SELECT: Use this switch to navigate between the 3 different cabinet impulses or the clean DI signal.
FOOTSWITCH : The Intelligent Footswitch is proprietary digitally controlled device that allows you to remotely engage and disengage the Microtubes Engine. You can also hold the footswitch to Mute the amplifier. The VMT/B3K® push button will remain operational with the Intelligent Footswitch plugged in.
- You can use a regular mono instrument cable to connect the amplifier to the footswitch.
- You must remove the cable from the footswitch jackin the rear panel if you want to control the amp from the front panel.
AC SOCKET : Use this connector to feed electric power to the amplifier. 100 – 230 VAC, 50Hz-60.
AC POWER ON/OFF : Use this Switch to release the audio energy from your bass.
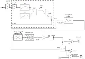
BLOCK DIAGRAM

WARRANTY AND SPECS
WARRANTY
Please register for your warranty at http://mypedal.darkglass.com. The Microtubes 500 is under warranty to the original owner for a period of three years against manufacturing defects in the country where the product was originally purchased.
If you experience a problem with the unit, please contact [email protected] to receive a Return Authorization number or for information on the nearest authorized repair center. A copy of your original receipt must be included with all warranty repairs. You are responsible for all shipping charges. The unit must be shipped to us freight prepaid. We will return the unit freight collect.
Darkglass Electronics Oy is not responsible for shipping damage either to or from our service center. Claims must be filed with the carrier. For repairs please contact your local dealer or distributor for your country’s specific warranty period and repair procedures. Darkglass®, Microtubes®, and Microtubes Engine are registered trademarks of Darkglass Electronics OY
SPECIFICATIONS
- Input Impedance: 1MΩ
- Minimum Load Impedance: 2Ω
- Maximum Power Output: 500 Watts RMS @ 4Ω (1khz full blast 2 min max) 20%THD 450 Watts RMS @ 8Ω
- Power Amp Input Impedance: 1MΩ
- Power Amp Input Level: 2400 mW RMS
- Pre-Amp Output Impedance: 1kΩ
- Pre-Amp Output Level: 2400 mW RMS
- MaximumPowerConsumption: approx. 700VA Forced-air cooled
- AC Input Power: 100-250 VAC (Via selector switch on left side panel).
- Cycles: 50/60 Hz
- Dimensions: 18.0 cm x 7.1 cm x 23.0 cm, l x h x w, (7.1″ x 2.8″ x 9.1″)
- Weight: 2.4 kg (5.29 lbs)
Built and Engineered in Helsinki, Finland. (00358) 504 757005
WARNING
- No user serviceable parts inside the amplifier. Do not open the amp.
- Never use the amp at a high moisture environment or near liquids.
- The Microtubes 500 can deliver more than 115 dB of power. Exposure to this level of sound can damage your hearing. Use proper hearing protection if you will be exposed.
- The Microtubes 500 can deliver more than 500 Watts.
Be sure that your speaker cabinet is able to deliver that power. - Do not cover the vent holes. The Fan and vent holes are part of the cooling system of the amp. Covering the vent holes can damage the power amp by overheating it.
- Don’t use an instrument cable as speaker cable. An instrument cable is not designed to deliver the type of power signals sent from the amplifier to the speaker.
TROUBLESHOOTING
- The button controls do not react: check if the footswitch is connected. If you do not want to use thefootswitch, you have to unplug the cable from the rear back of the amp.
- The amp does not turn on: check if the power cable is
connected and if you have power on the wall. - The sound is low: check your speaker cable. Never use instrument cable.
- The sound is distorted or too high: check if the passive active switch match your bass.
Follow Us:![]()



















