LAUPER INSTRUMENTS XXX931D Oil Free Compressor Stations

Operating Instructions
Oil-Free Compressor Stations
Gas-Detection
Lauper Instruments AG Irisweg 16B CH-3280 Murten
Tel. +41 26 672 30 50
[email protected]
www.lauper-instruments.ch
Planned Purpose
The AIRMOPURE D is a compressor station designed for oil-free operations. The operating instructions provide advice and important information for qualified personnel, installers, operators, and users to ensure safe and proper handling of the product.
Target Group
- Installer
- Operator
- Qualified personnel
- User
Contents of the Operating Instructions
The operating instructions are divided into chapters as follows:
- Chapter 1: Gives you safety advice and important general information for the product.
- Chapter 2: Contains detailed instructions and advice for the transport, storage, installation, and initial operation of the product.
- Chapter 3: Contains instruction and advice for safe technical handling of the product.
- Chapter 4-6: Gives detailed instruction for cleaning, maintenance, and servicing of the product.
- Appendix: Provides important technical information.
Preface
This operating manual is valid for oil-free compressor stations. The operating manual is only valid if the product complies with the status described within. The instructions contain all details required for the transport, installation, operation, shut down, and maintenance of the product. It is essential to read the operating instructions carefully prior to the first operation to ensure safe and economic application of the product. If service and maintenance work is neglected or carried out improperly, the warranty will be invalidated. Qualified personnel should be contacted for any faults or maintenance required that are not dealt with in the operating manual.
Operation
Switching on the product
To switch on the product, follow these steps:
- Check that the pressure tank is correctly installed and connected.
- Connect the power cable to the power supply.
- Set the pressure reducer to the appropriate level.
- Press the ON button to start the product.
Switching off the product
To switch off the product, press the OFF button. Wait for the compressor to stop before disconnecting the power cable from the power supply.
Switching on the product after a power supply interruption
If there is a power supply interruption, wait for the power to be restored and then follow the steps for switching on the product.
Pressure tank check
Regularly check the pressure tank for any damage or leaks. If any issues are found, contact qualified personnel.
Pressure reducer
Setting of the pressure reducer
To set the pressure reducer, follow these steps:
- Turn off the product.
- Remove the protective cap from the pressure reducer.
- Use a screwdriver to set the pressure level to the appropriate level.
- Replace the protective cap.
Mobile compressor station If using the product as a mobile compressor station, ensure that it is securely fastened during transport and that all connections are properly secured.
Maintenance
Maintenance, Cleaning
Regularly clean the product to ensure proper operation. Use a soft, damp cloth to clean the exterior surfaces. Do not use any abrasive or corrosive cleaning agents.
Maintenance
Drain condensate water from pressure tank
Regularly drain the condensate water from the pressure tank. To do this, follow these steps:
- Turn off the product.
- Remove the drain plug from the pressure tank.
- Allow the water to drain completely.
- Replace the drain plug.
Changing suction filters
Regularly change the suction filters to ensure proper operation. To do this, follow these steps:
- Turn off the product.
- Remove the suction filter cover.
- Remove the old suction filter and replace it with a new one.
- Replace the suction filter cover.
Check safety valve function
Regularly check the safety valve function. To do this, follow these steps:
- Turn off the product.
- Slowly increase the pressure level until the safety valve releases.
- If the safety valve does not release, contact qualified personnel.
Options
Filters
The product has the option to add filters for specific applications. Contact qualified personnel for advice on the appropriate filters for your application.
Membrane dryer
The product has the option to add a membrane dryer for specific applications. Contact qualified personnel for advice on the appropriate membrane dryer for your application.
Catalyser
The product has the option to add a catalyser for specific applications. Contact qualified personnel for advice on the appropriate catalyser for your application.
The present operating instructions give you all the necessary advice for the proper and safe handling of the airmoPURE D.
Please read and carefully observe the operating instructions to avoid mistakes and dangerous situations.
The operating instructions are arranged as follows:
Chapter Planned purpose Target group
- Chapter 1 Gives you safety advice and important general information for the products. Installer, operator, qualified personnel, user
- Chapter 2 Contains detailed instructions and advice for the transport, storage, installation and the initial operation of the product Operator, installer and qualified personnel
- Chapter 3 Contains instruction and advice for safe technical handling of the product. User
- Chapter 4-6 Gives detailed instruction for cleaning, maintenance and servicing the product. Operator, qualified
personnel - Appendix In the appendix you will find important technical information Qualified pers
PREFACE
This operating manual is valid for oil-free compressor stations, hereinafter called product.
The operating manual is only valid so long as your product complies with the status described within.
These instructions contain all details required for the transport, installation, operation, shut-down and maintenance of these products.
Therefore please read the operating instructions carefully prior to the first operation, thus ensuring the safe and economic application of the products.
When a fault occurs or maintenance is required which is not dealt with in the operating manual, You should contact our qualified personnel.
Therefore it is essential to hold the exact product description in readiness (see type plate at REF)
All service and maintenance work must be carried out by qualified personnel.
If service and maintenance work is neglected or carried out improperly, our warranty will be invalidated.
Should you have any problems understanding the operating instructions our qualified personnel will be pleased to help you.
Airmotec Ag SA
15 rue d’artiguelongue
33240 Saint Antoine – France
Tel : +33(0)557940626
Fax : +33(0)557940620
E-mail : [email protected]
GENERAL ADVICE
Symbol explanation and definition
Symbol explanation
In the manual and on the product hand symbols and pictograms are used whose meaning you should memorize. These symbols help you to understand the information in this manual quicker and make
you aware of potential danger or important advice.
Attention! Danger sign. It points out danger as well as rules and bans to prevent personal and /or danger to property.
Advice! Attention is brought to advise on the handling and economic use of product.
Warning against electric energy! Your life could be in danger. Make sure that all electrical work is carried out by a qualified electrician.
Warning advice. The product can start without warning!
On the product and in the operating instruction special information signs and warning Symbols with following meaning are used:- Warning of hot surfaces! There is a danger of burns! Observe especially that these surfaces may still be hot after the product has been switched off. Work near these surfaces only after they have cooled off.
User,
- Operator: The responsible Person who has the authorization to use the product. The user must have been given instructions on the safe handling of the unit
from the appropriate authority. - Operator Authority: Responsible for the safe installation, regular servicing and cleaning of the product.
- Qualified personnel: Trained by the operating authority or by authorized Aimotec Ag SA personnel who are aware of the
dangers of the product and familiar with the technical aspects of the product. Qualified personnel are trained to carry out service and repair on the product. Product: General term used for oil-free compressor stations.
General safety advice
During use, care and maintenance of the product, the following fundamental safety measures must be observed for the protection of the operator, maintenance and
service engineers as well as the product:
During the development and manufacture of the product, the recognized regulations of the technical aspects, as well as the recognized valid standards and guidelines were taken into account and used. In addition the product has been de-signed and constructed in such a way that endangerment through the agreed use are minimized. Nonetheless we feel obliged to describe the following safety measures so the remaining dangers can also be minimized.
Warning! When electrical equipment is being used, the basic safety precautions must be followed, to prevent risk of fire, electric shock and personal injury.
Therefore please read the manual to hand, prior to starting work. Keep this manual within reach for the engineer and the operator. The information should be passed on to any successor.
During operation of the products the relevant laws and regulations for the place of deployment must be observed! In the interest of safe operation the authorized operator and the supervisory personnel are responsible for keeping within the regulations.
Check during all work on the product for possible dangers.
All parts must be correctly fitted and all requirements fulfilled to ensure safe operation. Should the product be damaged in any way, the product should no longer be used. The product should only be repaired by experts. Mark the defect clearly and pull out the mains plug, so that until the repair is effected, no accidents or damage can occur through the defective product.
Take account of environmental
influences! Do not operate the product in a wet or damp environment. Do not use the power connection line for purposes it was not meant for. Do not pull the plug out of the socket by the cable. Only pull the plug from the socket by pulling the plug casing. Protect the cable against heat, oil and sharp edges.
In dangerous situations or during technical problems, separate the product at once from the power supply (pull the plug).
Check regularly the power supply line and the casings of electrical components and if they are damaged, have them repaired by a qualified electrician.
Check the electrical equipment for external damage before work starts. Check thoroughly whether lines or cables are damaged. If there is damage, do not operate the product.

- If there is damage, do not operate the product. Pull out mains plug!
For all maintenance and repair work the mains plug must be pulled out of the socket.
Attention! Work on electrical equipment must only be carried out by a qualified electrician.
Only original spare parts must be used. Otherwise there may be injury to the user.
Warning! The use of other spare parts and other accessories, as stated in this manual, can cause personal injury. Only use spare parts permitted by the manufacture!
Warning of hot surfaces! Do not touch hot surfaces. The surfaces of the machine can still be hot after shutdown. Mind this especially at mobile compressor stations.
Product description
Agreed application
The product is intended for the compression of air.
The aspiration of fluids, aggressive or explosive gases is forbidden!
It will cause danger to health and the possible danger of explosion or fire!
The product is designed for operation in a dry, well ventilated room. Never expose the compressor station to rain. The product should not operate in a damp or wet environment. In addition, operating near gases or flammable fluids is forbidden.
The mobile compressor stations may only be operated during the trolley is standing.
Function description without drying installation
The product consists of a piston compressor, a pressure tank and control gear with operating and safety elements. Via the suction filter (8) picture 1 atmospheric air is aspirated. This air is compressed by the piston in the cylinder. The inlet or outlet valve shuts off flow in one direction, so the compressed air is made to lead via the pressure hose (7) through the non-return valve integrated in the manifold into the pressure tank (2).
The compressor aggregate (1) supplies compressed air until the set shut-off pressure of 7 bar is indicated in the pressure switch (3) before switching off. The tank pressure is indicated by the pressure gauge (9). Pressure is released in the pressure hose by the integrated relief valve (on AK stations only when starting the compressor).
If compressed air is taken out by user, the tank pressure reduces. On reaching the switch-on pressure, the product is automatically switched on again via the pressure switch. A safety valve (10) prevents the maximum permitted tank pressure being exceeded.

- Compressor
- Pressure tank
- Pressure switch
- Starter solenoid*
- Condensate solenoid*
- Hours run meter*
- Pressure hose
- Suction filter
- Pressure gauge
- Safety valve
- Vibration damper
- Capacitor*
TRANSPORT, STORAGE, INITIAL OPERATION
Transport and Storage
The products are sent from the factory in a specially padded transport carton. With this the equipment is safe against transit damage. Always use the original packaging of the product is necessary. Transport the product in an upright position.
Do not raise it at the cooler-/ dryer assembly
Protect the equipment during transport and storage against damp and extreme temperatures. Take special care that the electrical equipment does not get damp or wet.
The products must only be transported pressure less. Remove air from any fitted pressure containers and hoses.
Before transporting or storage, the condensate water in the tank must be drained completely (see chapter 4: maintenance and service). The products are delivered for immediate assembly. Products still in the original packing can be stored in warm, dry and dust free rooms. If the products should be stored long term, e.g. as a replacement product, it must be protected against dust and damp.
Keep packaging if at all possible.
Environmental rules regarding the disposal of the packaging must be observed and to assist this please note the labels on the packaging.
Transport and storage requirements
- Temperature: -25 °C to + 55 °C
- Relative humidity: 10% to 90% (without condensation)
Assembly advice and initial operation
The installation and initial operation must only be carried out by a specialist familiar with the handling of the product.
Environmental conditions
The product must only be installed and operated in dry, well ventilated and dust free rooms.
Take care when choosing the site for installation that the product is easily accessible for operating, cleaning and maintenance. Especially the connection piece and the operational parts must be easily accessible.
The product should be installed on a level and solid surface. To reduce vibration the supplied vibration dampers should be mounted. If the product is built into a machine or housing, it must be noted that the identification plate is visible and readable, without having to dismantle the product. Also ensure that the connection clamps are easily accessible when taking off or opening the housing.
Mind, that the suction sides of the air filter and the cooler are free. Likewise the ventilation ribs of the product are free and there is sufficient side wall distance (approx. 4 cm).
Make sure that the powerline connection and the airlines are not kinked.
The room temperature must not fall below 5°C, otherwise a problem free operation of the controls of the product cannot be guaranteed.
The room temperature must not exceed 40°C. Room temperatures above 40°C will require additional ventilation. Most suitable ambient temperatures are between 10 °C to 15 °C.
Approx. 70% of the products induced electrical energy is converted into heat and is given off to the surrounding area.
The motor ventilator normally ensures an effective pressurized cooling of the product. To do this the air must be able to flow to and for unhindered. Ventilation openings must be large enough to allow this to happen. In unsuitable cases, e.g. when the product is built-in an independent air cooling system might be required.
Compressed air connection
The compressor stations are fitted as standard with control gear, consisting of a pressure switch, pressure gauge, safety valve, non-return valve and condensate drain.
The compressed air connection takes
place at the pressure switch via a 1/4” ID thread. A quick coupling with hose nozzle if not included in the scope of delivery, is available as an accessory. Fasten the pressure hose at the hose nozzle with the help of a hose clamp.
For sealing the threaded connections an anaerobic sealing agent (e.g. from Loctite® ) or PTFE tape should be used.
To prevent vibration transference it is advisable to install a flexible pressure hose between the pressure switch and user’s line. As a further accessory, a pressure reducer unit (see figure 4) can be connected.
Electrical installation
The connection to the mains voltage supply must only be carried out by a qualified electrician! (with the exception of the ready to plug-in supplied stations for connection to the safety plug socket).
Observe closely the local regulations for power undertakings. The connection (with the exception of the 12V and 24V machine) must only be carried out on a power supply with correctly installed protective conductor. Equipment with safety contact plug must be connected to a safety contact socket.
The product should only be connected to a safety plug socket, DE1 with correctly installed protective conductor. If this is not fitted the plug has to be exchanged by a qualified electrician according to the customary loading system.
If the equipment is hard wired to the power supply a switch arrangement must be arranged with at least a 3 mm wide contact opening (e.g. heavy duty switch). If the product is connected to the power supply with the aid of a plug, the socket must be easily accessible for safety reasons, so that in the event of danger the equipment can be isolated from the power supply. Please make sure that the connection cable does not run across the machine. The hot surface of the compressor station could damage the insulation
of the cable. Prior to making the electrical connection, check the mains voltage and frequency. They should correspond with the specifications on the model label. Please observe that the relevant circuit is protected by the correct fuse.
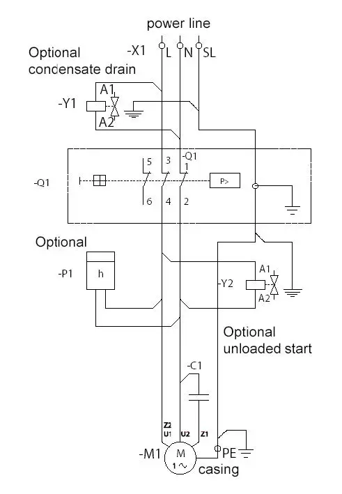
The connection of the 12 V or 24 V machines is carried out according to the following wiring diagram. Insert mains cable or on 12 V or 24 V machines connect the cable at the pressure switch (see Schaltplan).
Motor protection
Attention! After cooling off, products with temperature switch start again automatically!
If the motor locks for example on starting against pressure or a short circuit in the motor windings, the current consumption can become so high that a fitted temperature switch might get damaged. This can only be controlled in a safe way by the installation of an external overload protector. When using outside of normal operating conditions the installation of an overcurrent switch is absolutely essential!
Should the installation procedures be disregarded or carried out incorrectly the warrantee will be invalidated.
Motor protection for 1-stage ACcurrent motors (230 V AC):
To prevent overheating of the motor windings caused by a too high an ambient temperature, the motors are equipped with a thermal protection switch which cuts off the motor current.
In the case of too high an ambient temperature the thermal protection switch will turn the machine off.
Motor protection for DC motors (12 resp. 24 V DC):
In order to protect the motor from overheating by a too high ambient temperature, DC motors are equipped with standardized opening thermal protection switches.
Circuit diagramme
Electrical installations works have to be carried out only by qualified electricians.

Ill. 2: Circuit diagrammed for one-phase alternating current
Initial operation
- Make sure the product pressure switch is off.
- Check the connections are correct to the compressed air components.
- Make sure the machine is correctly connected to the power supply.
- Check that the air filter is correctly fitted.
- Switch the compressor station on at the pressure switch.
PRODUCT OPERATION
The operation of the product is quite simple and is mostly automatic.
Please always remember that the product has hot surfaces. There is a danger of burns if the surface is touched.
In the case of danger, separate the machine from the mains (pull the mains plug).
Switching on the product
The product is switched on at the pressure switch to setting “I” – “ON”. The product starts and the pressure tank fills up. When reaching the switch-off pressure, the product turns off automatically.
Please watch closely that the maximum permitted operating pressure is not exceeded. The permitted operating pressure is marked on the fitted pressure gauge with a red line.
If the permitted operating pressure is exceeded, you must switch the product off and separate it from the mains supply
- Listen during operation for unusual noises.
- Check the switch-off pressure of the product.
- Check the switch-on pressure of the station by releasing the pressure.
- Check the safety valve for correct function.
Advice! Write down the correct operation in the equipment log book. out mains plug). Inform the responsible qualified staff.
Switching off the product
Switch off the product to setting “0” – “OFF”.
Switching on the product after
a power supply interruption
Advice: The product will not start against pressure. Therefore the products are fitted either with an expansion tank (1) and a mechanical vent valve (2) (ill. 3) or with an
automatic starter valve.
Switching on machines with expansion tank and mechanical vent valve and machines with drying installation:
- Switch off product at pressure switch.
- Restart the machine at the pressure
switch, after the air has been blown-off of the starting volume (time period of ca. 5 sec.) resp. the drying installation.
Machines with automatic starter valve:
If the product is fitted with an electric starter relief valve, the normally closed valve provides for the pressure free starting of the product.
Pressure tank check
According to the regulations pressure receivers up to 25 l, corresponding to the

Ill. 4: Pressure reducer 1 regulator knob
2 pressure gauge pressure tank contents p x l < 200, are allocated to group 1 of paragraph 8 classification and not subject to recurrent tests pursuant to paragraph 10. The pressure tank is conform to the EU-guidelines 87/404 EEC.
On 25 litre (with 10 bar), 55 litre and 90 litre pressure tanks recurrent tests are necessary!
Pressure reducer
The pressure reducer regulates the tank pressure (primary pressure) to the required working pressure (secondary pressure).
With the additional secondary valve the increase of pressure in the user line when not in use is prevented. The pressure reducer is mounted at the pressure switch (1/4” thread).
Setting of the pressure reducer
By slightly lifting the regulator knob (1) the constant pressure can be altered + by pushing the regulator knob clockwise or – by pushing the regulator knob anticlockwise. When the pressure is set, push the regulator knob downwards and let it engage. The set pressure is now fixed. It can be read on the pressure gauge (2).
Mobile compressor station
The sliding handle can be adjusted in height and inclination by pressing the two buttons at the two joints simultaneously.
For transportation the bracket can be hinged down to the base plate of the compressor.
MAINTENANCE AND SERVICING
Chapter 4 contains all the details which are needed for carrying out the necessary maintenance procedures. If faults occur or a repair is needed which is not dealt with in this chapter, contact our engineer immediately.
Maintenance, Cleaning
For the proper and safe function of the product, regular cleaning and rotational maintenance is required. When faults appear or a repair is needed, inform an authorised engineer. Before any cleaning work is carried out the product must be switched off and separated from the mains power supply (pull out mains plug).
The product has hot surfaces. Please let the product cool down before starting any cleaning work. Clean the surfaces of the product with a dust free cloth. Take special care to keep the ventilation openings of the crankcase chamber and the cylinder head free from dust and dirt.
Maintenance
The stated maintenance intervals are guidelines for normal working conditions. If there are extreme working conditions (e.g. long work times under full load, high ambient temperature, very dusty atmosphere, high humidity) the maintenance intervals will need to be shorter. When carrying out maintenance work, the product must be disconnected from the power supply.
If the product has hot surfaces, let the product cool down before starting work.
Drain condensate water from pressure tank
- Mechanical condensate drainage:
Drain the condensate from the compressed air tank once a week. - Automatic condensate drainage:
Should the product be fitted with an automatic condensate drain valve, it will empty the compressed air tank on its own at regular intervals.
For compressor types with drying installation the condensate will be separated automatically by the drying installation.
| Required Maintenance | Chapter | Time interval |
| Drain water condensate | 4.2.1 | Weekly (only with mechanical condensate drain), for machines with drying installation check 2 x yearly, drain when necessary |
| Change suction filter | 4.2.2 | Yearly |
| Check safety valve | 4.2.3 | Half yearly |
| Inspect carbon brushes | 4.2.4 | Half yearly |
| Change filter of membrane dryer | 4.2.5 | Yearly |
Table Maintenance intervals

Ill. 5: Suction filter, example bayonet lock

Ill. 6: Filter 9000-416-01

Ill. 7: Safety valve 1 knob
Changing suction filters
The suction filter (example ill. 5) needs to be changed only once a year, if the surrounding conditions are clean. If the atmosphere is excessively dusty the suction filter must be changed more often.
Comment:
Dirty filters decrease the delivery output and the lifespan of your product!
Prior to changing filters, switch product off and pull out the mains plug!
To change the air filter 9000-416-30 proceed as follows:
- Turn the filter housing (1) clockwise. The bayonet lock opens and the filter can be pulled off.
- Exchange the air filter insert.
- Turn the filter housing anticlockwise until the bayonet lock is closed again.
The suction filter set 9000-416-11 and 9000-416-38 are only plug in connections.
Attention! Never clean filter inserts with petrol or oil!
Check safety valve function
The safety valve (see illustration 7) is set in the factory at the tank pressure, tested and lead sealed according to the current regulations. Under no circumstance should the seal be removed or the safety valve be reset. Any tampering of the seal will invalidate all liability. The safety valve is to be function tested half yearly. With working pressure in the tank, turn the valve lifter (1) anticlockwise until blown off compressed air is heard. Turn the valve filter again in a clockwise direction until it is closed.
OPTIONS GUIDE
Filters
There are two filters on the airmoPURE allowing filtration of dust, crankcase oil and part of water. The first is 5µ filter allowing dust filtration and a large part of oil. The second is a 0.1µ filter for fine particules.
These two filters have automatic purge system.
Membrane dryer
Description of the membrane dryer

- A : Input
- B : Body
- C : Output
- D Membrane element with tubular core E : Nozzle
- F : Compressed-air connection
Operation :
- The wet compressed air (1) enters the dryer membrane through the entry (A) and crosses the membranes of membrane elements (D) from the inside, as the tube support is closed by an obturator (F) at the entry.
- After the element with membranes, part of the flow of compressed air is taken then slackened uninterrupted
with the atmospheric pressure by a tube (E). Following the relaxation, this air used for scavenging becomes much drier, since the moisture contained in the compressed air is spread in a multiple of initial volume. - This very dry air used for scavenging circulates within the element with membranes (D) along the outside of the membranes and because of ordered position of the membranes, this flow of air is distributed in a homogeneous way.
- Thus circulate backwards through the element with membranes two flows of air of a separate content water different only by the wall from the membranes. Inside wet compressed air, outside, dry air used for scavenging. The difference in moisture causes a continuous diffusion of the steam of the compressed air owards the air used for scavenging.
- The compressed air leaves the drier to membranes in a dry state.
- The wet air used for scavenging is driven back in the atmosphere
Catalyser
The catalysis method is an important element of the zero air generator which removes hydrocarbons present in compressed air.
It is made of one catalysis part, and one heating part to activate the catalyst.
It is mandatory to replace it every two years, beyond this period the catalyst is not enough active to guarantee pure air.
APPENDIX
Appendix 1: Trouble shooting
The following description for fault finding is only meant for authorized personnel. Repairs must only be carried out by authorized personnel.
| Fault | Possible Cause | Remedy |
| Compressor does not start |
|
Attention, compressor will switch on again automatically!
|
| Decrease in delivery performance |
Lamellar valve defective |
Change lamellar and if necessary valve plate and seals |
| Compressor station too noisy- |
|
|
| Water drops out of the air consumer |
|
|
|
| |
| Pressure dew point is not suitable |
|
|
Lauper Instruments AG Irisweg 16B
CH-3280 Murten
Tel. +41 26 672 30 50
[email protected]
www.lauper-instruments.ch

Warning against electric energy! Your life could be in danger. Make sure that all electrical work is carried out by a qualified electrician.
Warning advice. The product can start without warning!
Therefore please read the manual to hand, prior to starting work. Keep this manual within reach for the engineer and the operator. The information should be passed on to any successor.
In dangerous situations or during technical problems, separate the product at once from the power supply (pull the plug).
Warning of hot surfaces! Do not touch hot surfaces. The surfaces of the machine can still be hot after shutdown. Mind this especially at mobile compressor stations.
















