HARBOR FREIGHT 57336 26 Gallon Oil Free Portable Air Compressor

Safety
General Safety Warnings
WARNING Read all safety warnings and instructions.
Failure to follow the warnings and instructions may result in electric shock, fire and/or serious injury. Save all warnings and instructions for future reference.
The warnings, precautions, and instructions discussed in this instruction manual cannot cover all possible conditions and situations that may occur. It must be understood by the operator that common sense and caution are factors which cannot be built into this product, but must be supplied by the operator.
- Work area safety
- Keep work area clean and well lit. Cluttered or dark areas invite accidents.
- Do not operate the Compressor in explosive atmospheres, such as in the presence of flammable liquids, gases or dust. Compressor motors produce sparks which may ignite the dust or fumes.
- Keep children and bystanders away from an operating compressor.
- Electrical safety
- Compressor plugs must match the outlet. Never modify the plug in any way.
Do not use any adapter plugs with grounded compressors. Standard plugs and matching outlets will reduce risk of electric shock. - Do not expose compressor to rain or wet conditions. Water entering a compressor will increase the risk of electric shock.
- Do not abuse the cord. Never use the cord for unplugging the compressor.
Keep cord away from heat, oil, sharp edges or moving parts. Damaged or entangled cords increase the risk of electric shock.
- Compressor plugs must match the outlet. Never modify the plug in any way.
- Personal safety
- Stay alert, watch what you are doing and use common sense when operating this compressor. Do not use this compressor while you are tired or under the influence of drugs, alcohol or medication. A moment of inattention while operating a compressor may result in serious personal injury.
- Use personal protective equipment.
Always wear ANSI-approved eye protection during setup and use. - Prevent unintentional starting. Ensure the switch is in the off-position before connecting to power source or moving the compressor.
- Compressor use and care
- Do not use the compressor if the switch does not turn it on and off. Any compressor that cannot be controlled with the switch is dangerous and must be repaired.
- Disconnect the plug from the power source before making any adjustments, changing accessories, or storing the compressor. Such preventive safety measures reduce the risk of starting the compressor accidentally.
- Store an idle compressor out of the reach of children and do not allow persons unfamiliar with the compressor or these instructions to operate it. A compressor is dangerous in the hands of untrained users.
- Maintain the compressor. Keep the compressor clean for better and safer performance. Follow instructions for lubricating and changing accessories. Keep dry, clean and free from oil and grease. Check for misalignment or binding of moving parts, breakage of parts and any other condition that may affect the compressor’s operation. If damaged, have the compressor repaired before use. Many accidents are caused by a poorly maintained compressor.
- Use the compressor in accordance with these instructions, taking into account the working conditions and the work to be performed. Use of the compressor for operations different from those intended could result in a hazardous situation.
- Service
- Have your compressor serviced by a qualified repair person using only identical replacement parts. This will ensure that the safety of the compressor is maintained.
Air Compressor Safety Warnings
- Risk of fire or explosion – do not spray flammable liquid in a confined area or towards a hot surface. Spray area must be well-ventilated. Do not smoke while spraying or spray where spark or flame is present. Arcing parts – keep compressor at least 20 feet away from explosive vapors, such as when spraying with a spray gun.
- Risk of bursting – do not adjust regulator higher than marked maximum pressure of attachment.
- Risk of injury – do not direct air stream at people or animals.
- Do not use to supply breathing air.
- Do not leave compressor unattended for an extended period while plugged in. Unplug compressor after working.
- Keep compressor well-ventilated. Do not cover compressor during use.
- Drain Tank daily and after use. Internal rust causes tank failure and explosion.
- Do not remove the valve cover or adjust internal components.
- Compressor head gets hot during operation. Do not touch it or allow children nearby during or immediately following operation.
- Do not use the air hose to move the compressor.
- Release the pressure in the storage tank before moving.
- The use of accessories or attachments not recommended by the manufacturer may result in a risk of injury to persons.
- All air line components, including hoses, pipe, connectors, filters, etc., must be rated for a minimum working pressure of 150 PSI, or 150% of the maximum system pressure, whichever is greater.
- USE OF AN EXTENSION CORD IS NOT RECOMMENDED. If you choose to use an extension cord, use the following guidelines:
TABLE A: RECOMMENDED MINIMUM WIRE GAUGE FOR EXTENSION CORDS (120 VOLT)
NAMEPLATE AMPERES
(at full load)EXTENSION CORD LENGTH 25′ 50′ 100′ 150′ 0 – 6 18 16 16 14 6.1 – 10 18 16 Do not use 10.1 – 12 16 16 Do not use 12.1 – 16 14 12 Do not use - Make sure your extension cord is in good condition.
- Be sure to use an extension cord which is heavy enough to carry the current your product will draw. An undersized cord will cause a drop in line voltage resulting in loss of power and overheating. Table A shows the correct size to use depending on cord length and nameplate ampere rating. If in doubt, use the next heavier gauge. The smaller the gauge number, the heavier the cord.
- Industrial applications must follow OSHA guidelines.
- Maintain labels and nameplates on the compressor. These carry important safety information. If unreadable or missing, contact Harbor Freight Tools for a replacement.
- This product is not a toy. Keep it out of reach of children.
- People with pacemakers should consult their physician(s) before use. Electromagnetic fields in close proximity to heart pacemaker could cause pacemaker interference or pacemaker failure.
Grounding
WARNING: TO PREVENT ELECTRIC SHOCK AND DEATH FROM INCORRECT GROUNDING WIRE CONNECTION:
Check with a qualified electrician if you are in doubt as to whether the outlet is properly grounded. Do not modify the power cord plug provided with the compressor.
Never remove the grounding prong from the plug. Do not use the compressor if the power cord or plug is damaged. If damaged, have it repaired by a service facility before use. If the plug will not fit the outlet, have a proper outlet installed by a qualified electrician.
110-120 VAC Grounded Compressors: Compressors with Three Prong Plugs
- In the event of a malfunction or breakdown, grounding provides a path of least resistance for electric current to reduce the risk of electric shock. This compressor is equipped with an electric cord having an equipment-grounding conductor and a grounding plug. The plug must be plugged into a matching outlet that is properly installed and grounded in accordance with all local codes and ordinances.
- Do not modify the plug provided – if it will not fit the outlet, have the proper outlet installed by a qualified electrician.
- Improper connection of the equipment-grounding conductor can result in a risk of electric shock. The conductor with insulation having an outer surface that is green with or without yellow stripes is the equipment-grounding conductor. If repair or replacement of the electric cord or plug is necessary, do not connect the equipment-grounding conductor to a live terminal.
- Check with a qualified electrician or service personnel if the grounding instructions are not completely understood, or if in doubt as to whether the compressor is properly grounded.
- Use only 3-wire extension cords that have 3- prong grounding plugs and 3-pole receptacles that accept the compressor’s plug.
- Repair or replace damaged or worn cord immediately.

- This compressor is intended for use on a circuit that has an outlet that looks like the one illustrated above in 125 VAC 3-Prong Plug and Outlet. The compressor has a grounding plug that looks like the plug illustrated above
in 125 VAC 3-Prong Plug and Outlet. - The outlet must be properly installed and grounded in accordance with all codes and ordinances.
- Do not use an adapter to connect this compressor to a different outlet.
Specifications
Electrical Rating | 120VAC / 60Hz / 15A | |
| Air Outlet Size | 1/4″ -18 NPT | |
Air Pressure | Shut-off | 175 PSI |
| Restart | 135 PSI | |
Air Tank Capacity | 26 Gallons | |
| Air Flow Capacity | 4.5 SCFM @ 90 PSI | |
Sound Level | 69 dBA @ 3′ | |
NOTICE: To prevent damage to air tools, Tank Output pressure is regulated to 155 PSI +/- 5 PSI. =
Installation
Read the ENTIRE IMPORTANT SAFETY INFORMATION section at the beginning of this manual including all text under subheadings therein before set up or use of this product.
WARNING: TO PREVENT SERIOUS INJURY FROM ACCIDENTAL OPERATION:
Turn the Power Switch “OFF” and unplug the Air Compressor from its electrical outlet before assembling or making any adjustments to the compressor.
Note: For additional information regarding the parts listed in the following pages, refer to the Assembly Diagram near the end of this manual.
Functions

Assembly
Attach Wheel
- After unboxing, leave compressor on base inside of tray. Fold down edges of tray and attach Wheels.
- Attach Wheels to brackets on Tank, using Axle Bolts (1), Flat Washers (3), Spring Washers (4), and Nuts (5).

Attach Hose Hook
Hose Hook can be installed on either side of Compressor.
- Remove Nuts (72 & 73) from either side of Compressor.
- Place Hose Hook over Bolts and secure with Nuts.

Breaking in the Compressor
- Turn the Power Switch OFF and unplug Power Cord.
- Fully open Drain Valve.
- Plug in the Power Cord.
- Turn the Power Switch ON (AUTO).
- Let the unit run for 30 minutes. Air will expel freely through the Drain Valve.
- Turn the Power Switch OFF.
- Unplug the Power Cord and close Drain Valve.
Air Connection Setup
- Connect a regulator valve, an inline shut off valve and a 1/4″ NPT air hose to the Quick Coupler (all sold separately). The air hose must be long enough to reach the work area with enough extra length to allow free movement while working.
Note: An in-line shutoff ball valve is an important safety device because it controls the air supply even if the air hose is ruptured. The shutoff valve should be a ball valve because it can be closed quickly. - Depending on the tool that will be used with this compressor, incorporate additional components, such as an in-line oiler, a filter, or a dryer (all sold separately), as shown on Figure A on page 8 and Figure B on page 9. Consult air tool’s manual for needed accessories.
Portable Air Supply Setup

Description | Function | |
A | Air Hose | Connects air to tool |
B | Filter | Prevents dirt and condensation from damaging tool or workpiece |
C | Regulator | Adjusts air pressure to tool |
D | Lubricator (optional) | For air tool lubrication |
E | Coupler and Plug | Provides quick connection and release |
F | Leader Hose (optional) | Increases coupler life |
G | Air Cleaner / Dryer (optional) | Prevents water vapor from damaging workpiece |
H | Air Adjusting Valve (optional) | For fine tuning airflow at tool |
Stationary Air Supply Setup

Description | Function | |
| A | Vibration Pads | For noise and vibration reduction |
| B | Anchor Bolts | Secures air compressor in place |
| C | Ball Valve | Isolates sections of system for maintenance |
| D | Isolation Hose | For vibration reduction |
| E | Main Air Line – 3/4″ minimum recommended | Distributes air to branch lines |
| F | Ball Valve | To drain moisture from system |
| G | Branch Air Line -1/2″ minimum recommended | Brings air to point of use |
| H | Air Hose | Connects air to tool |
| I | Filter | Prevents dirt and condensation from damaging tool or workpiece |
| J | Regulator | Adjusts air pressure to tool |
| K | Lubricator (optional) | For air tool lubrication |
| L | Coupler and Plug | Provides quick connection and release |
| M | Leader Hose (optional) | Increases coupler life |
| N | Air Cleaner / Dryer (optional) | Prevents water vapor from damaging workpiece |
| O | Air Adjusting Valve (optional) | For fine tuning airflow at tool |
Operating Instructions
Read the ENTIRE IMPORTANT SAFETY INFORMATION section at the beginning of this manual including all text under subheadings therein before set up or use of this product.
Compressor Area Set Up
- Designate a work area that is clean and well-lit. The work area must not allow access by children or pets to prevent injury.
- Locate the Compressor on a flat level surface to ensure proper pump lubrication and to prevent damage to the unit. Keep at least 12″ of space around the unit to allow air circulation.
- Route the power cord from the compressor to the grounded wall outlet, along a safe path without creating a tripping hazard or exposing the power cord to possible damage.
General Operation
- Close the Drain Valve.
- Close the in-line Shutoff Valve between the compressor and the air hose.
- Plug the Power Cord into a grounded 120 VAC electrical outlet.
- Pull the ring on Safety Valve to release pressure.
- Turn the Power Switch ON (AUTO) .
- Allow the Air Compressor to build up pressure until it cycles off.
Note: At the beginning of the day’s first use of the Air Compressor, check for air leaks by applying soapy water to connections while the Air Compressor is pumping and after pressure cut-out. Look for air bubbles. If air bubbles are present at connections, tighten connections. Do not use the Air Compressor unless all connections are air tight, the extra air leaking out will cause the compressor to operate too often, increasing wear on the compressor.
Note: As long as the Power Switch is ON (AUTO), the operation of the Air Compressor is automatic, controlled by an internal pressure switch. The Compressor will turn on automatically when the air pressure drops to 135 PSI, and will turn off automatically when the air pressure reaches 175 PSI.
WARNING! TO PREVENT SERIOUS INJURY AND DEATH FROM EXPLOSION:
Do not adjust the internal pressure switch. Any change to the automatic pressure levels may cause excess pressure to accumulate, causing a hazardous situation. - Pull out the Regulator and adjust so that the air output is enough to properly power the tool, but the output will not exceed the tool’s maximum air pressure at any time. Turn the knob clockwise to increase the pressure and counter-clockwise to decrease pressure. Adjust the pressure gradually, while checking the air output gauge to set the pressure. Push in Regulator when finished.
- Make sure the air tool’s throttle or switch is in the off position. Connect the air tool to the air hose.
- Open the in-line Shutoff Valve.
- Use the air tool as needed.
- After the job is complete, turn the Power Switch OFF.
- Unplug the Air Compressor.
- Close the in-line Shutoff Valve.
- Bleed air from the tool then disconnect the tool.
- Drain Tank according to Draining Moisture from the Tank.
- Clean, then store the Air Compressor indoors.
Emergency Depressurization
If it is necessary to quickly depressurize the Compressor, turn the Power Switch OFF. Then, pull on the ring on the Safety Valve to quickly release stored air pressure.
Automatic Shut off System
- If the Compressor automatically shuts off before reaching its normal cutoff pressure:
- Shut off all tools.
- Turn Power Switch OFF.
- Unplug Compressor.
- Wait until the Compressor cools down (about 10 minutes);
- Plug in Compressor.
- Turn Power Switch ON (AUTO).
- Resume operation.
- Possible causes of repeated automatic shut off of the compressor are:
- Using an extension cord that is too long or narrow;
- An air leak or open hose causing the compressor to cycle too often and build up heat.
- Turning Air Compressor off and on again too quickly.
- Correct any issues before further use to avoid damage to the compressor.
Maintenance and Servicing
Procedures not specifically explained in this manual must be performed only by a qualified technician.
WARNING: TO PREVENT SERIOUS INJURY FROM ACCIDENTAL OPERATION:
Turn the Power Switch “OFF” and unplug the Compressor from its electrical outlet before performing any inspection, maintenance, or cleaning procedures.
TO PREVENT SERIOUS INJURY FROM COMPRESSOR FAILURE:
Do not use damaged equipment. If abnormal noise or vibration occurs, have the problem corrected before further use.
Cleaning, Maintenance, and Lubrication
- BEFORE EACH USE, inspect the general condition of the air compressor. Check for:
- loose hardware,
- misalignment or binding of moving parts,
- cracked or broken parts,
- damaged electrical wiring, and
- any other condition that may affect its safe operation.
- AFTER USE, wipe external surfaces of the compressor with a clean cloth.
- WARNING! TO PREVENT SERIOUS INJURY: If the supply cord of this compressor is damaged, it must be replaced only by a qualified service technician.
Maintenance Schedule
Following are general guidelines for maintenance checks of the Air Compressor.
Note: The environment in which the compressor is used, and the frequency of use will affect how often you will need to check the Air Compressor components and perform maintenance procedures.
Daily:
- Make sure all nuts and bolts are tight.
- Drain moisture from air tank.
- Check for abnormal noise or vibration.
- Check for air leaks.*
- Wipe off any oil or dirt from the compressor.**
Weekly:
- Inspect Air Filter.
Monthly:
- Inspect Safety Valve.
* To check for air leaks, apply soapy water to joints while the Air Compressor is pressurized. Look for air bubbles.
** To clean the compressor surface, wipe with a damp cloth, using a mild detergent or mild solvent.
Draining Moisture from the Tank
The Moisture Drain is located under the Tank. It must be used daily to release all trapped air and moisture from the Tank. Doing this will eliminate condensation and prevent tank corrosion.
- Turn the Power Switch off.
- Place a collection pan under the Drain Valve.
- Turn the Drain Valve to open it. Tilt Compressor forward to drain.
- When all the pressure and moisture are released, close the Drain Valve.
Air Filter Maintenance
- Remove Air Inlet Filters by turning them counterclockwise.
- Remove Cover from Air Inlet Filters.
- Check Filters for accumulated dirt.

- To prevent injury from dust and debris, wear ANSI-approved safety goggles, NIOSH-approved dust mask/respirator, and heavy-duty work gloves. In a well-ventilated area away from bystanders, use pressurized air (no more than 15 PSI) to blow dust out of the filter.
- Replace the clean filters. Replace the Covers, the replace the Air Inlet Filters.
PLEASE READ THE FOLLOWING CAREFULLY
THE MANUFACTURER AND/OR DISTRIBUTOR HAS PROVIDED THE PARTS LIST AND ASSEMBLY DIAGRAM IN THIS MANUAL AS A REFERENCE TOOL ONLY. NEITHER THE MANUFACTURER OR DISTRIBUTOR MAKES ANY REPRESENTATION OR WARRANTY OF ANY KIND TO THE BUYER THAT HE OR SHE IS QUALIFIED TO MAKE ANY REPAIRS TO THE PRODUCT, OR THAT HE OR SHE IS QUALIFIED TO REPLACE ANY PARTS OF THE PRODUCT. IN FACT, THE MANUFACTURER AND/OR DISTRIBUTOR EXPRESSLY STATES THAT ALL REPAIRS AND PARTS REPLACEMENTS SHOULD BE UNDERTAKEN BY CERTIFIED AND LICENSED TECHNICIANS, AND NOT BY THE BUYER. THE BUYER ASSUMES ALL RISK AND LIABILITY ARISING OUT OF HIS OR HER REPAIRS TO THE ORIGINAL PRODUCT OR REPLACEMENT PARTS THERETO, OR ARISING OUT OF HIS OR HER INSTALLATION OF REPLACEMENT PARTS THERETO.
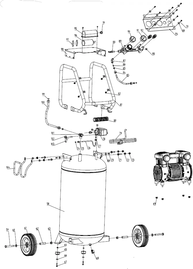
Parts List and Diagram
Parts List
Part | Description | Qty |
1 | Bolt M4×12 | 8 |
2 | Washer | 8 |
3 | End Cover | 2 |
4 | Retainer Ring | 2 |
5 | Fan | 1 |
6 | Crank Saft | 2 |
7 | Bolt M8×8 | 4 |
8 | Bearing | 2 |
9 | Connecting Rod | 2 |
10 | Bolt M5×20 | 2 |
11 | Bolt M5×132 | 4 |
12 | Spring Washer | 4 |
13 | Washer | 4 |
14 | Rubber Cushion | 4 |
15 | Crank Case | 2 |
16 | Cable Bracket | 1 |
17 | Washer | 10 |
18 | Bolt M4×5 | 2 |
19 | Wire Clip | 1 |
20 | Wire | 1 |
21 | Nut M4 | 1 |
22 | Locking Washer | 1 |
23 | Bolt M4×12 | 1 |
24 | Bearing | 2 |
25 | Stator Sleeve | 1 |
26 | Stator Assembly | 1 |
27 | Flat Key | 2 |
28 | Rotor Assembly | 1 |
29 | Plug | 1 |
30 | Nut M5 | 4 |
31 | Fan | 1 |
32 | Piston Ring | 2 |
33 | Press Block | 2 |
34 | Washer | 2 |
35 | Bolt M6×16 | 2 |
36 | Gasket | 2 |
37 | Cylinder | 2 |
38 | Cylinder Seal | 2 |
39 | Bolt M4×6 | 2 |
40 | Reed Valve | 4 |
41 | Valve Plate | 2 |
42 | Reed Valve Limit Block | 2 |
43 | Bolt M4×8 | 6 |
44 | Cylinder Head Seal | 2 |
45 | Cylinder Cap | 2 |
46 | Washer | 8 |
47 | Spring Washer | 8 |
48 | Bolt M6×70 | 8 |
49 | T-Cock | 1 |
50 | Easy-Start Valve | 1 |
51 | Seal | 4 |
52 | Tube | 2 |
53 | Cylinder Head Guard Limit Block | 2 |
54 | Cylinder Head Guard | 2 |
55 | Screw | 4 |
56 | Air Filter | 2 |
57 | Soft Pipe | 2 |
58 | Tank Assembly | 1 |
59 | Bolt M12×80 | 2 |
60 | Washer | 4 |
61 | Wheel | 2 |
62 | Wheel Axle Sleeve | 2 |
63 | Nut M12 | 2 |
64 | Nut M6 | 2 |
65 | Rubber Foot | 2 |
66 | Washer | 12 |
67 | Bolt M6×20 | 2 |
68 | Drain Valve | 1 |
69 | Nut M8 | 4 |
70 | Bolt M6×14 | 10 |
71 | Bolt M8×30 | 4 |
72 | Nut M8 | 4 |
73 | Cap Nut M8 | 4 |
74 | Funnel | 2 |
75 | Tube Nut | 1 |
76 | Exhaust Pipe | 1 |
77 | Tube Nut | 1 |
78 | Power Switch | 1 |
79 | Power Cord | 1 |
80 | Handle Grip | 1 |
81 | Frame Assembly | 1 |
82 | K Nut | 8 |
83 | Outlet Pipe | 1 |
84 | Tube Nut | 2 |
85 | Funnel | 2 |
86 | Bushing | 2 |
87 | Elbow | 2 |
88 | Safety Valve | 1 |
89 | Pressure Regulator | 1 |
90 | Tank Pressure Gauge | 1 |
91 | Outlet Pressure Gauge | 1 |
92 | Air Outlet | 2 |
93 | Plug | 3 |
94 | Panel | 1 |
95 | Capacitor Case | 1 |
96 | Capacitor | 1 |
97 | O-Ring | 2 |
98 | Bottom Plate | 1 |
99 | Seal | 2 |
100 | Intake Manifold | 1 |
101 | Check Valve | 1 |
102 | Wire Clip | 1 |
103 | Wire | 1 |
104 | Hook | 1 |
Assembly Diagram


Limited 90 Day Warranty
Harbor Freight Tools Co. makes every effort to assure that its products meet high quality and durability standards, and warrants to the original purchaser that this product is free from defects in materials and workmanship for the period of 90 days from the date of purchase. This warranty does not apply to damage due directly or indirectly, to misuse, abuse, negligence or accidents, repairs or alterations outside our facilities, criminal activity, improper installation, normal wear and tear, or to lack of maintenance. We shall in no event be liable for death, injuries to persons or property, or for incidental, contingent, special or consequential damages arising from the use of our product. Some states do not allow the exclusion or limitation of incidental or consequential damages, so the above limitation of exclusion may not apply to you. THIS WARRANTY IS EXPRESSLY IN LIEU OF ALL OTHER WARRANTIES, EXPRESS OR IMPLIED, INCLUDING THE WARRANTIES OF MERCHANTABILITY AND FITNESS.
To take advantage of this warranty, the product or part must be returned to us with transportation charges prepaid. Proof of purchase date and an explanation of the complaint must accompany the merchandise.
If our inspection verifies the defect, we will either repair or replace the product at our election or we may elect to refund the purchase price if we cannot readily and quickly provide you with a replacement. We will return repaired products at our expense, but if we determine there is no defect, or that the defect resulted from causes not within the scope of our warranty, then you must bear the cost of returning the product.
This warranty gives you specific legal rights and you may also have other rights which vary from state to state.
26677 Agoura Road
Calabasas, CA 91302
1-888-866-5797





















