VERSAMATIC E2 2-Inch Elima-Matic High Pressure Pump Owner’s Manual

VERSAMATIC®
Warren Rupp, Inc. • A Unit of IDEX Corporation
800 North Main Street, Mansfield, OH 44902 USA
Phone: (419) 526-7296 • www.versamatic.com
© Copyright 2019
Warren Rupp, Inc. All rights reserved
Safety Information
![]()
Read the safety warnings and instructions in this manual before pump installation and start-up. Failure to comply with the recommendations stated in this manual could damage the pump and void factory warranty.
When the pump is used for materials that tend to settle out or solidify, the pump should be flushed after each use to prevent damage. In freezing temperatures the pump should be completely drained between uses.
![]()
Before pump operation, inspect all fasteners for loosening caused by gasket creep. Retighten loose fasteners to prevent leakage. Follow recommended torques stated in this manual.
Nonmetallic pumps and plastic components are not UV stabilized. Ultraviolet radiation can damage these parts and negatively affect material properties. Do not expose to UV light for extended periods of time.
WARNING
Pump not designed, tested or certified to be powered by compressed natural gas. Powering the pump with natural gas will void the warranty.
WARNING
The use of non-OEM replacement parts will void (or negate) agency certifications, including CE, ATEX, CSA, 3A and EC1935 compliance (Food Contact Materials). Warren Rupp, Inc. cannot ensure nor warrant non-OEM parts to meet the stringent requirements of the certifying agencies.
![]()

When used for toxic or aggressive fluids, the pump should always be flushed clean prior to disassembly

Before maintenance or repair, shut off the compressed air line, bleed the pressure, and disconnect the air line from the pump. Be certain that approved eye protection and protective clothing are worn at all times. Failure to follow these recommendations may result in serious injury or death.

Airborne particles and loud noise hazards. Wear eye and ear protection.

In the event of diaphragm rupture, pumped material may enter the air end of the pump, and be discharged into the atmosphere. If pumping a product that is hazardous or toxic, the air exhaust must be piped to an appropriate area for safe containment.

Take action to prevent static sparking. Fire or explosion can result, especially when handling flammable liquids. The pump, piping, valves, containers and other miscellaneous equipment must be properly grounded.

This pump is pressurized internally with air pressure during operation. Make certain that all fasteners are in good condition and are reinstalled properly during reassembly

Use safe practices when lifting
ATEX Pumps – Conditions For Safe Use
- Ambient temperature range is as specified in tables 1 & 2 on the next page
- ATEX compliant pumps are suitable for use in explosive atmospheres when the equipment is properly grounded in accordance with local electrical codes
- Conductive Polypropylene, conductive Acetal or conductive PVDF pumps are not to be installed in applications where the pumps may be subjected to oil, greases and hydraulic liquids.
- When operating pumps equipped with non-conductive diaphragms that exceed the maximum permissible projected area, as defined in EN ISO 80079-36 : 2016 section 6.7.5 table 8, the following protection methods must be applied
- Equipment is always used to transfer electrically conductive fluids or
- Explosive environment is prevented from entering the internal portions of the pump, i.e. dry running.
Temperature Tables
Table 1. Category 2 ATEX Rated Pumps

Table 2. Category M2 ATEX Rated Pumps for Mining

Note: The ambient temperature range and the process temperature range should not exceed the operating temperature range of the applied non-metallic parts as listed in the manuals of the pumps.
PUMP SPECIFICATIONS
Explanation of Pump Nomenclature

*More than one option may be specified for a particular pump model.
Materials


For specific applications, always consult the Chemical Resistance Chart.
Note: This document is a high level guide. Please be aware that not all model and or material combinations are possible for all sizes. Please consult factory or your distributor for specific details.
Performance
E2 HP HIGH PRESSURE
SUCTION/DISCHARGE PORT SIZE
- 2″ NPT (internal)
- 2″ BSP Tapered (internal)
CAPACITY
- 0 to 92 gallons per minute
(0 to 348 liters per minute)
AIR DISTRIBUTION VALVE
- No-lube, no-stall design
SOLIDS-HANDLING
- Up to .25 in. (6mm)
HEADS UP TO
- 232 PSI (535 ft)
16.0 BAR (163 meters)
DISPLACEMENT/STROKE
- .51 Gallon / 1.9 liter
MAXIMUM OPERATING PRESSURE
- 116 PSI (8.0 BAR)
SHIPPING WEIGHT
- Aluminum 113.5 lbs. (51.5kg)
- Stainless Steel 165.3 lbs. (75kg)
MODEL E2 HP Performance Curve
Performance based on the following: elastomer fitted pump, flooded suction, water at ambient conditions. The use of other materials and varying hydraulic conditions may result in deviations in excess of 5%.

Dimensional Drawings
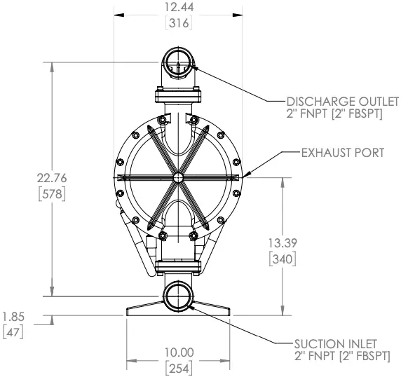
E2 High Pressure – Aluminum Model
Dimensions in inches (mm dimensions in brackets). Dimensional Tolerance:±1/8″ (± 3mm)
The dimensions on this drawing are for reference only. A certified drawing can be requested if physical dimensions are needed.



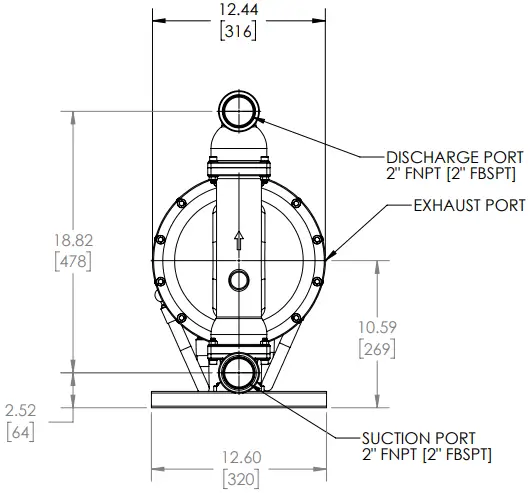
E2 High Pressure – Stainless Model
Dimensions in inches (mm dimensions in brackets). Dimensional Tolerance:±1/8″ (± 3mm)
The dimensions on this drawing are for reference only. A certified drawing can be requested if physical dimensions are needed.



INSTALLATION & OPERATION
Principle of Pump Operation

Air-Operated Double Diaphragm (AODD) pumps are powered by compressed air or nitrogen.
The main directional (air) control valve ① distributes compressed air to an air chamber, exerting uniform pressure over the inner surface of the diaphragm ②. At the same time, the exhausting air ③ from behind the opposite diaphragm is directed through the air valve assembly(s) to an exhaust port ④.
As inner chamber pressure (P1) exceeds liquid chamber pressure (P2), the rod ⑤ connected diaphragms shift together creating discharge on one side and suction on the opposite side. The discharged and primed liquid’s directions are controlled by the check valves (ball or flap)⑥ orientation.
The pump primes as a result of the suction stroke. The suction stroke lowers the chamber pressure (P3) increasing the chamber volume. This results in a pressure differential necessary for atmospheric pressure (P4) to push the fluid through the suction piping and across the suction side check valve and into the outer fluid chamber ⑦.
Suction (side) stroking also initiates the reciprocating (shifting, stroking or cycling) action of the pump. The suction diaphragm’s movement is mechanically pulled through its stroke. The diaphragm’s inner plate makes contact with an actuator plunger aligned to shift the pilot signaling valve. Once actuated, the pilot valve sends a pressure signal to the opposite end of the main directional air valve, redirecting the compressed air to the opposite inner chamber.
SUBMERGED ILLUSTRATION

Pump can be submerged if the pump materials of construction are compatible with the liquid being pumped. The air exhaust must be piped above the liquid level. When the pumped product source is at a higher level than the pump (flooded suction condition), pipe the exhaust higher than the product source to prevent siphoning spills.
Recommended Installation Guide
Available Accessories:
- Surge Suppressor
- Filter/Regulator
- Air Dryer

Installation And Start-Up
Locate the pump as close to the product being pumped as possible. Keep the suction line length and number of fittings to a minimum. Do not reduce the suction line diameter.
Air Supply
Connect the pump air inlet to an air supply with sufficient capacity and pressure to achieve desired performance. A pressure regulating valve should be installed to insure air supply pressure does not exceed recommended limits.
Air Valve Lubrication
The air distribution system is designed to operate WITHOUT lubrication. This is the standard mode of operation. If lubrication is desired, install an air line lubricator set to deliver one drop of SAE 10 non-detergent oil for every 20 SCFM (9.4 liters/sec.) of air the pump consumes. Consult the Performance Curve to determine air consumption.
Air Line Moisture
Water in the compressed air supply may cause icing or freezing of the exhaust air, causing the pump to cycle erratically or stop operating. Water in the air supply can be reduced by using a point-of-use air dryer.
Air Inlet And Priming
To start the pump, slightly open the air shut-off valve. After the pump primes, the air valve can be opened to increase air flow as desired. If opening the valve increases cycling rate, but does not increase the rate of flow, cavitation has occurred. The valve should be closed slightly to obtain the most efficient air flow to pump flow ratio.
Troubleshooting Guide


For additional troubleshooting tips contact After Sales Support at [email protected] or 419-524-8388
EXPLODED VIEW
Composite Repair Parts Drawing – Aluminum Model

Service & Repair Kits
WET SIDE SERVICE KITS
476.V393.360 WET END KIT – BUNA
Buna Diaphragms, Buna Check Balls, Buna O-Rings
476.V393.365 WET END KIT – NEOPRENE
Neoprene Diaphragms, Neoprene Check Balls, Neoprene O-Rings
476.V393.635 Wet End Kit – PTFE
PTFE Diaphragms, Neoprene Backup Diaphragms, PTFE Check Balls, FEP O-Rings
476.V393.644 Wet End Kit – SANTOPRENE/PTFE
Santoprene Diaphragms, PTFE Check Balls, EPDM O-Rings
Composite Repair Parts Drawing – Stainless Model

Service & Repair Kits
WET SIDE SERVICE KITS
476.V394.360 WET END KIT – BUNA
Buna Diaphragms, Buna Check Balls, Buna O-Rings
476.V394.365 WET END KIT – NEOPRENE
Neoprene Diaphragms, Neoprene Check Balls, Neoprene O-Rings
476.V394.635 Wet End Kit – PTFE
PTFE Diaphragms, Neoprene Backup Diaphragms, PTFE Check Balls, FEP O-Rings
476.V394.644 Wet End Kit – SANTOPRENE/PTFE
Santoprene Diaphragms, PTFE Check Balls, EPDM O-Rings
Composite Repair Parts Drawing

Service & Repair Kits
WET SIDE SERVICE KITS
476.V395.360 AIR END KIT
Air Side Diaphragm, Air Hoses, Seals and O-Rings
Composite Repair Parts List



* not included – can be purchased separately
LEGEND:
= Items contained in 476.V395.000 Air End Kits
= Items contained in 476.V393.XXX and 476.394.XXX Wet End Kits
Note: Kits contain components specific to the material codes.
ATEX Compliant
TECHNICAL NOTES :-

Removal of Diaphragm Shaft: – After first removing manifolds and air-hoses, remove both outer covers (27), followed by frontplates (51), diaphragms (5), bac kplates (2) and bumpstops. Remove air-chamber assy, by removing nuts & bolts This allows access to locknuts (16) to remove air diaphragm, backplates & thrust washer (29), (27) & (15). Diaphragm Shaft can now be removed. Assembly is reverse of removal, applying a small amount of Loctite grade 242 to locknuts prior to refitting air-chamber assy.
IMPORTANT!
Read these instructions completely, before installation and start-up. It is the responsibility of the purchaser to retain this manual for reference. Failure to comply with the recommendations stated in this manual will damage the pump, and void factory warranty.
SERVICE
The following sections give a general overview on how to service all models of BLAGDON Diaphragm Pumps. For details on individual part numbers, quantities, materials, etc., please consult the parts list supplied with the pump.
NOTE : Before commencing any service or maintenance work on the pump, ensure that the air supply has been disconnected or isolated.
AIR VALVE SYSTEMS
PNEUMATIC TYPE Remove the 4 screws securing the valve block to the valve chest, together with any associated gaskets or seals.
Remove slide valve plate & slide valve from the valve block assembly. Clean all parts thoroughly and inspect for excessive wear, replacing where necessary.
The slide valve and valve plate contact faces should be flat and free from scratches. A light polishing on a flat surface with a fine abrasive paper will remove most scratches.
If excessive wear is suspected in the valve block bore or valve carrier, remove the valve block plugs and withdraw the valve carrier. Check valve block plug o-rings for wear or attack & replace where required.
Clean the valve carrier & valve block bore with white spirits to remove any oil films.
NOTE : The nominal diametrical clearance between the valve carrier and the valve block block bore should be 0.05 – 0.09mm. A clearance in excess of this will cause the valve system to run erratically.
Apply a light grease to the valve block plug O-rings when reassembling into the valve block bore. Any damage to the O-ring may cause the valve system to malfunction.
Re-assemble the valve block assembly & re-torque in accordance to the settings shown in the parts list.
In the event of a complete air-side overhaul, the pump should be disassembled down to the centre section assembly as described later in the “Wet-Side Overhaul” section.
With the valve block assembly dismantled, remove the inner covers where appropriate.
A careful note of the position of all related seals and gaskets should be made to facilitate re-assembly.
Remove diaphragm shaft bushes, where appropriate, and check all seals and „O‟ rings for wear or damage. If worn, replace immediately.
NOTE:- The integrity of the diaphragm shaft seals is essential for the correct functioning of all pneumatically actuated valve systems.
Check the diaphragm shaft for excessive wear as this will result in premature seal failure. Replace as required. Lubricate all components and re-assemble as detailed above, in reverse order. Ensure the correct position of all components detailed in all sectional assembly drawings.
WET-SIDE OVERHAUL
REPLACING BALL VALVES
Remove discharge manifold from pump assembly together with associated valve balls, seats and „O‟ rings.
NOTE :- The orientation of the valve seat relative to the valve ball should be noted as incorrect positioning may result in a performance loss.
Turn pump through 180° and remove the suction manifold. Clean and inspect the components. Check for any wear or damage and replace as required.
NOTE :- Ball or valve seat wear may result in loss of performance and suction lift.
Re-assemble the valve balls/seats and ensure manifolds are adequately torqued to the settings shown in the parts list.
REPLACING DIAPHRAGMS
Remove both suction and discharge manifolds as detailed in the previous section, removing all ball valves, seats and „O‟ rings.
Loosen and remove both outer covers from the pump assembly. The orientation of the covers should be noted so as to facilitate reassembly.
Holding one of the frontplates in a vice, („soft jaws‟ should be fitted), or with an adjustable spanner, loosen and remove the frontplate from the opposite end. Remove the diaphragm, backplate and bumpstop from diaphragm shaft.
Carefully withdraw the diaphragm shaft from the centre section and hold the free end in a vice, holding between the flats machined on the end. Loosen and remove the frontplate and remove the diaphragm together with backplate and bumpstop (where fitted).
NOTE :- Care should be taken with all plastic, coated and hygienic pumps, so that the surface of the frontplate is not damaged.
Thoroughly clean all parts and check for wear, damage, swelling, cracking, delamination and chemical attack.
Replace components where required.
NOTE :- Rubber diaphragms should be replaced if they are worn to such an extent that the fabric re-enforcing is evident on the surface of the diaphragm.
For pumps fitted with PTFE diaphragms, a light coating of grease should be applied to the back-up diaphragm prior to re-assembly
Before re-assembly, it is advisable to check the condition of the diaphragm shaft seal/‟O‟ rings for wear or attack. If either is evident, it is recommended that they be replaced.
Assemble the diaphragms onto the shaft in a reverse sequence to their removal. Care should be taken as to the orientation of the diaphragm relative to the front and back plates. All diaphragms have “AIR SIDE” molded onto one side. The backplate must be fitted adjacent to the AIR SIDE of the diaphragm.
CERTIFICATES



















