VERSAMATIC E1 1 Inch Plastic Air Operated Diaphragm Pump

1″ Bolted Metal – ATEX with Metal Center Section
E1 Metal Pumps
- Aluminum
- Stainless Steel
- Alloy-C
Safety Information
IMPORTANT
- Read the safety warnings and instructions in this manual before pump installation and start-up. Failure to comply with the recommendations stated in this manual could damage the pump and void factory warranty.
- When the pump is used for materials that tend to settle out or solidify, the pump should be flushed after each use to prevent damage. In freezing temperatures the pump should be completely drained between uses.
CAUTION
- Before pump operation, inspect all fasteners for loosening caused by gasket creep. Retighten loose fasteners to prevent leakage. Follow recommended torques stated in this manual.
- Plastic pumps and plastic components are not UV stabilized. Ultraviolet radiation can damage these parts and negatively af-fect material properties. Do not expose to UV light for extended periods of time.
- WARNING
Pump not designed, tested or certified to be powered by compressed natural gas. Powering the pump with natural gas will void the warranty. - WARNING
The use of non-OEM replacement parts will void (or negate) agency certifications, including CE, ATEX, CSA, 3A and EC1935 compliance (Food Contact Materials). Warren Rupp, Inc. cannot ensure nor warrant non-OEM parts to meet the stringent requirements of the certifying agencies.
WARNING
- When used for toxic or aggressive fluids, the pump should always be flushed clean prior to disassembly.
- Before maintenance or repair, shut off the compressed air line, bleed the pressure, and disconnect the air line from the pump. Be certain that approved eye protection and protective clothing are worn at all times. Failure to follow these recommendations may result in serious injury or death.
- Airborne particles and loud noise hazards. Wear eye and ear protection.
- In the event of diaphragm rupture, pumped material may enter the air end of the pump, and be discharged into the atmosphere. If pumping a product that is hazardous or toxic, the air exhaust must be piped to an appropriate area for safe containment.
- Take action to prevent static sparking. Fire or explosion can result, especially when handling flammable liquids. The pump, piping, valves, containers and other miscellaneous equipment must be properly grounded.
- This pump is pressurized internally with air pressure during operation. Make certain that all fasteners and piping connections are in good condition and are reinstalled properly during reassembly.
- Use safe practices when lifting
Conditions For Safe Use
- Ambient temperature range is as specifi ed in tables 1 & 2 on the next page
- ATEX compliant pumps are suitable for use in explosive atmospheres when the equipment is properly grounded in accordance with local electrical codes
- Conductive Polypropylene, conductive Acetal or conductive PVDF pumps are not to be installed in applications where the pumps may be subjected to oil, greases and hydraulic liquids.
- When operating pumps equipped with non-conductive diaphragms that exceed the maximum permissible projected area, as defi ned in EN ISO 80079-36 : 2016 section 6.7.5 table 8, the following protection methods must be applied
- Equipment is always used to transfer electrically conductive fl uids or
- Explosive environment is prevented from entering the internal portions of the pump, i.e. dry running.
Temperature Tables
Table 1. Category 2 ATEX Rated Pumps
| Ambient Temperature Range [°C] | Process Temperature Range [°C] | Temperature Class | Maximum Surface Temperature [°C] |
|
-20°C to +60°C | -40°C to +80°C | T5 | T100°C |
| -40°C to +108°C | T4 | T135°C | |
| -40°C to + 160°C | T3 | T200°C | |
| -40°C to +177°C | (225°C) T2 |
Table 2. Category M2 ATEX Rated Pumps for Mining
| Ambient Temperature Range [°C] | Process Temperature Range [°C] |
| -20°C to +60°C | -40°C to +150°C |
Note: The ambient temperature range and the process temperature range should not exceed the operating temperature range of the applied plastic parts as listed in the manuals of the pumps
Explanation of Pump Nomenclature
Your Serial #: (fill in from pump nameplate) _____________________________________

Materials
| Material Profile: CAUTION! Operating temperature limitations are as follows: Conductive Acetal: Tough, impact resistant, ductile. Good abrasion resistance and low friction surface. Generally inert, with good chemical resistance except for strong acids and oxidizing agents. | Operating Temperatures: | |
| Max. | Min. | |
| 190°F 88°C | -20°F -29°C | |
| EPDM: Shows very good water and chemical resistance. Has poor resistance to oils and solvents, but is fair in ketones and alcohols. | 280°F 138°C | -40°F -40°C |
| FKM: (Fluorocarbon) Shows good resistance to a wide range of oils and sovents; especially all aliphatic, aromatic and halogenated hydrocarbons, acids, animal and vegetable oils. Hot water or hot aqueous solutions (over 70°F) will attack FKM. | 350°F 177°C | -40°F -40°C |
| Hytrel®: Good on acids, bases, amines and glycols at room temperatures only. | 220°F 104°C | -20°F -29°C |
| Neoprene: All purpose. Resistance to vegetable oils. Generally not affected by moderate chemicals, fats, greases and many oils and solvents. Generally attacked by strong oxidizing acids, ketones, esters and nitro hydrocarbons and chlorinated aromatic hydrocarbons. | 200°F 93°C | -10°F -23°C |
| Nitrile: General purpose, oil-resistant. Shows good solvent, oil, water and hydraulic fluid resistance. Should not be used with highly polar solvents like acetone and MEK, ozone, chlorinated hydrocarbons and nitro hydrocarbons. | 190°F 88°C | -10°F -23°C |
| Nylon: 6/6 High strength and toughness over a wide temperature range. Moderate to good resistance to fuels, oils and chemicals. | 180°F 82°C | 32°F 0°C |
| Polypropylene: A thermoplastic polymer. Moderate tensile and flex strength. Resists stong acids and alkali. Attacked by chlorine, fuming nitric acid and other strong oxidizing agents. | 180°F 82°C | 32°F 0°C |
| PVDF: (Polyvinylidene Fluoride) A durable fluoroplastic with excellent chemical resistance. Excellent for UV applications. High tensile strength and impact resistance. | 250°F 121°C | 0°F -18°C |
| Santoprene®: Injection molded thermoplastic elastomer with no fabric layer. Long mechanical flex life. Excellent abrasion resistance. | 275°F 135°C | -40°F -40°C |
| UHMW PE: A thermoplastic that is highly resistant to a broad range of chemicals. Exhibits outstanding abrasion and impact resistance, along with environmental stress-cracking resistance. | 180°F 82°C | -35°F -37°C |
| Urethane: Shows good resistance to abrasives. Has poor resistance to most solvents and oils. | 150°F 66°C | 32°F 0°C |
| Virgin PTFE: (PFA/TFE) Chemically inert, virtually impervious. Very few chemicals are known to chemically react with PTFE; molten alkali metals, turbulent liquid or gaseous fluorine and a few fluoro-chemicals such as chlorine trifluoride or oxygen difluoride which readily liberate free fluorine at elevated temperatures. | 220°F 104°C | -35°F -37°C |
| Maximum and Minimum Temperatures are the limits for which these materials can be operated. Temperatures coupled with pressure affect the longevity of diaphragm pump components. Maximum life should not be expected at the extreme limits of the temperature ranges. | ||
| Metals: | ||
| Alloy C: Equal to ASTM494 CW-12M-1 specification for nickel and nickel alloy. | ||
| Stainless Steel: Equal to or exceeding ASTM specification A743 CF-8M for corrosion resistant iron chromium, iron chromium nickel and nickel based alloy castings for general applicaitons. Commonly referred to as 316 Stainless Steel in the pump industry. | ||
For specific applications, always consult the Chemical Resistance Chart.
Note: This document is a high level guide. Please be aware that not all model and or material combinations are possible for all sizes. Please consult factory or your distributor for specific details.
Performance
E1 1″ Bolted Metal Rubber and TPE Fitted
- Flow Rate
- Adjustable to . . . . . . . 0-49 gpm (181.7 lpm)
- Port Size
- Suction . . . . . . . . . . . . . . . . .1″ NPT or BSP
- Discharge . . . . . . . . . . . . . . .1″ NPT or BSP
- Air Inlet . . . . . . . . . . . . . . . . . . . . . 3/8″ NPT
- Air Exhaust . . . . . . . . . . . . . . . . . 1/2″ NPT
- Suction Lift
- Dry . . . . . . . . . . . . . . . . . . . . . . . . 15′ (4.6 m)
- Wet . . . . . . . . . . . . . . . . . . . . . . . 31′ (9.4 m)
- Max Solid Size (Diameter) . . . . . . . . . . . . . . . . . . . . . . . .1/8″ (3.2 mm)
- Max Noise Level . . . . . . . . . . . . 91 dB(A)
- Max Operating Pressure . . . . . . . . . . . . . . . . . . . . . 125 psi (8.6 bar)
- Shipping Weights
- Aluminum . . . . . . . . . . . . . . 27 lbs (12.2 kg)
- Stainless Steel . . . . . . . . . . .40 lbs (18.1kg)
- Alloy-C . . . . . . . . . . . . . . . . . .40 lbs (18.1kg)
NOTE: Performance based on the following: elastomeric fitted pump, flooded suction, water at ambient conditions. The use of other materials and varying hydraulic conditions may result in deviations in excess of 5%.
E1 1″ Bolted Metal PTFE Fitted
- Flow Rate
- Adjustable to . . . . . . . 0-38 gpm (143.8 lpm)
- Port Size
- Suction . . . . . . . . . . . . . . . . .1″ NPT or BSP
- Discharge . . . . . . . . . . . . . . .1″ NPT or BSP
- Air Inlet . . . . . . . . . . . . . . . . . . . . . 3/8″ NPT
- Air Exhaust . . . . . . . . . . . . . . . . . 1/2″ NPT
- Suction Lift
- Dry . . . . . . . . . . . . . . . . . . . . . . . . . 8′ (2.4 m)
- Wet . . . . . . . . . . . . . . . . . . . . . . . 31′ (9.4 m)
- Max Solid Size (Diameter) . . . . . . . . . . . . . . . . . . . . . . . .1/8″ (3.2 mm)
- Max Noise Level . . . . . . . . . . . . 95 dB(A)
- Max Operating Pressure . . . . . . . . . . . . . . . . . . . . . 125 psi (8.6 bar)
- Shipping Weights
- Aluminum . . . . . . . . . . . . . . 27 lbs (12.2 kg)
- Stainless Steel . . . . . . . . . . .40 lbs (18.1kg)
- Alloy-C . . . . . . . . . . . . . . . . . .40 lbs (18.1kg)
NOTE: Performance based on the following: PTFE fitted pump, flooded suction, water at ambient conditions. The use of other materials and varying hydraulic conditions may result in deviations in excess of 5%.
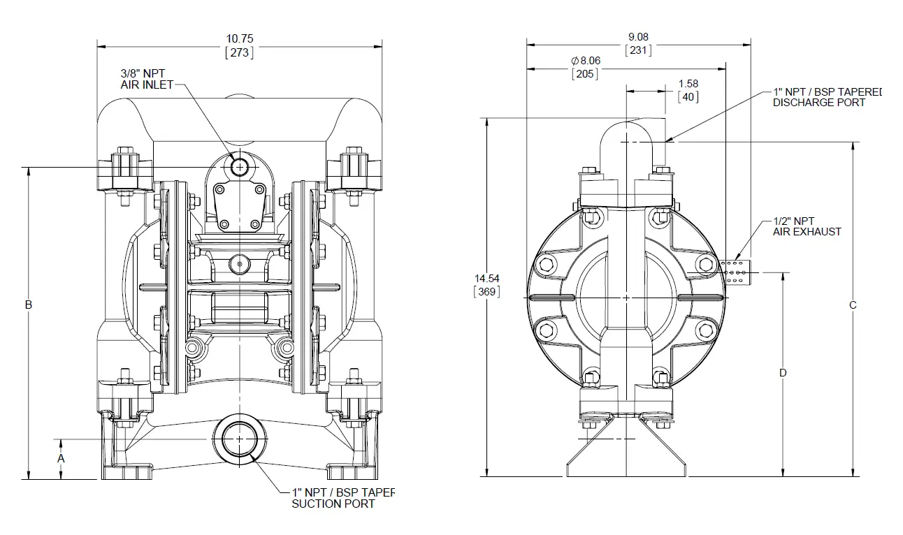
Dimensional Drawings
E1 Bolted Metal
Dimensions in inches (mm dimensions in brackets) The dimensions on this drawing are for reference only. A certified drawing can be requested if physical dimensions are needed.

| ALUMINUM | STAINLESS STEEL | |
| A | 1.52 [39] | 1.65 [42] |
| B | 11.78 [299] | 11.90 [302] |
| C | 13.57 [345] | 13.73 [349] |
| D | 8.27 [218] | 8.35 [212] |
Principle of Pump Operation
- Air-Operated Double Diaphragm (AODD) pumps are powered by compressed air or nitrogen.
- The main directional (air) control valve ① distributes compressed air to an air chamber, exerting uniform pressure over the inner surface of the diaphragm ②. At the same time, the exhausting air ③ from behind the opposite diaphragm is directed through the air valve assembly(s) to an exhaust port ④.
- As inner chamber pressure (P1) exceeds liquid chamber pressure (P2), the rod ⑤ connected diaphragms shift together creating discharge on one side and suction on the opposite side. The discharged and primed liquid’s directions are controlled by the check valves (ball or flap)⑥ orientation.
- The pump primes as a result of the suction stroke. The suction stroke lowers the chamber pressure (P3) increasing the chamber volume. This results in a pressure differential necessary for atmospheric pressure (P4) to push the fluid through the suction piping and across the suction side check valve and into the outer fluid chamber ⑦.
Suction (side) stroking also initiates the reciprocating(shifting, stroking or cycling) action of the pump. The suction diaphragm’s movement is mechanically pulled through its stroke. The diaphragm’s inner plate makes contact with an actuator plunger aligned to shift the pilot signaling valve. Once actuated, the pilot valve sends a pressure signal to the opposite end of the main directional air valve, redirecting the compressed air to the opposite inner chamber
SUBMERGED ILLUSTRATION
Pump can be submerged if the pump materials of construction are compatible with the liquid being pumped. The air exhaust must be piped above the liquid level. When the pumped product source is at a higher level than the pump (flooded suction condition), pipe the exhaust higher than the product source to prevent siphoning spills
Recommended Installation
Available Accessories:
- Surge Suppressor
- Filter/Regulator
- Air Dryer
- Lubricator

Composite Repair Parts Drawing
CAUTION
The air exhaust should be piped to an area for safe disposition of the product being pumped, in the event of a diaphragm failure
Installation And Start-Up
Locate the pump as close to the product being pumped as possible. Keep the suction line length and number of fittings to a minimum. Do not reduce the suction line diameter.
Air Supply
Connect the pump air inlet to an air supply with sufficient capacity and pressure to achieve desired performance. A pressure regulating valve should be installed to insure air supply pressure does not exceed recommended limits.
Air Valve Lubrication
The air distribution system is designed to operate WITHOUT lubrication. This is the standard mode of operation. If lubrication is desired, install an air line lubricator set to deliver one drop of SAE 10 non-detergent oil for every 20 SCFM (9.4 liters/sec.) of air the pump consumes. Consult the Performance Curve to determine air consumption.
Air Line Moisture
Water in the compressed air supply may cause icing or freezing of the exhaust air, causing the pump to cycle erratically or stop operating. Water in the air supply can be reduced by using a point-of-use air dryer.
Air Inlet And Priming
To start the pump, slightly open the air shut-off valve. After the pump primes, the air valve can be opened to increase air flow as desired. If opening the valve increases cycling rate, but does not increase the rate of flow, cavitation has occurred. The valve should be closed slightly to obtain the most efficient air flow to pump flow ratio.
Troubleshooting
| Symptom: | Potential Cause(s): | Recommendation(s): |
| Pump Cycles Once | Deadhead (system pressure meets or exceeds air supply pressure). | Increase the inlet air pressure to the pump. Pump is designed for 1:1 pressure ratio at zero flow. (Does not apply to high pressure 2:1 units). |
| Air valve or intermediate gaskets installed incorrectly. | Install gaskets with holes properly aligned. | |
| Bent or missing actuator plunger. | Remove pilot valve and inspect actuator plungers. | |
| Pump Will Not Operate / Cycle | Pump is over lubricated. | Set lubricator on lowest possible setting or remove. Units are designed for lube free operation. |
| Lack of air (line size, PSI, CFM). | Check the air line size and length, compressor capacity (HP vs. cfm required). | |
| Check air distribution system. | Disassemble and inspect main air distribution valve, pilot valve and pilot valve actuators. | |
| Discharge line is blocked or clogged manifolds. | Check for inadvertently closed discharge line valves. Clean discharge manifolds/piping. | |
| Deadhead (system pressure meets or exceeds air supply pressure). | Increase the inlet air pressure to the pump. Pump is designed for 1:1 pressure ratio at zero flow. (Does not apply to high pressure 2:1 units). | |
| Blocked air exhaust muffler. | Remove muffler screen, clean or de-ice, and re-install. | |
| Pumped fluid in air exhaust muffler. | Disassemble pump chambers. Inspect for diaphragm rupture or loose diaphragm plate assembly. | |
| Pump chamber is blocked. | Disassemble and inspect wetted chambers. Remove or flush any obstructions. | |
| Pump Cycles and Will Not Prime or No Flow | Cavitation on suction side. | Check suction condition (move pump closer to product). |
| Check valve obstructed. Valve ball(s) not seating properly or sticking. | Disassemble the wet end of the pump and manually dislodge obstruction in the check valve pocket. Clean out around valve ball cage and valve seat area. Replace valve ball or valve seat if damaged. Use heavier valve ball material. | |
| Valve ball(s) missing (pushed into chamber or manifold). | Worn valve ball or valve seat. Worn fingers in valve ball cage (replace part). Check Chemical Resistance Guide for compatibility. | |
| Valve ball(s)/seat(s) damaged or attacked by product. | Check Chemical Resistance Guide for compatibility. | |
| Check valve and/or seat is worn or needs adjusting. | Inspect check valves and seats for wear and proper setting. Replace if necessary. | |
| Suction line is blocked. | Remove or flush obstruction. Check and clear all suction screens or strainers. | |
| Excessive suction lift. | For lifts exceeding 20’ of liquid, filling the chambers with liquid will prime the pump in most cases. | |
| Suction side air leakage or air in product. | Visually inspect all suction-side gaskets and pipe connections. | |
| Pumped fluid in air exhaust muffler. | Disassemble pump chambers. Inspect for diaphragm rupture or loose diaphragm plate assembly. | |
| Pump Cycles Running Sluggish/Stalling, Flow Unsatisfactory | Over lubrication. | Set lubricator on lowest possible setting or remove. Units are designed for lube free operation. |
| Icing. | Remove muffler screen, de-ice, and re-install. Install a point of use air drier. | |
| Clogged manifolds. | Clean manifolds to allow proper air flow | |
| Deadhead (system pressure meets or exceeds air supply pressure). | Increase the inlet air pressure to the pump. Pump is designed for 1:1 pressure ratio at zero flow. (Does not apply to high pressure 2:1 units). | |
| Cavitation on suction side. | Check suction (move pump closer to product). | |
| Lack of air (line size, PSI, CFM). | Check the air line size, length, compressor capacity. | |
| Excessive suction lift. | For lifts exceeding 20’ of liquid, filling the chambers with liquid will prime the pump in most cases. | |
| Air supply pressure or volume exceeds system hd. | Decrease inlet air (press. and vol.) to the pump. Pump is cavitating the fluid by fast cycling. | |
| Undersized suction line. | Meet or exceed pump connections. | |
| Restrictive or undersized air line. | Install a larger air line and connection. | |
| Suction side air leakage or air in product. | Visually inspect all suction-side gaskets and pipe connections. | |
| Suction line is blocked. | Remove or flush obstruction. Check and clear all suction screens or strainers. | |
| Pumped fluid in air exhaust muffler. | Disassemble pump chambers. Inspect for diaphragm rupture or loose diaphragm plate assembly. | |
| Check valve obstructed. | Disassemble the wet end of the pump and manually dislodge obstruction in the check valve pocket. | |
| Check valve and/or seat is worn or needs adjusting. | Inspect check valves and seats for wear and proper setting. Replace if necessary. | |
| Entrained air or vapor lock in chamber(s). | Purge chambers through tapped chamber vent plugs. Purging the chambers of air can be dangerous. | |
| Product Leaking Through Exhaust | Diaphragm failure, or diaphragm plates loose. | Replace diaphragms, check for damage and ensure diaphragm plates are tight. |
| Diaphragm stretched around center hole or bolt holes. | Check for excessive inlet pressure or air pressure. Consult Chemical Resistance Chart for compatibility with products, cleaners, temperature limitations and lubrication. | |
| Premature Diaphragm Failure | Cavitation. | Enlarge pipe diameter on suction side of pump. |
| Excessive flooded suction pressure. | Move pump closer to product. Raise pump/place pump on top of tank to reduce inlet pressure. Install Back pressure device (Tech bulletin 41r). Add accumulation tank or pulsation dampener. | |
| Misapplication (chemical/physical incompatibility). | Consult Chemical Resistance Chart for compatibility with products, cleaners, temperature limitations and lubrication. | |
| Incorrect diaphragm plates or plates on backwards, installed incorrectly or worn. | Check Operating Manual to check for correct part and installation. Ensure outer plates have not been worn to a sharp edge. | |
| Unbalanced Cycling | Excessive suction lift. | For lifts exceeding 20’ of liquid, filling the chambers with liquid will prime the pump in most cases. |
| Undersized suction line. | Meet or exceed pump connections. | |
| Pumped fluid in air exhaust muffler. | Disassemble pump chambers. Inspect for diaphragm rupture or loose diaphragm plate assembly. | |
| Suction side air leakage or air in product. | Visually inspect all suction-side gaskets and pipe connections. | |
| Check valve obstructed. | Disassemble the wet end of the pump and manually dislodge obstruction in the check valve pocket. | |
| Check valve and/or seat is worn or needs adjusting. | Inspect check valves and seats for wear and proper setting. Replace if necessary. | |
| Entrained air or vapor lock in chamber(s). | Purge chambers through tapped chamber vent plugs. |
For additional troubleshooting tips contact After Sales Support at [email protected] or 419-524-8388
Composite Repair Parts Drawing
Composite Repair Parts List
| Air Valve Assembly | ||||||
| Item # | Qty. | Description | Part Number Aluminum Nickel Plated | |||
| Air Side Repair Kit (Includes Items 3,4,6-9,12,14,16,18) | 476.V015.000 | |||||
| – | 1 | Air Valve Assembly (includes items 1-10) | 031.V006.157 | 031.V006.3332 | ||
| 1 | 1 | Valve Body | 095.V003.157 | 095.V003.332 | ||
| 2 | 1 | Valve Spool Assembly (Includes items 3&4) | P98-105UB ASY | |||
| 3 | 1 | Large Valve Spool U-Cup | P98-105B | |||
| 4 | 1 | Small Valve Spool U-Cup | P98-105A | |||
| 5 | 2 | Metal End Cap | P98-300 | P98-300NP | ||
| 6 | 2 | End Cap Gasket (for metal) | P98-110 | |||
| 7 | 1 | CT Air Diverter | P98-105CT | |||
| 8 | 1 | Air Diverter Plate | 612.V003.114 | |||
| 9 | 1 | Air Valve Gasket | P98-111UB | |||
| 10 | 12 | Mounting Screws (8 included on Air Valve Assembly) | S1001 | |||
| Center Section Assembly | ||||||
| Item # | Qty. | Description | Part Number Aluminum Nickel Plated | |||
| 11 | 1 | Center Section | 114.V001.157 | 114.V001.332 | ||
| Pilot Repair Kit (Includes Items 12-16) | 476.V014.000 | |||||
| 12 | 1 | Pilot Spool ASY (includes item 13) | 775.V005.000 | |||
| 13 | 7 | Pilot Spool O-Rings | 560.023.358 | |||
| 14 | 1 | Pilot Valve Sleeve ASY (includes item 15) | 755.V004.000 | |||
| 15 | 6 | Pilot Valve Sleeve O-Rings | 560.101.358 | |||
| 16 | 2 | Shaft/Pilot Retainer | 670.V002.554 | |||
| 10 | 4 | Retainer Screw | S1001 | |||
| 17 | 1 | Muffler | VTM-4A | |||
| Diaphragm Assembly / Elastomers | ||||||
| Item # | Qty. | Description | Part Number TPE/RUBBER | |||
| PTFE 2-Piece | PTFE Fusion | |||||
| 18 | 2 | Main Shaft O-Ring | P50-403 | |||
| 19 | 1 | Main Shaft | 685.V001.120 | P50-108 | ||
| 20 | 2 | Diaphragm | “V183xx-1 (See Below Material Chart)” | V183TF-1 | V183F | |
| 21 | 2 | Back-Up Diaphragm | N/A | V183TB | N/A | |
| 22 | 2 | Inner Diaphragm Plate | V181C | V181C | N/A | |
| 23 | 2 | Outer Diaphragm Plate (See Note 1 Below) | V81B, SV181B ASY, HV181TO | SV181TO, HV181TO | N/A | |
| 24 | 4 | Valve Seat O-Ring | “V90xx (See Below Material Chart)” | SV190TF (Replace after disassembly) | ||
| 25 | 4 | Valve Ball | “V191xx (See Below Material Chart)” | V191TF | ||
| Wet End Assembly | ||||||
| Item # | Qty. | Description | Part Number Aluminum | |||
| Stainless Steel | Hastelloy | |||||
| 26 | 4 | Valve Seat | V90A | SV190 | HV190 | |
| 27 | 2 | Water Chamber | V85DC | SV185 | HV185 | |
| 28 | 16 | Water Chamber Bolt | V189A | SV189D | ||
| 29 | 16 | Water Chamber Washer | V189C | SV189C | ||
| 30 | 16 | Water Chamber Nut | V185B | SV185B | ||
| 31 | 1 | Discharge Manifold | V86 | SV186 | HV186 | |
| Discharge Manifold (BSP Option) | V86BSP | SV186BSP | HV186BSP | |||
| 32 | 1 | Suction Manifold | V87 | SV187 | HV187 | |
| Suction Manifold (BSP Option) | V87BSP | SV187BSP | HV187BSP | |||
| 33 | 8 | Manifold Bolt | V187A | SV189D | ||
| 29 | 8 | Manifold Washer | V189C | SV189C | ||
| 30 | 8 | Manifold Nut | V185B | SV185B | ||
| Elastomer Material Specifications | ||||||
| Material | Diaphragm P/N | Valve Ball P/N | O-Ring P/N | |||
| Neoprene | V183N-1 | V191N | N/A | |||
| Buna Nitrile | V183BN-1 | V191BN | V90BN | |||
| Viton | V183VT-1 | V191VT | V90VT | |||
| Nordel | V183ND-1 | V191ND | V90ND | |||
| Santoprene | V183TPEXL-1 | V191TPEXL | V190XL | |||
| Hytrel | V183TPEFG | V191TPEFG | N/A | |||
| Acetal | N/A | V191A | N/A | |||
| Stainless Steel | N/A | V191SS | N/A | |||
Material Codes
- 000…..Assembly, sub-assembly; and some purchased items
- 010…..Cast Iron
- 015…..Ductile Iron
- 020…..Ferritic Malleable Iron
- 080…..Carbon Steel, AISI B-1112
- 110 …..Alloy Type 316 Stainless Steel 111 …..Alloy Type 316 Stainless Steel (Electro Polished)
- 112 …..Alloy C
- 113 …..Alloy Type 316 Stainless Steel (Hand Polished)
- 114 …..303 Stainless Steel
- 115 …..302/304 Stainless Steel
- 117 …..440-C Stainless Steel (Martensitic) 120…..416 Stainless Steel (Wrought Martensitic)
- 148…..Hardcoat Anodized Aluminum 150…..6061-T6 Aluminum
- 152…..2024-T4 Aluminum (2023-T351) 155…..356-T6 Aluminum
- 156…..356-T6 Aluminum
- 157…..Die Cast Aluminum Alloy #380 158…..Aluminum Alloy SR-319
- 162…..Brass, Yellow, Screw Machine Stock 165…..Cast Bronze, 85-5-5-5
- 166…..Bronze, SAE 660
- 170…..Bronze, Bearing Type, Oil Impregnated
- 180…..Copper Alloy
- 305…..Carbon Steel, Black Epoxy Coated 306…..Carbon Steel, Black PTFE Coated 307…..Aluminum, Black Epoxy Coated 308…..Stainless Steel, Black PTFE Coated 309…..Aluminum, Black PTFE
- Coated 313…..Aluminum, White Epoxy Coated 330…..Zinc Plated Steel
- 332…..Aluminum, Electroless Nickel Plated 333…..Carbon Steel, Electroless Nickel Plated
- 335…..Galvanized Steel
- 337…..Silver Plated Steel
- 351…..Food Grade Santoprene®
- 353…..Geolast; Color: Black
- 354…..Injection Molded #203-40 Santoprene® Duro 40D +/-5;
- Color: RED
- 356…..Hytrel®
- 357…..Injection Molded Polyurethane
- 358…..Urethane Rubber (Some Applications) (Compression Mold)
- 359…..Urethane Rubber
- 360…..Nitrile Rubber Color coded: RED 363…..FKM (Fluorocarbon) Color coded: YELLOW
- 364…..EPDM Rubber
- Color coded: BLUE
- 365…..Neoprene Rubber
- Color coded: GREEN
- 366…..Food Grade Nitrile
- 368…..Food Grade EPDM
- 371…..Philthane (Tuftane)
- 374…..Carboxylated Nitrile
- 375…..Fluorinated Nitrile
- 378…..High Density Polypropylene 379…..Conductive Nitrile
- 408…..Cork and Neoprene
- 425…..Compressed Fibre
- 426…..Blue Gard
- 440…..Vegetable Fibre
- 500…..Delrin® 500
- 502…..Conductive Acetal, ESD-800 503…..Conductive Acetal, Glass-Filled 506…..Delrin® 150
- 520…..Injection Molded PVDF Natural color
- 540…..Nylon
- 542…..Nylon
- 544…..Nylon Injection Molded
- 550…..Polyethylene
- 551…..Glass Filled Polypropylene 552…..Unfilled Polypropylene
- 555…..Polyvinyl Chloride
- 556…..Black Vinyl
- 558…..Conductive HDPE
- 570…..Rulon II®
- 580…..Ryton®
- 600…..PTFE (virgin material) Tetrafluorocarbon (TFE)
- 603…..Blue Gylon®
- 604…..PTFE
- 606…..PTFE
- 607…..Envelon
- 608…..Conductive PTFE
- 610…..PTFE Encapsulated Silicon 611 …..PTFE Encapsulated FKM
- 632…..Neoprene/Hytrel®
- 633…..FKM/PTFE
- 634…..EPDM/PTFE
- 635…..Neoprene/PTFE
- 637…..PTFE, FKM/PTFE
- 638…..PTFE, Hytrel®/PTFE
- 639…..Nitrile/TFE
- 643…..Santoprene®/EPDM
- 644…..Santoprene®/PTFE
- 656 …..Santoprene® Diaphragm and Check Balls/EPDM Seats 661…..EPDM/Santoprene®
- 666…..FDA Nitrile Diaphragm, PTFE Overlay, Balls, and Seals
- 668…..PTFE, FDA Santoprene®/PTFE
- Delrin and Hytrel are registered tradenames of E.I. DuPont.
- Nylatron is a registered tradename of Polymer Corp.
- Gylon is a registered tradename of Garlock, Inc.
- Santoprene is a registered tradename of Exxon Mobil Corp.
- Rulon II is a registered tradename of Dixion Industries Corp.
- Ryton is a registered tradename of Phillips Chemical Co.
- Valox is a registered tradename of General Electric Co.
RECYCLING
Warren Rupp, manufacturer of Versamatic, is an ISO14001 registered company and is committed to minimizing the impact our products have on the environment. Many components of Versamatic® AODD pumps are made of recyclable materials. We encourage pump users to recycle worn out parts and pumps whenever possible, after any hazardous pumped fluids are thoroughly flushed. Pump users that recycle will gain the satisfaction to know that their discarded part(s) or pump will not end up in a landfill. The recyclability of Versamatic products is a vital part of Warren Rupp’s commitment to environmental stewardship.
Warranty
5 – YEAR Limited Product Warranty
Quality System ISO9001 Certified • Environmental Management Systems ISO14001 Certified
Versamatic warrants to the original end-use purchaser that no product sold by Versamatic that bears a Versamatic brand shall fail under normal use and service due to a defect in material or workmanship within five years from the date of shipment from Versamatic’s factory.
The use of non-OEM replacement parts will void (or negate) agency certifications, including CE, ATEX, CSA, 3A and EC1935 compliance (Food Contact Materials). Warren Rupp, Inc. cannot ensure nor warrant non-OEM parts to meet the stringent requirements of the certifying agencies.
DECLARATION OF CONFORMITY
MANUFACTURED BY: VERSAMATIC ®
Warren Rupp, Inc. A Unit of IDEX Corporation 800 North Main Street P.O. Box 1568 Mansfield, OH 44901-1568 USA
Tel: 419-526-7296
Fax: 419-526-7289
PUMP MODEL SERIES: E SERIES, V SERIES, VT SERIES, VSMA3, SPA15, RE SERIES AND U2 SERIES
This product complies with the following European Community Directives: 2006/42/EC on Machinery, according to Annex VIII
This product has used the following harmonized standards to verify conformance: EN809:2012: EN809:2012
DATE: February 27, 2017
EU Declaration of Conformity
Manufacturer: VersamaticA Unit of IDEX Corporation800 North Main StreetMansfi eld, OH 44902 USA
EU Declaration of Conformity Manufacturer: VersamaticA Unit of IDEX Corporation800 North Main StreetMansfi eld, OH 44902
Applicable Standards:
- EN ISO 80079-36: 2016
- EN ISO 80079-37: 2016
- EN60079-25: 2010
AODD Pumps and Surge Suppressors
Technical File No.: 20310400 -1410/MER
Hazardous Location Applied:
II 2 G Ex h IIC T5…225°C (T2) Gb II 2 D Ex h IIIC T100°C…T200°C Db
- Metal pump models with external aluminum components (E-series)
- Versa-Surge® surge suppressors (VTA-Series)
AODD Pumps
- Technical File No.: 20310400 -1410/MER
- On File With: DEKRA Certifi cation B.V. (0344) Meander 10516825 MJ ArnhemThe NetherlandsSee
Hazardous Location Applied:
I M2 Ex h Mb II 2 G Ex h IIC T5…225°C (T2) Gb II 2 D Ex h IIIC T100°C…T200°C Db
- Metal pump models with no external aluminum (E-Series)
- Conductive plastic pumps (E-Series Plastic)




















