VERSAMATIC E4 Bolted Plastic Air Operated Diaphragm Pump 
Safety Information
- Read the safety warnings and instructions in this manual before pump installation and start-up. Failure to comply with the recommendations stated in this manual could damage the pump and void the factory warranty.
- When the pump is used for materials that tend to settle out or solidify, the pump should be flushed after each use to prevent damage. In freezing temperatures the pump should be completely drained between uses.
- Before pump operation, inspect all fasteners for loosening caused by gasket creep. Retighten loose fasteners to prevent leakage. Follow recommended torques stated in this manual.
Plastic pumps and plastic components are not UV stabilized. Ultraviolet radiation can damage these parts and negatively af-fect material properties. Do not expose to UV light for extended periods of time. - WARNING
Pump not designed, tested or certified to be powered by compressed natural gas. Powering the pump with natural gas will void the warranty. - WARNING
The use of non-OEM replacement parts will void (or negate) agency certifications, including CE, ATEX, CSA, 3A and EC1935 compliance (Food Contact Materials). Warren Rupp, Inc. cannot ensure nor warrant non-OEM parts to meet the stringent requirements of the certifying agencies. - WARNING
- Do not operate pump in a sterilization system as described in 3A standard 44-03 section D14.3
- When used for toxic or aggressive fluids, the pump should always be flushed clean prior to disassembly.
- Before maintenance or repair, shut off the compressed air line, bleed the pressure, and disconnect the air line from the pump. Be certain that approved eye protection and protective clothing are worn at all times. Failure to follow these recommendations may result in serious injury or death.
- Airborne particles and loud noise hazards. Wear eye and ear protection.
- In the event of diaphragm rupture, pumped material may enter the air end of the pump, and be discharged into the atmosphere. If pumping a product that is hazardous or toxic, the air exhaust must be piped to an appropriate area for safe containment.
- Take action to prevent static sparking. Fire or explosion can result, especially when handling flammable liquids. The pump, piping, valves, containers and other miscellaneous equipment must be properly grounded.This pump is pressurized internally with air pressure
during operation. Make certain that all fasteners and piping connections are in good condition and are reinstalled properly during reassembly. - Use safe practices when lifting

Explanation of Pump Nomenclature
- Wetted Parts
- An Aluminum
- Cast Iron
- Stainless Steel
- Alloy C
- Polypropylene
- Kynar
- Groundable Acetal
- Aluminum (screen mount)
- Non-Wetted Parts
- Aluminum
- Stainless Steel
- Polypropylene
- Groundable Acetal
- PTFE-coated Aluminum
- Nickel-plated Aluminum
- Cast Iron
- Epoxy-Coated Aluminum
- Diaphragm Material 1 Neoprene
- Nitrile (Nitrile)
- FKM (Fluorocarbon) 4 EPDM
- PTFE
- Santoprene XL
- Hytrel
- FDA Santoprene
- Miscellaneous Options B BSP Tapered Thread CP Center Port
- ATEX ATEX Compliant FP Food Processing SP Sanitary Pump
- HP High Pressure
- OE Original Elima-Matic F Flap Valve
- HD Horizontal Discharge 3A 3-A Certified
- UL UL Listed
- OB Oil Bottle
Performance
NOTE:
Performance based on the following: PTFE fitted pump, flooded suction, water at ambient conditions. The use of other materials and varying hydraulic conditions may result in deviations in excess of 5%.
Materials
Virgin PTFE: (PFA/TFE) Chemically inert, virtually impervious. Very few chemicals are known to chemically react with PTFE; molten alkali metals, turbulent liquid or gaseous fluorine and a few fluoro-chemicals such as chlorine trifluoride or oxygen difluoride which readily liberate free fluorine at elevated temperatures. Maximum and Minimum Temperatures are the limits for which these materials can be operated. Temperatures coupled with pressure affect the longevity of diaphragm pump components. Maximum life should not be expected at the extreme limits of the temperature ranges.Stainless Steel: Equal to or exceeding ASTM specification A743 CF-8M for corrosion-resistant iron chromium, iron chromium nickel and nickel-based alloy castings for general applications. Commonly referred to as 316 Stainless Steel in the pump industry.
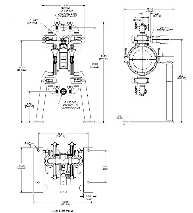
Dimensional Drawings
E4 3-A Sanitary
Dimensions in inches (metric dimensions in brackets) The dimensions on this drawing are for reference only. A certified drawing can be requested if physical dimensions are needed.
Principle of Pump Operation
- Air-Operated Double Diaphragm (AODD) pumps are powered by compressed air or nitrogen.
- The main directional (air) control valve ① distributes compressed air to an air chamber, exerting uniform pressure over the inner surface of the diaphragm ②. At the same time, the exhausting air
- from behind the opposite diaphragm is directed through the air valve assembly(s) to an exhaust port ④.
- As inner chamber pressure (P1) exceeds liquid chamber pressure (P2), the rod ⑤ connected diaphragms shift together creating discharge on one side and suction on the opposite side. The discharged and primed liquid’s directions are controlled by the check valves (ball or flap)⑥ orientation.
- The pump primes as a result of the suction stroke. The suction stroke lowers the chamber pressure (P3) increasing the chamber volume. This results in a pressure differential necessary for atmospheric pressure (P4) to push the fluid through the suction piping and across the suction side check valve and into the outer fluid chamber ⑦.
SUBMERGED ILLUSTRATION
Pump can be submerged if the pump materials of construction are compatible with the liquid being pumped. The air exhaust must be piped above the liquid level. When the pumped product source is at a higher level than the pump (flooded suction condition), pipe the exhaust higher than the product source to prevent siphoning spills.
Recommended Installation Guide
Available Accessories:
- Surge Suppressor
- Filter/Regulator
- Air Dryer
- Lubricator
CAUTION
The air exhaust should be piped to an area for safe disposition of the product being pumped, in the event of a diaphragm failure.
Installation And Start-Up
Locate the pump as close to the product being pumped as possible. Keep the suction line length and number of fittings to a minimum. Do not reduce the suction line diameter.
Air Supply
Connect the pump air inlet to an air supply with sufficient capacity and pressure to achieve desired performance. A pressure regulating valve should be installed to insure air supply pressure does not exceed recommended limits.
Air Valve Lubrication
The air distribution system is designed to operate WITHOUT lubrication. This is the standard mode of operation. If lubrication is desired, install an air line lubricator set to deliver one drop of SAE 10 non-detergent oil for every 20 SCFM (9.4 liters/sec.) of air the pump consumes. Consult the Performance Curve to determine air consumption.
Air Line Moisture
Water in the compressed air supply may cause icing or freezing of the exhaust air, causing the pump to cycle erratically or stop operating. Water in the air supply can be reduced by using a point-of-use air dryer.
Air Inlet And Priming
To start the pump, slightly open the air shut-off valve. After the pump primes, the air valve can be opened to increase air flow as desired. If opening the valve increases cycling rate, but does not increase the rate of flow, cavitation has occurred. The valve should be closed slightly to obtain the most efficient air flow to pump flow ratio.
Troubleshooting Guide
| Symptom: | Potential Cause(s): | Recommendation(s): |
| Pump Cycles Once | Deadhead (system pressure meets or exceeds air supply pressure). | Increase the inlet air pressure to the pump. Pump is designed for 1:1 pressure ratio at zero flow. (Does not apply to high pressure 2:1 units). |
| Air valve or intermediate gaskets installed incorrectly. | Install gaskets with holes properly aligned. | |
| Bent or missing actuator plunger. | Remove pilot valve and inspect actuator plungers. | |
| Pump Will Not Operate / Cycle | Pump is over lubricated. | Set lubricator on lowest possible setting or remove. Units are designed for lube free operation. |
| Lack of air (line size, PSI, CFM). | Check the air line size and length, compressor capacity (HP vs. cfm required). | |
| Check air distribution system. | Disassemble and inspect main air distribution valve, pilot valve and pilot valve actuators. | |
| Discharge line is blocked or clogged manifolds. | Check for inadvertently closed discharge line valves. Clean discharge manifolds/piping. | |
| Deadhead (system pressure meets or exceeds air supply pressure). | Increase the inlet air pressure to the pump. Pump is designed for 1:1 pressure ratio at zero flow. (Does not apply to high pressure 2:1 units). | |
| Blocked air exhaust muffler. | Remove muffler screen, clean or de-ice, and re-install. | |
| Pumped fluid in air exhaust muffler. | Disassemble pump chambers. Inspect for diaphragm rupture or loose diaphragm plate assembly. | |
| Pump chamber is blocked. | Disassemble and inspect wetted chambers. Remove or flush any obstructions. | |
| Pump Cycles and Will Not Prime or No Flow | Cavitation on suction side. | Check suction condition (move pump closer to product). |
| Check valve obstructed. Valve ball(s) not seating properly or sticking. | Disassemble the wet end of the pump and manually dislodge obstruction in the check valve pocket. Clean out around valve ball cage and valve seat area. Replace valve ball or valve seat if damaged. Use heavier valve ball material. | |
| Valve ball(s) missing (pushed into chamber or manifold). | Worn valve ball or valve seat. Worn fingers in valve ball cage (replace part). Check Chemical Resistance Guide for compatibility. | |
| Valve ball(s)/seat(s) damaged or attacked by product. | Check Chemical Resistance Guide for compatibility. | |
| Check valve and/or seat is worn or needs adjusting. | Inspect check valves and seats for wear and proper setting. Replace if necessary. | |
| Suction line is blocked. | Remove or flush obstruction. Check and clear all suction screens or strainers. | |
| Excessive suction lift. | For lifts exceeding 20’ of liquid, filling the chambers with liquid will prime the pump in most cases. | |
| Suction side air leakage or air in product. | Visually inspect all suction-side gaskets and pipe connections. | |
| Pumped fluid in air exhaust muffler. | Disassemble pump chambers. Inspect for diaphragm rupture or loose diaphragm plate assembly. | |
| Pump Cycles Running Sluggish/Stalling, Flow Unsatisfactory | Over lubrication. | Set lubricator on lowest possible setting or remove. Units are designed for lube free operation. |
| Icing. | Remove muffler screen, de-ice, and re-install. Install a point of use air drier. | |
| Clogged manifolds. | Clean manifolds to allow proper air flow | |
| Deadhead (system pressure meets or exceeds air supply pressure). | Increase the inlet air pressure to the pump. Pump is designed for 1:1 pressure ratio at zero flow. (Does not apply to high pressure 2:1 units). | |
| Cavitation on suction side. | Check suction (move pump closer to product). | |
| Lack of air (line size, PSI, CFM). | Check the air line size, length, compressor capacity. | |
| Excessive suction lift. | For lifts exceeding 20’ of liquid, filling the chambers with liquid will prime the pump in most cases. | |
| Air supply pressure or volume exceeds system hd. | Decrease inlet air (press. and vol.) to the pump. Pump is cavitating the fluid by fast cycling. | |
| Undersized suction line. | Meet or exceed pump connections. | |
| Restrictive or undersized air line. | Install a larger air line and connection. | |
| Suction side air leakage or air in product. | Visually inspect all suction-side gaskets and pipe connections. | |
| Suction line is blocked. | Remove or flush obstruction. Check and clear all suction screens or strainers. | |
| Pumped fluid in air exhaust muffler. | Disassemble pump chambers. Inspect for diaphragm rupture or loose diaphragm plate assembly. | |
| Check valve obstructed. | Disassemble the wet end of the pump and manually dislodge obstruction in the check valve pocket. | |
| Check valve and/or seat is worn or needs adjusting. | Inspect check valves and seats for wear and proper setting. Replace if necessary. | |
| Entrained air or vapor lock in chamber(s). | Purge chambers through tapped chamber vent plugs. Purging the chambers of air can be dangerous. | |
| Product Leaking Through Exhaust | Diaphragm failure, or diaphragm plates loose. | Replace diaphragms, check for damage and ensure diaphragm plates are tight. |
| Diaphragm stretched around center hole or bolt holes. | Check for excessive inlet pressure or air pressure. Consult Chemical Resistance Chart for compatibility with products, cleaners, temperature limitations and lubrication. | |
| Premature Diaphragm Failure | Cavitation. | Enlarge pipe diameter on suction side of pump. |
| Excessive flooded suction pressure. | Move pump closer to product. Raise pump/place pump on top of tank to reduce inlet pressure. Install Back pressure device (Tech bulletin 41r). Add accumulation tank or pulsation dampener. | |
| Misapplication (chemical/physical incompatibility). | Consult Chemical Resistance Chart for compatibility with products, cleaners, temperature limitations and lubrication. | |
| Incorrect diaphragm plates or plates on backwards, installed incorrectly or worn. | Check Operating Manual to check for correct part and installation. Ensure outer plates have not been worn to a sharp edge. | |
| Unbalanced Cycling | Excessive suction lift. | For lifts exceeding 20’ of liquid, filling the chambers with liquid will prime the pump in most cases. |
| Undersized suction line. | Meet or exceed pump connections. | |
| Pumped fluid in air exhaust muffler. | Disassemble pump chambers. Inspect for diaphragm rupture or loose diaphragm plate assembly. | |
| Suction side air leakage or air in product. | Visually inspect all suction-side gaskets and pipe connections. | |
| Check valve obstructed. | Disassemble the wet end of the pump and manually dislodge obstruction in the check valve pocket. | |
| Check valve and/or seat is worn or needs adjusting. | Inspect check valves and seats for wear and proper setting. Replace if necessary. | |
| Entrained air or vapor lock in chamber(s). | Purge chambers through tapped chamber vent plugs. |
Pump Inspection and Cleaning
The Elima-Matic sanitary pump can be cleaned using several techniques. However, it is important to follow guidelines set by the IAMFES, the USPHS, and the DIC and/or internal rules for inspection, cleaning and sanitization. Remove the valve balls and ball cages from the pump and clean components separate from the pump.If the pump is to be steam cleaned, disconnect the suction line from the pump. Connect the steam line to the pump inlet. Maintain the flow of steam through the pump for at least five minutes after the temperature at the outlet has reached 200°F (94°C).Hot water may also be used. Pump water that is maintained at minimum of 170°F (77°C) through the pump for at least five minutes. Please note that the maximum cleaning temperature of the pump is 220° (104°C).
Chemical cleaning may also be used in sanitizing the pump. Be sure to consult your distributor or the manufacturer to verify that the elastomer(s) used in the pump are compatible with the chemicals being used in the cleaning process.
Composite Repair Parts Drawing

Composite Repair Parts List
| Air Valve Assembly | |||
| Item # | Qty. | Description | Part Number |
| 1 | – | Valve Body Assembly (includes items 2-8) | P31-200-NP |
| 2 | 1 | Valve Body | P31-201NP |
| 3 | 2 | End Cap | P50-300NP |
| 4 | 2 | End Cap Gasket | P50-110 |
| 5 | 1 | Valve Body Gasket | P31-202 |
| 6 | 1 | Valve Spool | P50-104 |
| 7 | 3 | Glyde Ring Assembly | P50-104C |
| 8 | 12 | Mounting Screws (8 included on item 1) | S1001 |
| 9 | 4 | Cap | 165.161.000 |
| Center Section Assembly | |||
| Item # | Qty. | Description | Part Number |
| 10 | 1 | Center Block Assembly (Includes item 15 & 16) | P31-400NP ASY |
| 11 | 2 | Air Chamber | P31-1013ANP |
| 12 | 2 | Air Chamber Gasket | P31-109 |
| 13 | 4 | Air Chamber Bolt | P31-404 |
| 14 | 4 | Air Chamber Bolt (Long) | P31-404B |
| 15 | 2 | Bearing Sleeve | P31-403 |
| 16 | 2 | Main Shaft O-Ring | P24-403 |
| 17 | 1 | Pilot Shaft | P50-112 |
| 18 | 5 | Pilot Spacer | P24-106P |
| 19 | 6 | Pilot O-Ring | P24-107 |
| 20 | 2 | Pilot Ring | P50-119 |
| 21 | 2 | Pilot Retainer | P50-109 |
| 22 | 2 | Screw | S1001 |
| 23 | 2 | Stop Nut | P24-108 |
| 24 | 1 | Muffler | VTM-6 |
| Diaphragm Assembly / Elastomers | |||
| Item # | Qty. | Description | Part Number |
| 25 | 1 | Main Shaft | P31-103 |
| 26 | 2 | Diaphragm | V163F |
| 27 | 4 | Valve Ball | V171TF |
| 28 | 4 | Manifold Tee Seal | V273-TF |
| 29 | 4 | Manifold Elbow Seal | V274-TF |
| Wet End Assembly | |||
| Item # | Qty. | Description | Part Number |
| 30 | 2 | Water Chamber | P29-165 |
| 31 | 4 | Manifold Elbow | P29-167 |
| 32 | 4 | Ball Cage | 670.V004.110 |
| 33 | 2 | Manifold Tee | P29-168 |
| 34 | 1 | Stand Attachment | SP31-651 |
| 35 | 1 | Pump Stand | P29-650CP |
| 36 | 1 | Locking Pin | P29-652 |
| 37 | 4 | Large Clamp | SP31-110A |
| 38 | 4 | Large Clamp Bolt | SP31-110B |
| 39 | 4 | Large Clamp Wing Nut | FG39C |
| 40 | 4 | Small Tri-Clamp | V273A |
| 41 | 4 | Large Tri-Clamp | V274A |
| 42 | 2 | Air Chamber Plug (Not pictured) | P29-653 |
| 43 | 1 | Leak Detector | P29-800 |
| 44 | 2 | Leak Detector Probe | P29-804 |
RECYCLING
Warren Rupp, manufacturer of Versamatic, is an ISO14001 registered company and is committed to minimizing the impact our products have on the environment. Many components of Versamatic® AODD pumps are made of recyclable materials. We encourage pump users to recycle worn out parts and pumps whenever possible, after any hazardous pumped fluids are thoroughly flushed. Pump users that recycle will gain the satisfaction to know that their discarded part(s) or pump will not end up in a landfill. The recyclability of Versamatic products is a vital part of Warren Rupp’s commitment to environmental stewardship.
5 – YEAR Limited Product Warranty
Quality System ISO9001 Certified • Environmental Management Systems ISO14001 CertifiedVersamatic warrants to the original end-use purchaser that no product sold by Versamatic that bears a Versamatic brand shall fail under normal use and service due to a defect in material or workmanship within five years from the date of shipment from Versamatic’s factory.The use of non-OEM replacement parts will void (or negate) agency certifications, including CE, ATEX, CSA, 3A and EC1935 compliance (Food Contact Materials). Warren Rupp, Inc. cannot ensure nor warrant non-OEM parts to meet the stringent requirements of the certifying agencies. See complete warranty at http://vm.salesmrc.com/pdfs/VM_Product_Warranty.pdf



























