Acer T232HLA Touchscreen Widescreen Monitor

SPECIAL NOTES ON LCD MONITORS
The following symptoms are normal with LCD monitor and do not indicate a problem.
NOTES
- Due to the nature of the fluorescent light, the screen may flicker during initial use. Turn off the Power Switch and then turn it on again to make sure the flicker disappears.
- You may find slightly uneven brightness on the screen depending on the desktop pattern you use.
- The LCD screen has effective pixels of 99.99% or more. It may include blemishes of 0.01% or less such as a missing pixel or a pixel lit all of the time.
- Due to the nature of the LCD screen, an afterimage of the previous screen may remain after switching the image, when the same image is displayed for hours. In this case, the screen is recovered slowly by changing the image or turning off the Power Switch for hours.
Information for your safety and comfort
Safety instructions
Read these instructions carefully. Keep this document for future reference. Follow all warnings and instructions marked on the product.
CAUTION for accessibility
Be sure that the power outlet you plug the power cord into is easily accessible and located as close to the equipment operator as possible. When you need to disconnect power to the equipment, be sure to unplug the power cord from the electrical outlet.
Warnings
- Do not use this product near
- Do not place this product on an unstable cart, stand or table. If the product falls, it could be seriously damaged.
- Slots and openings are provided for ventilation to ensure reliable operation of the product and to protect it from overheating. These openings must not be blocked or covered. The openings should never be blocked by placing the product on a bed, sofa, rug or other similar surface. This product should never be placed near or over a radiator or heat register, or in a built-in installation unless proper ventilation is provided.
- Never push objects of any kind into this product through cabinet slots as they may touch dangerous voltage points or short-out parts that could result in a fire or electric shock. Never spill liquid of any kind onto or into the product.
- To avoid damage of internal components and to prevent battery leakage, do not place the product on a vibrating surface.
- Never use it under sporting, exercising, or any vibrating environ ment which will probably cause unexpected short current or damage rotor devices, HDD, Optical drive, and even exposure risk from lithium battery
- Your device uses one of the following power supplies:
| Object/ Part No. | M anufacturer/ Trademark | Type/ M odel |
| Power Adapter | DELTA | ADP-65JH DB |
| ADP-65VH B |
Safe listening
Follow th ese instructions, suggested by hearing experts,to protect your earing.
- Gradually increase the volume until you can hear it clearly and comfortably and without distortion.
- After setting the volume level, do not increase it afteryour ears
- Limit the amount of time listening to music at high
- Avoid turning up the volume to block out noisy
- Turn the volume down if you can’t hear people speaking near
Product servicing
Do not attempt to service this product yourself, as opening or removing covers may expose you to dangerous voltage points or other risks. Refer all servicing to qualified service personnel. Unplug this product from the wall outlet and refer servicing to qualified service personnel when:
- the power cord or plug is damaged, cut or frayed
- liquid was spilled into the product
- the product was exposed to rain or water
- the product has been dropped or the case has been damaged
- the product exhibits a distinct change in performance, indicating a need for service
- the product does not operate normally after following the operating instructions
Note: Adjust only those controls that are covered by the operating instructions, since improper adjustment of other controls may result in damage and will often require extensive work by a qualified technician to restore the product to normal condition.
LCD Pixel Statement
The LCD unit is produced with high-precision manufacturing techniques. Nevertheless, some pixels may occasionally misfire or appear as black or red dots. This has no effect on the recorded image and does not constitute a malfunction.
Tips and information for comfortable use
Computer users may complain of eyestrain and headaches after prolonged use. Users are also at risk of physical injury after long hours of working in front of a computer. Long work periods, bad posture, poor work habits, stress, inadequate working conditions, personal health and other factors greatly increase the risk of physical injury. Incorrect computer usage may lead to carpal tunnel syndrome, tendonitis, tenosynovitis or other musculoskeletal disorders. The following symptoms may appear in the hands, wrists, arms, shoulders, neck or back:
- numbness, or a burning or tingling sensation
- aching, soreness or tenderness
- pain, swelling or throbbing
- stiffness or tightness
- coldness or weakness
If you have these symptoms, or any other recurring or persistent discomfort and/or pain related to computer use, consult a physician immediately and inform your company’s health and safety department.
The following section provides tips for more comfortable computer use.
Finding your comfort zone
Find your comfort zone by adjusting the viewing angle of the monitor, using a footrest, or raising your sitting height to achieve maximum comfort. Observe the following tips:
- refrain from staying too long in one fixed posture
- avoid slouching forward and/or leaning backward
- stand up and walk around regularly to remove the strain on your leg muscles take short rests to relax your neck and shoulders
- avoid tensing your muscles or shrugging your shoulders
- install the external display, keyboard and mouse properly and within comfort able reach
- if you view your monitor more than your documents, place the display at the center of your desk to minimize neck strain
Taking care of your vision
Long viewing hours, wearing incorrect glasses or contact lenses, glare, excessive room lighting, poorly focused screens, very small typefaces and low-contrast displays could stress your eyes. The following sections provide suggestions on how to reduce eyestrain.
Eyes
- Rest your eyes frequently.
- Give your eyes regular breaks by looking away from the monitor and focusing on a distant point.
- Blink frequently to keep your eyes from drying out.
Display
- Keep your display clean.
- Keep your head at a higher level than the top edge of the display so your eyes point downward when looking at the middle of the display.
- Adjust the display brightness and/or contrast to a comfortable level for enhanced text readability and graphics clarity.
- Eliminate glare and reflections by:
- placing your display in such a way that the side faces the window or any light source
- minimizing room light by using drapes, shades or blinds
- using a task light
- changing the display’s viewing angle
- using a glare-reduction filter
- using a display visor, such as a piece of cardboard extended from the display’s top front edge
- Avoid adjusting your display to an awkward viewing angle.
- Avoid looking at bright light sources, such as open windows, for extended periods of time.
Developing good work habits
Develop the following work habits to make your computer use more relaxing and productive:
- Take short breaks regularly and often.
- Perform some stretching exercises.
- Breathe fresh air as often as possible.
- Exercise regularly and maintain a healthy body.
Warning! We do not recommend using the product on a couch or bed. If this is unavoidable, work for only short periods, take breaks regularly, and do some stretching exercises.
For more information and help in recycling, please visit the following websites:Worldwide: https://www.acer-group.com/sustainability/en/product-recycling.html
https://www.acer-group.com/public/Sustainability/sustainability04.htm
UNPACKING
Please check the following items are present when you unpack the box, and save the packing materials in case you will need to ship or transport the monitor in future.

SCREEN POSITION ADJUSTMENT
In oder to optimize the best viewing position, you can adjust the tilt of the monitor by using both of your hands to hold the edges of the monitor as shown in the figure below. The monitor can be adjusted 8 degrees to 60 degrees up as indicated by arrow below.

CONNECTING THE POWER CORD
- Check first to make sure that the power cord you use is the correct type required for your area.
- This monitor has a universal power supply that allows operation in either 100/120V AC or 220/240 V AC voltage area. No user-adjustment is required. Plug one end of the AC power cord to the adapter, and plug the other end into an AC outlet.
- For unit using at 120 V AC:
- Use a UL Listed Cord Set, Type SVT wire and plug rated 10 A/125 V.
- For unit using at 220/240 V AC (outside of U.S.): Use a Cord Set consisting of H05VV-F cord and plug rated 10 A, 250 V. The cord set should have the appropriate safety approvals for the country in which the equipment will be installed.
SAFETY PRECAUTION
- Avoid placing the monitor, or any other heavy object, on the power cord to avoid damage to the cable.
- Do not expose the monitor to rain, excessive moisture, or dust.
- Do not cover the ventilation slots or openings of the monitor. Always put the monitor in a place where there is adequate ventilation.
- Avoid placing the monitor against a bright background or where sun-light or other light sources may reflect on the face of the monitor. Place the monitor just below eye level.
- Handle with care when transporting the monitor.
- Refrain from giving shock or scratch to the screen, as screen is fragile.
CLEANING YOUR MONITOR
Please carefully follow the below guidelines when cleaning the monitor.
- Always unplug the monitor before cleaning.
- Use a soft cloth to wipe the screen and cabinet front and sides.
Power saving
The monitor will be driven into Power Saving” mode by the control signal from the display controller, as indicated by the amber-color power LED.
| State | LED Light |
| ON | Blue |
| Power Saving Mode | Amber |
The power saving states will be kept until a control signal has been detected or the keyboard or mouse is activated. The recovery time from Active OFF state back to ON state is around 3 seconds.
DDC
To make your installation easier, the monitor is able to Plug and Play with your system if your system also supports DDC protocol. The DDC (Display Data Channel) is a communication protocol through which the monitor automatically informs the host system about its capabilities, for example, supported resolutions and corresponding timing. The monitor supports DDC2B standard.
CONNECTOR PIN ASSIGNMENT

15-Pin Color Display Signal Cable
| PIN NO. | DESCRIPTION | PIN NO. | DESCRIPTION |
| 1. | Red | 9. | +5V |
| 2. | Green | 10. | Logic Ground |
| 3. | Blue | 11. | Monitor Ground |
| 4. | Monitor Ground | 12. | DDC-Serial Data |
| 5. | Self test | 13. | H-Sync |
| 6. | R-Ground | 14. | V-Sync |
| 7. | G-Ground | 15. | DDC-Serial Clock |
| 8. | B-Ground |

24-Pin Color Display Signal Cable*
| PIN | Meaning | PIN | Meaning |
| 1. | TMDS Data2- | 13. | NC |
| 2. | TMDS Data2+ | 14. | +5V Power |
| 3. | TMDS Data 2 Shield | 15. | Self Test |
| 4. | NC | 16. | Hot Plug Detect |
| 5. | NC | 17. | TMDS Data0- |
| 6. | DDC Clock | 18. | TMDS Data0+ |
| 7. | DDC Data | 19. | TMDS Data 0 Shield |
| 8. | NC | 20. | NC |
| 9. | TMDS Data1- | 21. | NC |
| 10. | TMDS Data1+ | 22. | TMDS Clock Shield |
| 11. | TMDS Data 1 Shield | 23. | TMDS Clock+ |
| 12. | NC | 24. | DDC TMDS Clock- |
* only for certain models

19-pin Color Display Signal Cable*
| PIN No. | Description | PIN No. | Description |
| 1 | TMDS Data2+ | 2 | TMDS Data2 Shield |
| 3 | TMDS Data2– | 4 | TMDS Data1+ |
| 5 | TMDS Data1 Shield | 6 | TMDS Data1– |
| 7 | TMDS Data0+ | 8 | TMDS Data0 Shield |
| 9 | TMDS Data0– | 10 | TMDS Clock+ |
| 11 | HDMI_DET | 12 | TMDS Clock– |
| 13 | Reserved (N.C. on device) | 14 | Reserved (N.C. on device) |
| 15 | SCL | 16 | SDA |
| 17 | DDC/CEC Ground | 18 | +5V Power |
| 19 | Hot Plug Detect |
* only for certain models
Standard Timing Table
| Mode | Resolution | |||
| 1 | 640×480 | 60 | Hz | |
| 2 | MAC | 640×480 | 66.66 | Hz |
| 3 | VESA | 720×400 | 70 | Hz |
| 4 | SVGA | 800×600 | 56 | Hz |
| 5 | SVGA | 800×600 | 60 | Hz |
| 6 | XGA | 1024×768 | 60 | Hz |
| 7 | XGA | 1024×768 | 70 | Hz |
| 8 | VESA | 1152×864 | 75 | Hz |
| 9 | SXGA | 1280×1024 | 60 | Hz |
| 10 | VESA | 1280×720 | 60 | Hz |
| 11 | WXGA | 1280×800 | 60 | Hz |
| 12 | WXGA+ | 1440×900 | 60 | Hz |
| 13 | WSXGA+ | 1680×1050 | 60 | Hz |
| 14 | UXGA | 1920×1080 | 60 | Hz |
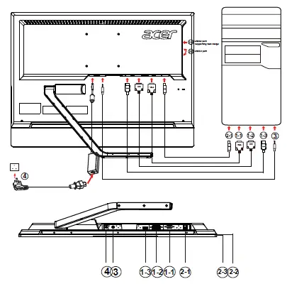
INSTALLATION
To install the monitor to your host system, please follow the steps as given below:
Steps
- Connect Video Cable
- a.Make sure both themonitor and computer are powered-OFF.
- b. Connect the VGA video cable to the computer.
- Connect Digital Cable (Only Dual-Input Model)
- a.Make sure both themonitor and computer are powered-OFF.
- b. Connect one end of the 24-pin DVI cable to the back of the monitor and connect the other end to the computer’s port.
- Connect HDMI Cable (Only HDMI-Input Model)
- a.Make sure both themonitor and computer are powered-OFF.
- b. Connect the HDMI cable to the computer.
- Connect the USB Cable(Optional)
- Connect the USB 3.0 cable to port for fast charge.
- Connect the USB 3.0 cable to port.
- Connect the Audio Cable(Only Audio-InputModel)(Optional)
- Connect power adapter and power cord Connect the pow to themonitor, then to a properly grounded AC outlet.
- Power-ONMonitor and Computer Power-ON themonitor first, then power-ON the computer. This sequence is very important.
- If themonitor still does not function properly, please refer to the troubleshooting section to diagnose the problem.

USER CONTROLS
Power Switch / Power LED: To turn the monitor ON or OFF. Lights up to indicate the power is turned ON.
Using the Shortcut Menu
Press the function button to open the shortcut menu. The shortcut menu lets you quickly select the most commonly accessed settings.

MENU OSD functions
Press this botton to activate the OSD menu.
INPUT Input Key
Use Input key to select from different video sources that may be connected to your monitor.
- VGA input
- DVI input
- HDMI input
As you cycle through the sources you will see the following messages on right top side of screen to indicate currently selected input source. It may take 1 or 2 seconds for the image to appear.
VGA or DVI or HDMI
If either VGA or DVI input is selected ,but the VGA and DVI cables are not connected, a floating dialog box indicates: “No Cable Connect” or “No Signal”
AUTO Auto Adjust:
Press this button to activate the Auto Adjustment function. The Auto Adjustment function is used to set the HPos, VPos, Clock and Focus.
Volume Up / Down
Press to adjust volume (Only Audio-Input Model)(Optional)
Empowering:
Press the Empowering Key to open the Acer eColor Management OSD and access the scenario modes.
Acer eColor Management
Operation instructions

- Step 1: Press “
“ Key to open the Acer eColor Management OSD and access the scenario modes - Step 2: Press “
“ or “
” to select the mode - Step 3: Press “ Exit “ Key to confirm the mode and run Auto Adjust.
Features and Benefits

Adjusting the OSD settings
Note: The following content is for general reference only. Actual product specifications may vary. The OSD can be used for adjusting the settings of your LCD Monitor. Press the MENU key to open the OSD. You can use the OSD to adjust the picture quality, OSD timeout and general settings. For advanced settings, please refer to following page:
Adjusting the picture quality

- Press the MENU key to bring up the OSD.
- Using the
/
keys, select
Picture from the OSD. Then navigate to the picture element you wish to adjust. Use the
to move to the Sub-menu. - Use the
/
keys to adjust the sliding scales. - The Picture menu can be used to adjust the current Brightness, Contrast, Colour Temp, Auto Config and other image-related qualities.
Adjusting the OSD Timeout
- Press the MENU key to bring up the OSD.
- Using the directional keys, select
OSD from the on screen display. Then navigate to the feature you wish to adjust.
Adjusting the setting

- Press the MENU key to bring up the OSD.
- Using the
/
keys, select
Setting from the OSD. Then navigate to the feature you wish to adjust. Use the
to move to the Sub-menu. - The Setting menu can be used to adjust the screen Menu Language and other important settings.
Product information

- Press the MENU key to bring up the OSD.
- Using the
/
keys, select
Information from the OSD. Then the basic information of LCD monitor will show up for current input.
TROUBLESHOOTING
Before sending your LCD monitor for servicing, please check the troubleshooting list below to see if you can self-diagnose the problem.
(VGA Mode)
| Problems | Current Status | Remedy |
|
No Picture | LED ON | · Using OSD, adjust brightness and contrast to maximum or reset to their default settings. |
| LED OFF | · Check the power switch. | |
| · Check if AC power cord is properly connected to the monitor. | ||
| LED displays amber color | · Check if video signal cable is properly connected at the back of monitor. | |
| · Check if the power of computer system is ON. | ||
|
Abnormal Picture | Unstable Picture | · Check if the specification of graphics adapter and monitor is in compliance which may be causing the input signal frequency mismatch. |
| Display is missing, center shift, or too small or too large in display size | · Using OSD, adjust RESOLUTION, CLOCK, CLOCK-PHASE, H-POSITION and V- POSITION with non-standard signals. | |
| · Using OSD, in case of missing full-screen image, please select other resolution or other vertical refresh timing. | ||
| · Wait for a few seconds after adjusting the size of the image before changing or disconnecting the signal cable or powering OFF the monitor. | ||
| Abnormal Sound (Only Audio- Input model) (Optional) | No sound, or sound level is too low | · Check the audio cable with the host PC is connected. |
| · Check if the volume setup of the host PC is in minimum position and try to raise the volume level. |
(DVI/HDMI Mode)
| Problems | Current Status | Remedy |
|
No Picture | LED ON | · Using OSD, adjust brightness and contrast to maximum or reset to their default settings. |
| LED OFF | · Check the power switch. | |
| · Check if AC power cord is properly connected to the monitor. | ||
| LED displays amber color | · Check if video signal cable is properly connected at the back of monitor. | |
| · Check if the power of computer system is ON. | ||
| Abnormal Sound (Only Audio- Input model) (Optional) | No sound, or sound level is too low | · Check the audio cable with the host PC is connected. |
| · Check if the volume setup of the host PC is in minimum position and try to raise the volume level. |
Federal Communications Commission
Declaration of Conformity
This device complies with Part 15 of the FCC Rules. Operation is subject to the following two conditions:
- This device may not cause harmful interference.
- This device must accept any interference received, including interference that may cause undesired operation.
FAQ’s
Download This PDF Link: Acer T232HLA Monitor – Device.report





















