Telemecanique TCP/IP XGSZ33ETH Splitter Box

Product Information
The Ositrack compact station is a device used for monitoring and communication purposes in industrial settings. The device comes with various hardware and software features that allow for easy setup and communication with other devices in the network. It supports the Modbus and Ethernet Modbus TCP/IP protocols, making it compatible with several programmable logic controllers (PLCs) and human-machine interfaces (HMIs).
Hardware Setup
Before setting up the device, ensure that you read the safety information provided in the manual carefully. The following steps outline the hardware setup process:
- Unpack the device and ensure that all components are present.
- Connect the power supply to the device using the appropriate cables.
- If required, connect the device to an Ethernet network using the appropriate cables.
- Configure the IP address of the device using the instructions provided in the manual.
- Once configured, connect the Ositrack compact station to a PLC or HMI using the appropriate cables.
Software Setup
The Ositrack compact station requires software setup to communicate with other devices in the network. Follow these steps to configure the software:
- Configure the IP address of the device as per the instructions provided in the manual.
- Assign a temporary IP address using ARP and Telnet.
- Configure the protocols and addresses required for communication with other devices.
Usage Instructions
The Ositrack compact station is primarily used for monitoring and communication purposes in industrial settings. It can be used to read data from sensors and communicate with other devices in the network. The device supports the Modbus and Ethernet Modbus TCP/IP protocols, making it compatible with various PLCs and HMIs.
To use the device, ensure that it is properly configured and connected to the network. Once connected, use the appropriate software to communicate with other devices in the network. Refer to the manual for detailed instructions on reading data and configuring communication protocols.
Safety Information
Important Information
Read these instructions carefully, and look at the equipment to become familiar with the device before trying to install, operate, or maintain it. The following special messages may appear throughout this documentation or on the equipment to warn of potential hazards or to call attention to information that clarifies or simplifies a procedure.
- The addition of this symbol to a Danger or Warning safety label indicates that an electrical hazard exists, which will result in personal injury if the instructions are not followed.
- This is the safety alert symbol. It is used to alert you to potential personal injury hazards. Obey all safety messages that follow this symbol to avoid possible injury or death.
DANGER
DANGER indicates an imminently hazardous situation, which, if not avoided, will result in death or serious injury.
WARNING
WARNING indicates a potentially hazardous situation, which, if not avoided, can result in death, serious injury, or equipment damage.
CAUTION
CAUTION indicates a potentially hazardous situation, which, if not avoided, can result in injury or equipment damage.
PLEASE NOTE
Electrical equipment should be installed, operated, serviced, and maintained only by qualified personnel. No responsibility is assumed by Schneider Electric for any consequences arising out of the use of this material. © 2008 Schneider Electric. All Rights Reserved.
At a Glance
Document Scope
This manual describes how to use Ositrack compact stations and associated accessories.
Related Documents
| Title of Documentation | Reference Number |
| User Guide: Compact Stations | 1655669 01 |
| User Guide: Hand-held terminal | 1690004 01 |
User Comments
We welcome your comments about this document. You can reach us through the customer support page on your local TeSensors website.
Cybersecurity
Machines, controllers, and related equipment are usually integrated into networks. Unauthorized persons and malware may gain access to the machine as well as to other devices on the network/fieldbus of the machine and connected networks via insufficiently secure access to software and networks.
WARNING
UNAUTHORIZED ACCESS TO THE MACHINE VIA SOFTWARE AND NETWORKS
- In your hazard and risk analysis, consider all hazards that result from access to and operation on the network/fieldbus and develop an appropriate cybersecurity concept.
- Verify that the hardware infrastructure and the software infrastructure into which the machine is integrated as well as all organizational measures and rules covering access to this infrastructure consider the results of the hazard and risk analysis and are implemented according to best practices and standards covering IT security and cybersecurity (such as ISO/IEC 27000 series, ISO/ IEC 15408, IEC 62351, ISA/IEC 62443, Common Criteria for Information Technology Security Evaluation, NIST Cybersecurity Framework, Information Security Forum – Standard of Good Practice for Information Security).
- Verify the effectiveness of your IT security and cyber security systems using appropriate, proven methods.
Failure to follow these instructions can result in death, serious injury, or equipment damage.
Consult the Schneider Electric Cybersecurity Best Practices (https://www.se.com/ww/en/download/document/CS-Best-Practices-2019-340/) for additional information.
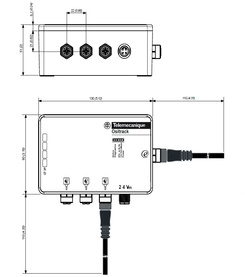
Description
Dimensions: 237 mm (9.33 in) x 120 mm (4.72 in) x 60 mm (2.36 in)
| Item no. | Description |
| 1 | Signaling LEDs for the Ethernet network and the power supply |
| 2 | Ethernet sub-base |
| 3 | 24 V power supply sub-base |
| 4 | 3 Ositrack compact station sub-bases |
General
- This box is used to connect up to three XGCS compact stations on an Ethernet network.
- Data is exchanged with the Ositrack stations using the Modbus TCP/IP protocol.
- As a server on the network, the splitter box can receive and respond to data messages.
This data exchange enables your network to access certain Ositrack station functions, such as:
- Reading/writing tags
- Control and command
- Monitoring
- Diagnostics
It is recommended that you also refer to the RFID Compact Station Catalog DIA4ED2140601EN.
Wiring
Use the following components for wiring (see the Schneider Electric catalogs):
| Item no. | Type of cable/ connectors | Type of equipment to be connected | Cable length (m) | Reference |
|
2 |
IP67 straight- through cable 4-way M12 A/RJ45 |
Switch Hub | 1 | TCS ECL1M3M1S2 |
| 3 | TCS ECL1M3M3S2 | |||
| 5 | TCS ECL1M3M5S2 | |||
| 10 | TCS ECL1M3M10S2 | |||
| 40 | TCS ECL1M3M40S2 | |||
| 3 | Extension 4-way M12 A/flying leads | 24 V
power supply | 2 | XGS Z09L2* |
| 5 | XGS Z09L5* | |||
| 10 | XGS Z09L10* | |||
|
4 | Extension 5-way M12 male A/ M12 female | XGCS······· Ositrack compact stations | 1 | TCS MCN1M1F1 |
| 2 | TCS MCN1M1F2 | |||
| 5 | TCS MCN1M1F5 | |||
| 10 | TCS MCN1M1F10 |
NOTE If a sub-base is not used, fit protective cover FTXCN12B on the sub-base.
Refer to the Connexium IP67 catalog for the IP67 Ethernet cables and accessories.
- XGS Z09L
- cables replace XGS Z08L
- cables from January 2008.
LED indicators
| LED | Color | Description |
| 1 | Green | Status |
| 2 | Red | Diagnostics |
| 3 | Yellow/Green | Eth. activity |
| 4 | Yellow/Green | Eth 10/100 Mb |
| 5 | Green | Power supply |
The splitter box has 5 signaling LEDs whose operation is detailed in Section 4 -Diagnostics.
Dimensions
Dimensions in mm (inches)
M12 connector maximum tightening torque = 10 Nm (88.5 lbf.in)
Characteristics
| Transparent Ready services | Class | A10 |
| Standard Web server | Splitter box IP address configuration | |
| Standard Ethernet TCP/IP communication service | Modbus messaging (read/write I/O words) Requests: Modbus TCP/IP 123 words max. | |
| Ethernet connection | Physical interface | 10BASE-T/100BASE-TX |
| Data rate | 10/100 Mbps | |
| Medium | IP67 Ethernet cable with M12 connector coding D ref: TCS ECL1M3MllS2 | |
| Other character- istics | Operating temperature | -25…+70°C (-13… +158°F) |
| Storage temperature | -40…+85°C (-40… +185°F) | |
| Relative humidity | 30…95% non condensing | |
| Degree of protection | IP65 | |
| Power supply | 24 V (limits 21…29 V) PELV | |
| Power consumption | < 1.0 W | |
| Stations | 5-way female M12 connector | |
| Conformity to standards | UL 508, CE | |
| Electromagnetic interference, IEC61000 level 3 and EN55022 |
Connections
Connecting the power supply M12 male sub-base:
- Power supply + (24 V )
- Power supply + (24 V )
- Power supply – (0 V )
- Power supply – (0 V )
For connection to this sub-base:
Connector: XZC C12FDM40B with terminals or Cable: XGS Z09L
Connecting Ositrack compact stations M12 female sub-base:
- Ground
- 24 V
- 0 V
- D0
- D1
For connection to this sub-base:
Connector: FTX DP12M5
For further information on cables, see the section .
Ethernet connection
Connection to the Ethernet network is via a cable equipped with an M12 connector (for connection to the splitter box) and an RJ45 connector (for connection to a switch or a hub). For further information on cables, see section.
M12 female coding D sub-base:

RJ45 connector:
Hardware setup
Ethernet Modbus TCP/IP network examples
Before connecting the splitter box to the network, it is essential to configure its IP address (see section ).
Once configured, it is possible to connect several splitter boxes to the same Ethernet network. Simply ensure that each splitter box is configured with a different IP address.
For further information on station configuration and wiring, see the Ositrack Compact Station Guide DIA4ED3051001. The splitter box contains a line terminator.
The splitter box support up to 8 simultaneous connections (buffer managment).
Software setup
Protocols supported
Exchanges with Ositrack compact stations are via the TCP/IP messaging service. The Ethernet splitter box uses the following Internet protocols: IP (for communication on the network) and TCP (to avoid any loss or duplication of data, and to check that all the data transmitted via the connection arrives correctly at the destination equipment).
The other protocols supported are as follows:
ARP, ICMP, Telnet, TFTP, AutoIP, DHCP, HTTP, and SNMP for communication on the network
Addresses and port number
Ethernet address (MAC)
A splitter box is identified by its MAC address, encoded in 6 bytes. The first three bytes are fixed; they identify the manufacturer.
The next three are unique values assigned to each splitter box.
This address is fixed and cannot be modified. It can be seen on the label stuck on the side of the splitter box.
IP address
Every item of equipment connected to an Ethernet network must have a unique IP address. This address makes it possible to refer to a specific unit.
Subnet mask
The subnet mask defines a range of IP addresses that can be accessed from an item of equipment.
Standard IP subnet masks:
| Network class | Host bits | Subnet mask |
| A | 24 | 255.0.0.0 |
| B | 16 | 255.255.0.0 |
| C | 8 | 255.255.255.0 |
Examples:
| Network class | Addresses | Accessible address ranges |
| C | IP: 192.168.0.1 Mask: 255.255.255.0 | IP: 192.168.0.XXX |
| B | IP: 192.168.0.1 Mask: 255.255.0.0 | IP: 192.168.XXX.XXX |
Port number
- All TCP connections and all UDP datagrams are defined by a destination IP address and a port number. For example, a Telnet application generally uses port 23.
- The serial channel of the unit (its port) can be associated with a particular
- TCP⁄UDP port number. Port number 9999 is reserved for accessing the unit’s configuration window.
Assigning an IP address by ARP and Telnet
- This method is recommended for configuring the splitter box IP address from a PC. The splitter box IP address must be configured for the network connection to be available.
- In this case, it is necessary to have a fixed IP address. The network administrator is generally responsible for allocating IP addresses. You must have the following information available before starting to configure your splitter box:
- IP address: ___ ___ ___ ___
- Gateway: ___ ___ ___ ___
- Subnet mask: ___ ___ ___ ___
The PC must:
- be connected to the same network as the splitter box (or connected directly to the splitter box via a cross-over cable)
- have the TCP/IP protocol installed
- have a fixed IP address
- have a subnet mask compatible with the IP address that will be assigned to the splitter box (see section )

Configuring the IP address
You can use either the procedure described in this chapter or the Web page integrated into the box (see section ).
UNINTENDED OPERATION
The product is factory-configured with the IP address 192.168.0.10. This address is reserved for new equipment and may not be used during operation.
If the splitter box IP address is not known, a temporary IP address has to be assigned first (see section ).
Failure to follow these instructions can result in injury or equipment damage.
- Configure the computer IP address with an address that is compatible with the splitter box one. (Example: Splitter box = 192.168.0.10 -> PC = 192.168.0.1).
- Open a Telnet connection on port 9999, and press the Enter key within three seconds to switch to Setup mode. If you wait longer than three seconds, the unit will restart (begin the procedure again)
Syntax telnet “IP ADDRESS” 9999 Example telnet 192.168.0.10 9999 Result The following window appears 
- During the first connection, users are asked to change the password of the Device. (Due to Cyber-security Califonia Law, all the devices with IP address should be protected through password).
Telemecanique – Modbus Bridge (XGSZ33ETH) MAC address 0080A36A1A62
Software version V3.4.16.8A3 (210427) UDS1100 Password - Configure the parameters for function 1) Network/IP Settings
NOTE: Except the “Modbus Serial Broadcasts” parameter, functions 2) and 4) correspond to parameters that must not be modified. In case of error, revert to the initial configuration
Initial configuration of parameters 2 and 4:
It is possible to start the configuration procedure again from the beginning at any time by reinitializing the splitter box (turning off the power). The diagnostics LED (red) is on during configuration. - Reconfigure the computer IP address with an address that is compatible with the splitter box one. (Example: Splitter box = 192.168.0.220 -> PC = 192.168.0.1).
Assigning a temporary IP address
UNINTENDED OPERATION
The product is factory-configured with the IP address 192.168.0.10. This address is reserved for new equipment and may not be used during operation. If the splitter box IP address is known (new splitter box or a splitter box already configured and whose IP Address we want to change), go directly to the previous section (see section ).
Failure to follow these instructions can result in injury or equipment damage.
- Find the MAC address on the label affixed to one side of the splitter box. Example: 00-20-4A-xx-xx-xx
- Using a PC running Windows (for Windows XP select Start/All Programs/ Accessories/Command Prompt), enter an ARP command line as follows
Syntax arp -s “IP ADDRESS” “MAC ADDRESS” Example arp -s 192.168.0.10 00-20-4a-xx-xx-xx Result No response to this command unless an error occurs The indicated IP address is a temporary address which will allow configuring the box according to the procedure specified in paragraph 2.2.1. Choose preferably an address which will be compatible with the IP address of your computer, in order to avoid reconfiguring the computer’s IP address during the next steps. For example, if the computer is configured with the IP address 192.168.0.1, you can choose the IP address 192.168.0.10
- Open a Telnet connection on port 1. The splitter box will temporarily modify its IP address to adopt the one designated at this step.
Syntax telnet “IP ADDRESS” 1 Example telnet 192.168.0.10 1 Result Connecting to 192.168.0.10…failed Note : Ignore the error message (Connecting.. Failed) that appears after the opening of a Telnet connection on port 1.
- Open a Telnet connection on port 9999, and press the Enter key within three seconds to switch to Setup mode. If you wait longer than three seconds, the unit will restart (begin the procedure again).
Syntax telnet “IP ADDRESS” 9999 Example telnet 192.168.0.10 9999 Result The following window appears 
The IP address of the box is displayed (here: 192.168.0.220). To change it, follow the 2.2.1 procedure.
Modbus and Ethernet Modbus TCP/IP protocols
Modbus protocol
The splitter box and the compact stations constitute a Modbus network operating on the client/server principle.
The splitter box is the client, and the compact stations are the servers.
MODBUS Addressing rules
Each server has its own address that enables it to know that the client is addressing it.
The MODBUS addressing space comprises 256 different addresses
| 0 | 1…247 | 248…255 |
| Broadcast address | server individual addresses | Reserved |
NB: With the Modbus TCP/IP Ethernet protocol, the 255 address is the address of the Modbus client.
Modes of Modbus addressing rules
Modbus presents 2 modes of addressing rules:
The Unicast mode:
- In that mode, the client addresses an individual server. After receiving and processing of the request, the server returns a reply message to the client .
- A Modbus transaction is constituted of 2 messages: the client request and the server reply.
- Each server must have a unique address (from 1 to 247). For the Ositrack compact station, this address is comprised between 1 and 15.
- On the Modbus network, each server must have a different address.
- For further details concerning the address setting of a station, refer to the user manual of the compact station (DIA4ED3051001).
The broadcast mode:
In broadcast mode, the client sends a request to all servers, but contrary to the individual mode, the latters will not return a reply. The broadcast requests can be only writing commands. The 0 address is reserved to this use.
Warning: As the servers do not return any answer; the only way of being sure that they all took into account the command is to send a reading of checking server by server
The Broadcast mode is supported by the XGS Z33ETH box, but is not activated by default.
To activate the Broadcast mode:
Open a Telnet connection on port 9999, and press the Enter key within three seconds to switch to Setup mode. If you wait longer than three seconds, the unit will restart (begin the procedure again).
| Syntax | telnet “IP ADDRESS” 9999 |
| Example | telnet 192.168.0.10 9999 |
| Result | The following window appears |

Configure the function 4) so as to get:
Modbus Serial Broadcasts … Enabled (Id=1 used as broadcast)
For further details concerning the Modbus function supported by the Ositrack compact station, refer to the user guide delivered with the compact station (DIA4ED3051001).
Ethernet Modbus TCP/IP protocol
Modbus TCP/IP encloses a Modbus frame inside a TCP/IP frame.
The Ethernet network is used as a channel for data exchanges between the splitter box and other equipment (PLCs, etc).
The splitter box supports up to 8 active sockets. Simultaneous Modbus TCP/IP requests are automatically queued to the Ositrack compact stations.
Supported requests:
We can differentiate two types of requests:
- the requests addressed to servers,
- the requests addressed to the Modbus client, so to the box itself
Requests addressed to the Modbus servers
The XGS Z33ETH box is transparent with regard to these requests: they extract the Modbus request of the TCP/IP frame and send it on the Modbus network.
When it receives the server reply, it returns it to the transmitter by Ethernet after having inserted it in a TCP/IP frame. All Modbus requests are accepted by the XGS Z33ETH box, but only the requests supported by the connected servers can be used. All others will return an exception error code.
For further details concerning the Modbus function supported by the Ositrack station, refer to the user guide delivered with the compact station (DIA4ED3051001).
Requests addressed to the Modbus client
The XGS Z33ETH box supports only the identification request (2BH function).
This request will be used principally to read the software version of the box. To address the box you must use the address 255
2BH identification requests:
| Field | Length | Code (H=Hexadecimal) | Remark |
| Address | 1 byte | FFH | client Adress |
| Function code | 1 byte | 2BH | – |
| MEI | 1 byte | 0EH | Modbus Encapsulated Interface |
| Read Device ID Code | 1 byte | 01H (BASIC identification) 02H (REGULAR BASIC) 03H (EXTENDED identification) | – |
| Objet ID | 1 byte | 00H | – |
NB: It exists 3 types of identification: “Basic”, “Regular”, and “Extended”. The type of identification is selected by the field value “Read Device ID Code”. The 3 types of identification are supported, but the given reply is identical for the 3 types, and corresponds to the type of identification “Basic”.
Reply to the 2BH identification-request
| Field | Length | Code (H=Hexadecimal) | Remark |
| Address | 1 byte | FFH | client Adress |
| Function code | 1 byte | 2BH | – |
| MEI | 1 byte | 0EH | Modbus Encapsu- lated Interface |
| Read Device ID Code | 1 byte | 01H (BASIC identification) 02H (REGULAR identification) 03H (EXTENDED identification) | – |
| Conformity level | 1 byte | 01H | “BASIC” Identification |
| More follows | 1 byte | 00H | All asked data are in the reply |
| Next Object ID | 1 byte | 00H | – |
| Number of objects | 1 byte | 03H | – |
| ID Object No.1 | 1 byte | 00H | – |
| Length Object No.1 | 1 byte | 0DH | |
| Value Object No.1 | 13 bytes | Telemecanique | Manufacturer name in ASCII |
| ID Object No.2 | 1 byte | 01H | – |
| Length Object No.2 | 1 byte | 09H | |
| Value Object No.2 | 09 bytes | XGSZ33ETH | Part number in ASCII |
| ID Object No.3 | 1 byte | 01H | – |
| Length Object No.3 | 1 byte | 0BH | |
| Value Object No.3 | 11 bytes | V3.0.16.2B5 | XGS Z33ETH Sof- tware version in ASCII |
Examples of applications
A splitter box and a Premium PLC are connected to an Ethernet network. The IP address of these two items has been configured as follows
Hardware configuration of the PLC with PL7 PRO (V4.3 ou higher)
To enable communication between these two components, the PLC hardware configuration must be entered, giving:
- An XWAY address for the station
- The IP address of the splitter box
- The protocol of the splitter box

Example of programming a request for station @ 2
During programming, use the XWAY address to specify the station. The Modbus address is set to 2.
PLC configuration with Unity PRO XL V1.0.1
Reading 5 words in the tag from word %MW 0 of the tag in station @ 2
LADDER programming
Structured Text programming
Diagnostic LED states
The splitter box has five LEDs that are visible through a window on the cover:
| LED | Name | Color |
| 1 | Status | Green |
| 2 | Diagnostics | Red |
| 3 | Eth. activity | Yellow/Green |
| 4 | Eth 10/100 Mb | Yellow/Green |
| 5 | Power supply | Green |
Diagnostics
The splitter box has the following LEDs, which help you diagnose problems:
- Status (green)
- Diagnostic (red)
- Ethernet Half/Full Duplex Activity (yellow = Half Duplex/green = Full Duplex)
- Ethernet 10/100 Link (yellow = 10 Mb/green = 100 Mb)
- Power (green)
If the red Diagnostics LED is on at the same time as the Status LED, this indicates a problem. If the red LED is on (continuously or flashing), count the number of times the green LED flashes between the pauses. The following table explains the LED functions
| Condition | Diagnostic LED | Channel 1 Status LED |
| No Errors | OFF | N/A |
| Network controller error | ON | Blinks 3x/4 seconds |
| Serial number storage Checksum error | ON | Blinks 4x/4 seconds |
| Duplicate IP address present | ON | Blinks 5x/4 seconds |
| No DHCP response | Blinks 2x/second | Blinks 5x/4 seconds |
| Setup menu active | Blinks 2x/second | Follows Diagnostic LED for 2 seconds, off for 2 seconds |
Diagnostics during Ethernet Addressing
| PROBLEM/ MESSAGE | CAUSE | SOLUTION |
| When you send the ARP –S command, the message “The ARP entry addition failed: 5” is displayed. | You have opened a session with an ID that does not give you the user rights for this command on this PC. | Open a new session with the required user rights. |
| You are trying to assign an IP address to the splitter box using the ARP method, but the error message “Press Enter to go into Setup Mode” is displayed. When you try again to connect to the unit by Telnet, you are disconnected. | When connecting by Telnet to port 1 of the splitter box, the IP address you are giving is temporary. When connecting by Telnet to port 9999, you must press the Enter key quickly otherwise the unit restarts, which causes the IP address to be lost. |
Set up a new connection by Telnet on port 1. Wait until the connection fails, then set up a new connection by Telnet on port 9999, and make sure you press Enter quickly. |
| When you connect by Telnet on port 9999, the message “Press Enter to go into Setup Mode” is displayed, but nothing happens when you press the Enter key, or the connection is broken. | You have not pressed the Enter key quickly enough. You have only 3 seconds to press Enter before disconnection. | Set up a new connection by Telnet on port 9999, but press the Enter key as soon as the message “Press Enter to go into Setup Mode” is displayed. |
| PROBLEM/ MESSAGE | CAUSE | SOLUTION |
|
When you connect by Telnet on port 1 to assign an IP address to the splitter box, the Telnet window does not react any more. |
It is possible that you have given an incorrect Ethernet address using the ARP command. | Check that the Ethernet address you gave using the ARP command is correct. An Ethernet address must contain only figures from 0 to 9 and letters from A to F. Under Windows and, generally, under Unix, the segments of the Ethernet address are separated by full stops. In some variants of Unix, the Ethernet address segments are separated by colons. |
| The IP address you are trying to assign does not appear in your logical subnet. | Check that your PC has an IP address and that this is on the same logical subnet as the address you are trying to assign to the unit. | |
| The splitter box may not be connected to the network correctly. | Check that the link indicator LED is on. If this LED is not on continuously, this means that the physical link with the network is faulty. | |
|
A “Ping” test of the splitter box returns a response, but it is impossible to connect by Telnet to port 9999. |
It is possible there is an IP address conflict on the network. | Turn off the splitter box and enter the following command at the DOS prompt on your computer: ARP -D X.X.X.X PING X.X.X.X (where X.X.X.X is the IP address of the splitter box).
If you get a response, there is a duplicate IP address on the network (the flashing sequence of the LEDs on the splitter box should confirm this). |
- Ethernet address (MAC)
- A splitter box is identified by its MAC address, encoded in 6 bytes.
- The first three bytes are fixed; they identify the manufacturer.
- The next three are unique values assigned to each splitter box.
- This address is fixed and cannot be modified. It can be seen on the label stuck on the side of the casing.
- IP address
- All equipment connected to an Ethernet network must have a unique IP address.
- This address makes it possible to refer to a specific unit.
- ARP and Telnet
- The IP address is assigned manually, using an online command utility (under UNIX or Windows) that also allows the network parameters to be configured. Only one person at a time can be connected to the configuration port (port 9999). This precaution eliminates any risk of several people attempting to configure the unit.
- Auto IP
- This automatic method is recommended if there is a small group of hosts rather than a large network. It allows the hosts to negotiate the addresses with one another and assign them accordingly, in this way creating a small network.
- DHCP
- The DHCP server automatically assigns the IP address and provides the network configuration. The IP address will be different for each reconnection to the network or restart.
- Subnet mask
- The subnet mask defines a range of IP addresses that can be accessed from an item of equipment.
- Port number
- All TCP connections and all UDP datagrams are defined by a destination IP address and a port number. For example, a Telnet application generally uses port 23. A port number is similar to the last part of a telephone number for a public switched telephone network.
- The serial channel of the unit (its port) can be associated with a particular TCP⁄UDP port number. Port number 9999 is reserved for accessing the unit’s configuration window.
- UDP
- User Datagram Protocol
- This protocol is mainly used for broadcasting under TCP/IP.
Printed in France



























