ggm gastro BSMNP16 Chimney Cake Machine User Manual

*Please read the instructions carefully before using it.
-The main production plant products, West kitchen equipment, supporting its product line: overtaking furnace series, fried furnace series, barbecue pits of the series, American-style fast food equipment, food products.
Boot before use, carefully read the manual to ensure proper use.
Warning:
- Before use of the product safety grounding.
- Cleaning may not wash with water pipe.
At Furnace product line is absorbing the advantages of similar foreign products designed with fashionable and rational structure, convenient operation, warming fast, uniform temperature, energy-saving features, apply to shopping malls, supermarkets, cold drinks shop, snack, higher than it places.
A. Basic parameters:

B. Transportation and custody:
During transport, this product should be precious to prevent violent vibration, packaged products are generally not open storage of long-term, should be good ventilation and no corrosive gas warehouse, not inverted, needs temporary storage, resistant measures should be adopted.
C. Installation and use of the environment attention:
- This product should be on a smooth, about Formulating Technology for Inflammable left side of 10cm and above, should be back from Formulating Technology for Inflammable (such as brick) 20cm above.
- This equipment must be used with a supply voltage of the power supply voltage Nameplate product line.
- Users need to install suitable equipment near the power switch, fuse and leakage protection, not allowed to switch before stacking debris, convenient operation.
- The use of this equipment must be safe before grounding!
- Boot should be checked before the product is firmly connected electrical components, safety grounding reliability.
- Replacement power lines should use the same type cable and professionals to replace.
- The products connect electrical installation and maintenance side, should be invited to the Operator’s Certificate holders electrician to install.
D. The methods of operation:
- turning on the ON/OFF switch located on the control panel.
- Set the temperature using the thermostat.
- preheat the oven to the setting temperature (about 10~15minutes).
- put the cake pastry on the rolling pins.
(Because the oven is very hot. It suggests to use protective gloves when operating the oven.) - Open the door and place the rolling pins in the designated position.
- Close the door and turn on the rotation mechanism using the specific switches on the control panel.
- When the cake pastry is cooked to your wanting, open the doors and put out the rolling pins. After which you can remove the cake from the pins.
- Turn off the appliance when not in use.
- Clean the appliance after using every time (see chapter “Cleaning and Maintenance”).
- If the appliance will not be used for a longer period, always switch off and disconnect the power supply
E. Cleaning and maintenance:
- The clean-up and maintenance, we should cut off power to prevent accidents from happening.
- After a day of work available is non-corrosive cleaning agent wet towels, cleaning furnace Power Lead-out Device surface and the surface, no direct water rinse!
Damage to electrical performance. - Clean process, the timely liquidation of all template water to prevent spills.
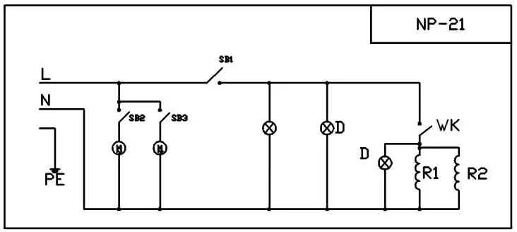
F. Electrical schematics:

R1,R2- all mode of heating
WK1- Temperature Controller
D- Thermal heating lamp
Warranty cards



















