
ELIS
USER MANUAL
ELIS Bathroom Fan


USES
The Elis household axial fan is intended for use in small and medium sized residential and non-residential units. Fans may be used in continuous operation and wall or ceiling-mounted.
SAFETY REQUIREMENTS
Before use, please read the manual carefully and pay attention to all its requirements.
It is prohibited to install the fan into any exhaust system exposed to flue gases.
Fan installation, wiring and maintenance must only be performed with the power disconnected.
Timer and humidity control settings may only be changed with power disconnected.
Only a certified electrician should wire and disconnect the fan from power.
This device is not intended for use by persons (including children) with reduced physical, sensory or mental abilities or lack of experience and knowledge, if they are not supervised or the person responsible for their safety has not provided them with the instructions for use.
The fan is designed for connection to a single-phase 220 – 240 VAC system operating at a frequency of 50 Hz.
The enclosure rating is IP24. Operating temperature +1 to +40°C.
ELIS (models without timer and humidity control)
Wiring:
- Switch off the electrical circuit you will be working on.
- Unscrew the screw on the side of the front panel and remove the cover, under which there is a terminal strip with two terminals.
- Pull the power cables through the rubber bushing and connect them to the terminal strip. The wiring positions for the cables does not matter in this case.
- Once connected to the terminal strip, fasten the power cables with a clamp near the bushing (PIC 1).
- After the electrical wiring is installed, test the operation of the fan.
ELIS Z (models with timer)
Basic wiring information:
- Switch off the electrical circuit you will be working on.
- Unscrew the screw on the side of the front panel and remove the cover, under which there is a terminal strip with three terminals.
- The terminals are labelled with the letters T (interruptible phase), L (fixed phase) and N (neutral phase).
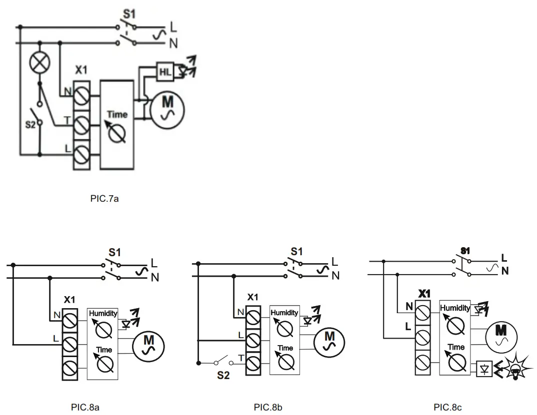
- Carefully review the wiring diagram in PIC 7a.
- Pull the power cables through the rubber bushing and connect them to the terminal strip per the diagram.
- Once connected to the terminal strip, fasten the power cables with a clamp near the bushing (PIC 1).
- Set the timer (Time).
- Set the jumpers for the selected mode (see below)
- After installation is complete, connect power and turn on the fan.
Timer settings (PIC 3.)
The timer is located under the front panel of the fan next to the terminal strip and is labelled as “Time”. Use a small screwdriver and carefully turn the adjustment screw to the left or right to set the timer from 15 seconds to 45 minutes.
MODE 1 – activation using a separate switch with time delay shut-off
Wiring: From the separate switch, connect the black wire to the L terminal. Connect the brown switched wire to the Tterminal and the blue neutral wire to the N terminal. Set the jumper in position 5a.
The fan is activated by pressing the separate single-pole switch and then runs continuously. Once the switch is turned off, the fan continues to run for the time set on the timer and then turns off.
MODE 2 – activation after lights are turned off (PIC 7a and PIC 5b)
Wiring: From the light switch, connect the black wire to the L terminal. Connect the brown switched wire to the Tterminal and the blue neutral wire to the N terminal. Set the jumper in position 5b.
The fan is connected to the light switch and is activated once the light is turned off and runs for the time set on the timer.
ELIS ZW (models with timer and humidity control)
Basic wiring information:
- Switch off the electrical circuit you will be working on.
- Unscrew the screw on the side of the front panel and remove the cover, under which there is a terminal strip with three terminals.
- The terminals are labelled with the letters T (interruptible phase), L (fixed phase) and N (neutral phase)
- Carefully review the wiring diagram in PIC 8a to PIC 8d, depending on the selected mode (see below).
- Pull the power cables through the rubber bushing and connect them to the terminal strip per the diagram.
- Once connected to the terminal strip, fasten the power cables with a clamp near the bushing (PIC 2).
- Set the timer (Time).
- Set the humidity control (Humidity).
- Set the jumpers I/II and A/B for the selected mode (see below)
- After the electrical wiring is installed, test the operation of the fan.
Timer settings (PIC 3.)
The timer is located under the front panel of the fan next to the terminal strip and is labelled as “Time”. Use a small screwdriver and carefully turn the adjustment screw to the left or right based on the designed timer setting, from 15 seconds to 45 minutes.
Humidity control settings (PIC 4.)
The humidity control is located under the front panel of the fan next to the terminal strip and is labelled as “Humidity”. Use a small screwdriver and carefully turn the adjustment screw to the left or right to set the switching humidity level for the fan, from 60% to 100%.
MODE 1 – using the humidity sensor with time delay shut-off (PIC 8a)
Wiring: Connect the black wire to the L terminal. Connect the blue neutral wire to the N terminal. Position jumper I/II as shown in PIC 6b. Position jumper A/B as shown in PIC 6a.
The fan is activated once humidity in the space exceeds the set level. To reduce the humidity below the set level, the fan continues to run for the time set on the timer and then turns off.
MODE 2 – using the humidity sensor with time delay shut-off and separate switch (PIC 8b)
Wiring: Connect the black wire to the L terminal. Connect the brown wire from switch S2 to the T terminal and the blue neutral wire to the N terminal. Position jumper I/II as shown in PIC 6b. Position jumper A/B as shown in PIC 6a.
The fan is activated once humidity in the space exceeds the set level. To reduce the humidity below the set level, the fan continues to run for the time set on the timer and then turns off.
Switch operation: The fan is activated or turned off using switch S2 regardless of the selected mode. If the fan is off, it is activated using the switch, after which the fan runs for the time set on the timer. It then turns off and returns to automatic mode. If the fan is running, use the switch to turn it off.
MODE 3 – using the light sensor (on) and humidity sensor with time delay shut-off (PIC 8c)
Wiring: Connect the black wire to the L terminal. Connect the blue neutral wire to the N terminal. Position jumpers I/II as shown in PIC 6a. Position jumpers A/B as shown in PIC 6a.
ATTENTION: We do not recommend this mode be used in rooms with windows. Daylight could cause unwanted switching.
The fan runs for 45 seconds once the lights are turned on, and remains running while they are on. Turning off the lights activates the time delay shut-off and the fan runs for the time set on the timer.
The fan is activated when humidity exceeds the value set on the humidity control, even when the lighting is off. To reduce the humidity below the set level, the fan continues to run for the time set on the timer and then turns off. In the case of lighting, the mode will be adjusted automatically and the fan will run again for the entire duration of the lighting with the time delay shut-off.
MODE 4 – using the light sensor (off) and humidity sensor with time delay shut-off (PIC 8c)
Wiring: Connect the black wire to the L terminal. Connect the blue neutral wire to the N terminal. Position jumpers I/II as shown in PIC 6a. Position jumpers A/B as shown in PIC 6b.
ATTENTION: We do not recommend this mode be used in rooms with windows. Daylight could cause unwanted switching.
The fan is activated when the lighting is turned off and runs for the period set on the timer. For energy saving reasons, the fan does not respond to lighting applies for less than 90 seconds.
The fan is activated when humidity exceeds the value set on the humidity control and lighting is off. To reduce the humidity below the set level, the fan continues to run for the time set on the timer. Once light is detected, the fan immediately turns off and only starts once it is reactivated. The humidity sensor is inactive when light is present.
MAINTENANCE
Only perform maintenance on the fan when disconnected from the mains! Conduct maintenance at least once a year. After removing the fan clean the blades with a soft rag dampened with a mild solution of soap and water. Be careful not to wet down electrical parts of the fan, especially the motor. Wipe dry and then return the fan to its installed position.
TROUBLESHOOTING
| Malfunction | Potential cause | Remedy |
| The fan does not turn or otherwise respond to commands after being connected to power. | Power supply is not connected. | Call in an expert. |
| The device has an internal wiring problem. | ||
| Low airflow. | The ventilation system is plugged. | Clean the ventilation system. |
| Elevated noise or vibration. | The fan is not properly mounted or is incorrectly installed. | Remedy the installation error. |
| The ventilation system is plugged. | Clean the ventilation system. |
Distributor for the EU
DALAP GmbH
Töpfergasse 72
095 26 Olbernhau, DE
www.dalap.eu
[email protected]
WARRANTY CERTIFICATE
GARANTIE-ZERTIFIKAT
SERIAL Nr
| DALAP 100 ELIS | DALAP 100 ELIS Z | DALAP 100 ELIS ZW |
| DALAP 125 ELIS | DALAP 125 ELIS Z | DALAP 125 ELIS ZW |
| DALAP 150 ELIS | DALAP 150 ELIS Z | DALAP 150 ELIS ZW |
Seller’s Stamp
Date of Sale,
![]()
The selective collection of electronic and electrical equipment.
http://www.dalap.eu
The disposal of electronic and electrical products in unsorted municipal waste is forbidden.![]()

















