fujioh FR-LT2290V Cooker Hood

Warning
- This appliance is not intended for use by persons (including children) with reduced physical, sensory or mental capabilities, or lack of experience and knowledge, unless they have been given supervision or instruction concerning use of the appliance by a person responsible for their safety.
- Children shall not play with the appliance. Cleaning and user maintenance shall not be made by children without supervision. If the supply cord is damaged, it must be replaced by the manufacturer, its service agent or similarly qualified persons in order to
avoid a hazard. - There shall be adequate ventilation of the room when the cooker hood is used at the same time as appliances such as burning gas or other fuels.
Please do not use corrosive detergent for cleaning. The proper function of the unit is conditioned by the regularity of the maintenance. - To protect the main body from corrosive formed by the long time accumulation of dirt, the cooker hood should be cleaned with hot water with non-corrosive detergent in every two months. There is a fire risk if cleaning is not carried out in accordance with the instructions.
- Do not flame under the cooker hood.
- The air must not be discharged into a flue that is used for exhausting fumes from
appliances such as burning gas or other fuels. - The minimum distance between the top most part of the cooking appliance such as gas hob and the lowest part of the cooker hood, when it is located exactly over the cooking appliance, shall be at least 650mm. If greater distance is specified in the manual of the cooking appliance, it must be taken into account.
- Regulations concerning the discharge of air must be fulfilled.
Caution
- Accessible parts may become hot when used with cooking appliances.
- This hood is an external exhaust type cooker hood, and the gas the cooker hood machine should not be discharged into the hot flue gas used for the discharge of smoke produced through burning gas or other fuel.
- If the cooker hood is installed above the gas stove, the distance from the bottom of the body to the focal plane is at least 650mm, which should be considered if the installation instruc-tions of gas-fired stoves provide a larger installation distance.
- It is strictly forbidden to modify the product without authorization, and the power cord shall not be replaced or modified by itself.
- Please do not install the cooker hood machine on the wall of flammable material.
- Do not install the cooker hood machine on the top of the stove with solid fuel.
- When drilling holes in the wall, avoid electrical wires embedded in the wall to avoid electric shock hazard.
- A special power supply socket shall be used for the cooker hood machine, and the special power outlet should be reliably grounded (the product must use 10A, 220~V or above). The wall shall have sufficient supporting strength for the installation of the cooker hood machine. The hollow core of the wall shall be greater than 30mm, and the concrete
wall can be directly punched and installed. The product must be securely mounted on the wall. - The cooker hood may have very sharp edges. Please wear protective gloves when
you install or clean the cooker hood. - If your kitchen is under a state of decoration, do not use cooker hood exposed, for building materials, dust, paint, coatings and their volatile gas cooker hood surface causes corrosion and lose luster, please install cooker hood in after the decoration.
Safety warning
- The appliance is not intended for use by young children or infirm persons without supervisions.
- Young children should be supervised to ensure they do not play with the appliance.
- Plug the power cord to socket outlet with earthing continuity terminal.
- The cooker hood is for home use only, not suitable for barbecue, roast shop and other commercial purposes.
The cooker hood and its filter should be cleaned regularly according to the instruction. - Do not use open flame, or allow flame to go beneath the appliance.
- Please ensure that there is an adequate ventilation in the room while the cooker hood is in operation.
Please ensure that the power plug is disconnected from the socket or turn off the breaker before cleaning or maintaining the hood. - If the supply cord is damaged, it must be replaced by the manufacturer, service agent or similarly qualified person in order to avoid a hazard. The replaced power cord should be provided by manufacturer or seller.
- There is a fire risk if cleaning is not carried out in accordance to the instruction.
- In case of damaged connecting wire, please refer to the manufacturer, after-sale service personnel or other qualified technicians.
- Use the product according to the instructions to avoid any fire hazard.
- The exhaust air must not be introduced into a smoke flue or chimney that is used for exhausting fumes from appliances such as burning gas.
- Follow the local laws applicable for external air evacuation.
Product structure schematic

Packing list


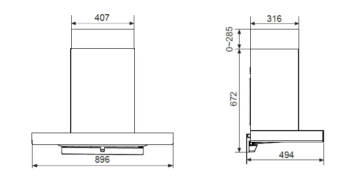
Outline dimension(unit: mm)

Control panel operation
- Touch buttons light status: Off, Half on, On, Flickering
- Long press :2~3 seconds
- Short preShort press:0.5 second

Precaution
- Please note that the power supply voltage and frequency should be consistent to the voltage and frequency required for the product.
- Please make sure that the oil tray has been properly installed.
- In the cooking process, please keep the kitchen environment well ventilated.
- During operation, if abnormal conditions (abnormal noise, odor, smoke, fever), hood body
gets heated) are observed, immediately turn off the power and unplug the power cord from the breaker. - Do not handle the power cord with wet hand.
- Do not pull the power cord to pull out the power cord plug.
- If you do not use the cooker hood for a long time, please unplug the power cord.
- When the cooker hood is working, do not place hands into the fan or operation area.
Daily maintenance
Surface cleaning
- Always clean the surface and screen of the cooker hood. Do not use harsh sponge or brush to avoid surface scratching of the product.
- When oil is visible from the oil tray window, please timely maintain the oil tray to avoid oil dripping.

- Remove the rectifier panel by referring to the disassembly method mentioned below. Then, clean the rectifier panel by soaking it in warm water with neutral detergent. Use a soft brush to clean the residue.
NOTE: Make sure to wear gloves during maintenance.
Guide for disassembly of rectifier panel
Remove the rectifier panel as indicated

- Hold the rectifier panel with both hands, and press the left and right sides to open the rectifier panel.
- After the rectifier panel is opened, hold the rectifier panel with both hands and remove it horizontally.
Specifications
| Rated voltage (v) | Speed | Power consumption (w) | Air flow (m³/h) | Sound (dB) |
| 220 | Boost | |||
| High | ||||
| Low | ||||
| 230 | Boost | |||
| High | ||||
| Low | ||||
| 240 | Boost | |||
| High | ||||
| Low |
LED light information
| Square / Dimension: | Max Power | Voltage | Picture | Lamp Cap |
| 120mm x 33.2mm | 1.5W | DC 12 V | ![]() | —— |
The installation guide
- To determine the location (unit: mm)
The range hood machine should be installed horizontally and above the cooker. The installation diagram is as follows.
Installation precautions
- After installation of the cooker hood, the left and right level should be maintained. Should avoid excessive windows and air convection in the vicinity of the cooker hood, otherwise it will affect the efficiency of the cooker hood.
- Exhaust pipe requirements.
- The exit of the exhaust pipe should not be too long.
- Installation of Hanging Bracket (unit: mm)
As shown in the picture on the right, drill 4 screw holes with 10mm diameter and 50 to 60mm depth, install 4 plastic expansion pipes inside the manhole with 4 M5×50 countersunk head wood screws to fix the hanging bracket and reliable.
- Installation of Exhaust Outlet
Install the exhaust outlet components together with the exhaust outlet sealing gasket in the position of the rack outlet, tighten with 4 ST4.2 x 16 screws , check and make sure that the blade is rotating flexibly.
- Installation of the machine
Align the hole in the rear of the body to the hanger of the hanging bracket, and hang it from the top down. After hanging the cooker hood, confirm the installation level of the machine.Hold the limit block against the machine and and fix the limit block reliably with ST5 x 45 screw to prevent the machine from falling off accidentally.
- The installation of flexible tube duct
Set one side of flexible tube duct in the exhaust outlet with 2 ST2.9×9.5 as shown, and wrap the aluminum foil tape around the installation joint of the exhaust outlet and the flexible tube duct. Then connect the other side of the flexible tube duct to the outdoor or public flue.
If the flexible tube duct is too long, please adjust the long tube to the contraction state and fix it with adhesive tape to prevent the pipe from swinging during the working process.
- 6 Installation of Slide Duct Cover
According to the installation height and duct cover fixing bracket mounting holes, drill 2 holes in the wall with 10mm diameter and 50 to 60mm depth, the plastic expansion pipe pressure inside the hole, provided with 2 M5 x50 cross – groove countersunk head wood screw will cover duct cover fixing bracket reliable fixation. the slide duct cover to the corresponding height, and use the 2 ST4.2 x 9.5 screws on the duct cover fixing bracket.
- Installation rectifier panel
The hands hold the rectifier panel, rectifier panel rotation of a shaft insertion on the oil panel hook slot, turn up ,insert the rectifier panel buckle on the oil panel in the booth, fixed completely.
- Installation Oil Tray
Hold the bottom end of the oil tray with both hands and place the oil tray horizontally. Insert the oil tray into the holder and push the oil tray back to the oil tray stents.
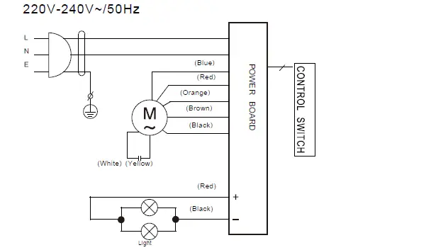
Electrical schematic diagram

Clean and maintain
Before cleaning the condenser plate and screen, always make sure to cut off the power and unplug the power.
- It is recommended to maintain regularly. It is recommended to use dry cloth after cooking or to wipe the inner and outer surface of the hood with a wet and clean cloth soaked with neutral detergent. Do not use gasoline, acid, benzene, this solvent or any other hemical to clean the cooker hood.
- When the oil tray window in the oil tray is filled with oil, please clean it in time. The oil tray disassembly procedure is as follows: hold the lower part of the oil tray with both hands, and remove the oil tray horizontally; After cleaning, install the oil tray in reverse order.(the oil tray is longer, please hold it firmly when the oil tray is removed so as not to spill the oil.)

Troubleshooting
| Fault | Solution |
| Both light and motor do not work | Unplug power plug and reconnect the power supply. |
| Oil leakage | Oil Tray installed incorrectly, please reinstall. |
| Oil Tray filled with oil, clean the oil cup. | |
| Oil path blockage caused due to long time nonattendance of internal oil path, get professional to clean the hood internal. | |
| Insufficient suction | Avoid opening windows or doors frequently. |
| Adjust to max. speed. |
After service
Non- artificial breakdown of the product within warranty period from the purchase date will be offered free repair service based on invoice. Damage due to improper use, out of warranty and poor maintenance will be repaired by our company but charging certain maintenance cost. Please do not tear off the product bar code so that the repairman can verify the record. Please read the warranty notice concerning other terms and conditions. In addition, instructions are also available in an alternative format on official website of the manufacturer.
Warranty notice
First, to safeguard your interests, please fill out the installation service card carefully and retain the receipt for warranty.
Second, the product purchased from our company that has broken-down due to quality problem can be repaired at designated special service department based on valid purchase proof. Free repair is offered within warranty period (from the date of purchase proof issued).
Third, for the following situations, we are not responsible for
“Free Guarantees” repair service but still provide charging service:
- The product damaged due to improper use or poor safekeeping.
- The product damaged due to improper installation or maintenance.
- The product without valid purchase proof.
- The product’s purchase proof has been altered.
- The product model and body code registered on installation service card is inconsistent with the model and body code of the product to be repaired.
- The product damaged due to the instability of power voltage or exceeding normal voltage scope (198-242) V.a.c, or power circuit installation not meeting the national electrical installation requirement.
- The product sold at discounted price or with “OFF-Grade” and “Substandard Goods” printed on installation service card or the body.
- Product damaged due to irresistible natural disaster.
- Product warranty period is expired.
- The product damaged by the unsuitable and improper method specified in instruction book.
Fourth, if your reasonable service demand can’t be solved by special service department or dissatisfaction with their service, please make an immediate call or write a letter to our customer service center, we will provide you with our service.
Disposal
Please dispose it at your local community waste collection / recycling center and ensure that it presents no danger to children while being stored for disposal. The plug must be rendered useless and the cable cut off to prevent misuse.
The manufacturer shall decline all responsibility if the foregoing recommendations and instruction regarding installation, maintenance and use are not observed and respected when using the cooker hood.
Website
www.fujioh.com/my
FUJIOH MARKETING MALAYSIA SDN. BHD.
23, Jalan Serendah 26/39, Section 26, 40400 Shah Alam, Selangor, Malaysia
Telephone: +603- 5103-6826
E-mail:[email protected]
Rev1 2022




























