RYOBI RBS904 350W Band Saw with Work Light

It is essential that you read the instructions in this manual before assembling, operating and maintaining the product.
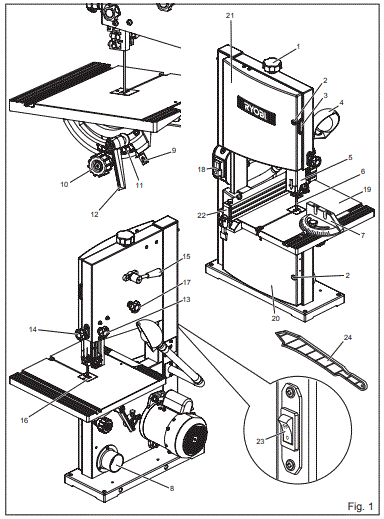
Description
- Blade tension knob
- Cover locking screw
- Tracking view window
- Work light
- Blade guard
- Saw blade
- Mitre gauge
- Dust exhaust port
- Scale indicator
- Angle adjustment knob
- Scale
- Table lock lever
- Lock knob
- Blade guide adjustment knob
- Blade tension lever
- Throat plate
- Tracking knob
- ON/OFF switch
- Saw table
- Front-lower panel
- Front-upper panel
- Rip fence
- Work light switch
- Push stick
- Phillips screwdriver (not included)
- Adjustable wrench (not included)
- Small combination square (not included)
- Hex key, 3 mm
- Hex key, 4 mm
- Hex key, 5 mm
- Washer
- Cap nuts
- Washers
- Feet
- Lock bolts
- Hex nuts
- Support extension
- Holes in the saw base
- D-nut
- Wing screw
- Saw table bracket
- Blade guide assembly
- Adjusting bolt
- To decrease tension
- To increase tension
- Lock knob
- Mitre gauge slot
- Phillips screws
- Upper wheel
- Lower blade guides
- Lower wheel
- Unlock
- Lock
- Thrust bearing
- Thrust bearing screw
- Blade guide support screw
- Upper blade guide support
- Blade guide
- Blade guide set screw
- Blade guide screw
- Lower blade guide support
- Brush
- Washer
- Screw
- Tire
Safety, performance, and dependability have been given top priority in the design of your band saw.
INTENDED USE
- The band saw is intended for straight line cutting, scroll cutting and circle cutting of wood and wood-made products.
- The product is intended to be used only by adult operators who have read the instruction manual and understand the risks and hazards.
- The product is to be used in dry conditions, with excellent ambient lighting and adequate ventilation.
- The product is intended for consumer use and should only be used as described above and is not intended for any other purpose.
GENERAL SAFETY WARNINGS
- When using electric tools, basic safety precautions should always be followed to reduce the risk of fire, electric shock and personal injury. Read all these instructions before attempting to operate this product and save these instructions.
- Keep work area clear. Cluttered areas and benches invite injuries.
- Consider work area environment. Do not expose tools to rain. Do not use tools in damp or wet locations. Keep work area well lit. Do not use tools in the presence of flammable liquids or gases.
- Guard against electric shock. Avoid body contact with earthed or grounded surfaces (e.g., pipes, radiators, ranges, refrigerators).
- Keep other persons away. Do not let persons, especially children, be involved in the work, touch the tool or the extension cord, and keep them away from the work area.
- Store idle tools. When not in use, tools should be stored in a dry locked-up place, out of reach of children.
- Do not force the tool. It will do the job better and safer at the rate for which it was intended.
- Use the right tool. Do not force small tools to do the job of a heavy duty tool. Do not use tools for purposes not intended, for example, do not use circular saws to cut tree limbs or logs.
- Dress properly. Do not wear loose clothing or jewellery, they can be caught in moving parts. Non-skid footwear is recommended when working outdoors.
- Wear protective hair covering to contain long hair.
- Use protective equipment. Use safety glasses. Use face or dust mask if working operations create dust.
- Connect dust extraction equipment. If the tool is provided for the connection of dust extraction and collecting equipment, ensure these are connected and properly used.
- Do not abuse the cord. Never yank the cord to disconnect it from the socket. Keep the cord away from heat, oil and sharp edges.
- Secure work. Where possible, use clamps or a vice to hold the work. It is safer than using your hand.
- Do not overreach. Keep proper footing and balance at all times.
- Maintain tools with care. Keep cutting tools sharp and clean for better and safer performance. Follow instruction for lubricating and changing accessories. Inspect tool cords periodically and if damaged, have them repaired by an authorized service facility. Inspect extension cords periodically and replace if damaged. Keep handles dry, clean and free from oil and grease.
- Disconnect tools. When not in use, before servicing and when changing accessories such as blades, bits and cutters, disconnect tools from the power supply.
- Remove adjusting keys and wrenches. Form the habit of checking to see that keys and adjusting wrenches are removed from the tool before turning it on.
- Avoid unintentional starting. Ensure switch is in “off” position when plugging in.
- Use outdoor extension leads. When the tool is used outdoors, use only extension cords intended for outdoor use and so marked.
- Stay alert. Watch what you are doing, use common sense and do not operate the tool when you are tired.
- Check damaged parts. Before further use of tool, it should be carefully checked to determine that it will operate properly and perform its intended function. Check for alignment of moving parts, binding of moving parts, breakage of parts, mounting and any other conditions that may affect its operation. A guard or other part that is damaged should be properly repaired or replaced by an authorized service centre unless otherwise indicated in this instruction manual. Have defective switches replaced by an authorized service centre. Do not use the tool if the switch does not turn it on and off.
- Warning. The use of any accessory or attachment other than the one recommended in this instruction manual may present a risk of personal injury.
- Have your tool repaired by a qualified person. This electric tool complies with the relevant safety rules. Repairs should only be carried out by qualified persons using original spare parts otherwise this may result in considerable danger to the user.
- Wear gloves when handling the saw band and rough material.
- Use a push stick when straight cutting small work pieces using the fence.
- Transport the product with the band guard fully down and close to the table.
- Place the fence on the lower side of the table when bevel-cutting with the table inclined.
- Use a suitable holding device when cutting round or irregular shaped timber to prevent twisting of the work piece.
- Do not use guards for handling or transportation
- Adjust the adjustable guard as close to the work piece as practicable.
- Never touch blade or other moving parts during use.
- Before changing the setup and removing covers, guards or blades, unplug the saw from the power source.
- Hold the workpiece firmly against the saw table.
- To avoid accidental blade contact, minimize blade breakage, and provide maximum blade support, always adjust the blade guide assembly to just clear the workpiece.
- Keep blades clean, sharp, and with sufficient set. Sharp blades minimize stalling and kickbacks.
- Always turn off saw before disconnecting it to avoid accidental starting when reconnecting to a power source.
- Make sure work area has ample lighting to see the work and that no obstructions will interfere with safe operation before performing any work using your saw.
- The blade guides have been preset at the factory. These settings are functional for some applications. We recommend that you check and adjust blade guide settings before first use of your saw. Refer to Adjusting thrust bearings and blade guide support procedures explained in the Adjustments section of this operator’s manual.
- Do not use tool to cut metal.
- This tool should have the following markings:
- a) wear eye protection.
- b) keep fingers away from the blade.
- c) do not remove jammed or cutoff pieces until the blade has stopped.
- d) be sure blade is installed with teeth pointing down.
- e) maintain proper adjustment of the blade tension, blade guides, and thrust bearings.
- f) adjust the upper guide to just clear the workpiece.
- g) hold the workpiece firmly against the table when cutting.
- If the power supply cord is damaged, it must be replaced only by the manufacturer or by an authorised service centre to avoid risk.
- Save these instructions. Refer to them frequently and use them to instruct other users. If you loan someone this tool, loan them these instructions also.
ELECTRICAL
EXTENSION CORDS
- Use only 3-wire extension cords that have 3-prong grounding plugs and 3-pole receptacles that accept the product’s plug. When using a power tool at a considerable distance from the power source, use an extension cord heavy enough to carry the current that the product will draw. An undersized extension cord will cause a drop in line voltage, resulting in a loss of power and causing the motor to overheat.
- Before using an extension cord, inspect it for loose or exposed wires and cut or worn insulation.
WARNING
- Keep the extension cord clear of the working area. Position the cord so that it will not get caught on lumber, tools, or other obstructions while you are working with a power tool. Failure to do so can result in serious personal injury.
- Check extension cords before each use. If damaged replace immediately. Never use the product with a damaged cord since touching the damaged area could cause electrical shock resulting in serious injury.
ELECTRICAL CONNECTION
- This product is powered by a precision-built electric motor. It should be connected to a power supply that is 230-240 V, AC only (normal household current), 50 Hz. Do not operate this product on direct current (DC). A substantial voltage drop will cause a loss of power and the motor will overheat. If the product does not operate when plugged into an outlet, double check the power supply.
SPEED AND WIRING
- The no-load speed of this product is approximately 11 m/s. This speed is not constant and decreases under a load or with lower voltage. For voltage, the wiring in a shop is as important as the motor’s input power rating. A line intended only for lights cannot properly carry a power tool motor. Wire that is heavy enough for a short distance will be too light for a greater distance. A line that can support
- one power tool may not be able to support two or three products.
GROUNDING INSTRUCTIONS
- This product must be grounded. In the event of a malfunction or breakdown, grounding provides a path of least resistance for electric current to reduce the risk of electric shock. This product is equipped with an electric cord having an equipment-grounding conductor and a grounding plug. The plug must be plugged into a matching outlet that is properly installed and grounded in accordance with all local codes and ordinances.
- Do not modify the plug provided. If it will not fit the outlet, have the proper outlet installed by a qualified electrician. Repair or replace a damaged or worn cord immediately.
RESIDUAL RISKS
- Even when the product is used as prescribed, it is still impossible to completely eliminate certain residual risk factors. The following hazards may arise and the operator should pay special attention to avoid the following:
- kick-back of work pieces or parts of work pieces due to improper adjustment or handling damage to the respiratory system
- NOTE: Wear respiratory protection masks containing filters appropriate to the materials being worked. Ensure adequate workplace ventilation. Do not eat, drink or smoke in the work area.
damage to hearing if effective hearing protection is not worn.
SPECIFICATIONS
| product specifications | |
| Input voltage | 230-240 V, 50 Hz. |
| Power | 350 W |
| Motor type | Induction |
| No load speed | 11 m/sec |
| Blade width | 6.35 mm (1/4″) |
| Blade length | 1572 mm (62″) |
| Frame to blade capacity | 230 mm (9″) |
| Cutting thickness capacity | 80 mm (3-1/8″) |
| Table size | 305 mm x 305 mm (12″ x 12″) |
| Dust port | 53 mm (2-1/8″) |
| product specifications | |
| Input voltage | 230-240 V, 50 Hz. |
| Power | 350 W |
| Motor type | Induction |
| No load speed | 11 m/sec |
| Blade width | 6.35 mm (1/4″) |
| Blade length | 1572 mm (62″) |
| Frame-to-blade capacity | 230 mm (9″) |
| Cutting thickness capacity | 80 mm (3-1/8″) |
| Table size | 305 mm x 305 mm (12″ x 12″) |
| Dust port | 53 mm (2-1/8″) |
KNOW YOUR BAND SAW

- See Figure 1.
- The safe use of this product requires an understanding of the information on the tool and in this operator’s manual as well as a knowledge of the project you are attempting. Before use of this product, familiarize yourself with all operating features and safety rules.
TOOLS
ANGLE ADJUSTMENT KNOB
- Tilts the saw table for bevel cutting.
BLADE GUARD
- Protects the operator from coming in contact with the blade.
BLADE GUIDE ADJUSTMENT KNOB
- Use the blade guide adjustment knob to adjust the blade guide assembly up and down, and to keep the blade from twisting or breaking. Always lock the blade guide assembly in place before turning on the band saw.
BLADE GUIDES
- Upper and lower blade guides help keep the blade from twisting during operation.
DUST EXHAUST PORT
- A 53 mm (2-1/8″) dust exhaust port makes dustless cutting possible. Attach a dust bag (not included) or a shop vac to the dust exhaust port.
COVER LOCKING SCREW
- Allows front cover to be opened for making adjustments.
MITRE GAUGE
- This gauge aligns the wood for a crosscut. The easy-to-read indicator shows the exact angle for a mitre cut at 15°, 30°, 45° and 60°.
RAPIDSET™ BLADE TENSION LEVER
- Controls blade tension when changing blades and making adjustments for various sawing applications.
SAW BLADE
- Saw comes with a standard 6.35 mm (1/4”) blade.
SAW TABLE WITH THROAT PLATE
- Your band saw has a saw table with tilt control. The throat plate, installed in the saw table at the factory, allows for blade clearance.
SCALE AND SCALE INDICATOR
- The scale and scale indicator shows the angle or degree the saw table is tilted for bevel cutting.
TABLE LOCK LEVER
- Loosening the table lock lever allows the saw table to be tilted at different angles. Tightening the table lock lever locks the saw table in place.
TRACKING KNOB
- Adjusts tracking to keep the blade centered on the wheels.
TRACKING VIEW WINDOW
- The tracking view window makes tracking adjustments easier to see.
PUSH STICK
- Always use the push stick to feed the workpiece until it is clear of the table.
LOOSE PART LIST
| Description | Quantity |
| Washers | 7 |
| Table lock lever | 1 |
| Hex key, 3 mm | 1 |
| Hex key, 4 mm | 1 |
| Hex key, 5 mm | 1 |
| Mitre gauge | 1 |
| Acorn nuts | 4 |
| Feet | 4 |
| Saw table | 1 |
| Locking bolts | 2 |
| Hex nuts | 2 |
| Extension support | 1 |
| Rip fence | 1 |
| Push stick | 1 |
| Operator’s manual | 1 |
ASSEMBLY
UNPACKING
- This product requires assembly.
- Carefully lift the saw from the carton and place on a level work surface.
WARNING
- Do not use this product if any parts on the Loose Part List are already assembled to your product when you unpack it. Parts on this list are not assembled to the product by the manufacturer and require customer installation. Use of a product that may have been improperly assembled could result in serious personal injury.
- Inspect the tool carefully to make sure no breakage or damage occurred during shipping.
- NOTE: This saw has been shipped with no blade tension. Do not turn this saw on until blade tension has been properly set.
- Do not discard the packing material until you have carefully inspected and satisfactorily operated the tool.
- If any parts are damaged or missing, please call your service centre for assistance.
- If any parts are damaged or missing do not operate this product until the parts are replaced. Use of this product with damaged or missing parts could result in serious personal injury.
- Do not attempt to modify this tool or create accessories not recommended for use with this tool. Any such alteration or modification is misuse and could result in a hazardous condition leading to possible serious personal injury.
- Do not connect to power supply until assembly is complete. Failure to comply could result in accidental starting and possible serious personal injury.
MOUNTING BAND SAW TO WORKBENCH
- If the band saw is to be used in a permanent location, the band saw must be mounted to a firm supporting surface such as a workbench. Four bolt holes have been provided in the saw’s base for this purpose. Bolts (not included) should be of sufficient length to accommodate the saw base, lock washers (not included), hex nuts (not included), and the thickness of the workbench. Tighten all four bolts securely.
- Carefully check the workbench after mounting to make sure that no movement can occur during use. If any tipping, sliding, or walking is noted, secure the workbench to the floor before operating.
- Place band saw on the workbench. Using the saw base as a pattern, locate and mark the holes where the band saw is to be mounted.
- Drill holes through the workbench.
- Place band saw on the workbench aligning holes in the saw base with the holes drilled in the workbench.
- Insert bolts (not included) and tighten securely with lock washers and hex nuts (not included).
- NOTE: all bolts should be inserted from the top. Install the lock washers and hex nuts from the underside of the bench.
CLAMPING BAND SAW TO WORKBENCH
See Figure 4.

- If the band saw is to be used as a portable tool, it is recommended that you fasten it permanently to a mounting board that can easily be clamped to a workbench or other supporting surface. The mounting board should be of sufficient size to avoid tipping of saw while in use. Any good-grade plywood or chipboard with a 19 mm (3/4”) Thickness is recommended.
- If lag bolts are used, make sure they are long enough to go through holes in the saw base and material the saw is being mounted to. If machine bolts are being used, make sure bolts are long enough to go through holes in the saw base, the material being mounted to, and the lock washers and hex nuts.
- NOTE: it may be necessary to countersink hex nuts and washers on the bottom side of the mounting board.
- Mount saw to the board using holes in saw base as a template for hole pattern. Locate and mark the holes where the band saw is to be mounted.
- Follow the last three steps in the section Mounting Band Saw to Workbench, shown above.
MOUNTING THE SAW TABLE
See Figures 5,
- Remove the d-nut, washers, and wing screw on the saw table.
- Standing at the front of the band saw, slide the saw table past the blade and through the slot moving from the right side of the saw table to the left.
- Holding the saw table with your left hand while pulling the angle adjustment knob away from the saw frame, align the teeth on the saw table bracket into the teeth on the angle adjustment knob. Release the knob.
- Fit the pins on the frame into the slots of the saw table bracket.
- Insert the washer on the threaded end of the table lock lever. Tighten the saw table to the saw frame by turning the table lock lever clockwise.
- Attach the d-nut, washers, and wing screw to the saw table.
- NOTE: the wing screw goes below the saw table.
INSTALLING EXTENSION SUPPORT
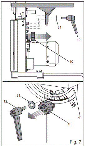
See Figure 6. 7.

- Insert the tubes of the extension support into the holes in the saw base from the rear.
- Align the holes on the tubes and those on the saw base.
- Insert locking bolts and tighten with washers and hex nuts.
SQUARING THE SAW TABLE TO THE BLADE
See Figures 8 – 9.

- Turn the lock knob counterclockwise to unlock the blade guide assembly. Turning the blade guide adjustment knob clockwise, raise the blade guide assembly as far as it will go. Turn the lock knob clockwise to retighten.
- Place a small combination square on the saw table beside the blade.
- Loosen the table lock lever and rotate the angle adjustment knob to tilt the saw table up or down to align the table 90° to the blade (0° position). Retighten the table lock lever.
- NOTE: always make a test cut to insure the squareness of the blade prior to beginning any new project. If not square, it may be necessary to loosen the screws under the saw table to make the adjustment (mitre slot must be parallel to the saw blade). Once square, retighten screws.
ADJUSTING BLADE TENSION
See Figures 10-11.

- Switch off the saw.
- Before using the band saw, turn the blade tension knob on the top of the saw clockwise to engage tension.
- Note: adjustments of blade tension can be made at anytime.
- Pluck the back straight edge of the saw blade like a guitar string while turning the tension knob.
- The sound becomes higher pitched as tension increases. Never increase blade tension so tight as to completely compress the spring. When completely compressed, the spring can no longer act as a shock absorber.
- Too much tension may cause the blade to break. Thicker workpieces require higher tension; maximum tension is not needed for all cuts. Too little tension may cause the blade to slip on the wheels.
TRACKING THE BLADE
See Figure 11.
- Adjust blade tension properly before making tracking adjustments. Check that blade guides do not interfere with the blade. Blade gullet (the deepest part of the blade tooth) should be in the centre of the tire.
To adjust:
- Disconnect from power. Open the front covers by unscrewing the cover locking screw. Watch the blade’s position on the upper tire as, by hand, you slowly turn the upper wheel clockwise.
- If the blade moves away from the centre of the tire, the tracking must be adjusted.
If the blade has moved left or right of center:
- Turn the blade tracking knob (clockwise if blade has moved left; counterclockwise if blade has moved right) while turning the wheel by hand until the blade moves back and rides in the centre of the tire.
- Check the position of the blade on the lower tire. The blade should be completely on the tire (gullet of the blade teeth in the centre). If not, adjust the tracking until the blade is on both tires.
- Rotate the upper wheel by hand in a clockwise direction for a few more turns. Make sure the blade stays in the same location on the tires. Readjust, if necessary, until blade is tracking properly.
- Close front covers and tighten cover locking screw.
- Switch on the saw.
- Verify saw blade is centred on the tire (through the tracking view window). If not centred, repeat above steps.
- The blade guides have been preset at the factory. These settings are functional for some applications. We recommend that you check and adjust blade guide settings before first use of your saw. Refer to Adjusting Blade Guide Support and Thrust Bearings procedures explained in the “Adjustment” section of this operator’s manual.
INSTALLING THE RIP FENCE
- Place the rip fence on the left side of the saw table, with the lock handle at the front.
- Push down the lock handle to lock the position of the rip fence.
- Turn the lock handle to adjust tightness of the clamps.
OPERATION
- Do not allow familiarity with the product to make you careless. Remember that a careless fraction of a second is sufficient to inflict serious injury.
- Always wear eye protection. Failure to do so could result in objects being thrown into your eyes, resulting in possible serious injury.
- Do not use any attachments or accessories not recommended by the manufacturer of this product. The use of attachments or accessories not recommended can result in serious personal injury.
- To avoid blade contact, adjust the blade guide assembly to just clear the workpiece. Failure to do so could result in serious personal injury.
- Never operate saw without the blade guard secured and the front covers locked. To do so could result in serious personal injury.
BASIC OPERATION OF THE BAND SAW
A band saw is basically a “curve cutting” machine that can also be used for straight-line cutting operations like cross cutting, mitring, beveling, compound cutting, and resawing. When using the band saw for straight line cutting, the user can install a fence using an appropriately sized piece of wood clamped to the table with “C” clamps. It is not capable of making inside or non-through cuts.
Before starting a cut, watch the saw run. If you experience excessive vibration or unusual noise, stop immediately. Turn the saw off and unplug the saw. Do not restart until locating and correcting the problem.
CUTTING PROCEDURES
- Hold the workpiece firmly against the saw table.
- Use gentle pressure and both hands when feeding the work into the blade. Do not force the work; allow the blade to cut.
- The smallest diameter circle that can be cut is determined by blade width. A 6.35 mm (1/4”) wide blade will cut a minimum diameter of 38 mm (1-1/2”).
- Keep your hands away from the blade. Do not hand hold pieces so small your fingers will go under the blade guard.
- Avoid awkward operations and hand positions where a sudden slip could cause serious injury from contact with the blade. Never place hands in blade path.
- Use extra supports (tables, saw horses, blocks, etc.) when cutting large, small, or awkward workpieces.
- Never use a person as a substitute for a table extension or as additional support for a workpiece that is longer or wider than the basic saw table.
- When cutting irregularly shaped workpieces, plan your work so it will not pinch the blade. For example, a piece of molding must lay flat on the saw table. Workpieces must not twist, rock, or slip while being cut.
- When backing up the workpiece, the blade may bind in the kerf (cut). This is usually caused by sawdust clogging the kerf or when the blade comes out of the guides. If this happens:
- Switch off the saw. Wait until the saw has come to a full and complete stop. Unplug the saw from the power source.
- Wedge the kerf open with a flat screwdriver or wooden wedge.
- Open front cover and turn the upper wheel by hand while backing up the workpiece.
RELIEF CUTS
- Relief cuts are made when an intricate curve (too small a radius for the blade) is to be cut. Cut through a scrap section of the workpiece to curve in pattern line then carefully back the blade out. Several relief cuts should be made for intricate curves before following the pattern line as sections are cut off of curve “relieving” blade pressure.
SCROLL CUTTING
- For general type scroll cutting, follow the pattern lines by pushing and turning the workpiece at the same time. Do not try to turn the workpiece while engaged in the blade without pushing it – the workpiece could bind or twist the blade.
REMOVING JAMMED MATERIAL
- Never remove jammed cutoff pieces until the blade has come to a full and complete stop.
- Switch off the saw. Wait until the saw has come to a full and complete stop.
- Unplug the saw from the power source before removing jammed material.
AVOIDING INJURY
- Make sure saw is level and does not rock. Saw should always be on a firm, level surface with plenty of room for handling and properly supporting the workpiece. Bolt saw to the support surface to prevent slipping, walking, or sliding during operations like cutting long, heavy boards.
- Switch off the saw and unplug cord from the power source before moving the saw.
- Do not remove jammed cutoff pieces until blade has come to a full and complete stop.
- Choose the right size and style blade for the material and type of cut you plan to do.
- Make sure that the blade teeth point down toward the saw table, that the blade guides, thrust bearings, and blade tension are properly adjusted, that the blade guide knob is tight, and that no parts have excessive play.
- To avoid accidental blade contact, minimize blade breakage, and provide maximum blade support, always adjust the blade guide assembly to just clear the workpiece.
- Use only recommended accessories.
- With the exception of the workpiece and related support devices, clear everything off the saw table before turning the saw on.
- Properly support round materials such as dowel rods or tubing because they have a tendency to roll during a cut causing the blade to “bite”. To avoid this, always use a “V” block or clamp workpiece to a mitre gauge.
- Before removing loose pieces from the saw table, switch off the saw and wait for all moving parts to stop.
SWITCHING ON/OFF THE PRODUCT
See Figure 12.
- Press I to switch on the product.
- Press O to switch off the product.
BEFORE LEAVING THE SAW See Figure 12.
- Switch off the saw. Wait until the saw has come to a full and complete stop.
- Unplug the saw from the power source.
- Make workshop childproof.
- Release the tension from the saw blade using the Rapidset™ blade tension lever to prolong the life of the blade.
- Lock the shop.
SWITCHING ON/OFF THE WORK LIGHT
See Figure 13.
- Press to switch on the work light.
- Press O to switch off the work light.
TILTING THE TABLE
See Figure 14.
- Loosen the table lock knob slightly.
- Turn the angle adjustment knob, tilting the saw table until it reaches the desired angle.
- Using the scale indicator, check angle markings.
- Retighten the table lock knob to hold saw table securely in place.
USING THE Mitre GAUGE
See Figures 15 – 16.

- The miter gauge can be set to 60° maximum to the right or left.
- Loosen the lock knob on the miter gauge.
- With the miter gauge in the miter gauge slot, rotate the gauge until the desired angle is reached on the index scale.
- Retighten the lock knob.
Using the rip fence
- The rip fence is used for all ripping operations. Never rip freehand without the fence in place and securely locked.
- Position the fence to the desired width of the rip and lock it in place.
- Before starting to rip, be sure the rip fence is parallel to the saw blade. When ripping long boards or large panels, always use work support.
- Hold the piece against the fence and feed it through the saw blade with smooth, steady pressure.
ADJUSTMENTS
- Before performing any adjustment, make sure the tool is unplugged from the power supply and the switch is in the off position. Failure to heed this warning could result in serious personal injury.
- To avoid personal injury, maintain proper adjustment of blade tension, blade tracking, blade guides, and thrust bearings.
INSTALLING AND ADJUSTING THE BLADE
See Figure 17.
- Loosen and remove the wing screw, washers, and D- nut from the saw table.
- Open the front covers by unscrewing the cover locking screw.
- Turn the lock knob counterclockwise to unlock the blade guide assembly. Turning the blade guide knob (clockwise raises the blade guide assembly; counterclockwise lowers it), position the blade guide assembly about halfway between the saw table and saw housing. Retighten the lock knob.
- Open the blade guard by pulling the left side of the guard out and away from the wheel.
- Release all blade tension from the blade.
- Carefully remove the old blade.
- Wearing gloves, carefully uncoil the new blade at arms length. If the new blade was oiled to prevent rusting, it may need to be wiped to keep the oil from your workpiece. Carefully wipe in the same direction the teeth are pointing so the rag does not catch on the teeth of the saw blade.
- NOTE: The blade may need to be turned inside out if the teeth are pointing in the wrong direction. Hold the blade with both hands and rotate it inward.
- With the teeth of the blade toward the left of the saw and facing downward, place the blade through the lower blade guides and around both wheels.
- Slowly turn the upper wheel to the right or clockwise by hand to centre the blade on the rubber tires.
- Re-engage the RapidSet™ blade tension lever then adjust the blade tension; check or adjust the blade tracking.
- Adjust both upper and lower blade guides and thrust bearings as explained later in this Operator’s Manual.
- Reattach the wing screw, washers, and D-nut. Tighten securely.
- Close the blade guard and front cover. Tighten the cover locking screw.
ADJUSTING BLADE GUIDE ASSEMBLY
See Figures 18 – 19.

- To prevent the blade from twisting or breaking, the blade guide assembly should always be set approximately 3.2 mm (1/8”) above the workpiece.
- Turn the lock knob counterclockwise to unlock the blade guide assembly.
- As a guide, use a scrap piece of the same wood you are about to cut to set the height of the blade guide assembly. Adjust the blade guide assembly by turning the blade guide knob.
- Lock blade guide assembly in place by turning the lock knob clockwise.
- Always lock the blade guide assembly in place before turning on the band saw.
ADJUSTING BLADE GUIDE SUPPORT AND THRUST BEARINGS
See Figures 20 – 21.

- NOTE: Tighten the lock knob and refer to Adjusting Blade Tension and Tracking the Blade procedures explained in the ASSEMBLY section of this operator’s manual prior to making adjustments.
- The upper and lower blade thrust bearings support and bearing guides the saw blade during cutting operations. The adjustment of the bearings and guides should be checked whenever a different blade is installed.
- To adjust thrust bearings:
- The thrust bearings support the back edge of the blade during cutting. The blade should not contact the thrust bearings when you stop cutting. It is important that both upper and lower thrust bearings be adjusted equally.
- Open the front covers and blade guard.
- Using a hex key, loosen the upper and lower thrust bearing screws and push thrust bearings to the back of the saw.
- Verify that saw blade is tracking correctly, then slide the thrust bearing forward until the bearing is within 0.4 mm (1/64”) of the blade. Tighten the thrust bearing screw securely.
- Slide lower bearing forward until it has proper clearance. Tighten the thrust bearing screw securely.
To adjust blade guide support:
- Loosen the blade guide support and blade guide set screws using hex keys.
- Slide the upper blade guide support on the shaft until the front edge of the guides contact the saw blade behind the gullet. Tighten the screw securely.
- Push the right guide to contact the blade and release. Slowly rotate wheel one full rotation. Tighten blade guide set screws.
- Adjust left side guide to allow 0.4 mm (1/64”) clearance between the blade and guide (about the thickness of a playing card) by inserting a playing card between left guide and blade.
- Apply pressure to left guide pin to hold the playing card in place. Tighten set screw and remove the playing card.
- Rotate, by hand, a full three rotations to make sure blade will not bind.
- Close the blade guard and front cover. Lock with screw.
- Repeat this procedure for the lower blade guide support.
ADJUSTING THE RIP FENCE
- Loosen the lock handle by turning it counterclockwise.
- Move the rip fence to the desired position.
- Push down the lock handle to lock the position of the rip fence.
- Turn the lock handle to adjust tightness of the clamps.
MAINTENANCE
- When servicing, use only identical replacement parts. Use of any other parts can create a hazard or cause product damage.
- Always wear eye protection during product operation. If operation is dusty, also wear a dust mask.
- Before performing any maintenance, make sure the tool is unplugged from the power supply and the switch is in the off position. Failure to heed this warning could result in serious personal injury.
GENERAL MAINTENANCE
- Avoid using solvents when cleaning plastic parts. Most plastics are susceptible to damage from various types of commercial solvents and may be damaged by their use. Use clean cloths to remove dirt, dust, oil, grease, etc.
- Do not at any time let brake fluids, gasoline, petroleum-based products, penetrating oils, etc., come in contact with plastic parts. Chemicals can damage, weaken or destroy plastic which may result in serious personal injury.
- Keep your band saw clean.
- Remove sawdust from the inside frequently.
- Do not allow pitch to accumulate on the saw table, blade guides, or thrust bearings. Clean them with gum and pitch remover.
- Apply a thin coat of automobile type wax to the saw table’s top so the wood slides easily while cutting.
Lubrication
- All of the bearings in this tool are lubricated with a sufficient amount of high grade lubricant for the life of the unit under normal operating conditions. Therefore, no further lubrication is required.
TIRES Cleaning tires:
- Pitch and sawdust accumulates on tires and needs to be removed with a fine wire brush or a piece of wood. Do not use a sharp knife or any kind of solvent.
Replacing tires:
- Open front cover and remove saw blade. See section on Installing and Adjusting the Blade.
- Pry the worn tire away from the wheel carefully.
- Stretch the new tire around the wheel.
- Replace the saw blade and close the front cover.
BRUSH
See Figure 22.
- There is a brush located inside the saw housing next to the wheel. It helps protect the tire and wheel by brushing off saw dust. As the brush becomes worn, it will need to be adjusted or replaced.
- Remove the screw and washer then pull the brush off.
- Place the new brush in the groove.
- Reinstall using the washer and screw.
TRANSPORTATION AND STORAGE
See Figures 23 – 24.

- When transporting the product, disconnect the power cord, lower the blade guard and unmount the product. Store the push stick on the side of upper housing. Lift the product by the upper housing as shown. Store the product in a secure place which is not accessible to children.
- Clean the product using a brush and vacuum cleaner before storage.
ENVIRONMENTAL PROTECTION
- Recycle raw materials instead of disposing of as waste. The machine, accessories and packaging should be sorted for environmental-friendly recycling.
SYMBOL
![]()
- Safety alert
- CE conformity
- Please read the instructions carefully before starting the product.
- Wear eye protection.
- Wear ear protection.
![]()
- Danger! Sharp blade.
- Lock
- Unlock
- Maximum cutting depth
- Maximum cutting width
- Maximum cutting angle
- Operating speed
- Blade size
- The tool shall be disconnected from the supply before maintenance.
- Waste electrical products should not be disposed of with household waste.
- Please recycle where facilities exist. Check with your Local Authority or retailer for recycling advice.
TROUBLE SHOOTING
| proBlEM | causE | solution |
| Motor will not run. | 1. Problem with ON/OFF switch or power cord. 2. Motor defective.
3. Blade is binding. | 1. Have worn parts replaced before using the product again. 2. Do not attempt any repair. Have tool repaired by a qualified service technician. 3. Remove jammed material. |
| Blade does not run in the approximate centre of the upper wheel. | 1. Not tracking properly. | 1. Adjust tracking, See ADJUSTMENTS section, “Tracking the Blade”. 2. Have tool repaired by a qualified service technician. |
| Band saw slows down when cutting. | 1. Cutting too small a radius.
2. Dull blade. | 1. Stop feeding and back up the cutting material slightly until the band saw speeds up. 2. Replace blade. |
| Blade breaking. | 1. Too much blade tension.
2. Kink in blade caused by cutting too small radius or turning the material too fast when cutting. 3. Thrust bearings scarred or not rotating. | 1. Adjust tension. See ADJUSTMENTS section, “Adjusting Blade Tension”. 2. Use correct cutting technique. See Operation section.
3. Replace the thrust bearings. |
| Saw is noisy when running. | 1. Too much blade tension.
2. Blade guides and bearings are in contact with the blade. | 1. Adjust tension. See ADJUSTMENTS section, “Adjusting Blade Tension”. 2. Adjust upper and lower blade guides and bearings. See ADJUSTMENTS sections, “Adjusting Thrust Bearings and Blade Guide Support”. |
| Blade will not cut straight. | 1. Blade guides and bearings not properly adjusted.
2. Worn or defective blade. | 1. Adjust upper and lower blade guides and bearings. See ADJUSTMENTS sections, “Adjusting Thrust Bearings and Blade Guide Support”. 2. Replace blade. |
| Blade guides will not stay in position. | 1. Blade guide screws have loosened. | 1. Tighten blade guide screws securely. |
| Motor runs but blade does not turn | 1. Tension not set properly.
2. Drive belt broken. | 1. Use blade tension lever to set tension. 2. Have tool repaired by a qualified service technician. |
| Product specifications | |
| Band saw | |
| Model | RBS904 |
| Input voltage | 230-240 V, 50 Hz. |
| Power | 350 W |
| Motor Type | |
| Induction | |
| No load speed (m/sec) | 11 |
| Blade width | 6,35 mm |
| Blade length | 1572 mm |
| Frame to blade capacity | 230 mm |
| Cutting thickness capacity | 80 mm |
| Table size | 305 mm x 305 mm |
| Dust port | 53 mm |
| Work-light power | 15 W, 230 V |
| Net weight | 19,6 kg |
| Measured values determined according to EN61029 A-weighted sound pressure level | Lp = 84,0 dB(A) 3 dB |
| Uncertainty K | |
| Measured values determined according to EN61029 A-weighted sound power level | LW = 89,5 dB(A) |
| Uncertainty K | 3 dB |
| Replacement parts | |
| Band saw blade 6TPI | 5132003123 |
| Band saw blade 14TPI | 5132003114 |
RYOBI® WARRANTY APPLICATION CONDITIONS
In addition to any statutory rights resulting from the purchase, this product is covered by a warranty as stated below.
- The warranty period is 24 months for consumers and commences on the date when the product was purchased. This date has to be documented by an invoice or other proof of purchase. The product is designed and dedicated to consumer and private use only. So there is no warranty provided in case of professional or commercial use.
- There is a possibility to extend for a part of the range of power tools (AC/DC) the warranty period over the period described above using the registration on the www.ryobitools.eu website. The eligibility of the tools for extension of the warranty period is clearly displayed in stores and / or on packaging / and contained within the product documentation. The end user needs to register his/her newly-acquired tools online within 30 days from the date of purchase. The end user may register for the extended warranty in his country of residence if listed on the online registration form where this option is valid. Furthermore, end users must give their consent to the storage of the data that are required to be entered online, and they have to accept the terms and conditions. The registration confirmation receipt, which is sent out by e-mail, and the original invoice showing the date of purchase will serve as proof of the extended warranty.
- The warranty covers all defects of the product during the warranty period due to defaults in workmanship or material at the purchase date. The warranty is limited to repair and/or replacement and does not include any other obligations including but not limited to incidental or consequential damages. The warranty is not valid if the product has been misused, used contrary to the instruction manual, or being incorrectly connected.
- This warranty does not apply to:
- any damage to the product that is the result of improper maintenance
- any product that has been altered or modified
- any product where original identification (trade mark, serial number) markings have been defaced, altered or removed
- any damage caused by non-observance of the instruction manual
- any non CE product
- any product that has been attempted to be repaired by a non-qualified professional or without prior authorization by Techtronic Industries
- any product connected to improper power supply (amps, voltage, frequency)
- any product used with inappropriate fuel mixture (fuel, oil, percentage of oil)
any damage caused by external influences (chemical, physical, shocks) or foreign substances - normal wear and tear spare parts
- inappropriate use, overloading of the tool
- use of non-approved accessories or parts
- Power tool accessories provided with the tool or purchased separately.
- Such exclusions including but not limited to screw driver bits, drill bits, abrasive discs, sand paper and blades, lateral guide
- Components (parts and accessories) subject to natural wear and tear, including but not limited to Service & Maintenance Kits, carbon brushes, bearings, chuck, SDS drill bit attachment or reception, power cord, auxiliary handle, transport carry case, sanding plate, dust bag, dust exhaust tube, felt washers, impact wrench pins & springs, etc.
- For servicing, the product must be sent or presented to a RYOBI authorized service station listed for each country in the following list of service station addresses. In some countries your local RYOBI dealer undertakes to send the product to the RYOBI service organisation. When sending a product to a RYOBI service station, the product should be safely packed without any dangerous contents such as petrol, marked with sender’s address and accompanied by a short description of the fault.
- A repair / replacement under this warranty is free of charge. It does not constitute an extension or a new start of the warranty period. Exchanged parts or tools become our property. In some countries delivery charges or postage will have to be paid by the sender. Your statutory rights arising from the purchase of the tool remain unaffected
- This warranty is valid in the European Community, Switzerland, Iceland,
- Norway, Liechtenstein, Turkey and Russia. Outside these areas, please contact your authorized RYOBI dealer to determine if another warranty applies.
AUTHORISED SERVICE CENTRE
- To find an authorised service centre near you, visit http://uk.ryobitools.eu/header/service-and-support/service-agents.
EC declaration of conformity
- Techtronic Industries GmbH
- Max-Eyth-Straße 10,
- 71364 Winnenden, Germany

















