REW 2000 A Radiant Panel
Instruction Manual
REW 500 A 1000 A 1500 A 2000 A
Read this manual carefully before running this appliance and save it for reference in order to obtain the best results and ensure safe use.
Dear customer:
We congratulate you for having chosen our product.
Please read the following information carefully before using the appliance for the first time for your own safety and to ensure correct use.
Read the Safety information and safe positioning also carefully before using the heater to avoid any risk of fire or lives.
SAFETY INSTRUCTIONS
Read the operating instructions carefully before putting the appliance into operation and keep the instructions including the warranty, the receipt, and, if possible, the box with the internal packing. If you give this device to other people, please also pass on the operating instructions.
GENERAL SAFETY INSTRUCTIONS:
- This appliance can be used by children aged 8 years and above and persons with reduced physical, sensory or mental capabilities or lack of experience and knowledge if they have been given supervision or instruction concerning the use of the appliance in a safe way and understand the hazards involved. Children must never play with the appliance. Cleaning and user maintenance must never be carried out by children without supervision.
- Children should be supervised to ensure that they do not play with the appliance.
- WARNING: In order to ensure your children‘s safety, please keep all packaging (plastic bags, boxes, polystyrene etc.) out of their reach.
- If the supply cord is damaged it must be repaired by the Authorized Service Agent in order to avoid hazards.
- Never pull on the cord when unplugging.
- Do not use the unit with a damaged cord or plug, or if it is not working properly.
- Do not handle the appliance with wet hands.
- Never immerse the appliance in water or any other liquid.
- Make sure the appliance has been unplugged before cleaning.
- This appliance must be installed following the national regulations for electrical installations.
- This appliance is for household use only.
- In case you need a copy of the instruction manual, you can find it in www.orbegozo.com.
- WARNING: In case of misuse, there is a risk of possible injury.
IMPORTANT SAFETY INSTRUCTIONS:
- The meaning of the figure
in marking is “DO NOT COVER”. WARNING: In order to avoid overheating, do not cover the heater. - Children of less than 3 years should be kept away unless continuously supervised.
- Children aged from 3 years and less than 8 years shall only switch on/off the appliance provided that it has been placed or installed in its intended normal operating position and they have been given supervision or instruction concerning the use of the appliance in a safe way and understand the hazards involved. Children aged from 3 years and less than 8 years shall not plug in, regulate and clean the appliance or perform user maintenance.
- CAUTION: Some parts of this product can become very hot and cause burns. Particular attention has to be given where children and vulnerable people are present.
- The device should not be placed immediately below a socket base.
- Do not place a heater in use near curtains, furniture, wood paneling, or combustible material which can deteriorate with heat.
- Do not use this heater in the immediate vicinity of a bath, shower, or pool.
- Do not use this heater with a programmer, timer, or any other device that switches the heater on automatically, since a fire risk exists if the heater is covered or positioned incorrectly.
- Do not use the appliance in flammable atmospheres (e.g. in the vicinity of combustible gases or sprays cans)! Explosion and fire hazard!
- Do not use the heater in rooms with explosive gas (e. g. petrol) or while using inflammable glue or solvent (e. g. when gluing or varnishing parquet floors, PVC, etc.) Do not allow aerosols, inflammable substances, or materials sensitive to heat to be in the flow of hot air.
- Do not use the heater in areas or rooms which are a risk of fire, such as garages, stables, wooden sheds,s, etc.
- The unit must be mounted such that the control elements cannot be touched by persons who are in the bath, shower, or any other water-filled receptacle.
- Always unplug the heater after use.
- Important! Do not insert any foreign objects into the appliance openings! Risk of injury (electric shock) and damage to the appliance!
- Keep the main cord at a safe distance from the air inlet and outlet grilles.
WIFI CONTROL:
The REW series of Orbegozo can be controlled via Wi-Fi through our ORBEGOZO APP, available for download on Google Play and the App Store. You can control your device remotely very easily and intuitively. For more information, refer to the application manual, also included with the device.

To review all the features of this and any other Orbegozo device, as well as to access an explanatory video about the configuration of the radiator with our APP, go to www.orbegozo.com and search for your model or scan the following QR code:
TEHNICAL DATA AND DIMENSIONS:

| Model | REW 500 A | REW 1000 A | REW 1500 A | REW 2000 |
| Voltage | 230V- | 230V- | 230V- | 230V- |
| Frequency | 50Hz | 50Hz | 50Hz | 50Hz |
| Power | 400W | 1000W | 1500W | 2000W |
| L (mm) | 540 | 790 | 915 | 1040 |
| H (mm) | 386 | 386 | 386 | 386 |
| D (mm) | 58 | 58 | 58 | 58 |
INSTALLING INSTRUCTION
This heater can be used freestanding or wall-mounted.
Free-standing:
- When used in a free-standing position, it must be standing in a horizontal position, Do not place the heater on unstable surfaces, such as bed, carpets, etc., and do not use the heater on an uneven position, where the heater can tip-over-otherwise there is a risk of fire.
- A safe area to be left free is 500mm at the top and 150mm at the sides, and at the front, and at the back
How to install the feet:
Screw the 2pcs feet to the bottom of the heater. ( Fig.1)
Fig.1
ATTENTION
When installing the heater on its support feet, place it on a surface that supports high temperatures.
Wall mounting:
- Always try to install the heater onto an external wall (cold) under a window, but Never in a ventilated area. Follow the minimum safety distances for installation.
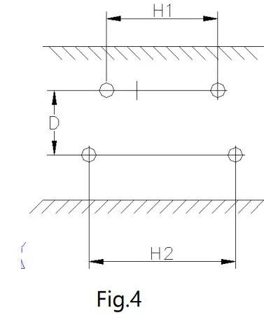
- The heater should be placed with a minimum distance of 150mm from all objects, walls (Fig 2).
The distance from the floor must be 200mm,.from the top must be 500m.
Always respect the minimum dimensions shown in Fig 2. - Screws 4pcs brackets into the back body of the heater. See Fig.3

- Mark 4 holes on the wall depending on its model. Take as a reference Fig.4 and table 4.1

MODEL D1 (mm) D2 (mm) H1 (mm) H2 (mm) REW 500 272 120 300 235 REW 1000 A 520 368 300 235 REW 1500 A 647 495 300 235 REW 2000 A 772 620 300 235 - Drill four holes (Diameter 8mm) on the wall according to the holes previously marked.
Insert 4pcs wall plugs into the wall, then Screw 4pcs wall support into wall plugs.(Fig.5)
- Hang the heater to the wall, making sure that the wall support will fit well on the heater’s brackets. (Fig 6.1 and Fig 6.2)

- Drill two screws into the upper wall support.(Fig.7)

PARTS DESCRIPTION

REW 500 A 1000 A 1500 A 2000 A

| A: The comfort square(sun) | H: The clock indication in one day. |
| B: The economy square(moon) | I: The day of the week |
| C: Comfort Mode symbol | J: Indication of the day of week |
| D: OFF symbol | K: Setting temperature |
| E: Economy Mode Mode symbol | L: indication of Wifi connection |
| F: Open Window Detection function working indication | M: indication of heat on |
| G: Anti-frost Mode symbol | N: The clock indication in one day. |
OPERATE INSTRUCTIONS
This radiator is not only App-controlled but also manual-controlled and remote-controlled.
Remote control operation is similar to Manual control operation, except that “Child lock” and “Open Window detection” function. 
Comfort temperature and Economy temperature :
The Comfort temperature is the one most frequently used. The Comfort temperature in winter is usually between 20 and 23ºC.
The Economy temperature is the temperature at which the appliance makes a moderate consumption, saving energy, since it maintains the room at a constant temperature, bearing in mind the previous values and a series of others (geography, altitude, orientation, etc.).
Recommendations for saving and optimizing consumption:
It is highly recommendable to use programmers to adjust the radiator to our lifestyle and thus optimize consumption.
It is important each room is heated at the right temperature at all times. A perfect balance between comfort and savings should be achieved.
| Room | Comfort Temperature | Economy Temperature | |
| Day-time | Living room, office | 21-22°C | 18°-19C |
| Night-time | Bedroom | 20°C (When we get up and go to bed) | 17°C (While we are sleeping) |
| Common areas | 18-19°C | 15-16°C |
Switch on the radiator:
Notice: When you switch on the Radiator, the microprocessor reads the internal memory of the appliance and remembers the last mode set by the user.
In the first power on, the memory is empty, the reason why the screen will blink constantly until any key is pressed.
Once the heater has been correctly placed and plugged into the socket, please press the “Main Power switch” to the “ I ” position to have voltage in it. (Fig 7) when connected to the power supply success, the OFF symbol will appear on the display. (Fig.8)
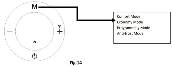
HOW TO CHOOSE WORKING MODE:
Press
(Fig 9), the appliance will go on and one of the following modes will be displayed (Fig 10, Fig.11, Fig 12, Fig 12, Fig 13): 
Comfort Mode. (Fig.10)
We set the Comfort temperature according to our requirements by pressing button + or. –

Economy Mode (Fig.11)
We set the Economy temperature according to our requirements by pressing button + or –.

Important: The temperature in Economy mode is always 3ºC lower than Confort mode. Hence, if you change the temperature in any of these two modes, the other one will change automatically too in order to maintain the 3ºC difference.
For example: if we set a Comfort temperature of 24ºC, the Economy temperature automatically falls to 21ºC.
In the same way, if we set the temperature of Economy mode to 20ºC, Confort one will change automatically to 23ºC.
Programming Mode: (Fig.12)

Anti-frost Mode: (Fig.13)
This mode is equivalent to turning Off the device and its function is to avoid the temperature to going below 7ºC.
The radiator will turn on only if the temperature falls below 7ºC. This mode cannot be adjusted.
To change mode: Press button M briefly to change mode: : (Fig.14)
The symbol
is displayed in every mode when the resistance is working.(Fig.15) 
HOW TO PROGRAMME YOUR RADIATOR:
Go to OFF mode as in the picture
Press and hold the button
for 5 seconds

The next display will appear immediately, showing Monday at 00:00 as default (Fig.17). From now on, you have to program the unit in sections of one hour choosing what mode you need in each section: Comfort, Economy or Antifrost (off). Once you have finished the program of 24 hours of Monday, you’ll move on automatically to the next day at 00:00 (Monday 1, Tuesday 2. Wednesday 3, Thursday 4, Friday 5, Saturday 6, Sunday 7).

The programming of each hour is carried out as follows:
- Button M is for changing the mode (Comfort, Economy, Anti-frost) .
- Button + is for moving to the next hour.
- Button – is for get back to the previous hour.
Let’s see a step-by-step example.
After pressing and holding button for 5 seconds (Fig.18)

We can see that the display appears (Fig.19). First, we must know that programming is to be done hour by hour passing through all the days of the week.
Let’s say, for example, we want to program the Comfort mode between 00:00 and 1:00 on Monday.
Press button M until the comfort symbol
appears (Fig.19), then press button+. By doing this, we have set the Comfort mode between 0:00 and 1:00 and we will move to the next hour section, from 01:00 to 02:00 (Fig.20).

Now we’re going to set the Economy mode between 1:00 and 2:00, by simply pressing button M until the economy mode symbol
appears (Fig.21) , press button +, by doing this, we have set the Economy mode between 1:00 and 2:00 and the hour will be moving forward to 2:0, to select the next section from 02:00 to 03:00 (Fig.22).

Now we’re going to set the Anti-frost mode between 2:00 and 3:00, by simply pressing M until the anti-frost symbol
appears( Fig.23), then press button +. By doing this, we have set the anti-frost mode between 2:00 and 3:00, and we will move to the next section from 02:00 to 03:00. Remember that Anti-Frost mode is equivalent to OFF mode.
Summary of what we have done. We have programmed the following: the Comfort mode between 0:00 and 1:00; the Economy mode between 1:00 and 2:00, and the Anti-frost mode between 2:00 and 3:00. (Fig.24) Anti-frost mode 2:00 and 3:00. No square Comfort mode 0:00 and 1:00. Top square Economy mode 1:00 and 2:00. Middle square

We repeat to do the above procedure, we can successively program from 0:00 to 23:00 (24 hours) with different modes. , and then we continue with the other days of the week (Monday – Sunday).
How to program the current day of the week and time:
When we finish the 7*24 hours program, press, next display appears (Fig.25), this display which is for setting the current day and time

With the button + or – we pass through the days until we find the current day, e.g. Monday, we go to 1, or Wednesday, we using button + or – to 3. (Fig.26)

Now we press button M and the hour display starts to flash. With button + or – we adjust the display to the correct hour, then press button M.
Now the minute’s display starts to flash. With button + or – we adjust the display to the correct minute, then press M. The appliance returns to the OFF position.(Fig.27) 
Important:
- If you want to change the mode at any time, use the – button to go back hour by hour and press M to change the mode to the desired one.
- You must schedule 24/7. You can’t skip days and leave them unscheduled. If you want to program a day in which the transmitter is switched off at all times, you must select the Antifreeze mode at all hours of that day.
- If you want to exit at any time to set the current day of the week and time, press
. Keep in mind that the transmitter will work with the last programming carried out on each day. That is, if you exit the schedule after ending Wednesday (3), the device will work with the schedule you just did between Monday (1) and Wednesday (3) but from Thursday (4) to Sunday (7) it will work with the last programming that has been done in those days.
Now we are ready to use the programming mode. To activate it, all we have to do is switch on the appliance by pressing the button and
search for the programming model with the button M until the next display appears fluctuating between these two. (Fig.28) This means that the programming mode has been activated and is now working. (This is the only way to set the programming mode).

When the programming mode is working,
- On this display, We can see the day, the temperature according to the set mode (Comfort, Economy, Antifrost), and the squares flash showing the current time if the set mode is the Comfort or Economy Mode.
- This display shows Day 1, Comfort mode temperature 24ºC and the square is flashing at the sun symbol between 0:00 and 1:00, which means it runs on Comfort mode between 0:00 and 1:00 on Monday.
- On this mode, we can set Comfort or Economy temperature according to our requirements by pressing the button + or –.

Temperature Compensation:
Due to the characteristics of the appliance, the temperature is measured on the lower part of the radiator, is perfectly adjusted in relation to the Comfort temperature selected by the user. However, it is also possible to set the “Temperature Compensation” manually.
Room temperature recorded – Comfort temperature indicated = Value…
For example:
22ºC in a room temperature measured with the thermometer when the Comfort temperature required on the thermostat (indicated) is 20ºC.
The temperature compensation value is 22 – 20 = +2ºC
The user must enter +2ºC on the temperature compensation menu.
Step 1: Turn the thermostat to the Off position by pressing the button.
Step 2: By pressing button M and holding for 5 seconds, we will enter this menu where the display shows 0.0
Step 3: Press buttons + or – to adjust fractions of 1ºC
Step 4: Press button M to confirm and return to the OFF position.
Step 5: Switch on the heater by pressing the button![]()
Child lock :
The user can make sure that nobody changes the set programming,by locking the control panel.
This function is very useful for public buildings or for preventing children from tampering with the controles.
It is done by pressing the button + and the button – simultaneously for 5 seconds.
Unlocking is done in the same way.
Open Window Detection:
This function makes it possible to detect an open window and automatically activate the anti-freeze operating mode.
It is done by pressing the button
and M simultaneously for a few seconds, till the symbol![]()
appears. If a temperature drop is observed in the room during the normal function, the anti-frost mode is automatically activated to save energy consumption, and the symbol
starts to flash continuously. If you press M, the heater will go back to normal function, the symbol
will stop flashing. Canceling this function is done by the same way.
Possible thermostat problems:
- If the thermostat is below -15℃, the screen will display OC.
- If the thermostat is above 50℃, the screen will display SC.
Disposal of old electrical appliances.
The European directive 2002/96/EC on Waste Electrical and Electronic Equipment (WEEE), requires that old household electrical appliances must not be disposed of in the normal unsorted municipal waste stream. Old appliances must be collected separately in order to optimize the recovery and recycling of the materials they contain and reduce the impact on human health and the environment. The crossed-out “wheeled bin” symbol on the product reminds you of your obligation, that when you dispose of the appliance, it must be separately collected. Consumers should contact their local authority or retailer for information concerning the correct disposal of their old appliances.
DECLARATION OF CONFORMITY:
Hereby, Conifer S.A. declares that the radiator equipment type REW 500 A / REW 1000 A /REW 1500 A / REW 2000 A is in compliance with Directive 2014/53/EU.
| INFORMATION REQUIREMENTS FOR LOCAL SPACE HEATERS (EU)2015/1188 | ||||||||
| Caracteristique | Model identifier | Symbole | Valeur | Unite | Caracteristique | Unit | ||
| Puissance thermique | Type d’apport de chaleur, pour les dispositifs de chauffage decentralises electriques a accumulation uniquement (selectionner un seul type) | |||||||
| Puissance thermique nom inale | REW 500 A | PrVal | 0.5 | kW | controle thermique manuel de la charge avec thermostat integre | N/A | ||
| REW 1000 A | Prom | 1.0 | kW | controle thermique manuel de la charge avec reception d’informations sur la temperature de la piece et/ou exterieure | N/A | |||
| REW 1500 A | P,,„, | 2. | kW | controle thermique electronique de la charge avec reception d’informations sur la temperature de la piece et/ou exterieu re | N/A | |||
| REW 2000 A | P,,,,,, | 2.0 | kW | puissance thermique regulable par ventilateur | N/A | |||
| Type de controle de Ia puissance thermique/de Ia temperature de Ia piece (selectionner un seul type) | ||||||||
| controle de la puissance thermique a un palier, pas de controle de la temperature de la piece | No | |||||||
| Puissance thermique minimale (indicative) | REW 5W A | P,,.. | C’> | kW | controle a deux ou plusieurs paliers manuels, pas de controle de la temperature de la piece | No | ||
| REW 1000 A | P,,e,,, | 1.0 | kW | controle de la temperature de la piece avec thermostat mecanique | No | |||
| REW 1500 A | P„,- | 2. | kW | controle electronique de la temperature de la piece | No | |||
| REW 2000 A | P„, | 2.0 | kW | controle electronique de la temperature de la piece et programmateur jou malier | No | |||
| controle electronique de la temperature de la piece et programmateur hebdomadaire | Yes | |||||||
| Autres options de controle (selectionner une ou plusieurs options) | ||||||||
| Puissance thermique maximale continue | REW 5W A | Poem | 0.5 | kW | controle de la temperature de la piece, avec detecteur de presence | No | ||
| REW 1000 A | P,,,,„ | 1.0 | kW | controle de la temperature de la piece, avec detecteur de fenetre ouverte | Yes | |||
| REW 1500 A | P,„„, | 2. | kW | option controle a distance | Yes | |||
| REW 2000 A | P,,,,,, | 2.0 | kW | controle adaptatif de (‘activation | No | |||
| limitation de la duree d’activation | No | |||||||
| capteur a globe noir | No | |||||||
| Consommation d’electricite auxiliaire | ||||||||
| Ala puissance thermique nom finale | All models | el„,,, | 0 | kW | ||||
| Ala puissance thermique minimale | All models | elmo | 0 | kW | ||||
| En mode veille | All models | else | 0 | kW | ||||
| e contact | SONIFER SA. Avenida de Santiago 86, 30007, Murcia. Spain. | |||||||

Always respect the minimum dimensions shown in Fig 2.























