Connects2 CTUVX02 Infoadapter Display and Steering Stalk Control Adaptor Instruction Manual
ABOUT
The Connects2 Info adapter allows vehicle information such as climate control, parking sensors and heated seats to be displayed on any aftermarket head unit with rear camera input. Extensive vehicle settings can also be adjusted from the steering wheel controls. The Info adapter also allows the use of the steering wheel controls with almost every steering wheel control compatible head unit on the market.
DIP SWITCH SETTINGS
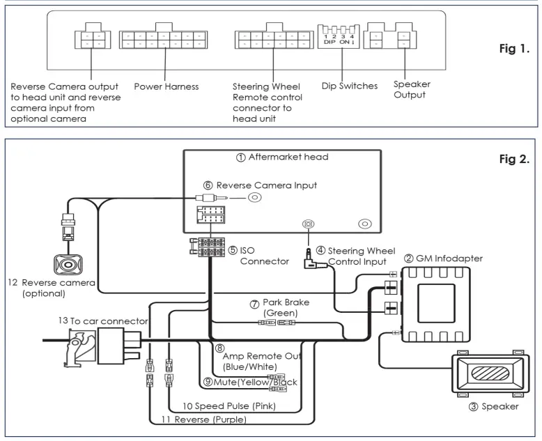
See Fig 1. Up = Off, Down = On
- On = Pioneer head units. Off = All other head units
- Setting for reverse camera. On = PAL, Off = NTSC. The default setting is Off (NTSC).
- Resets the display settings back to default. If the display settings have been manipulated in a way that it is no longer possible to make adjustments, change the DIP switch #3 from Off to On and back. This will reset the screen settings to the factory defaults. During this procedure the screen background will change to red. While the background is red, no settings can be made.
- Not applicable
Interface Connections

Steering Wheel Controls
- Source Button
- Track Up/Down

To access the menu, push and hold the source button for 2 seconds (Fig. 3). This will enable the configuration menu. To navigate through the menu options use the Track Up/ Track Down buttons. To select a menu option, push the source button once.
- Vehicle Settings
Vehicle settings can be adjusted via the menu. All vehicle setup options that were available with the original head unit, are now available through the aftermarket head unit. See the vehicle handbook for more information regarding these features.
- Info adapter Settings
Screen Size/Position -Make sure all 4 corner markers are touching the corners of the aftermarket head unit display.
- Picture Settings
Adjust Brightness, contrast and color saturation.
- Preferences

Driver Position
Select Left or Right depending upon vehicle configuration.
Park Assist Version
Select according to the color configuration of the park assist fitted to the vehicle.
Camera Connected
Select Yes if an optional camera is connected.
Reverse Priority”
Select which image (Camera or Park Assist) will be shown by default when reversing. The driver can select the desired image by pushing the Source button (Fig.3) while reversing. (*Note this option is only available when Camera Connected is set to Yes)
Park Brake Source
Set to Speed, Brake or Always On.
Bluetooth
Select On if aftermarket head unit has Bluetooth built in. Pick up/hang up buttons on the steering wheel will be enabled.
Steering Wheel
Select 6 function or 7 function type depending upon vehicle.
Logos
Select for relevant vehicle or head unit brand logo to be shown on the dash display.
Note that this option will only appear for supported four line dash displays. OEM navigation display is not supported)
Restore factory settings
Reverts all Info adapter settings to factory defaults. (This does not restore vehicle settings)
Legal Information Please consult the relevant road traffic laws governing the country in which this product is being operated. No liability is accepted for material damage, loss or personal injury, directly or indirectly, from installation and operation of this product. This product should only be operated when safe to do so.
www.connects2.com
























