Shenzhen LA-WE3L LowPower Embedded Wi-Fi module Leadcoo Technology
Product Overview
LA-WE3L is a Low-Power Embedded Wi-Fi module. It is composed of a highly integrated radio frequency chip TR6260S1 and a small number of peripheral devices, with built-in Wi-Fi network protocol stack and rich library functions. LA-WE3L is embedded with low-power 32-bit microcontroller, 1Mbyte flash memory and rich peripheral resources. Users can develop embedded WiFi products to meet their own needs based on these.
Product Characteristics
- 2.4GHz,EEE802.11b/g/n
- Adopt low power with 32-bit CPU, and the main frequency is up to 160MHz
- Support STA/AP working mode
- Support WEP/WPA-PSK/WPA2-PSK
- Support SmartConfig with one click distribution network
- Support 5-channel PWM constant current output of R / G / B / CW (brightness) / WW (color temperature)
Main Application Fields
- All kinds of lighting occasions
- It is used in bulb lamp, ceiling lamp, wall switch, wall socket, adapter socket and other smart home products. It supports voice control and Amazon cloud voice
- The TYWE3L module of pin 2 pin compatible with graffiti
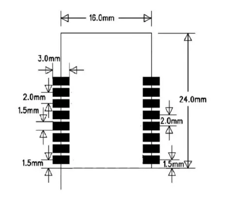
Overall Dimension
4 PCB Package Size
| 5 | Pin | Definition | Description No. |
| No. | Name | ||
| 1 | RESET | Low level reset | |
| 2 | NC | N.C. | |
| 3 | EN | Module power enable pin | |
| 4 | GPIO17 | Wake up function and digital IO | |
| 5 | GPIO2 | UART1_ RX and digital IO | |
| 6 | GPIO1 | Digital IO | |
| 7 | GPIO0 | Digital IO | |
| 8 | VDD | Power supply 3.3V | |
| 9 | GND | Power ground | |
| 10 | NC | N.C. | |
| 11 | GPIO13 | UART1_TX and Digital IO | |
| 12 | GPIO14 | ADC input and Digital IO | |
| 13 | GPIO4 | Digital IO | |
| 14 | GPIO13 | Digital IO | |
| 15 | U0RX | UART0_RX and Digital IO | |
| 16 | U0TX | UART0_TX and Digital IO |
Electrical Parameters
Absolute electrical parameters
| Parameters | Description | Minimum | Maximum | Unit |
| TS | Working temperature | -20 | 105 | ℃ |
| VDD | Supply voltage | -0.3 | 3.6 | V |
Working conditions
| Parameters | Description | Minimum | Typical | Minimum | Unit |
| VDD | Working voltage | 3.0 | 3.3 | 3.6 | V |
| VDDIO | IO voltage | 1.8 | 3.3 | 3.6 | V |
| VIL | IO low level input | -0 | – | 0.3*VIO | V |
| VIH | IO high level input | 0.7*VIO | – | VIO | V |
| VTH | COMS threshold | – | 0.5 VIO | V | |
| Imax | IO maximum drive capability | 12 | mA |
Power consumption in operation mode
| Working mode | Working status, Ta=25℃ | Average | Unit |
| Fast connect distribution network | The module is in the state of fast connection distribution network, Wi-Fi indicator light flashes quickly | 78 | mA |
| Hot spot distribution network status | The module is in hot distribution network state, Wi-Fi indicator light flashes slowly | 95 | mA |
| network connection status | The module is in the networking state, and the Wi-Fi indicator is always on | 54 | mA |
| Networking attempt | The module is in the working state of disconnection (trying to connect to the network), and the Wi-Fi indicator is always off | 65 | mA |
RF Characteristics
Basic RF characteristics
| Parameter item | Detailed description |
| Working | 2.412~2.462GHz |
| WiFi standard | IEEE 802.11b/g/n(Channel1-11) |
| Data transmission rate | 11b:1,2,5.5,11 (Mbps) 11g:6,9,12,18,24,36,48,54(Mbps) 11n:HT20 MCS7 |
| Antenna type | PCB antenna (default) |
WiFi output power
TX continuous transmission power
| Parameter | Minimum | Typical | Maximum | Unit | |
| Mode | Rate | dBm | |||
| RF average output power,802.11b CCK | 11M | – | 18 | – | dBm |
| RF average output power,802.11g | 54M | – | 16 | – | dBm |
| RF average output power,802.11n | HT20-MCS7 | – | 14 | – | dBm |
| Frequency error | -10 | – | 10 | ppm | |
Wi-Fi receiving sensitivity
RX receiving sensitivity
| Parameter | Minimum | Typical | Maximum | Unit | |
| Mode | Rate | dBm | |||
| F average output
power,802.11b CCK | 11M | – | -88.0 | – | dBm |
| F average output
power,802.11g | 54M | – | -74.0 | – | dBm |
| F average output power,802.11n | HT20-MCS7 | – | -70.6 | – | dBm |
| Frequency error | -10 | – | 10 | ppm | |
Application Schematic Diagram
Dimming application of five PWM lamps
The module can support five PWM channels, and the user can select the corresponding PWM interface according to the actual product situation. The corresponding color can also modify the customized firmware according to the actual needs;
Application of three-way RGB light strip
Application of bulb lamp with IIC interface
Application Scenarios
- Support all kinds of WiFi chandeliers, ceiling lamps, desk lamps, downlights, etc
This device complies with Part 15 of the FCC Rules. Operation is subject to the following two conditions:
- This device may not cause harmful interference, and
- This device must accept any interference received, including interference that may cause undesired operation.
Any changes or modifications not expressly approved by the party responsible for compliance could void the user’s authority to operate the equipment.
Please notice that if the FCC identification number is not visible when the module is installed inside another device, then the outside of the device into which the module is installed must also display a label referring to the enclosed module. This exterior label can use wording such as the following: “Contains FCC ID:2AXJE-LA-WE3L” any similar wording that expresses the same meaning may be used. This equipment complies with FCC radiation exposure limits set forth for an uncontrolled environment. This equipment should be installed and operated with a minimum distance of 20cm between the radiator & your body. This transmitter must not be co-located or operating in conjunction with any other antenna or transmitter. The module is limited to OEM installation ONLY. The OEM integrator is responsible for ensuring that the end-user has no manual instruction to remove or install-module. Separate approval is required for all other operating configurations, including portable configurations with respect to Part 2.1093 and different antenna configurations. There is a requirement that the grantee provides guidance to the host manufacturer for compliance with Part 15B requirements. The OEM integrator is responsible for ensuring that the end-user has no manual instructions to remove or install the module. The module is limited to installation in the mobile or fixed application.






















