HIKVISION DS-K1109 Series Card Reader

©2020 Hangzhou Hikvision Digital Technology Co., Ltd. All rights reserved.
About this Manual
The Manual includes instructions for using and managing the Product. Pictures, charts, images and all other information hereinafter are for description and explanation only. The information contained in the Manual is subject to change, without notice, due to firmware updates or other reasons. Please find the latest version of this Manual at the Hikvision website ( https://www.hikvision.com/ ).
Please use this Manual with the guidance and assistance of professionals trained in supporting the Product.
Trademarks
Hikvision and other Hikvision’s trademarks and logos are the properties of Hikvision in various jurisdictions.
Other trademarks and logos mentioned are the properties of their respective owners.
Disclaimer
TO THE MAXIMUM EXTENT PERMITTED BY APPLICABLE LAW, THIS MANUAL AND THE PRODUCT DESCRIBED, WITH ITS HARDWARE, SOFTWARE AND FIRMWARE, ARE PROVIDED “AS IS” AND “WITH ALL FAULTS AND ERRORS”. HIKVISION MAKES NO WARRANTIES, EXPRESS OR IMPLIED, INCLUDING WITHOUT LIMITATION, MERCHANTABILITY, SATISFACTORY QUALITY, OR FITNESS FOR A PARTICULAR PURPOSE. THE USE OF THE PRODUCT BY YOU IS AT YOUR OWN RISK. IN NO EVENT WILL HIKVISION BE LIABLE TO YOU FOR ANY SPECIAL, CONSEQUENTIAL, INCIDENTAL, OR INDIRECT DAMAGES, INCLUDING, AMONG OTHERS, DAMAGES FOR LOSS OF BUSINESS PROFITS, BUSINESS INTERRUPTION, OR LOSS OF DATA, CORRUPTION OF SYSTEMS, OR LOSS OF DOCUMENTATION, WHETHER BASED ON BREACH OF CONTRACT, TORT (INCLUDING NEGLIGENCE), PRODUCT LIABILITY, OR OTHERWISE, IN CONNECTION WITH THE USE OF THE PRODUCT, EVEN IF HIKVISION HAS BEEN ADVISED OF THE POSSIBILITY OF SUCH DAMAGES OR LOSS.
YOU ACKNOWLEDGE THAT THE NATURE OF THE INTERNET PROVIDES FOR INHERENT SECURITY RISKS, AND HIKVISION SHALL NOT TAKE ANY RESPONSIBILITY FOR ABNORMAL OPERATIONS, PRIVACY LEAKAGE OR OTHER DAMAGES RESULTING FROM CYBER-ATTACK, HACKER ATTACK, VIRUS INSPECTION, OR OTHER INTERNET SECURITY RISKS; HOWEVER, HIKVISION WILL PROVIDE TIMELY TECHNICAL SUPPORT IF REQUIRED.
YOU AGREE TO USE THIS PRODUCT IN COMPLIANCE WITH ALL APPLICABLE LAWS, AND YOU ARE SOLELY RESPONSIBLE FOR ENSURING THAT YOUR USE CONFORMS TO THE APPLICABLE LAW. ESPECIALLY, YOU ARE RESPONSIBLE, FOR USING THIS PRODUCT IN A MANNER THAT DOES NOT INFRINGE ON THE RIGHTS OF THIRD PARTIES, INCLUDING WITHOUT LIMITATION, RIGHTS OF PUBLICITY, INTELLECTUAL PROPERTY RIGHTS, OR DATA PROTECTION AND OTHER PRIVACY RIGHTS. YOU SHALL NOT USE THIS PRODUCT FOR ANY PROHIBITED END-USES, INCLUDING THE DEVELOPMENT OR PRODUCTION OF WEAPONS OF MASS DESTRUCTION, THE DEVELOPMENT OR PRODUCTION OF CHEMICAL OR BIOLOGICAL WEAPONS, ANY ACTIVITIES IN THE CONTEXT RELATED TO ANY NUCLEAR EXPLOSIVE OR UNSAFE NUCLEAR FUEL-CYCLE, OR IN SUPPORT OF HUMAN RIGHTS ABUSES.
IN THE EVENT OF ANY CONFLICTS BETWEEN THIS MANUAL AND THE APPLICABLE LAW, THE LATER PREVAILS.
Data Protection
During the use of device, personal data will be collected, stored and processed. To protect data, the development of Hikvision devices incorporates privacy by design principles. For example, for device with facial recognition features, biometrics data is stored in your device with encryption method; for fingerprint device, only fingerprint template will be saved, which is impossible to reconstruct a fingerprint image.
As data controller, you are advised to collect, store, process and transfer data in accordance with the applicable data protection laws and regulations, including without limitation, conducting security controls to safeguard personal data, such as, implementing reasonable administrative and physical security controls, conduct periodic reviews and assessments of the effectiveness of your security controls.
Regulatory Information
FCC Information
Please take attention that changes or modification not expressly approved by the party responsible for compliance could void the user’s authority to operate the equipment.
FCC compliance: This equipment has been tested and found to comply with the limits for a Class B digital device, pursuant to part 15 of the FCC Rules. These limits are designed to provide reasonable protection against harmful interference in a residential installation. This equipment generates, uses and can radiate radio frequency energy and, if not installed and used in accordance with the instructions, may cause harmful interference to radio communications. However, there is no guarantee that interference will not occur in a particular installation. If this equipment does cause harmful interference to radio or television reception, which can be determined by turning the equipment off and on, the user is encouraged to try to correct the interference by one or more of the following measures:
- Reorient or relocate the receiving antenna.
- Increase the separation between the equipment and receiver.
- Connect the equipment into an outlet on a circuit different from that to which the receiver is connected.
- Consult the dealer or an experienced radio/TV technician for help
This equipment should be installed and operated with a minimum distance 20cm between the radiator and your body.
FCC Conditions
This device complies with part 15 of the FCC Rules. Operation is subject to the following two conditions:
- This device may not cause harmful interference.
- This device must accept any interference received, including interference that may cause undesired operation.
EU Conformity Statement
This product and – if applicable – the supplied accessories too are marked with “CE” and comply therefore with the applicable harmonized European standards listed under the EMC Directive 2014/30/EU, the RoHS Directive 2011/65/EU
2012/19/EU (WEEE directive): Products marked with this symbol cannot be disposed of as unsorted municipal waste in the European Union. For proper recycling, return this product to your local supplier upon the purchase of equivalent new equipment, or dispose of it at designated collection points. For more information see:
www.recyclethis.info
2006/66/EC (battery directive): This product contains a battery that cannot be disposed of as unsorted municipal waste in the European Union. See the product documentation for specific battery information. The battery is marked with this symbol, which may include lettering to indicate cadmium (Cd), lead (Pb), or mercury (Hg). For proper recycling, return the battery to your supplier or to a designated collection point. For more information see:www.recyclethis.info
Industry Canada ICES-003 Compliance
This device meets the CAN ICES-3 (A)/NMB-3(A) standards requirements.
Safety Instruction
These instructions are intended to ensure that user can use the product correctly to avoid danger or property loss.
The precaution measure is divided into Dangers and Cautions:
Dangers: Neglecting any of the warnings may cause serious injury or death.
Cautions: Neglecting any of the cautions may cause injury or equipment damage.
![]() | ![]() |
| Dangers: Follow these safeguards to prevent serious injury or death. | Cautions: Follow these precautions to prevent potential injury or material damage. |
Danger:
- All the electronic operation should be strictly compliance with the electrical safety regulations, fire prevention regulations and other related regulations in your local region.
- Please use the power adapter, which is provided by normal company. The power consumption cannot be less than the required value.
- Do not connect several devices to one power adapter as adapter overload may cause over-heat or fire hazard.
- Please make sure that the power has been disconnected before you wire, install or dismantle the device.
- When the product is installed on wall or ceiling, the device shall be firmly fixed.
- If smoke, odors or noise rise from the device, turn off the power at once and unplug the power cable, and then please contact the service center.
- If the product does not work properly, please contact your dealer or the nearest service center.
Never attempt to disassemble the device yourself. (We shall not assume any responsibility for problems caused by unauthorized repair or maintenance.)
Cautions:
- Do not drop the device or subject it to physical shock, and do not expose it to high electromagnetism radiation. Avoid the equipment installation on vibrations surface or places nsubject to shock (ignorance can cause equipment damage).
- Do not place the device in extremely hot (refer to the specification of the device for the detailed operating temperature), cold, dusty or damp locations, and do not expose it to high electromagnetic radiation.
- The device cover for indoor use shall be kept from rain and moisture.
- Exposing the equipment to direct sun light, low ventilation or heat source such as heater or radiator is forbidden (ignorance can cause fire danger).
- Do not aim the device at the sun or extra bright places. A blooming or smear may occur otherwise (which is not a malfunction however), and affecting the endurance of sensor at the same time.
- Please use the provided glove when open up the device cover, avoid direct contact with the device cover, because the acidic sweat of the fingers may erode the surface coating of the device cover.
- Please use a soft and dry cloth when clean inside and outside surfaces of the device cover, do not use alkaline detergents.
- Please keep all wrappers after unpack them for future use. In case of any failure occurred, you need to return the device to the factory with the original wrapper. Transportation without the original wrapper may result in damage on the device and lead to additional costs.
- Improper use or replacement of the battery may result in hazard of explosion. Replace with the same or equivalent type only. Dispose of used batteries according to the instructions provided by the battery manufacturer.
- Please take care of your card and report card loss in time when card is lost.
- Multiple card types are supported. Please select an appropriate card type according to the card performance and the usage scenarios.
Available Models
| Product Name | Model | Wireless |
| Card Reader | DS-K1109DB | 13.56 MHz Card Presenting Frequency, Bluetooth |
| DS-K1109DKFB | 13.56 MHz Card Presenting Frequency, Bluetooth | |
| DS-K1109DKFB-QR | 13.56 MHz Card Presenting Frequency, Bluetooth | |
| DS-K1109DKB | 13.56 MHz Card Presenting Frequency, Bluetooth | |
| DS-K1109DKB-QR | 13.56 MHz Card Presenting Frequency, Bluetooth | |
| DS-K1109EB | 125 KHz Card Presenting Frequency, Bluetooth | |
| DS-K1109EKFB | 125 KHz Card Presenting Frequency, Bluetooth | |
| DS-K1109EKFB-QR | 125 KHz Card Presenting Frequency, Bluetooth | |
| DS-K1109EKB | 125 KHz Card Presenting Frequency, Bluetooth | |
| DS-K1109EKB-QR | 125 KHz Card Presenting Frequency, Bluetooth |
Use only power supplies listed in the user instructions:
| Model | Manufacturer | Standard |
| TS-A018-120015Ec | Shenzhen Transin Technologies Co., Ltd | CEE |
Overview
The card reader is a kind of high-performance product, with a 32 bit high-speed processor. It communicates with access controller via either RS-485 protocol or Wiegand protocol. And a built-in tamper-proof module helps to protect card reader from malicious damage. As to the physical appearance, the PC+ABS material makes water proof and dust proof possible in poor environment.
Appearance
Front View
The front view of card reader is shown below:

Rear View
The rear view of card reader is shown below:

Installation
DIP Switch Description
The DIP switch module is shown below. The No. of DIP switch from left to right is 1 to 8.

When the switch is towards ON, it means the switch is enabled, otherwise, the switch is off. If you set the DIP switch like the figure displayed below, its binary value is 00001100, and its decimal value is 12.

Table 3-1 Description of DIP Switch
| No. | Description | DIP Switch Status |
| 1 to 4 | Address of RS-485 | 1: 1 0: 0 |
| 5 | Card Security Note ● For DS-K1108AE/AEK, the DIP switch is reserved. | 1: Enable M1 card encryption function, and disable door open via NFC card. 0: Disable M1 card encryption function, enable door open via NFC card, and read card No. |
| 6 | Wiegand protocol or RS-485 protocol. | 1: Wiegand protocol 0: RS-485 protocol |
| 7 | Wiegand Protocol (available when No. 6 is 1) | 1: Wiegand protocol of 26-bit; 0: Wiegand protocol of 34-bit. |
| 8 | Matched Resistance (available for RS-485 protocol) | 1: Enable 0: Disable |
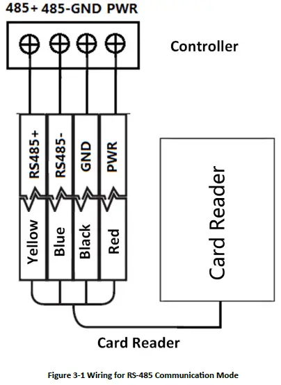
Wiring Cables
Wire the cables between controller and card reader, thus to establish the communication between them.
Description of Cable
The description of 10 cables is shown below.
Table 3-2 Description of Cable
| Color | Description |
| Orange | Wiegand ERR (Available for Wiegand Protocol) |
| Brown | Wiegand OK (Available for Wiegand Protocol) |
| White | Wiegand W1 (Available for Wiegand Protocol) |
| Green | Wiegand W0 (Available for Wiegand Protocol) |
| Blue | RS-485- |
| Yellow | RS-485+ |
| Red | PWR (+12 VDC) |
| Black | GND |
| Gray | TAMPER Control |
| Purple | Beep Control (Available for Wiegand Protocol) |
Set RS-485 Communication Mode
Steps
- Set the DIP switch of No. 6 as 0.
- Set the DIP switch of No. 1 ~ 5 for RS-485 address and reading card mode. For details, refers to DIP Switch Description .
- Wire the cable between controller and card reader as shown below.

Set Wiegand Communication Mode
Steps
- Set the DIP switch of No. 6 as 1.
- Set the DIP switch of No. 5 and 7 for reading card mode and Wiegand protocol. For details, refers to DIP Switch Description.
- Wiring the cable between controller and card reader as shown below.

Sound Prompt and Indicator
After the card reader is powered on, LED status indicator will turn green and flashing for 1 time.
Then it will turn red and flashing for 3 times. At last the buzzer will send out a beep sound indicating the starting up process is completed.
When using the card reader, it will send out different sounds prompt and the LED indicator on it will have different statuses. You can refer to tables below for detailed information.
Table 4-1 Description of Prompt Sound
| Sound Prompt | Description |
| One Beep | Presenting card prompt |
| Pressing keys prompt | |
| Prompt of pressing key for too long time when inputting card No. | |
| Time out prompt for pressing keys or presenting card. | |
| For authentication: prompt for entering the password after presenting the card. | |
| Two Rapid Beeps | The operation of pressing keys or swiping card is valid. |
| Three Slow Beeps | The operation of pressing keys or swiping card is invalid. |
| Rapidly Continuous Beeps | Prompt for tamper-proof alarm. |
| Prompt for buzzer alarm. | |
| Slowly Continuous Beeps | The card reader is unencrypted. |
Table 4-2 Description of LED Switch
| LED Indicator Status | Description |
| Flashing Green for 1 Time and Flashing Red for 3 Times | The card reader is power on. |
| Flashing Green | For Card + Password authentication: prompt for entering the password after presenting the card. |
| Solid Green for 2 s | The operation of pressing keys or presenting card is valid. |
| Solid Red | Card reader is working normally. |
| Flashing Red for 3 Times | The operation of pressing keys or presenting card is invalid. |
| Flashing Red | For RS-485 protocol: Registering failed or card reader is offline. |
Appendix A. Preventive and Cautionary Tips
To guarantee the card reader works properly, please read and obey the notes below.
- If the card reader is powered by the controller, the power supply distance is recommended to be no longer than 100m. If the distance is longer than 100 m, you are advised to power the card reader by external 12 V (range: -%10 to +%10) DC power supply, which is non-switched and linear.
- To guarantee the communication between the controller and the card reader, you must use RVVP cable above 0.5 to connect them.
- If the card reader is installed outside or in environment easy to permeable, it is advisable to install a waterproof shield.
- If you need to install several card readers, the distance among them must over 30 cm.
- To reduce the noise in long distance transmission, the shield of cable should connect to the GND of both controller and card reader terminal.
- Please take care of your card and report card loss in time when card is lost.
- If you require a higher security level, use multiple authentication modes.
- Multiple card types are supported. Please select an appropriate card type according to the card performance and the usage scenarios.
Appendix B. Communication Matrix and Device Command
Communication Matrix
Scan the following QR code to get the device communication matrix.
Note that the matrix contains all communication ports of Hikvision access control and video intercom devices.

Device Command
Scan the following QR code to get the device common serial port commands.
Note that the command list contains all commonly used serial ports commands for all Hikvision access control and video intercom devices.






















