Elite V5 Home Gym Exercises Machine
Instruction Manual
Serial Number Location
Record your Serial number and purchase date here:
S/N __________________
DATE:________________
DEALER:______________
Elite V5 Home Gym Exercises Machine
Congratulations and Thank You!
Thank you for selecting the BODYCRAFT Elite Leg Press attachment.
The BODYCRAFT Elite Leg Press attachment offers an impressive array of strength training exercises to develop every major muscle group of the body. Whether your goal is cardiovascular fitness, a shapely, toned body or dramatic muscle size and strength, the BODYCRAFT Elite Leg Press attachment will help you achieve the results you want. For your safety and benefit, read this manual and the accompanying literature before using the BODYCRAFT Elite Leg Press attachment. Keep this manual for future reference. If you have additional questions, please call your local BODYCRAFT Elite Leg Press zattachment Dealer. www.ibodycraft.com
Important Safety Notes
There is a risk assumed by individuals who use this type of equipment. Before beginning this or any other exercise program consult your physician. This is especially important for individuals over the age of 35 or persons with preexisting health problems. Recreation Supply, Inc. assumes no responsibility for personal injury or property damage sustained by or through use of this product.
- This product must be assembled on a flat, level surface to assure its proper function.
- Clean pads and frame on a regular basis. We recommend warm, soapy water.
Do not use harsh or abrasive chemicals. - Inspect and tighten all parts before every use. Replace any worn parts immediately. Failure to do so may result in serious injury.
- Keep children away from the BODYCRAFT Elite Leg Press attachment at all times.
- Keep your hands away from cables and pulleys during operation.
- Keep your hands away from moving parts other than the designated handles.
- When adjusting the seat, make sure the spring pin is fully engaged.
If not, the seat may slip and cause serious injury. - Make certain all cables are seated within the pulleys before every use.
- Exercise with care to avoid injury.
- If you are unsure about the proper use of the BODYCRAFT Elite Leg Press attachment call your local BODYCRAFT dealer.
QUESTIONS?
As a quality home gym supplier we are committed to your complete satisfaction.
If you have questions, or find missing or damaged parts, we will guarantee your complete satisfaction through our authorized dealer service centers or our home office customer service department. Please call your local dealer for assistance. Our trained technicians will provide immediate assistance to you, free of charge. www.ibodycraft.com
Gym Placement Planner
If possible, please take advantage of the corner fit design.

Recommended Tools for Assembly
Ratchet
9/16″ Socket
3/4″ Socket
9/16″ Combination Wrench
3/4″ Combination Wrench
Adjustable Wrench
Rubber Mallet
Metric Allen Key Set
Silicone Spray
Window Cleaner or Water
Important Notes and Tips:
- Do not tighten any bolts until instructed.
- Two people are required for the safe assembly of the gym.
- Use window cleaner or water to assist with roller pad installation.
- Use silicone lubricant on guide rods prior to weight plate installation.
- Carefully install plastic caps using a rubber mallet.
- For your convenlence, rulers are displayed throughout this manual.
- When measuring bolt lengths, only measure the shank.

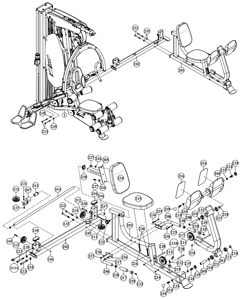
ELITE LEG PRESS PARTS LIST
NOTE: IF YOU SEEM TO BE MISSING A PART, DO NOT WORRY, IT LIKELY HAS BEEN PRE-INSTALLED FOR QUALITY CONTROL PURPOSES.

| NO. | DESCRIPTION | QTY |
| 223 | 1/2″ X 5″ HEX BOLT | 4 |
| 224 | 1/2″ X 1″ HEX THREADED BOLT | 4 |
| 225 | 3/8″ X 3-1/4″ HEX BOLT | 2 |
| 226 | 3/8″ X 2-3/4″ HEX THREADED BOLT | 2 |
| 227 | 3/8″ X 1″ HEX THREADED BOLT | 2 |
| 228 | 3/8″ X 109.5mm FLAT PIN BOLT | 2 |
| 229 | 3/8″ X 99.5mm FLAT PIN BOLT | 1 |
| 234 | M6 X 12L MALE SCREW | 3 |
| 235 | 1/2″ WASHER | 8 |
| 236 | 3/8″ WASHER | 8 |
| 237 | 3/8″ NYLON NUT | 2 |

ASSEMBLE GUIDE ROD
1. Detach 5/16″ X 1/4″ Inner Hex Screw (246) and Guide Rod (243) from Connecting Rear Stabilizer (202), and slide Sliding Pulley Block (207) off Guide Rod (243). Detach 90mm Pulley (212), 3/8″ Nylon Nut (237) and 3/8″ X 1-3/4″ Hex Bolt (231) from Sliding Pulley Block (207).

INSTALL LEG PRESS LOW CABLE

![]() | ![]() |
![]() | ![]() |
- Remove the Low Cable (87) of Elite. If you have installed the Low Cable (87), you must remove it now. This cable will be replaced by the Leg Press Low Cable (213A).
- Insert the Threaded End of Leg Press Low Cable (213A) into the front of the Foot Plate Connector (5), and route underneath pulleys W1 and W2, each mounted using 3/8″ X 45L Flat Pin Bolt (144) and M6 X 12L Male Screw (147), as shown in W1&W2.
- Continue routing up and around pulley W3, mounted to the bottom of the Double Pulley Block (25), using 3/8″ X 1-3/4” Hex Bolt (134) and 3/8” Nylon Nut (170) as shown in W3.
- Route underneath pulley W4 mounted on Connecting Rear Stabilizer (202), using a 3/8″ X 1-1/2″ Hex Bolt (245). Continue routing the cable around horizontal pulley W5 mounted on Sliding Pulley Block (207) using 3/8” X 1-3/4” Hex Bolt (231) and 3/8” Nylon Nut (237), then screw the Thread Bolt End of Leg Press Low Cable (213A) into the Connecting Rear Stabilizer (202) as shown in Fig. W4, W5, W6.

ASSEMBLE CONNECTING REAR STABILIZER
To ease assembly, Do Not tighten any bolts until instructed.
- Slide Sliding Pulley Block (207) onto the Guide Rod (243). And attach the Guide Rod (243) to the Connecting Rear Stabilizer (202) using two 5/16″ X 1/4″ Inner Hex Screws (246).
- Cap two 50 X 100mm Oval Plugs (244) to the Connecting Rear Stabilizer (202).
- Attach the Connecting Rear Stabilizer (202) to the Elite Main Frame (1), using two 1/2″ X 5″ Hex Bolts (223), and two 1/2″ Washers (235).

ASSEMBLE BASE FRAME
- Attach the Base Frame (201) to the Connecting Rear Stabilizer (202) using two 1/2″ X 5″ Hex Bolts (223) and two 1/2″ Washers (235).
- Insert the 1″ Axle (shorter) (209) into the Leg Press Support (203) at the underside of the bend, and a Ring Spacer (210) on each end of 1″ Axle (shorter) (209). Then attach Leg Press Support (203) to the end of Base Frame (201) using two 1/2″ X 1″ Hex Threaded Bolts (224), and two 1/2″ Washers (235). Tighten these bolts and cap with two Dome End Caps (239).
- Insert the 1″ Axle (longer) (208) into the top hole of the Leg Press Support (203), and attach a Ring Spacer (210) on each end of 1” Axle (longer) (208). Then attach the Foot Plate (204) using two 1/2″ X 1″ Hex Threaded Bolts (224), and two 1/2″ Washers (235). Tighten these bolts and cap with two Dome End Caps (239).
- Attach two Seat Handles (206) to the Base Frame (201), using two 3/8″ X 3-1/4″ Hex Bolts (225), four 3/8″ Washers (236), and two 3/8″ Nylon Nuts (237). Tighten these bolts.
- Attach Seat Pad (215) into the Base Frame (201), using two 3/8″ X 2-3/4″ Hex Threaded Bolts (226) and two 3/8″ Washers (236).
- Attach Back Pad (214) into the Back Pad Adjuster (205), using two 3/8″ X 1″ Hex Threaded Bolts (227) and two 3/8″ Washers (236). Then slide the Back Pad Adjuster (205) to the Base Frame (201) and lock at your desired position using the Locking Spring Knob (222).
- Stick two Non Slips (216) on Foot Plate (204).

INSTALL LEG PRESS CABLE

![]() | ![]() |
![]() | ![]() |
Assemble cables and pulleys simultaneously.
- Screw the threaded end of Leg Press Cable (314) into the Cable Block (207), and route underneath pulley G2 mounted on the Connecting Rear Stabilizer (202), using a 3/8″ X 2-3/4″ Hex Bolt (230) and 3/8″ Washer (237) each. Continuing routing the cable around the horizontal pulley G3 mounted on the Connecting Rear Stabilizer (202), using a 3/8″ X 1-1/2″ Hex Bolt (245) as shown in Fig. G3.
- Route the cable under 114mm pulley G4, mounted under the Seat Pad (215), using a 3/8″ X 109.5mm Flat Pin Bolt (228) and M6 X 12L Male Screw (234) as shown in Fig. G4, G5, G6.
- Continue routing the cable over and around 114mm pulley G5, mounted in the bottom of the Leg Press Support (203) using a 3/8″ X 99.5mm Flat Pin Bolt (229) and M6 X 12L Male Screw (234) as shown in Fig. G4, G5, G6.
- Attach the Eyelet End of Leg Press Cable (213B) inside the slot in the Base Frame (201) using a 3/8″ X 109.5mm Flat Pin Bolt (228) and M6 X 12L Male Screw (234) as shown in Fig. G4, G5, G6.
The Cable length can be adjusted using the two threaded end of the cables. Be sure to always keep the threaded end at least 1/3 engaged. Do not unscrew the threaded end more than 2/3 of its length.
Always use the jam nut to prevent these cables from unscrewing. Tighten all bolts, beginning at Base Frame connection points.

EXPLODED

PARTS LIST
| NO | DESCRIPTION | QTY |
| 201 | BASE FRAME | 1 |
| 202 | CONNECTING REAR STABILIZER | 1 |
| 203 | LEG PRESS SUPPORT | 1 |
| 204 | FOOT PLATE | 1 |
| 205 | BACK PAD ADJUSTER | 1 |
| 206 | SEAT HANDLE | 2 |
| 207 | SLIDING PULLEY BLOCK | 1 |
| 208 | φ1″ AXLE (LONGER) | 1 |
| 209 | φ1″ AXLE (SHORTER) | 1 |
| 210 | RING SPACER | 4 |
| 211 | 114mm PULLEY | 2 |
| 212 | 90mm PULLEY | 4 |
| 213A | LEG PRESS LOW CABLE | 1 |
| 213B | LEG PRESS CABLE | 1 |
| 214 | BACK PAD | 1 |
| 215 | SEAT PAD | 1 |
| 216 | NON SLIP | 2 |
| 217 | 1-1/4″ X 360mm HAND GRIP | 2 |
| 218 | 45 X 45mm RECT. PLUG | 1 |
| 219 | LEG PRESS STOPPER | 1 |
| 220 | SEAT PAD SUPPORT STOPPER | 2 |
| 221 | BEARING | 4 |
| 222 | LOCKING SPRING KNOB | 1 |
| 223 | 1/2″ X 5″ HEX BOLT | 4 |
| 224 | 1/2″ X 1″ HEX THREADED BOLT | 4 |
| 225 | 3/8″ X 3-1/4″ HEX BOLT | 2 |
| 226 | 3/8″ X 2-3/4″ HEX THREADED BOLT | 2 |
| 227 | 3/8″ X 1″ HEX THREADED BOLT | 2 |
| 228 | 3/8″ X 109.5mm FLAT PIN BOLT | 2 |
| 229 | 3/8″ X 99.5mm FLAT PIN BOLT | 1 |
| 230 | 3/8″ X 2-3/4″ HEX BOLT | 1 |
| 231 | 3/8″ X 1-3/4″ HEX BOLT | 1 |
| 232 | 3/8″ X 3/4″ SET SCREW | 1 |
| 233 | 5/16 X 1-1/4″ MALE SCREW | 2 |
| 234 | M6 X 12L MALE SCREW | 3 |
| 235 | 1/2″ WASHER | 8 |
| 236 | 3/8″ WASHER | 8 |
| 237 | 3/8″ NYLON NUT | 4 |
| 238 | 5/16″ NUT | 2 |
| 239 | DOME END CAP | 4 |
| 240 | 4mm HEX WRENCH | 1 |
| 241 | 5mm HEX WRENCH | 1 |
| 242 | BUSHING | 1 |
| 243 | GUIDE ROD | 1 |
| 244 | 50 X 100mm OVAL PLUG | 2 |
| 245 | 3/8″ X 1-1/2″ HEX BOLT | 2 |
| 246 | 5/16″ X 1/4″ INNER HEX SCREW | 2 |

Assembly is complete! Please take the following steps before using the gym:
- Make certain all bolts are tightened securely.
- Make certain all cables are seated into all pulley grooves. A cable rubbing-against steel will peel the nylon coating, voiding warranty and resulting in a need for replacement.
- Pre-stretch the cables. Pull on the cables with great force, helping remove any links and providing any initial cable stretch.
- Be aware the cables can loosen and slightly stretch upon initial use.
- For better performance, apply a household lubricant (such as silicone) to any adjustable areas.
- Enjoy many years of a Fit Lifestyle.
Thank you for purchasing the BODYCRAFT Elite Leg Press attachment. If you have any questions, please call your local BODYCRAFT dealer. www.ibodycraft.com
Model No. Elite Leg Press
MA6053LP
BODYCRAFT
Fitness Authority Industrial Co., LTD.
No. 15, Xiangxue Rd., Dali Dist.,
Taichung City 41275, Taiwan.


























