ArduCam B0393 Camera Module for Raspberry Pi

SPECIFICATION
- Size Around 25 x 24 x 9 mm
- Weight 3g
- Still resolution 8 Megapixels
- Frame rate 30fps@1080P, 60fps@720P,VGA90 video modes.
- Sensor Sony IMX219
- Sensor resolution 3280 x 2464 pixels
- Sensor image area 3.68 x 2.76 mm (4.6 mm diagonal)
- Pixel size 1.12 µm x 1.12 µm
- Optical size 1/4″
- Focal length 2.8 mm
- Diagnoal field of view 77.6 degrees
- Focus Type Motorized Focus
- IR sensitivity Visible light only
COPYRIGHT
Specifications are subject to change without notice. No part of the specifications may be reproduced in any form or by any means or used to make any derivative such as translation, transformation, or adaptation without permission from Arducam. All rights reserved.
PACKAGE CONTENTS
The following items are included in your package:
- Arducam 8MP IMX219 Camera Module for Raspberry Pi [Auto Focus, Visible Light Only]
- 2150mm Flex Ribbon Cable [15Pin, Imm Pin Pitch]
- 500mm Flex Ribbon Cable [15Pin, Imm Pin Pitch]
- 150mm Flex Ribbon Cable [15Pin-22Pin]
This Quick Start Guide
CONNECT THE CAMERA
You need to connect the camera module to the Raspberry Pi’s camera port.
- Locate the camera port near the USB C power connector, and gently pull up on the plastic edge
- Push in the camera ribbon and make sure the silver connector is facing the Raspberry Pi camera MIPI port. Do not bend the flex cable and make sure it is firmly inserted.
- Push the plastic connector down while holding the flex cable until the connector is back in place.
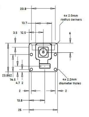
MECHANICAL DRAWING

SOFTWARE SETTING
Please make sure you are running the latest version of Raspberry Pi OS. (January 28th 2022 or later releases, Debian version: 11 (bullseye)).
For Raspbian Bullseye users, please do the following:
- Edit the configuration file: Sudo nano /boot:/config.txt
- Find the line: camera_auto_detect=1, update it to: camera_auto_detect=O dtoverfay=imx219
- Save and reboot.
For Bullseye users running on Pi 0-3, please also:
- Open a terminal
- Run sudo raspi-config
- Navigate to Advanced Options
- Enable Glamor graphic acceleration
- Reboot your Pi.
Operating The Camera
Install python environment
python3 -m pip install opencv-python
sudo apt-get install libatfas-base-dev
python3 -m pip insta/1-U numpy
Download the Raspberry library
git clone httpsJ/github.com/ArduCAM/RaspberryPi.git
Enable i2c
cd RaspberryPi/Motorized_Focus_Camera
sudo ch mod +x enable_i2c_ vc.sh
.lenable_i2c_ vc.sh
Press Y to reboot
Install libcamera-apps
cd RaspberryPi/Motorized_Focus_Camera/pythonl
For Kernel version 5.10.63
python3 -m pip instoll ./libcomero-1.0.1-cp39-cp39-linux_ormv71.whl
For Kernel version 5.10. 93
python3 -m pip install ./libcamero-1.0.2-cp39-cp39-linux_ormv7/.whl
Manually adjusting the focus
Python3 FocuserExomple.py -i 10
Press the Up/Down for the focus adjustment, press “q” to exit.
One-time autofocus
python3 AutofocusTest.py-i 10
Press ‘f’ to focus, and click ‘q’ to exit.
Enjoy
libcamera-still is an advanced command line tool for capturing still images with the IMX219 Camera Module.
libcamera-still -t 5000 -o testjpg
This command will give you a live preview of the camera module, and after 5 seconds, the camera will capture a single still image. The image will be stored in your home folder and named test.jpg.
- t 5000: Live preview for 5 seconds.
- o testjpg: take a picture after the preview is over and save it as test.jpg
If you only want to see the live preview, use the following command: libcamera-still -t 0
Please Note:
This camera module supports the latest Raspberry Pi OS Bullseye (released on Jan 28th, 2022) and libcamera apps, not for the previous Raspberry Pi OS {Legacy) users.
FURTHER INFOMATION
For further information, check the following link:
https://www.arducam.com/docs/cameras-for-raspberry-pi/raspberry-pi-libcamera-guide/
CONTACT US
Email: [email protected]
Forum: https://www.arducam.com/forums/
Skype: arducam




















