Sequans Go-GPS BLE Monarch Datasheet Hardware Integration User Manual
Legal Notices
Copyright© 2020, SEQUANS Communications
All information contained herein and disclosed by this document is confidential and the proprietary property of SEQUANS Communications and all rights therein are expressly reserved. Acceptance of this material signifies agreement by the recipient that the information contained in this document is confidential and that it will be used solely for the purposes set forth herein. Acceptance of this material signifies agreement by the recipient that it will not be used, reproduced in whole or in part, disclosed, distributed, or conveyed to others in any manner or by any means – graphic, electronic, or mechanical, including photocopying, recording, taping, or information storage and retrieval systems – without the express written permission of SEQUANS Communications.
All Sequans’ logos and trademarks are the property of SEQUANS Communications. Unauthorized usage is strictly prohibited without the express written permission of SEQUANS Communications.
All other company and product names may be trademarks or registered trademarks of their respective owners. Products and services of SEQUANS Communications, and those of its licensees may be protected by one or more pending or issued U.S. or foreign patents.
Because of continuing developments and improvements in design, manufacturing, and deployment, material in this document is subject to change without notification and does not represent any commitment or obligation on the part of SEQUANS Communications. SEQUANS Communications shall have no liability for any error or damages resulting from the use of this document.
Introduction
This application note is intended to help customers to successfully integrate and test their product based on Monarch Go-GPS BLE. It presents the datasheet of Monarch Go-GPS BLE device and the integration guidelines for:
- All interface requirements of Monarch Go-GPS BLE with customer’s host board and device
- Tips and “how-to”s for testing and troubleshooting
- Verizon ThingSpace IoT SIM activation
This document summarizes product datasheet and proposes a development process aiming at reaching optimal performance and quality of customer’s design. It is recommended to follow the steps in the order presented in this document.
This document is divided in three sections:
- Product datasheet
- Integration guidelines and functional testing
- Verizon sign-up procedure to activate ThingSpace IoT SIM Troubleshooting
Product Datasheet
General Description
Monarch Go-GPS BLE connected by Verizon is a comprehensive modem component offering device makers the shortest possible route to market and lowest total cost of ownership (TCO) to develop a cellular-IoT connected device. Unlike traditional cellular modules, it is certified by Verizon as an enddevice avoiding costly lab testing while improving time-to-market thanks to a reduced effort for board design. It completely removes the need to design and tune a cellular antenna as it embeds an optimized LTE antenna, saving months of design effort and lab testing. Monarch Go-GPS-BLE comes with a preinstalled ThingSpace IoT SIM and gives device makers the simplest, easiest, and most cost-effective solution for developing IoT devices for operation on Verizon’s network — simply plug it in and go
Applications
Monarch Go-GPS BLE is perfectly suited for a broad range of IoT applications, including telemetry, vending machines, agriculture sensor applications, asset and transportation trackers, hardware tools, and home security monitoring applications.
System Architecture
Customer IoT devices are typically designed with a MCU and a set of sensors. This MCU connects to Monarch Go-GPS BLE through an UART interface and can exchange data with a cloud server using Verizon LTE network. The cloud server and the MCU are where the customer application runs. Verizon ThingSpace platform provides managed billing, FOTA, device diagnostic and location service(1) for Monarch Go-GPS BLE.
(1)Contact Verizon for service availability
Mechanical Overview
- Monarch Go-GPS BLE dimensions: 35 mm (1.38”) x 50 mm (1.97”) x 14.95 mm (0.59”)
- Plastic enclosure, black color
- Fixable with two M2 screws and two metal nuts soldered on customer’s PCB. They are delivered when ordering Monarch Go-GPS BLE
- Verizon ThingSpace SIM pre-installed (3FF)
- Embedded LTE & GNSS & Bluetooth low energy antenna
- Three LEDs, one for LTE-M1 modem activity, one for GPS activity and one for BLE
- Low profile 20-pin digital board-to-board connector to connect customer MCU application controller
- Optional board-to-board flex cable 150 mm (5.9“) between Monarch Go-GPS BLE and customer MCU application board. Orderable separately
- 16 g weight


Board-to-board flex cable (optional)
Product Characteristics
| LTE with internal antenna | Release 13 Cat-M1, 375 kbps uplink and 300 kbps downlink (peak) | |
| Band 13 (700c) | TRP: 16dBm(1) TIS: -99dBm(1) | |
| Band 4 (1700/2100 AWS) | TRP: 18dBm(1) TIS: -100dBm(1) | |
| Radiation pattern | Omnidirectional | |
| Polarization | Linear | |
| GPS with internal antenna | Band | L1 |
| Sensitivity | Tracking -162 dBm; Acquisition -148 dBm | |
| Modes | MSB: supported MSA: not supported Standalone GPS: will be available in next software version | |
| Antenna radiation pattern | Omnidirectional | |
| Antenna polarization | Polarized | |
| Bluetooth LE with internal antenna | Band | 2.4GHz ISM (2402 MHz 2480 MHz) Bluetooth Low Energy radio interface v4.2 for controlling Monarch Go-GPS BLE with AT commands and virtual UART interface on host side |
| Antenna radiation pattern | Omnidirectional | |
| Antenna polarization | Linear | |
| PSM | Default value | Disabled |
| eDRX | Default value | Disabled |
| RRC Idle | Default value | Set by network – 1.28s cycle |
| cDRX | Disabled | |
| SMS | Send and receive SMS in RRC Idle, eDRX and PSM mode. | |
| APN | Default value | Set by network IPV4V6 |
| SUPL (2) | Default value | Disabled |
| Verizon Thingspace | Supported services | LWM2M: FOTA, diagnostics, Precise Location Services(2) |
| Roaming | Default value | Disabled |
| Modem control from external MCU | support for UDP, TCP, TFTP, FTP, HTTP, HTTPS, MQTT or MQTTS through AT commands | |
| SIM | Verizon ThingSpace IoT SIM card pre-installed, 3FF | |
| LED | Default value | LTE activity GPS activity BLE activity |
| Digital board-to- board connector | Connector type | Low profile 20-pin digital board-to-board connector to connect to customer’s host board |
| User interface (1.8V) | UART 4-wires interface (RXD, TXD, RTS, CTS) is the physical interface for controlling Monarch Go-GPS BLE from an external processor, typically a MCU, with AT commands. The default baudrate is 115200bps with hardware flow control (RTS/CTS) | |
| RING signals the availability of URC from Monarch Go-GPS modem and can be used to wake-up the MCU on the host board | ||
| WAKE, POWER_STATUS: these functions are disabled and not used. | ||
| Debug interface (1.8V, 3.1V) | UART2 2-wires interface (RXD/TXD) with default baudrate of 115200bps for LTE modem console port. Hardware flow control RTS/CTS is disabled by default. This interface is 1.8V. GPS_UART1 2-wires (RXD/TXD) with default baudrate of 115200bps configured for GPS console port. There is no signal for hardware flow control RTS/CTS. This interface is 3.1V | |
Notes:
- TIS/TRP performance is met when design recommendations are followed for optimal antenna placement. These values are applicable to A3 hardware version.
- Additional charges might apply. Contact Verizon for service availability.
The below table summarizes the product reference orderable online from Avnet
(https://www.avnet.com/shop/us#mmm_sequans-communications/) or Sequans for direct customers:
| Avnet orderable reference | Sequans orderable part number | Item description | Hardware version | UE software version | Product status |
| MONARCH-Go-GPS- BLE-STK | GM01Q-Go-GPS-BLE- A4 | Monarch Go-GPS BLE Starter Kit | A3 | SR1.2.0.0-10867 | Volume production |
| MONARCH-Go-GPS-BLE | GBA3NAZQZZ | Monarch Go-GPS BLE modem component with two M.2 screws and nuts | A3 | SR1.2.0.0-10867 | Volume production |
| Will be provided in a future edition of the document | 150mm flex cable | n/a | Not applicable | Volume production | |
Digital board-to-board connector
Monarch Go-GPS board-to-board connector reference: MOLEX 53916-0208![]() | |||||||
| Pin number (1)(3) | Direction | Pin name | Function | Description | Power group | State @reset | Pull-up on host board (2) |
| 1 | IN | VCC | Power supply | Voltage level 3.1V to 5.5V | n/a | n/a | |
| 2 | IN | GND | Ground | n/a | n/a | ||
| 3 | IN | GND | Ground | n/a | n/a | ||
| 4 | IN | nRESET | Reset | Reset signal. Active low. | 3.1V | In, PU | O |
| 5 | IN | UART1_TXD | Main UART1 TXD | Main UART: Host board sends data to Monarch Go-GPS. | 1.8V | In, PU | |
| 6 | OUT | UART1_RXD | Main UART1 RXD | Main UART: Monarch Go-GPS sends data to Host board. | 1.8V | In, PU | |
| 7 | IN | UART1_RTS | Main UART1 RTS | Main UART: Hardware flow control signals. Active low. UART1_RTS is | 1.8V 1.8V | In, PU | O |
| 8 | OUT | UART1_CTS | Main UART1 CTS | In, PU | O | ||
| 9 | OUT | RING | RING signal | This signal indicates a URC from Monarch Go-GPS and shall be read by host board. Active low. | 1.8V | In, PU | O |
| 10 | IN | WAKE | Wake-up signal | Disabled by default. Connect to headers. | 1.8V | In, PD | |
| 11 | OUT | POWER_STATUS | Power Saving Status | Disabled by default. Connect to headers. | 1.8V | In, PD | |
| 12 | IN | UART2_TXD | Debug UART2 TXD | Debug UART2. Data for LTE modem console. Connect to headers. | 1.8V | In, PU | |
| 13 | OUT | UART2_RXD | Debug UART2 RXD | 1.8V | In, PU | ||
| 14 | IN | UART2_RTS | Debug UART2 RTS | Debug UART2: Hardware flow control signals. Disabled by default. Connect to headers. | 1.8V | In, PU | |
| 15 | OUT | UART2_CTS | Debug UART2 CTS | 1.8V | In, PU | ||
| 16 | OUT | GPS_UART1_RXD | Debug GPS UART1 RXD | Debug GPS_UART1. Data for GPS console . Connect to headers. | 3.1V | In, PU | |
| 17 | IN | GPS_UART1_TXD | Debug GPS UART1 TXD | 3.1V | In, PU | ||
| 18 | n/a | DNC18 | Do not connect | Used internally, do not connect, keep floating. | 1.8V | In, HiZ | |
| 19 | OUT | GPS_UART2_RXD | Do not connect | 3.1V | In, PU | ||
| 20 | IN | GPS_UART2_TXD | Do not connect | 3.1V | In, PD | ||
Notes :
- The pin number “1” is located on the side nearest the outer edge of the plastic case as described below:

- “O” in this column means that a pull-up to an always-on voltage supply (Powe group) with typical 100kOhm resistor is an option:
- It is mandatory for designing a compatible host board hosting either Monarch Go GPS, Monarch Go-GPS BLE or Monarch Go (LTE only) version, at a degraded standby current.
- If the host board is only for Monarch Go-GPS or Monarch Go-GPS BLE, pull-up resistors are not needed.
See section 2.1 for more details.
- Note the pin characteristics (name, function, …) of the pin number 16 to 20 are different versus the digital board-to-board connector of the Monarch Go (LTE Only) version.
Electrical
- VCC:
- Operating voltage supply min 3.1 V – max 5.5 V
- VCC power supply dimensioning peak 2.0 W
- DC characteristics for digital I/O1.8V power group (main UART1, debug UART2 and other 1.8V signals)
- VIH Input High level voltage min 1.26 V – max 3.6V
- VIL Input Low level voltage min 0 V – max 0.45VVOH Output High level voltage min 1.35 V – max 1.8V
- DC characteristics for digital I/O 3.1V power group (debug GPS_UART1)
- VIH Input High level voltage min 2.0 V – max 3.6V
- VIL Input Low level voltage min -0.3 V – max 0.8V
- VOH Output High level voltage min 1.35 V – max 1.8V
- Power Consumption (typical, VCC=3.8 V; when a range is given, average value depends on radio condition and LED activity )
- Deep sleep mode, PSM 35uA
- eDRX 81.92s 0.5-1.3m A
- RRC Idle 1.28s 3.3-6.2mA
- Receive, max throughput 150mA
- Transmit, max throughput, +23dBm 230mA
Environmental
- Compliant with RoHS directive EU 2015/863
- Temperature
- Operating (board) -40° C to +80° C
- RF compliant (ambient) -30° C to +60° C
- Storage -40° C to +85° C
- Humidity
- Operating 10% to 85% (non condensing)
- Storage 5% to 85% (non condensing)
Mechanical drawings
Monarch Go-GPS BLE – A3 hardware version (dimension in mm)


150mm flex cable (dimension in mm)

Label
The following identities are marked on a 30x12mm heat resistant label on Monarch Go-GPS BLE device:
Certifications
The certifications apply to Monarch Go-GPS – A3 hardware version.
| Verizon certification | Verizon Open Development Device Certification LTE cat-M1, band 13 and band 4 Certification ID: 13215 |
| Regulatory approval | FCC part 15 / ISED LTE band 13 and band 4 FCC-ID: 2AAGMGMQGOB IC: 12732A-GMQGOB |
Regulatory Approval
FCC statement
Changes or modifications not expressly approved by the party responsible for compliance could void the user’s authority to operate the equipment.
This device complies with part 15 of the FCC Rules. Operation is subject to the following two conditions:
(1) This device may not cause harmful interference, and (2) this device must accept any interference received, including interference that may cause undesired operation.
RF exposure safety
This device complies with the FCC RF exposure limits and has been evaluated in compliance with mobile exposure conditions.
The equipment must be installed and operated with minimum distance of 20 cm of the human body.
Class B device notice
Note: This equipment has been tested and found to comply with the limits for a Class B digital device, pursuant to part 15 of the FCC Rules. These limits are designed to provide reasonable protection against harmful interference in a residential installation. This equipment generates, uses and can radiate radio frequency energy and, if not installed and used in accordance with the instructions, may cause harmful interference to radio communications. However, there is no guarantee that interference will not occur in a particular installation. If this equipment does cause harmful interference to radio or television reception, which can be determined by turning the equipment off and on, the user is encouraged to try to correct the interference by one or more of the following measures:
- Reorient or relocate the receiving antenna.
- Increase the separation between the equipment and receiver.
- Connect the equipment into an outlet on a circuit different from that to which the receiver is connected.
- Consult the dealer or an experienced radio/TV technician for help.
IC Industry Canada Statement
Changes or modifications not expressly approved by the party responsible for compliance could void the user’s authority to operate the equipment.
This device complies with ISED license-exempt RSS(s). Operation is subject to the following two conditions: (1) This device may not cause harmful interference, and (2) this device must accept any interference received, including interference that may cause undesired operation.
Permitted Antenna
This radio transmitter has been approved by the ISED to operate with the internal antenna listed below with the maximum permissible gain indicated. Antenna types not included in this list, having a gain greater than the maximum gain indicated for that type, are strictly prohibited for use with this device.
| South Star Technology, SV90 LTE antenna | |
| Licensed bands | Max Gain |
| Band 4 | 2 dBi |
| Band 13 | 0 dBi |
RF exposure safety
This device complies with ISED RF exposure limits and has been evaluated in compliance with mobile exposure conditions.
The equipment must be installed and operated with minimum distance of 20 cm of the human body.
CAN ICES-003 (B)
This Class B digital apparatus complies with Canadian ICES-003
Export Control Certification Number (ECCN)
ECCNs are five character alpha-numeric designations used on the Commerce Control List (CCL) to identify dual-use items for export control purposes. An ECCN categorizes items based on the nature of the product, i.e. type of commodity, software, or technology and its respective technical parameters.
- ECCN of Monarch Go-GPS is 5A992.c. CCATS number is G175554.
The following comment from licensing officer is reported on the license information:
- This encryption item is described in paragraph B to note 3 (mass market note) of category 5 part 2. It is authorized for export and re-export under section 740.17(B)(3) of the export administration regulations (EAR).
Integration guideline
Digital connector
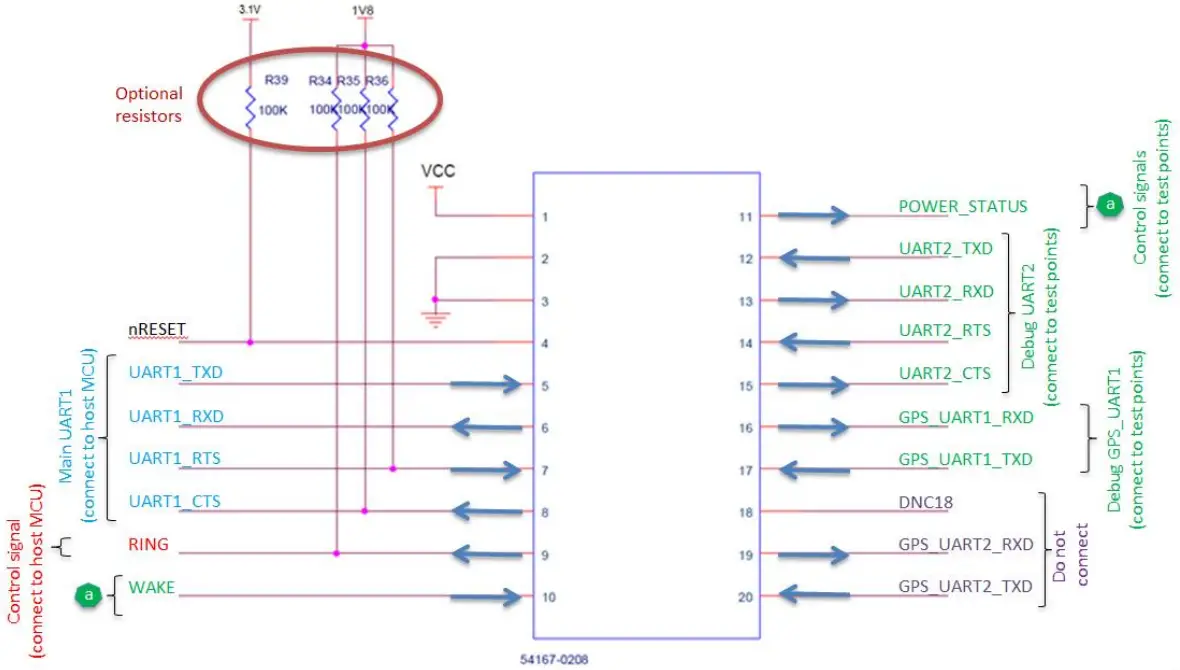
Monarch Go-GPS BLE device can interface to the Host Board through a board-to-board digital connector:
- Customer shall design a host board with the connector part number 54167-0208 from Molex as described in below figure. The datasheet can be obtained searching Molex web site (https://www.molex.com) with this part number.
- Monarch Go-GPS is equipped with a digital connector, its part number is 53916-0208 from Molex
The below diagram is an example of host board implementation:
Example schematic of host board with Molex 54167-0208 connector to connect Monarch Go-GPS BLE
The mandatory electrical interfaces between Monarch Go-GPS BLE and the host board are:
- Supply (VCC) min 3.1 V – max 5.5 V. The supply shall support up to 2 Watts peak even if the average power consumption is significantly lower.
- Ground
- nRESET: Monarch Go-GPS BLE device will reset every time this signal goes low.
- If this signal is connected to a MCU, the MCU GPIO shall be configured as open drain as there is an internal pull-up in Monarch Go-GPS BLE.
- If this signal is connected to a switch, having a pull-up resistor on host board is not mandatory as there is an internal pull-up in Monarch Go-GPS BLE.
Warning: The host board design for Monarch Go-GPS BLE is not compatible with Monarch Go if there is
no pull-up to an always-on supply on host board.
- UART1 4-wires interface (RXD, TXD, RTS, CTS) is the main physical interface for controlling Monarch Go-GPS BLE from an external processor, typically a MCU. The default configuration is:
- Baud rate : 115200
- Data : 8 bit
- Parity : None
- Stop : 1 bit
- Flow control : hardware (RTS/CTS)
- RING signals the availability of URC from Monarch Go-GPS BLE modem and can be used to wake-up the MCU on the host board
Warning: The host board shall be compliant with below high voltage level:- VIH Input High Voltage (UART1 TXD/RTS) min 1.26 V – max 3.6V
- VOH Output High Voltage (UART1 RXD/CTS and RING) min 1.35 V – max 1.8V
If the MCU on host board is capable of 3V only but not 1.8V, level shifters shall be added on UART1 RXD, CTS and RING.
The below electrical signals on Monarch Go-GPS shall BLE be connected to test points on host board for debug purpose:
- UART2 2-wires RXD/TXD is the LTE modem console port. Default configuration:
- Baud rate : 115200
- Data : 8 bit
- Parity : None
- Stop : 1 bit
- Flow control : None (no RTS/CTS)
Note: hardware flow control (RTS/CTS) is disabled by default even if signals are present on the connector.
Warning: the high voltage levels for these signals are: - VIH Input High Voltage (UART2 TXD/RTS) min 1.26 V – max 3.6V
- VOH Output High Voltage (UART2 RXD/CTS) min 1.35 V – max 1.8V
- GPS_UART1 2-wires RXD/TXD is configured for GPS console. Default values:
- Baud rate : 115200
- Data : 8 bit
- Parity : None
- Stop : 1 bit
- Flow control : None (no RTS/CTS)
Warning: the high voltage levels for these signals are: - VIH Input High level voltage min 2.0 V – max 3.6V
- VOH Output High level voltage min 2.9 V – max 3.3V
- WAKE and POWER_STATUS: These functions are disabled by default.
Note: the high voltage levels for these signals are:- VIH Input High Voltage (WAKE and POWER_STATUS) min 1.26 V – max 3.6V
- VOH Output High Voltage (WAKE and POWER_STATUS) min 1.35 V – max 1.8V
Bluetooth Low Energy interface
Monarch Go-GPS BLE allows the user to send AT commands from the MCU to the product via BLE (on top of physical UART already supported).
The product acts only as a BLE slave. It connects automatically and securely to a single master.
Just after boot, Monarch GO-GPS BLE automatically enters into an advertising mode to allow the master to discover it.
The scanning is requested by the master and Monarch Go-GPS BLE will answer to the requested messages. Master and slave wil then start the auto connection establishment procedure.
Monarch-Go-GPS BLE device naming convention is defined as per the following:
- GM01Q-GO-GPS-BLE-
- Example : GM01Q-GOGPS-BLE0002005
When the end user will have to pair his device, he will have to entre 6 digit pairing key. Digit key is composed by the 6 last IMEI digits from the device.
Once connected, device emulates service for UART interface. Monarch Go-GPS-BLE is implementing a BLE GATT server.
Monarch-Go-GPS BLE supports a single master: once a master is connected, the product will stop advertising to other masters and will not accept new connections from other masters until the connected master release the connection.
If master disconnects from slave either voluntary with an AT command or involuntary because of radio link quality, the slave goes back to advertising mode automatically and wait for a master to discover it.
Physical integration
Placement without flex cable
When Monarch Go-GPS BLE is connected directly on host board, the host board shall be designed with
- 2 holes to solder the M.2 nuts
- the board-to-board connector
An example of placement on host board is illustrated below:
Host board (top view): without Monarch Go-GPS BLE (left) and with Monarch Go-GPS BLE (right)
The M.2 nuts are made of metal and are aimed at ensuring physical and grounding connection between the host board and Monarch Go-GPS BLE thanks to two M.2 screws and nuts.
M.2 nut and M.2 screw
Note: the two M.2 screws and nuts are delivered when ordering Monarch Go-GPS BLE (GBA3NAZQZZ).
The exact position of the drilled holes and the connector on Host Board shall match the dimensions given in document “Monarch Go-GPS Mechanical drawing-2d-enclosure-drawing- 20190905_A2.1.pdf”.
Placement on host Board is critical to correctly fit Monarch Go-GPS BLE to the host Board.
- The dimension of the M.2 nuts are given in document “NDA-Monarch Go-Mechanicaldrawing2d-SMT-NUT-M2x4_A2.1.pdf”. The nuts are shipped with Monarch Go-GPS .
- The dimension of the M.2 screws are given in document “NDA-Monarch Go Mechanical drawing2d-Screw-M2X4-Model_A2.1.pdf”. The screws are shipped with Monarch Go-GPS .
- The footprint of the connector 54167-0208 is given in Molex datasheet available from their web site.
Note: customer can add anti vibration thread locking adhesive to the 2 screws for higher resistance to vibration.
Warning: In order to get optimal antenna performance, no metal plate shall be located above Monarch Go-GPS BLE embedded LTE antenna as described on this figure:
Placement with flex cable
The optional flex cable can be used between the connector of the Host Board and the connector of Monarch Go-GPS BLE, allowing positioning Monarch Go-GPS BLE away of the host board.
- The position of the connector on the Host Board does not have to follow the guidance of section 2.2.1 when the flex cable is used, it gives more flexibility in Host Board design.
In order to get optimal antenna performance, the design shall follow below guidelines:
- It is recommended to solder the nuts to a large PCB with ground plane
- If this is not possible, the nuts shall be soldered to wires connected to ground. The objective is to improve grounding connection between Monarch Go-GPS BLE PCB and an external ground plane, for optimal antenna performance.
- The best position of Monarch Go-GPS BLE device into the end product can be estimated by using AT command AT+CSQ that reports signal strength. The position with lowest value (highest signal strength) is the best one.
Warning: In order to get optimal antenna performance, no metal plate shall be located above Monarch Go-GPS BLE embedded LTE antenna as described on this figure:
Functional testing
Once Monarch Go-GPS BLE is correctly assembled to the Host Board, AT command interface through physical UART connected to external MCU or Bluetooth radio interface can be used for functional testing.
Sending AT command “ATI1” to UART1 will return Monarch Go-GPS BLE software version:
UE5.2.0.1
SR1.2.0.0-xxxx
LR5.2.1.0-yyyy
This will verify that the UART1 connection between Host Board MCU and Monarch Go GPS BLE is functional and correctly configured (voltage level, baud rate, hardware flow control).
The next step is to verify connectivity to Verizon network, this can be done typing AT+PING=www.sequans.com command.
Configuration
The default LTE LED behavior can be changed using AT+SQNLED, this is a persistent setting.
- AT+SQNLED=0 : Set LTE blink mode Off. The LTE LED is switched off.
- AT+SQNLED=1 : Set blink mode On. The LTE LED will blink according to the system state:
- AT+CFUN=0 or 4. The modem is stopped or in Airplane mode. The LED is permanently turned off.
- AT+CFUN=1. LTE data transfer. The LTE LED is permanently turned on.
- AT+CFUN=1. The modem is registered to the network, no data transfer (modem is in RRC Idle). The LTE LED blinks (typically 1280 ms on, 19200 ms off).
- AT+CFUN=1. Limited Network Service (no SIM, network search). The LED blinks (typically 500 ms on, 500 ms off).
- AT+CFUN=1. The modem is in sleep or deep sleep mode (eDRX or PSM). The LTE LED is permanently turned off.
- AT+SQNLED=2 : Set GPS blink mode Off. The GPS LED is switched off.
- AT+SQNLED=3 : Set GPS blink mode On. The GPS LED will blink according to the system state: the GPS is active (1000ms on, 2000ms off)
- AT+SQNLED=4 : Set BLE blink mode Off. The BLE LED is switched off.
- AT+SQNLED=5 (default): Set BLE blink mode On. The BLE LED will blink according to the system state. Note that enabling BLE LED will prevent Monarch Go-GPS BLE to go in deep sleep mode during advertising mode.
Verizon SIM sign-up procedure to activate ThingSpace IoT SIM
In order to sign-up to the VzW ThingSpace portal, you can go to the web page:
https://thingspace.verizon.com/start
Note: for security reason, Verizon sign-up procedure requires to have a USA mobile phone number to receive the mobile passcode from Verizon through SMS. Without this, you cannot activate the SIM preinstalled in Monarch Go-GPS BLE. Contact Verizon for further assistance.
Then follow the below procedure.
- Step 1: Start the Signup procedure

- Step 2: select the ThingSpace signup procedure

- Step 3: Signup for a developer connectivity account

- Step 4: Fulfill the required fields with your personal information and get your Email passcode
Your Email passcode will be sent to you by Verizon to your Email address.
- Step 5: Enter your US phone number and get your Mobile passcode
Your Mobile passcode will be sent to you by SMS on your mobile phone.
- Step 6: Enter your email passcode and mobile passcode and get your Thing Space credentials
Your ThingSpace credentials will be sent to you by email and SMS.
- Step 7: create your security profile and launch the registration of your device

- Step 8: Verify and approve your security profile and go ahead

- Step 9: Select your preferred data plan

- Step 10: provide your payment detailed and get your device register
After this step, your device will be register in the Verizon ThingSpace platform, ready to use ThingSpace services.
Troubleshooting
Replacing the SIM card
The SIM card can be removed and replaced after opening Monarch Go-GPS enclosure (bottom). When the SIM connector is visible, follow the below steps:



Connecting a RF cable to LTE connector
Monarch Go-GPS BLE has an SWG_VE series RF connector for LTE signal. It is located inside the enclosure. Once you remove the mechanical protection (top), you can connect a RF cable reference MXHQ87WA3000 orderable from Murata. This connector can be used for debug purpose. It is not intended to be used in operating mode.
Note: this RF connector cannot be used to connect to the GPS or BLE receiver, it is only for the LTE signal.
Confidential and Proprietary
Monarch Go-GPS-BLE Datasheet and Hardware Integration Guide, Rev 1 28/28



















