Ingross 11671278830 Steel Intake Manifold

Removal
- Removal the intake manifold cover.

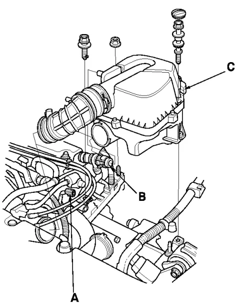
- Disconnect the intake air temperature (IAT) sensor connector (A), remove the breather hose (B), then remove the air cleaner housing (C).

- Remove the throttle cover (A). Fully open the throttle link and cruise control link by hand, then remove the throttle cable (B) and cruise control actuator cable (C) from the links. Loosen the locknuts (D), and remove the cables from the bracket.

- Remove the evaporative emission (EVAP) canister hose (A) and brake booster vacuum hose (B).

- Remove the water bypass hoses, then plug the water bypass hoses.

- Disconnect the intake manifold runner control (IMRC) valve actuator control solenoid valve connector (A), then remove the positive crankcase ventilation (PCV) hose (B) and IMRC valve control solenoid valve mounting bolt (C).

- Removal the bolt (A) securing the battery clamp, then remove the bulkhead cover (B).

- Remove the harness clamps.

- Remove the intake air duct mounting bolts (A) and upper bracket and cushion (B), then remove the bulkhead (C).
- Remove the engine wire harness connectors and wire harness clamps from the intake manifold.
- Idle air control (IAC) valve connector
- Throttle position sensor connector
- Manifold absolute pressure (MAP) sensor connector Evaporative emission (EVAP) canister purge valve connector
- IMRC valve position sensor connector

- Remove the intake manifold

Installation
- Install the intake manifold (A), and tighten the bolts/nuts in a crisscross pattern in two or three steps, beginning with the inner bolt. Use the new O-rings (B).


- Install the bulkhead (A), then install the upper bracket and cushion (B) and intake air duct mounting bolts (C).Apply body paint to the bulkhead mounting bolts.

- Connect the harness clamps.

- Install the bulkhead cover (A), then install the battery clamp bolt (B).

- Connect intake manifold runner control (IMRC) valve actuator control solenoid valve connector (A), then installthe positive crankcase ventilation (PCV) hose (B) and IMRC valve actuator control solenoid valve mounting bolt(C).

- Install the water bypass hoses

- Install the evaporative emission (EVAP) canister hose (A) and brake booster vacuum hose(B).
- Install the throttle cable, then adjust it.
- Install the cruise control actuator cable, then adjust it.

- Install the air cleaner housing (A), and connect the intake air temperature (IAT) sensor connector (B).
- Install the breather hose (C).

- Install the intake manifold cover.
- After installation, check that all tubes, hoses, and connectors are installed correctly.
- Refill the radiator with engine coolant, and bleed air from the cooling system with the heater valve open.
- Clean up any spilled engine coolant.








































