Whitehall Manufacturing WH3820 Series Solid Surface Alcove Basin

Model WH3820 Series
Ligature Resistant Corterra® ADA
Compliant Alcove Basin

WH3822-WH3375-HC-SO (SHOWN)
Important
- Important: Some options may slightly alter installation. To ensure proper installation review the manual thoroughly and verify rough-ins before beginning any work. File this manual with the owner or maintenance personnel upon completion of installation.
- Industry standard wall backing, for wall hung fixtures, is required. Installer provided wall anchors and wall anchoring hardware must be appropriate for wall construction.
ANSI, UFAS or ADA compliance is subject to the interpretation and requirements of the local code authority and is the responsibility of the installer for verification. - Single Temp Valve Assembly: Recommended working water pressure is 30 psi (2.07 bars) minimum to 100 psi (6.89 bars) maximum. Maximum temperature is 130°F (54.4°C). Maximum outlet temperature recommended is 105°F (40.6°C). Valve assembly must be drained prior to being subjected to freezing temperatures. A checkstop is provided with this valve assembly.
- T/P Mixing Valve Assembly: Recommended working water pressure is 30 psi (2.07 bars) minimum to 100 psi (6.89 bars) maximum. Maximum hot water temperature is 180°F (82°C). Temperature adjustment range is 85-115°F (29-46°C). Minimum hot water supply temperature must be 5°F (3°C) above desired set temperature. Valve assembly must be drained prior to being subjected to freezing temperatures. The valve assembly has checks integral to the inlets however, angle stops are to be provided by the installer.
- Prior to installation, supply lines must be flushed of all foreign material such as pipe dope, chips, or solder. Debris or foreign material in water supply may damage valve.
- Teflon tape is recommended on all threaded waste and supply connections to reduce the possibility of leaks.
- Provide 110-120VAC/60Hz/3A (MAX) electrical receptacle for optional factory supplied 120VAC/9VDC, 100mA plug-in transformer.
- NOTE: Receptacle(s) must be wired to a GFCI protected circuit. Fixture must be earth grounded per N.E.C. (National Electrical Code).
ACCESSIBILITY OVERVIEW


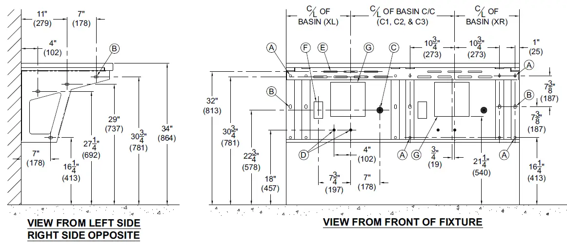
DIMENSIONAL DATA

WH3821-BBED SHOWN, AND WITH WH3375-SO
FOR PROPER INSTALLATION, INSTALLER MUST BE PROVIDED WITH SIGNED SUBMITTAL THAT INDICATES CENTERLINES OF BASIN(S)
NOTE: CUSTOMER MUST VERIFY SPECIFIED DIMENSIONS INDICATED WITH (*) MEET LOCAL ACCESSIBILITY STANDARDS
| DIMENSIONAL LEGEND | |||
| KEY | DESCRIPTION | KEY | DESCRIPTION |
| XL | CENTER OF FIRST BOWL FROM LEFT SIDE OF DECK | C3 | CENTER OF THIRD BOWL TO FOURTH BOWL |
| C1 | CENTER OF FIRST BOWL TO THE SECOND BOWL | XR | CENTER OF LAST BOWL FROM RIGHT SIDE OF DECK |
| C2 | CENTER OF SECOND BOWL TO THIRD BOWL | ||

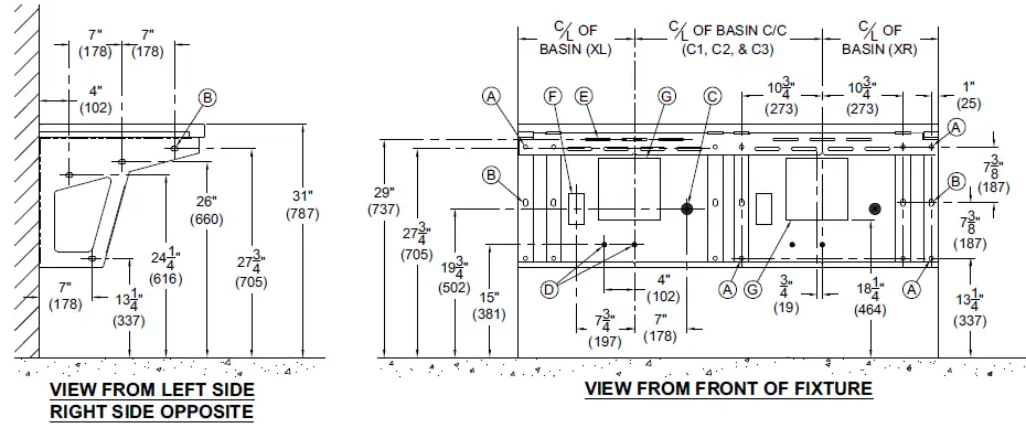
WH3824-BBDB SHOWN, AND WITH WH3375-SO
ROUGH-IN DIMENSIONS -ADA (Adult) And OBC Ontario Building Code (Canada)

IMPORTANT: MODEL WH3822 (2 PERSON) SHOWN FOR REFERENCE ONLY. UNITS ARE PROVIDED TO MATCH SELECTIONS AND DIMENSIONS PROVIDED BY CUSTOMER. MOUNTING POINTS AND PLUMBING ROUGH-INS ARE TAKEN FROM CENTERLINE OF BASINS. ADDITIONAL MOUNTING POINTS SIMILAR TO A AND B MAY BE PROVIDED WHEN DIMENSIONS BETWEEN BOWLS ARE LESS THAN 25″ (635).
- 9/16″ Diameter Mounting Holes for Mounting Frame, provided. Fasteners and Wall Anchors are provided by others. Installer is to use Industry Standards of Best Practice to suit wall type and construction, weight of fixture and application.
- 9/16″ Diameter Mounting Holes for Mounting Frame, provided. Fasteners and Wall Anchors are provided by others. Installer is to use Industry Standards of Best Practice to suit wall type and construction, weight of fixture and application.
- 1-1/2″ O.D. Tube Lavy Waste Outlet for Compression Joint.
- 1/2″ NPS Hot & Cold Supplies for Angle Stops (By Others).
- 3/8″ x 3-3/8″ Mounting Slots (7), Fasteners and Wall Anchors are provided by others. Installer is to use Industry Standards of Best Practice to suit wall type and construction, weight of fixture and application.
NOTE: MOUNTING PATTERN REPEATS AT EVERY BASIN OR EVERY 25″ (635). - 120VAC, 60Hz, 3A (Max) GFCI Protected, Electrical Receptacle for Optional Electronically Operated Faucets
- 8-1/4″ x 8-1/4″ (210 x 210) Optional Faucet Valve mounting area.
GENERAL NOTES
- All Dimensions Are In Inches (MM)
ROUGH-IN DIMENSIONS -ADA AGES 6 THRU 12 YEARS

IMPORTANT: MODEL WH3822 (2 PERSON) SHOWN FOR REFERENCE ONLY. UNITS ARE PROVIDED TO MATCH SELECTIONS AND DIMENSIONS PROVIDED BY CUSTOMER. MOUNTING POINTS AND PLUMBING ROUGH-INS ARE TAKEN FROM CENTERLINE OF BASINS. ADDITIONAL MOUNTING POINTS SIMILAR TO A AND B MAY BE PROVIDED WHEN DIMENSIONS BETWEEN BOWLS ARE LESS THAN 25″ (635).
- 9/16″ Diameter Mounting Holes for Mounting Frame, provided. Fasteners and Wall Anchors are provided by others. Installer is to use Industry Standards of Best Practice to suit wall type and construction, weight of fixture and application.
- 9/16″ x 1″ Mounting Slots for Mounting Frame, provided. Fasteners and Wall Anchors are provided by others. Installer is to use Industry Standards of Best Practice to suit wall type and construction, weight of fixture and application.
- 1-1/2″ O.D. Tube Lavy Waste Outlet for Compression Joint.
- 1/2″ NPS Hot & Cold Supplies for Angle Stops (By Others).
- 3/8″ x 3-3/8″ Mounting Slots (7), Fasteners and Wall Anchors are provided by others. Installer is to use Industry Standards of Best Practice to suit wall type and construction, weight of fixture and application.
NOTE: MOUNTING PATTERN REPEATS AT EVERY BASIN OR EVERY 25″ (635). - 120VAC, 60Hz, 3A (Max) GFCI Protected, Electrical Receptacle for Optional Electronically Operated Faucets
- 8-1/4″ x 8-1/4″ (210 x 210) Optional Faucet Valve mounting area.
GENERAL NOTES:
- All Dimensions Are In Inches (MM)
PRE INSTALLATION
- Prior to installation remove all large Access Panels 1 from the Frame Assembly 2, by removing the Vandal Resistant Fasteners 3. Then swing Panel 1 down then out. Put loose Access Panel(s) 1 in an area where they will not get damaged.
NOTE: NUMBER OF ACCESS PANELS WILL VARY DEPENDING UPON OVERALL WIDTH OF FIXTURE.
- With installer provided wall anchors 4 installed per rough-ins, slide Frame Assembly 2 in into position within alcove.
NOTE: Some sort of support may be needed to assist in holding the Frame Assembly in position while securing to wall.
FRAME ANCHORING - provided anchoring hardware With installer provided wall anchors 5. 4 in place secure Frame Assembly 2 to the rear and side walls using installer

FIXTURE ASSEMBLY
Prior to installing the Deck onto Frame Assembly, it is recommenced to install the Grid Strainer and Close Elbow assembly as shown as well as Faucet, see Faucet Installation instructions, link below.
https://www.whitehallmfg.com/uploads/fileLibrary/6900-208-001%20BestCare%20Faucets.pdf

WASTE ASSEMBLY
HINT: Teflon tape is recommended on all threaded waste and supply connections.
Install Ligature Resistant Strainer to Basin using plumbers putty on underside of Grid Strainer Flange. From beneath Basin, assemble Gasket, Washer and Jam Nut as shown to Ligature Resistant Strainer and tighten securely. Add Close Elbow to Strainer Assembly as indicated.
- Ligature Resistant Strainer w/ 1-1/2″ -16 UNE Threads
- Rubber Gasket (1) required
- 1-1/2”-16 Brass Nut
- Flat Fiber Washer (1) required
- 1-1/2″-16 x 1-1/4″ UNI Close Elbow with 3/8″ NPT Clean-Out Plug
- 1-1/4” O.D. Waste Outlet Connection

NOTE: Waste Assembly may be provided with Extra items not required in this assembly.
NOTE: Waste assembly may require field cutting and fitting by the installer.
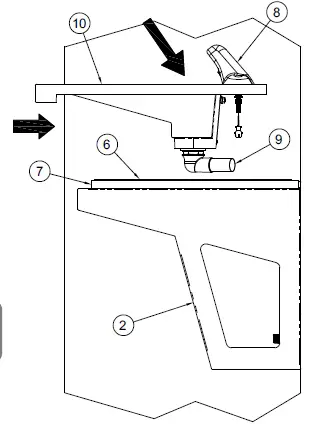
FIXTURE ASSEMBLY
With Frame Assembly 2 secured to the wall apply a bead of RTV 100 Adhesive 6, provided by installer, to the Frame Assembly Pads 7. With Faucet 8 and Grid Strainer and Close Elbow Assembly 9 installed onto Deck 10, slide Deck 10 into alcove and set onto Frame Assembly 2, ensuring the back of the Deck 10 is against the back wall and resting on Frame Assembly 2 as shown.
NOTE: Sides of Deck may need to be field sanded/ground slightly to ensure proper fit within Alcove.

NOTE: If optional Back and Side Splashes are not selected apply appropriate Silicone, provided by installer, around edges of Deck and Wall.

If no Back or Side Splashes continue with valve installation, otherwise continue to next page.
https://www.whitehallmfg.com/uploads/fileLibrary/6900-208-001%20BestCare%20Faucets.pdf
With Deck 10 secured to Frame Assembly 2, apply a bead of adhesive 11 to the walls or the back side of Sidesplashes 12 and Backsplash 13 and set on top of Deck 10 then press and hold against wall until adhesive sets and they stay in place.
NOTE: Side and Back Splashes may need to be field sanded/ground slightly to ensure proper fit.

NOTE: Apply appropriate Silicone, provided by installer, around edges of Back and Side Splashes, Deck, and Wall.

Assemble waste piping using TEFLON tape on all threaded connections and make up waste connections to 1-1/2″ P-trap.
NOTE: Waste assembly may require field cutting and fitting by the installer.


Before re-installing access panel(s) it is the installers responsibility to open stop(s), run faucet(s) and inspect for leaks. If leaks are detected they must be corrected.
Insert Access Backing Panel Bracket Tabs 14 into Frame Slots 15 and rotate Access Panel 1 into position. Secure Access Panel 1 to Frame Assembly 2 with Vandal Resistant Fasteners 3, using installer provided Center Reject Allen Wrench 16.

WHITEHALL MANUFACTURING®
P.O. BOX 3527
City of Industry, CA 91744-0527 U.S.A Phone (800) 782-7706 • (626) 968-6681
Fax (626) 855-4862
Web: www.whitehallmfg.com


FRAME ANCHORING

















